metalinstryment.com
Довідник по металорізальних верстатів та пресовому обладнанні

Mikron WF2 Верстат фрезерный універсальний
схеми, опис, характеристики

Mikron WF2 Верстат фрезерный універсальний







Відомості про виробника універсального фрезерного верстата Mikron WF2

Верстат універсальний фрезерный моделі Mikron WF2 выпускал Машиностроительный завод Микрон в городе Биль, Швейцария (Mikron Machine Works Ltd., Bienne Switzerland).

Компания Mikron, основанная в 1908 году, к началу 1920-х годов заработала солидную репутацию в области точного машиностроения, представив ряд высококачественных прецизионных токарных верстатів, небольших фрезерных верстатів і зубофрезерных верстатів.





Верстати, выпускаемые в Швейцарии


WF2 Назначение і область применения універсального фрезерного верстата

В 1960-х компания решила предложить более сучасний ассортимент универсальных фрезерных верстатів, построенных по принципу, аналогичному тем, которые в течение многих лет производились, например, Декелем (Deckel FP2).

Конструкція верстатів WF-1 была разработана Wilhelm Grupp Oberkochen (WIGO) - немецкой станкостроительной компанией, которая закрылась в 1984 году.

Микрон предложил две основні модели, основанные на WIGO WF-1: меньший WF-2 і более крупный WF-3.

Успех Микрона заключался в его способности устанавливать различные головки - горизонтальные, стандартные вертикальные, высокоскоростные вертикальные і долбежные - в сочетании з различными столами - простыми, плоско-наклонными і складовими поворотными.

Хотя оба были очень похожи по внешнему виду, каждый из них легко отличался з первого взгляда, один от другого, по положению зовнішнього приводного двигуна головы. На WF-2 он был прикреплен фланцем к задньої поверхности блока редуктора з поперечным рычагом, а на WF-3 он располагался сверху, обращенным назад.

Принцип роботи і особливості конструкції верстата

Специально разработанные дополнительные приборы і пристроя, как вертикальная фрезерна головка, долбёжное пристрій, контропора итп, позволяют, в сочетании з крепёжными і делительными приспособлениями, производить широкий ряд рабочих операций, которые иначе надо было бы производить на окремих верстатах - горизонтальном і вертикальном фрезерном станке. долбёжном станке і сверлильном станке. Смена додаткових устройств производится удобно і за короткое время, благодаря рационально і целесообразно выполненным направляющим.

Одним из основних требований для успеха при использовании етого типа універсального фрезерного верстата было наличие нескольких различных столов для крепления к вертикальному столу 200 x 630 мм





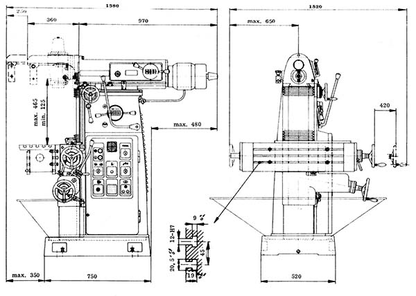
Габаритные розміри робочого простору верстата WF2

Габаритные розміри робочого простору фрезерного верстата Mikron WF2

Габаритные розміри робочого простору фрезерного верстата Mikron WF2

Габаритные розміри робочого простору фрезерного верстата Mikron WF2. Увеличенный чертеж




Фото універсального фрезерного верстата WF2

Фото універсального фрезерного верстата WF2

Фото універсального фрезерного верстата Mikron WF2

Фото універсального фрезерного верстата WF2. Увеличенный чертеж



Фото універсального фрезерного верстата WF2

Фото універсального фрезерного верстата Mikron WF2

Фото універсального фрезерного верстата WF2. Увеличенный чертеж



Фото універсального фрезерного верстата WF2

Фото універсального фрезерного верстата Mikron WF2

Фото універсального фрезерного верстата WF2. Увеличенный чертеж



Фото універсального фрезерного верстата WF2

Фото універсального фрезерного верстата Mikron WF2

Фото універсального фрезерного верстата WF2. Увеличенный чертеж



Розташування органів керування консольно-фрезерным верстатом Mikron WF2

Розташування органів керування фрезерным верстатом Mikron WF2

Розташування органів керування фрезерным верстатом Mikron WF2

Розташування органів керування фрезерным верстатом Mikron WF2. Увеличенный чертеж



Розташування органів керування фрезерным верстатом Mikron WF2

Розташування органів керування фрезерным верстатом Mikron WF2

Розташування органів керування фрезерным верстатом Mikron WF2. Увеличенный чертеж






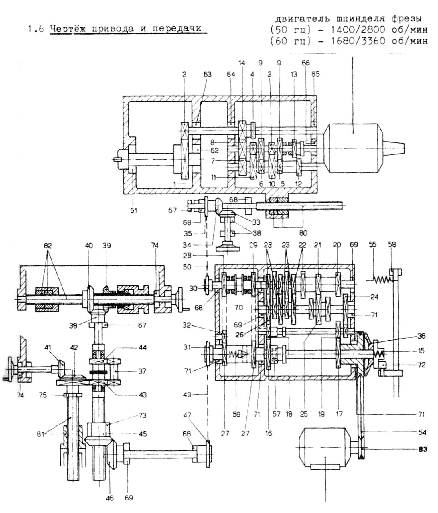
Схема кінематична універсального фрезерного верстата Mikron WF2

Кінематична схема універсального фрезерного верстата Mikron WF2

Кінематична схема універсального фрезерного верстата Mikron WF2

Кінематична схема універсального фрезерного верстата Mikron WF2. Увеличенный чертеж



Упоры універсального фрезерного верстата Mikron WF2

Упоры універсального фрезерного верстата Mikron WF2

Упоры універсального фрезерного верстата Mikron WF2. Увеличенный чертеж



Крепление инструмента універсального фрезерного верстата Mikron WF2

Крепление инструмента універсального фрезерного верстата Mikron WF2

Крепление инструмента універсального фрезерного верстата Mikron WF2. Увеличенный чертеж






Mikron WF2 Верстат фрезерный універсальний. Відеоролик.




Технічні характеристики фрезерного верстата Mikron WF2

Наименование параметра СФ676 ФС-300 Deckel FP1 Mikron WF2 Mikron WF3
Основні параметри верстата
Класс точності по ГОСТ 8-82 Н П
Розміри вертикального стола, мм 250 х 630 291 х 740 195 х 600 200 х 630 270 х 1035
Розміри горизонтального (углового) стола, мм 250 х 800 250 х 620 210 х 600 250 х 700 350 х 800
Максимальная масса обрабатываемой детали, кг 100 80
Предельные розміри устанавливаемой заготовки, мм 400 х 250 х 200
Предельные розміри внутренней обрабатываемой поверхности, мм 200
Расстояние от оси горизонтального шпинделя до рабочей поверхности горизонтального (углового) стола, мм 80..460 158..458 65..400 170..570
Наибольший продольный ход стола (X) (механика/ от руки), мм 450 400 290/ 300 410/ 420 500
Наибольший вертикальний ход суппорта стола (Y) (механика/ от руки) , мм 380 300 330/ 340 340/ 345 400
Наибольший поперечний ход шпиндельной бабки (Z) (механика/ от руки), мм 300 200 -/ 150 250/ 250 500
Наибольший диаметр фрезы, устанавливаемой на станке - для чугуна і стали, мм 63
Наибольший диаметр фрезы, устанавливаемой на станке - для цветных металлов, мм 90
Горизонтальный шпиндель
Частота обертання горизонтального шпинделя, об/мин 50..1630 15..3000
40..2000 50..2240 25..2500
Количество швидкостей горизонтального шпинделя 16 12 18 12 φ = 1,4 21 φ = 1,258
Конус горизонтального шпинделя 40АТ5 40АТ5 40АТ5 ISO 40 ISO 40/ М16
Перемещение пиноли шпинделя, мм - - -
Наибольший допустимый крутящий момент на горизонтальном шпинделе, Нм 148
Горизонтальная шпиндельна бабка
Перемещение бабки на одно деление лимба, мм 0,01 0,025 0,02
Количество подач горизонтальной шпиндельной бабки 16 - 18 φ = 1,25 Б/с
Пределы подач горизонтальной шпиндельной бабки, мм/мин 13..395 10..1000 - 8..400 1..750
Быстрый ход горизонтальной шпиндельной бабки, мм/мин - 1400 1500
Ходовые винты верстата
Ходовой винт (шаг) салазок шпинделя - один оборот шайбы со шкалой, мм 2 2
Ходовой винт (шаг) вдоль стола - один оборот шайбы со шкалой, мм 4 4
Ходовой винт (шаг) вертикальное рух стола - один оборот шайбы со шкалой, мм 2 2
Одно деление шайбы со шкалой во всех трех направлениях, мм 0,02 0,02
Вертикальная Фрезерная головка
Расстояние от торца вертикального шпинделя до рабочей поверхности горизонтального стола, мм 0..380 86..386
Наибольший вылет оси вертикального шпинделя, мм 125..375 280
Частота обертання вертикального шпинделя, об/мин 63..2040 15..3000
40..2000 50..2240 25..2500
Количество швидкостей вертикального шпинделя 16 16 12 21
Наибольшее осевое перемещение пиноли вертикального шпинделя, мм 80 86 60 60 110
Наибольший угол поворота вертикальной головки в вертикальной плоскости, градус ±90° ±45° ±180° ±180° ±90°
Конус горизонтального і вертикального шпинделей 40АТ5 40АТ5 ISA 40 ISO 40/ М16 ISO 40/ М16
Вес головки, кг 36 70
Стол вертикальний. Подачи
Пределы продольных і вертикальних подач стола (X, Y), мм/мин 13..395 10..500 (16)
Ускоренный ход стола, мм/мин 935 -
Перемещение стола продольное на одно деление лимба, мм 0,025
Перемещение суппорта стола вертикальное на одно деление лимба, мм 0,01 0,025
Перемещение стола продольное на один оборот лимба, мм 4
Перемещение стола вертикальное на один оборот лимба, мм 2,5
Количество подач стола 16
Наибольшее усилие подач стола, Н 5000
Електроустаткування і привід верстата
Електродвигун головного привода, кВт (об/мин) 3 24 Нм 1/ 1,4 (1400/ 2800) 1,2/ 1,8 (1500/ 3000) 3,3/ 4,0
Електродвигун подач, кВт (об/мин) 0,55 (1500)
Електродвигун приводу насоса охлаждения, кВт 0,12 0,09 0,1 (2800)
Суммарная мощность електродвигателей, кВт 3,12 7,8
Габарит і масса верстата
Габарити верстата (длина х ширина х высота), мм 1200 х 1240 х 1780 1100 х 1100 х 1650 1200 х 1160 х 1360 1330 х 1230 х 1560 1475 х 1890 х 2000
Масса верстата, кг 1050 1030 565 770 1620

    Список литературы:

  1. Універсальный фрезерный верстат для инструментовка ВФ-2. Правила пользования. Производственная инструкция,

  2. Аврутин С.В. Основы фрезерного дела, 1962
  3. Аврутин С.В. Фрезерне дело, 1963
  4. Ачеркан Н.С. Металлорежущие верстати, Том 1, 1965
  5. Барбашов Ф.А. Фрезерне дело 1973, с.141
  6. Барбашов Ф.А. Фрезерные роботи (Профтехобразование), 1986
  7. Блюмберг В.А. Справочник фрезеровщика, 1984
  8. Григорьев С.П. Практика координатно-расточных і фрезерных работ, 1980
  9. Копылов Р.Б. Работа на фрезерных верстатах,1971
  10. Косовский В.Л. Справочник молодого фрезеровщика, 1992, с.180
  11. Кувшинский В.В. Фрезерование,1977
  12. Ничков А.Г. Фрезерные верстати (Библиотека станочника), 1977
  13. Пикус М.Ю. Справочник слесаря по ремонту металлорежущих верстатів, 1987
  14. Плотицын В.Г. Расчёты настроек і наладок фрезерных верстатів, 1969
  15. Плотицын В.Г. Наладка фрезерных верстатів,1975
  16. Рябов С.А. Современные фрезерные верстати і их оснастка, 2006
  17. Схиртладзе А.Г., Новиков В.Ю. Технологическое обладнання машиностроительных производств, 1980
  18. Тепинкичиев В.К. Металлорежущие верстати, 1973
  19. Чернов Н.Н. Металлорежущие верстати, 1988
  20. Френкель С.Ш. Справочник молодого фрезеровщика (3-е изд.) (Профтехобразование), 1978









Заказать