Виробник токарно-револьверного верстата моделі 1425 - Алапаєвський верстатобудівний завод, АСЗ , заснований у 1942 році.
Напівавтомат 1425 був замінений на більш досконалу модель 1А425, потім на 1М425 .
Напівавтомат токарно-револьверний 1425 призначений для обточування, свердління, зенкерування, розточування, розгортання, підрізування, прорізування канавок, відрізки виробів з литих та кованих заготовок у патроні.
Напівавтомат 1425 використовується в машинобудуванні в дрібносерійному та великосерійному виробництві.
Токарно-револьверний напівавтомат 1425 оснащений револьверним та двома поперечними супортами та здійснює обробку внутрішніх та зовнішніх поверхонь деталей за допомогою десяти та більше інструментів.
Верстат - напівавтомат 1425 має повністю автоматизований цикл обробки, крім операції завантаження та вивантаження деталі.
Завдання програми обробки здійснюється кулачками командоапарата, а величини переміщення супортів - упорами, що регулюються.
Всі робочі та допоміжні переміщення, робочі органи, а також керування напівавтоматом здійснюються гідравлічно.
Напівавтомат 1425 може вбудовуватися в автоматичну лінію під час автоматичного завантаження.
Проектні організації: Експериментальний науково-дослідний інститут металорізальних верстатів та Алапаївський верстатобудівний завод.
Напівавтомат прийнятий до серійного виробництва у 60-х роках минулого століття.

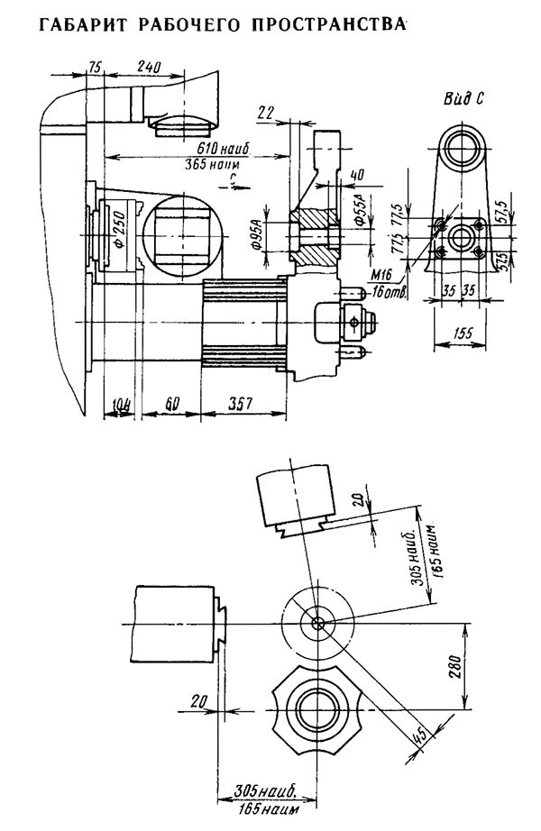
Габарит робочого простору верстата 1425
Габарит робочого простору токарно-револьверного верстата 1425. Дивитись у збільшеному масштабі

Посадочні та приєднувальні бази токарно-револьверного верстата 1425
Посадочні та приєднувальні бази токарно-револьверного верстата 1425. Дивитись у збільшеному масштабі

Загальний вигляд токарного токарно револьверного верстата 1425

Фото токарно-револьверного верстата 1425

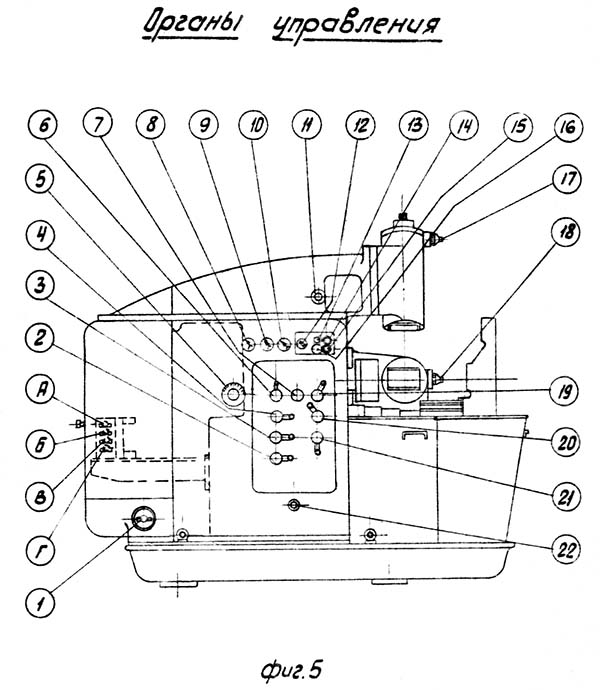
Розташування органів керування токарно-револьверним верстатом 1425
Розташування органів керування токарно-револьверним верстатом 1425. Дивитись у збільшеному масштабі

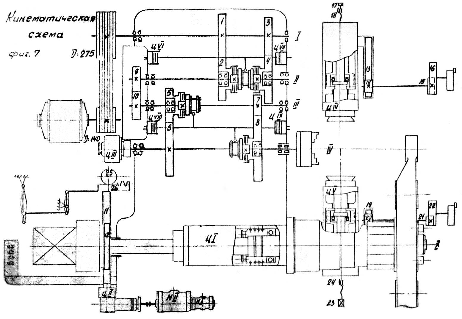
Кінематична схема токарно-револьверного верстата 1425
Кінематична схема токарно-револьверного верстата 1425. Дивитись у збільшеному масштабі

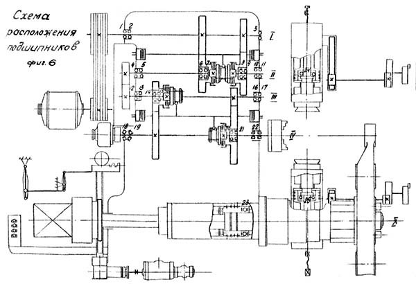
Схема розташування підшипників верстата 1425
Схема розташування підшипників токарно-револьверного верстата 1425. Дивитись у збільшеному масштабі

Шпиндель верстата 1425
Шпиндель токарно-револьверного верстата 1425. Дивитись у збільшеному масштабі

Схема змазки токарно-револьверного верстата 1425
Схема мастила токарно-револьверного верстата 1425. Дивитись у збільшеному масштабі
| Найменування параметру | 1425 | 1A425 | 1M425 | |
|---|---|---|---|---|
| Основні параметри верстата | ||||
| Основні параметри верстата | ||||
| Клас точності згідно з ГОСТ 8-82 | Н | Н | Н | |
| Найбільший діаметр виробу, що обробляється, мм | 250 | 250 | 250 | |
| Найбільша довжина виробу, що обробляється, мм | 175 | 175 | 175 | |
| Відстань від торця шпинделя до грані револьверної головки, мм | 365..610 | 365..610 | ||
| Відстань від осі шпинделя до межі поперечного супорта, мм | 165..305 | |||
| Шпиндель | ||||
| Діаметр отвору в шпинделі, мм | 40 | 40 | 52 | |
| Кількість робочих швидкостей шпинделя | 16 | 16 | 28 | |
| Межі чисел оборотів шпинделя, об/хв (кількість діапазонів) | 50..1250 (4) | 50..1250 (4) | 63..1600 (7) | |
| Перемикання чисел оборотів шпинделя в межах діапазону, об/хв | автоматичний | автоматичний | автоматичний | |
| Діаметр затискного патрона, мм | 250 | 250 | ||
| Кінець шпинделя | 1-6 вечора | |||
| Супорти | ||||
| Кількість упорів револьверного супорта | 4 | |||
| Величина регулювання упорами, мм | 90 | |||
| Швидке переміщення, м/хв | 2 | |||
| Подачі поздовжнього револьверного супорта, мм/хв. | 20..300 | 15..300 | 10..400 | |
| Перемикання подач поздовжнього револьверного супорта | автоматичний | автоматичний | автоматичний | |
| Кількість інструментів револьверного супорта, мм/хв. | 4 | 4 | 4 | |
| Кількість упорів вертикального та горизонтального супорта | 1 | |||
| Величина регулювання упором, мм | 140 | |||
| Швидке переміщення, м/хв | 2 | |||
| Подачі поперечного вертикального та горизонтального супорта, мм/хв. | 20..200 | 15..200 | 10..200 | |
| Перемикання подач поздовжнього вертикального та горизонтального супорта | Настановне | Настановне | Настановне | |
| Електроустаткування верстата | ||||
| Кількість електродвигунів на верстаті, кВт (об/хв) | 3 | 3 | 4 | |
| Електродвигун головного приводу, кВт (об/хв) | 7 (1440) | 7,5 (1450) | 13/9 (1460/730) | |
| Електродвигун гідроприводу, кВт (об/хв) | 2,8 (1440) | 3 (1430) | 4 (960) | |
| Електродвигун насоса охолодження, кВт (об/хв) | 0,125 (3000) | 0,125 (3000) | 0,125 (3000) | |
| Електродвигун шнекового транспортера, кВт (об/хв) | - | - | 0,55 (1370) | |
| Габарити та маса верстата | ||||
| Габаритні розміри верстата (довжина, ширина, висота), мм | 2550 х 1650 х 2140 | 2570 х 1650 х 2150 | 2157 х 2500 х 2200 | |
| Маса верстата, кг | 4500 | 4850 | 5250 |