Виробник токарно-револьверного верстата моделі 1П371 - Алапаєвський верстатобудівний завод, АСЗ , заснований у 1942 році.
Верстат токарно-револьверний універсальний 1П371 сконструйований на основі базової моделі 1П365 .
Токарно-револьверний верстат 1П371 призначений для високопродуктивної обробки різноманітних деталей із чавуну, сталі та кольорових металів інструментом із твердих сплавів та швидкорізальної сталі деталей із штучних заготовок (поковок, штампувань, виливків тощо) діаметром до 630 мм та з прутка діаметром 125 мм.
Верстати 1П371 призначені для обробки в патроні штучних заготовок з найбільшим діаметром обробки над станиною 630 мм, виготовлення яких вимагає виконання ряду послідовних переходів: обточування, свердління, розточування, розгортання, нарізування різьблення та ін. в умовах серійного виробництва.
На верстатах можна виконувати чорнове та чистове точення, розточування, свердління, зенкерування, розгортання та нарізування різьблення спеціальними пристроями.
Токарно-револьверний верстат 1П371 має револьверний супорт з шестигранною револьверною головкою з вертикальною віссю обертання. Поперечний супорт мостового типу з передньою чотиригранною головкою і заднім тримачом на один різець. У спеціальному різцетримачі можна встановлювати кілька різців.
Оброблювана деталь закріплюється у звичайному самоцентруючому або пневматичному патроні. Весь необхідний для даної операції комплект різальних інструментів встановлюється в шестипозиційній револьверній головці та чотиристоронньому різцетримачі супорта.
На верстаті 1П371 деталь може бути оброблена у шести позиціях. Можлива паралельна робота інструментів, встановлених у револьверній головці, та інструментів, встановлених у різцетримачі супорта.
Інструмент та обмежувачі ходу супортів (упори) встановлюються з таким розрахунком, щоб оброблена деталь отримала після обробки задані розміри.
Компонування вузлів загальноприйняте для цього типорозміру універсальних револьверних верстатів. Все керування коробки швидкостей та коробки подач гідравлічне. Вибір чисел оборотів шпинделя та величин подач на всіх моделях преселективний.
Перемикання чисел оборотів шпинделя та величин подач відбувається при повільному повороті шестерень.
Станина верстата 1П371 жорсткої конструкції з плоскими напрямними. Монтується на двох тумбах, на які встановлюється корито для збору стружки та рідини, що охолоджує. У корита є два баки: один для олії гідроприводу та мастила, інший для охолодної рідини. У лівій тумбі станини монтується електродвигун головного приводу верстата. Задня стінка станини має два вікна для вільного виходу стружки.

Габарит робочого простору верстата 1п371

Шпиндель токарно-револьверного верстата 1п371

Револьверна головка токарно-револьверного верстата 1М365
Револьверна головка токарно-револьверного верстата 1М365 Дивитись у збільшеному масштабі

Загальний вигляд токарного токарно револьверного верстата 1П371
Загальний вигляд токарного токарно-револьверного верстата 1П371. Дивитись у збільшеному масштабі

Розташування органів керування токарним верстатом 1П371
Розташування органів керування токарно-револьверним верстатом 1П371. Дивитись у збільшеному масштабі

Структурна схема токарного верстата 1П371

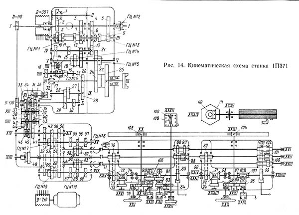
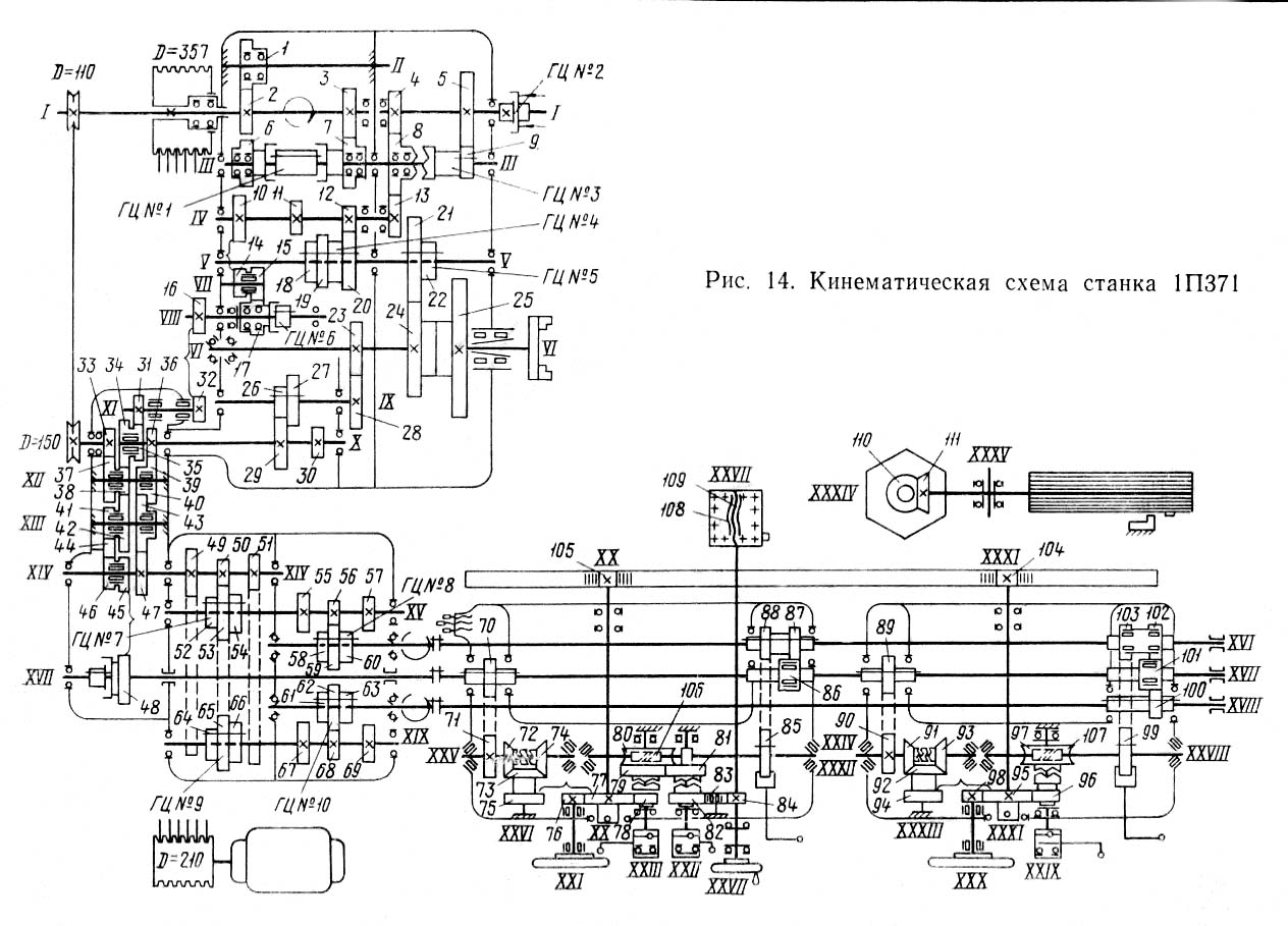
Кінематична схема револьверного верстата 1П371
Кінематична схема токарно-револьверного верстата 1П371. Дивитись у збільшеному масштабі

Схема розположення підшибників токарно-револьверного верстата 1П371
Розташування підшибників токарно-револьверного верстата 1П371. Дивитись у збільшеному масштабі
Движения в станке:
Верстат 1П371 имеет револьверний супорт з вертикальной осью револьверної головки, поперечний супорт мостового типа з передньої четырехгранной головкой і задним резцедержателем на один різець. В специальном резцедержателе можно устанавливать несколько резцов.
Керування коробкой швидкостей і коробкой подач гідравлическое. Выбор частоти обертання шпинделя і величины подачі преселективный, переключение частоти обертання шпинделя і величины подачі — при медленном повороте шестерен.
Станина верстата жесткой конструкції з плоскими направляющими монтируется на двух тумбах, на которые устанавливается корито з двумя баками: один для масла гідроприводу і змазки, другой для охлаждающей жидкости. В левой тумбе станины монтируется електродвигатель головного приводу верстата. Задня стенка станины имеет два окна для свободного выхода стружки.
Коробка швидкостей крепится на левой частини станины. Прямое і обратное вращение шпинделя (рис. 15) осуществляется включением многодисковий фрикционной муфты, торможение шпинделя — многодисковым тормозом з помощью гідроцилиндров. Частота обертання шпинделя изменяется нажатием рычага переключения при невращающемся шпинделе.
Коробка передач служит для передачи обертання от коробки швидкостей к коробке подач, а у верстата 1П371 — также для получения ускоренного ходу супортів і медленного проворота шестерен коробки швидкостей от приемного вала через клиновой ремень. Механізм медленного поворота шестерен в коробке швидкостей у верстата 1П365 подключен к гідравлической схеме.
Коробка подач служит для сообщения суппортам различной величины подачі.
Фартук поперечного суппорта служит для передачи суппорту руху от ходового вала, а также продольного ускоренного ходу в обе стороны от вала ускоренного ходу. Продольная і поперечная подачі могут быть ручными от маховиков і автоматическими, включаемыми падающими рукоятками. Фартук имеет реверс подачі, а также блокировочное пристрій, предотвращающее одновременное увімкнення поздовжньої подачі і продольного ускоренного ходу.
Суппорт поперечний (рис. 16) жесткой конструкції. Поперечные салазки имеют переднюю і заднюю плоскости (с Т-образными пазами), на которых можно устанавливать как нормальный четырехгранный поворотный резцедержатель, так і специальные резцедержатели для многорезцовых наладок, нижние салазки — большую опорную поверхность, охватывая переднюю направляющую станины. Регулируемыми прижимными планками і клиньями предотвращаются перекосы і заклинивания салазок на станке. Нижние салазки зажимом могут быть закреплены на станине.
Фартук револьверного суппорта отличается от фартука поперечного суппорта отсутствием передачи і падающей рукоятки для поперечного руху.
Суппорт револьверний (рис. 17) имеет шестигранную револьверную головку, установленную на коническом роликовом подшипнике. Фиксируется головка пальцем, крепится хомутом з ексцентриковым зажимом, поворачивается вручную. ■ Вывод фиксатора і отжим хомута осуществляется одной рукояткой. Продольные салазки револьверного суппорта жесткой конструкції охватывают направляющие станины, имеют зажим для крепления салазок на станине. Для автоматичного виключення поздовжньої подачі имеется барабан з шестью переставными упорами, который поворачивается одновременно з поворотом револьверної головки.
Система охлаждения. Охлаждающая жидкость подается електронасосом к шпинделю коробки швидкостей. Включается насос з електропульта на коробке швидкостей. По специальному заказу може быть изготовлена дополнительная сборочная единица охлаждения в револьверную головку. В етом случае охлаждающая жидкость подается к револьверному суппорту через резиновый шланг і поступает к той грани, которая располагается напротив шпинделя. На каждой грани имеется краник, перекрывающий подачу охлаждающей жидкости. Предусмотрена возможность подвода охлаждающей жидкости через отверстие в теле инструмента.
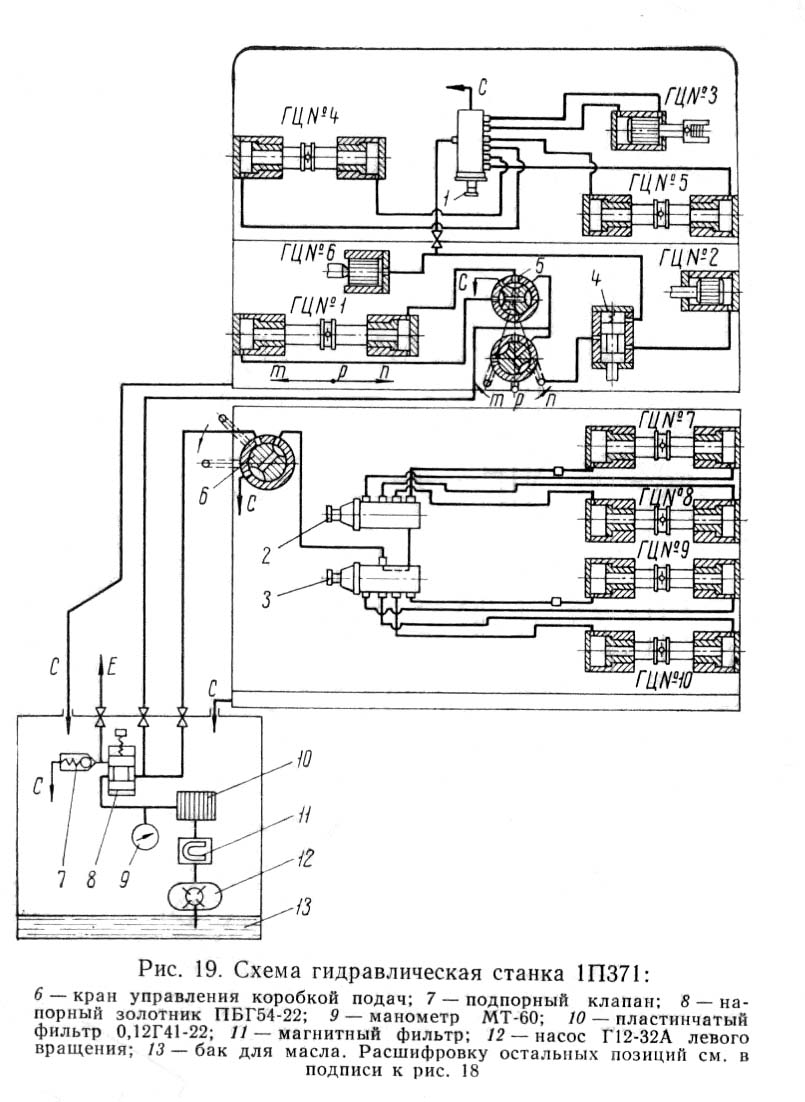
Система гідравлічна (рис. 18, 19) обеспечивает керування коробками швидкостей і подач, а также централизованную смазку.
Гідромеханізмы управляются рычагами і маховиками, позволяя выполнять: прямое і обратное вращение шпинделя і его торможение; преселективный выбор частоти обертання шпинделя верстата; преселективный выбор величины подач поперечного і продольного супортів; переключение і вимкнення механізмов медленного пропорота валов в коробках швидкостей і подач.
Удалите антикоррозийную смазку в обработанных неокрашенных деталях верстата, используя авиационный бензин или керосин, заполните маслом гідравлическую систему, для чего залейте в бак 35 л масла. В бак для охлаждающей жидкости залейте 30 л жидкости.
Проверьте состояние електроустаткування, замерьте сопротивление заземления, подведенного к верстату от цехового контура заземления.
Перед пуском верстата выполните все указания по смазке і обслуговування електроустаткування. Затем включите верстат на малые обороты холостого ходу, проверьте работу органів керування, соблюдая все указания предупреждающих табличек, работу гідросистемы і системы змазки по манометру і маслоуказателю.
Перед проверкой верстата на соответствие нормам точності выполните наступні требования:
Каждому положению крана предварительной установки частоти обертання шпинделя соответствует одна из 12 частот; краном можно выбрать положение 0, когда шпиндель отключается.
Каждому положению крана предварительной установки величины подачі соответствует одна из 18 подач, которые разделены на два ряда: крупный і мелкий. Выбор определенного ряда производите рукояткой при остановленном шпинделе.
Нужную частоту обертання шпинделя выбирайте краном 3 (см. рис. 9, 10), величину подачі — кранами 24, 25 після пуска головного електродвигуна. Переключення швидкостей і подач производите только при выключенном фрикционе і полностью остановленном шпинделе, нажимая рычаг переключения вниз до упора і удерживая до тех пор, пока не появится установившееся импульсное вращение шпинделя при медленном повороте, который также можно использовать при закреплении обрабатываемой детали в патрон і измерении.
Общее натяжение ремней при експлуатации периодически контролируйте і регулируйте.
Величина общего натяжения ремней:
При експлуатации верстата следите по уровню за наполнением резервуаров для масла, по контрольным пристроям — за работой насосов.
Натяжение ремней головного електродвигуна у верстата 1П365 при пробуксовывании производите з помощью специального пристроя; отверните нижнюю гайку і натяните ремни, завинчивая верхнюю гайку. По окончании регулювання нижней гайкой закрепите подмоторную плиту в новом положении.
Муфту фрикционную коробки швидкостей регулируйте через задний люк корпуса: гайкой 3 (рис. 20) выведите штифт 2 из гнезда кольца 1, подверните гайку 3 до следующего гнезда. Если етого окажется недостаточно (фрикцион продолжает пробуксовывать), гайку 3 подверните еще раз.
Підшипники шпинделя регулируйте після снятия крышки коробки швидкостей з помощью ввернутых в нее рым-болтов, предварительно вывернув четыре гвинта і вынув два штифта. Поднимайте і опускайте крышку осторожно, только по вертикали, чтобы не поломались вилки. При опускании крышки проверьте, на месте ли уплотнительное резиновое кольцо в стыке маслопроходного канала.

Схема регулювання підшибників шпинделя верстата 1П371
Для регулювання переднего підшипника 4 (рис. 21) выверните винты 5 справа, ослабьте стопорный винт гайки 3 і подтяните етой гайкой внутреннее кольцо підшипника до необходимого зазору 0,010.. .0,015 мм. Затем подожмите винты5 і застопорьте гайку 3. При регулировании задних підшибників подшлифуйте кольцо 1, разобрав заднюю опору шпинделя.
Натяжение ланцюги роликовой, передающей рух от вспомогательного приводу к коробке подач на вал ускоренного ходу переміщення супортів, производите натяжным роликом. Следите, чтобы ланцюг имела небольшую слабину.
Головку четырехгранную резцовую РГ-16 поворачивайте рукояткой 1 (рис. 22) против часовий стрелки. Чтобы закрепить резцовую головку після поворота на 90°, рукоятку 1 поверните по часовий стрелке до затяжки; при етом произойдет подскок головки вверх. От поворота головка удерживается фиксатором 7, западающим в паз стояка 5. При разжиме стояк 6 поднимается вверх на 4 ... 5 мм.
Положение рукоятки 1 при зажиме регулируйте гайкой 2: поверните рукоятку на 90° і сместите кулачок 3 вместе з корпусом на 4 мм, затем поверните гайку 2 на одну-две позиции. Возможная неисправность — неточная установка головки на предварительном фиксаторе ввиду смятия его или разворота вокруг оси.
Внимание! Для обеспечения безопасности поворот резцовой головки производите плавно на расстоянии не менее 250 мм от кулачков патрона.
Клинья і планки направляючих для продольного і поперечного руху в случае износа подтягивайте: задние планки гвинтами, передние планки — за счет шабровки плоскости прилегания к салазкам суппорта.

Схема регулювання зазору в паре ходовой винт - гайка верстата 1П371
Гайку ходового поперечного гвинта регулируйте усуненням зазору в паре ходовой винт — гайка подтяжкой клина 3 (рис. 23) винтом 2; ослабьте винт 1 крепления левой половины гайки 4, подтяните винт 2 і вновь закрепите гайку винтом 1.

Узел підшипника револьверної головки верстата 1П371
Крепление револьверної головки при ослаблении производите подтяжкой хомута винтом 1 (рис. 24) при зажатом положении головки (предварительно освободите винт 3). При зажиме гвинта/в отверстия гайки 2 вставьте штифт во избежание провертывания. Чтобы револьверна головка легко повертывалась при отжатом хомуте при залогом положении ее, вверните винты 1 (рис. 25) до отказа і законтрите их гайками.
Рукоятки фартуков падающие служат для виключення рабочей подачі от руки і автоматически до упоров. Полное увімкнення зуба муфты осуществляется кулачковой втулкой і гайкой. При правильной регулировке рукоятки штифт 3 (рис. 26) заходит в гайку 6 на 2... 3 мм і ступица 4 з шариком 5 находится примерно в горизонтальном положении. Для автоматичного виключення подачі от упора винты 2 в толкающей штанге 1 отрегулируйте так, чтобы обеспечить полное выталкивание штифта 3 из гайки 6. Все гайки і винты після регулювання падающей рукоятки закрепите.
Штифты предохранительные 1 (рис. 27) фартуков при перегрузке механізма подачі срезаются. Для замены штифта 1 снимите кольцо 2 і выколотите часть штифта. Новый штифт изготовьте из стали 35.

Гідравлічна схема токарного верстата 1П371
Напорный золотник в гідросхеме регулируйте для получения давления 2450 кРа; ослабьте гайку і вращением гвинта отрегулируйте золотник, наблюдая за показанием манометра. Подпорный клапан регулируйте винтом після вывертывания пробки. За подачей масла следите по маслоуказателю на коробке швидкостей.
В гідравлической системе имеются пластинчатый і магнитный фильтры, спаренные і размещенные в общем корпусе. Для очистки пластинчатого фильтра один раз в смену поворачивайте рукоятку на 4... 5 оборотів, для очистки магнитного фильтра снимайте крышку і вынимайте магниты. Остаток масла сливайте не реже двух раз в месяц. Не реже одного раза в месяц полностью очищайте пластинчатый фильтр, снимая крышку.
Для системы гідравлической применяйте масло гідравлическое ВНИИ НП-403, вязкостью 25... 35 m2/s. Верстати имеют п'ять централизованных мест змазки (рис. 28, 29): первое место — коробки швидкостей, передач, подач; второе — фартук поперечного суппорта і поперечний суппорт: третье — фартук револьверного суппорта і револьверний суппорт; четвертое — вспомогательный привод; пятое — задня опора ходовых валов.
К первому месту смазка поступает от гідроприводу через подпорный клапан, крестовину в коробки швидкостей, передач і подач. В два фрікциону і тормоз коробки швидкостей смазка подается под давлением, на главные підшипники шпинделя — з дополнительной фильтрацией через фетровые прокладки. Масло из коробки швидкостей сливается в общий бак, а из коробки передач — сначала в коробку подач, оттуда во вспомогательный привід і в общий бак.
Поток масла контролируется маслоуказателем 1, уровень масла в баке — маслоуказателем 18. Загрязненное масло сливается через пробку 19. Добавляйте его не реже одного раза в месяц і очищайте бак не менее двух раз в год.
Смазка фартука і поперечного суппорта совместная от плунжерного насоса 15, робота которого контролируется верхним маслоуказателем 12, а уровень масла — нижним 13. Масло заливается в фартук через отверстие, закрываемое пробкой 11.
Стояк 6 і резьбу резцовой головки РГ-16 (см. рис. 22) смазывайте, заливая масло один раз в неделю через отверстие кулачка 4 при снятой рукоятке 1. Кулачки 3 і 4 смазывайте солидолом. Резцовую головку промывайте один раз в месяц.
Не реже одного раза в месяц сливайте загрязненное масло из нижнего резервуара фартука через пробку 14 (см. рис. 28, 29) і очищайте фильтрующую сетку плунжерного насоса 15.
Направляющие станины смазывайте через кран-золотник 2. При обработке стальных деталей направляющие смазывайте не менее 6 раз в смену, при обработке чугунных деталей — по возможности реже. Помните, что кран-золотник действует только во время обертання вала ускоренного ходу.
Ходовой винт смазывается из маслораспределителя на верхней каретке суппорта.
Механізм вспомогательного приводу в станке 1П365 работает в масляной среде. Для змазки ролика натяжения ланцюги служит масленка 17. Загрязненное масло сливайте через пробку не реже одного раза в месяц.
Задние підшипники ходовых валов смазывайте из резервуара на правом кінці валов. Масло заливайте один раз в смену. Смазка фартука револьверного суппорта і самого суппорта совместная от плунжерного насоса 10, робота которого контролируется верхним маслоуказателем 7, а уровень масла — нижним 8. Масло заливайте в фартук через отверстие, закрываемое пробкой 6, а сливайте через отверстие, закрываемое пробкой 9. Падающие рукоятки фартуков смазывайте один раз в месяц з помощью шприца маслом индустриальным 20.
Взамен гідравлічного масла ВНИИ НП-403 в гідравлической системе верстата можно применять масло «Мобил Д. Т.Е. Ойл Райт» или «Мобил Д. Т. Е. 24».
Для разборки коробки швидкостей снимите крышку коробки, в которой расположено гідравлическое керування.
Для демонтажу вала з фрикционными муфтами і вала з тормозом снимите правую крышку, шкив, разберите ось, на которой насажена вилка, разберите вилку, управляющую муфтами прямого і обратного обертання шпинделя, отсоедините-большие шестерни. Демонтировать валы (как і монтировать) можно в собранном виде.
При разборке шпинделя і его підшибників (після того как будут сняты гайки у підшибників і вывернут стопорный винт) для вытягивания шпинделя используйте продольный ход револьверного суппорта; при етом шпиндель соедините з револьверною головкою.
Для демонтажу коробки подач в собранном виде, снятие гідравлічного керування коробкой подач имеются специальные резьбовые отверстия под рым-болты. Для снятия корпуса коробки з гідравлическим керуванням смещайте коробку только в горизонтальном направлении (на себя), чтобы не допустить поломки вилок. Все валы і шестерни коробки подач можно разбирать без снятия корпуса коробки со станины.
Разбирайте крышки фартуков після снятия падающих рукояток. Рукоятки сдвигайте з осей в горизонтальном направлении (на себя). Разбирать большинство деталей фартуков можно не отделяя корпус фартука от суппорта.
Для снятия суппорта поперечного со станины поперечные салазки сдвиньте до отказа вперед, выверните винты крепления передних і задних планок направляючих, отсоедините супорт от фартука. Чтобы не погнуть ходовые валики, под фартук подведите подстарку. Поднимайте супорт только вверх.
Пристрій для защиты направляючих состоит из протектора, в котором располагается подпружиненный скребок і войлочный очиститель. Для увеличения срока службы направляючих через каждые 3...4 мес заменяйте і промывайте войлочный очиститель.
Необходимость в капитальном ремонтi определяется появлением износа направляючих станины, который сопровождается недопустимыми погрешностями при обработке деталей (конусность, бочкообразность, седловидность, овальность). Величина износа направляючих станины зависит от характера выполняемой роботи: для чистовых работ її можно считать ориентировочно равной 0,2... 0,3 мм, для черновых работ 0,4...0,7 мм. При капитальном ремонтi верстат разбирайте в соответствии з указаниями раздела «Разборка».
Износ направляючих станины устраняйте шлифованием рабочих плоскостей на продольно-шлифовальном станке в соответствии з нормами точності по ГОСТ 17—70 (проверки 1, 2). Каретки обоих супортів пришабрите к прошлифованным направляющим станины. Плоскость прилегания кареток к направляющим станины проверьте щупом 0,04 мм по всему доступному для контроля контуру; при етом щуп не должен заходить полностью между сопряженными поверхностями. «Закусывание» щупа з торцов на глубину до 20 мм допускается лишь на окремих участках. При проверке на краску несущие пятна должны быть равномерно распределены по плоскости.
Во время сборки перешабрите места сопряжения фартуков з каретками. При значительном износе направляючих станины перешлифуйте всю нижнюю плоскость кареток і пришабрите фартуки к кареткам; при етом для фартука поперечного суппорта изготовьте новую шестерню 82 (см. рис. 13, 14), уменьшенную на нужную величину.
Прижимные планки, служащие для устранения зазоров в горизонтальной плоскости направляючих, должны плотно прилегать к плоскостям ковзання (проверьте так же, как і сопряжение станины з кареткой).
Верхнюю каретку поперечного суппорта після ремонта отрегулируйте так, чтобы перемещение її было плавным, без заеданий і рывков з приложением к рукоятке маховичка постоянного зусилля не более 58,8 N.
Сборкой і регулюванням механізма зажиму і разжима хомута револьверної головки суппорта обеспечьте свободный поворот її на следующую позицию. В разжатом положении хомут должен подпираться шариком диаметром 8 мм, не касаясь конической поверхности револьверної головки. Механізм вывода фиксатора і разжима хомута должен работать без заеданий. При проверке зажиму хомутом приложите усилие к штанге для верстата 1П365 980 N, для верстата 1П371 1176 N з плечом 1300 і 1000 мм соответственно. Штангу вставляйте в револьверную головку при выведенном фиксаторе; при етом револьверна головка не должна поворачиваться.
Установку коробки швидкостей проверьте по геометрической форме образца при обработке по ГОСТ 17—70. В случае отклонения от норм перешабрите горизонтальные і вертикальные платики на станине под коробку швидкостей.
Имейте в виду, что при установці коробки передач боковой зазор между її шестернями 33, 43 і шестернями 34 (см. рис. 13), 47 (см. рис. 14) коробки подач должен быть 0,2...0,3 мм.
Чтобы оси отверстий для инструментов в револьверній головці в рабочем положении совпадали з осью шпинделя, расточите заново каждое из шести отверстий головки до диаметра 107 мм (140 мм), запрессуйте в него втулку з отверстием 85 мм (115 мм), затем расточите отверстие до диаметра 95А (125А) соосно со шпинделем. Для растачивания применяйте пристрій, установленное на шпинделе.
При открытом кране 9 (рис. 30) сжатый воздух поступает во влагоотделитель 8, где освобождается от содержащейся в нем воды і твердых частиниц, і далее попадает в пневмоелектрический выключатель (реле давления) 7. Выключатель замыкает електрическую ланцюг магнитного пускателя верстата при определенном давлении в сети. Если давление падает, выключатель срабатывает і отключает електродвигатель верстата.
При нормальном давлении воздуха електродвигатель включается і выключается нажимом кнопки магнитного пускателя. Если давление меньше, верстат не включается. Регулятор давления 6 автоматически поддерживает требуемое постоянное давление воздуха в системе силового прибора. Манометр 5 показывает давление воздуха, поступающего в пневматический цилиндр. Маслораспылитель 4 предназначен для змазки внутренней поверхности силового пневматического цилиндра.
Через пневмораспределитель 3 і распределительную муфту 2 сжатый воздух поступает в пневмоцилиндр 1. При крайних положениях рукоятки пневмораспределителя воздух проходит соответственно в левую или правую полость цилиндра.
По условиям завода-изготовителя пневмоцилиндров допускается робота з пневматическим патроном при частоте обертання шпинделя не свыше 1080 об/мин.
Для очистки влагоотделителя от воды і твердых частиниц периодически открывайте запорный винт; влагоотделитель очищается под действием сжатого воздуха.
Пневмоелектрический выключатель регулируйте на требуемое минимальное давление воздуха 390 ... 490 кРа вращением гайки, сжимающей пружину. Доступ к гайке возможен після снятия кожуха з регулятора.
Регулятор давления (редукционный клапан) регулируйте на определенную силу зажиму вращением гвинта. Давление в регуляторе должно быть больше того давления, на которое была отрегулирована пружина пневмоелектрического выключателя.
Маслораспылитель имеет прозрачные стакан і колпачок, что позволяет следить за уровнем масла в стакане і падением капель в колпачке з любой стороны распылителя. Стакан заполняется маслом примерно на 3/4 его высоты.

Настановне креслення токарно-револьверного верстата 1П371
| Наименование параметра | 1Е365БП | 1П365 | 1П371 |
|---|---|---|---|
| Основні параметри верстата | |||
| Класс точності по ГОСТ 8-82 | Н, П (1Е365БП) | Н | Н |
| Наибольший диаметр обрабатываемого вироби над станиной, мм | 500 | 500 | 630 |
| Наибольший диаметр обрабатываемого вироби над поперечным суппортом, мм | 330 | 320 | 420 |
| Высота центров, мм | 250 | 250 | 315 |
| Расстояние от торца шпинделя до револьверної головки, мм | 270..1000 | 275..1000 | 320..1400 |
| Шпиндель | |||
| Диаметр отверстия в шпинделе, мм | 80 | 80 | 125 |
| Диаметр обрабатываемого прутка, зажимаемого в подающей трубе (прутковое виконання), мм | 65 | ||
| Диаметр обрабатываемого прутка при переднем зажиме (прутковое виконання), мм | 80 | ||
| Диаметр зажимного патрона, мм | 250 | ||
| Количество рабочих швидкостей шпинделя | 13 | 12 | 12 |
| Пределы чисел оборотів шпинделя, об/мин | 24..1500 2 диапазона |
34..1500 | 20..893 |
| Пределы чисел оборотів шпинделя (обратное вращение), об/мин | 67 | 34..1500 | 19..818 |
| Кінець шпинделя фланцевый по ГОСТ 12595-72 | 1-8Ц | 1-8Ц | 1-8Ц |
| Наибольший крутящий момент на шпинделе не менее, Нм (кг*м) | 123 | 260 | |
| Револьверний суппорт | |||
| Количество инструментов в револьверній головці | 6 | 6 | 6 |
| Диаметр отверстия под инструмент в револьверній головці, мм | 95Н7 | 95Н7 | 125Н7 |
| Наибольшее продольное перемещение револьверного суппорта, мм | 730 | 725 | 1080 |
| Количество ступеней подач | 13 | 13 | 13 |
| Диапазон швидкостей продольных подач револьверного суппорта, I ряд, мм/об (число подач) | 0,05..0,80 (9) | 0,09..1,35 (9) | 0,09..1,35 (9) |
| Диапазон швидкостей продольных подач револьверного суппорта, II ряд, мм/об (число подач) | 0,10..1,60 (9) | 0,18..2,70 (9) | 0,18..2,70 (9) |
| Диапазон швидкостей продольных подач револьверного суппорта, III ряд, мм/об (число подач) | 0,20..3,20 | - | - |
| Скорость швидкого продольного переміщення револьверного суппорта, м/мин | 7,5 | 6 | 6 |
| Число упоров револьверного суппорта | 6 | 6 | 6 |
| Перемещение на одно деление лимба, мм | 0,2 | 0,2 | 0,2 |
| Перемещение на один оборот лимба, мм | 45 | 45 | 45 |
| Поперечный суппорт | |||
| Количество резцов в резцедержателе | 4 | 4 | 4 |
| Количество резцов в заднем резцедержателе | 1 | 1 | нет |
| Наибольшее перемещение поперечного суппорта продольное/поперечное, мм | 730/ 310 | 725/ 310 | 1080/ 410 |
| Количество ступеней продольных подач поперечного суппорта | 13 | 12 | 12 |
| Диапазон швидкостей продольных подач револьверного суппорта, I ряд, мм/об (число подач) | 0,05..0,80 (9) | 0,09..1,35 (9) | 0,09..1,35 (9) |
| Диапазон швидкостей продольных подач револьверного суппорта, II ряд, мм/об (число подач) | 0,10..1,60 (9) | 0,18..2,70 (9) | 0,18..2,70 (9) |
| Диапазон швидкостей продольных подач револьверного суппорта, III ряд, мм/об (число подач) | 0,20..3,20 | - | - |
| Количество ступеней поперечных подач поперечного суппорта | 13 | 12 | 12 |
| Диапазон швидкостей поперечных подач поперечного суппорта, I ряд, мм/об | 0,025..0,40 | 0,045..0,7 | 0,045..0,7 |
| Диапазон швидкостей поперечных подач поперечного суппорта, II ряд, мм/об | 0,05..0,80 | 0,09..1,35 | 0,09..1,35 |
| Диапазон швидкостей поперечных подач поперечного суппорта, III ряд, мм/об | 0,10..1,60 | - | - |
| Скорость швидкого продольного переміщення суппорта, м/мин | 7,5 | 6 | 6 |
| Скорость швидкого поперечного переміщення суппорта, м/мин | 3,5 | - | - |
| Число упоров продольного переміщення | 5 | 5 | 5 |
| Число упоров поперечного переміщення | 2 | 2 | 2 |
| Переміщення на один поділ лімба поздовжнє/поперечне, мм | 0,2/ 0,05 | 0,2/ 0,05 | 0,2/ 0,05 |
| Переміщення на один оберт лімба поздовжнє/поперечне, мм | 45/ 4 | 45/10 | 45/10 |
| Електроустаткування верстата | |||
| Кількість електродвигунів на верстаті, кВт (об/хв) | 3 | 2 | 3 |
| Електродвигун головного приводу, кВт (об/хв) | 15 (1465) | 13 (1450) | 22 (1460) |
| Електродвигун гідроприводу, кВт (об/хв) | 2,2 (1430) | - | 1,5 (930) |
| Електродвигун насоса охолодження, кВт (об/хв) | 0,125 (2800) | 0,125 (2800) | 0,125 (2800) |
| Габарити та маса верстата | |||
| Габаритні розміри верстата (довжина, ширина, висота), мм | 4400 х 1525 х 1800 | 3430 х 1500 х 1655 | 4230 х 1850 х 1680 |
| Маса верстата, кг | 5200 | 3900 | 6300 |