Виробник токарно-револьверного верстата моделі 1А425 - Алапаєвський верстатобудівний завод, АСЗ , заснований у 1942 році.
Напівавтомат 1А425 замінив застарілий верстат 1425 і був замінений на більш досконалу модель 1М425 .
Напівавтомат токарно-револьверний 1А425 призначений для обточування, свердління, зенкерування, розточування, розгортання, підрізування, прорізування канавок, відрізки виробів з литих та кованих заготовок у патроні.
Напівавтомат 1А425 використовується в машинобудуванні в дрібносерійному та великосерійному виробництві.
Токарно-револьверний напівавтомат 1А425 оснащений револьверним та двома поперечними супортами та здійснює обробку внутрішніх та зовнішніх поверхонь деталей за допомогою десяти та більше інструментів.
Верстат - напівавтомат 1А425 має повністю автоматизований цикл обробки, крім операції завантаження та вивантаження деталі.
Завдання програми обробки здійснюється кулачками командоапарата, а величини переміщення супортів - упорами, що регулюються.
Всі робочі та допоміжні переміщення, робочі органи, а також керування напівавтоматом здійснюються гідравлічно.
Напівавтомат 1А425 може вбудовуватися в автоматичну лінію під час автоматичного завантаження.
Середній рівень звуку LA не повинен перевищувати 80 дБА, коригований рівень звукової потужності LpA – 96 дБА.
Шорсткість обробленої поверхні Rz 20-Ra 2,5 мкм.
Проектні організації: Експериментальний науково-дослідний інститут металорізальних верстатів та Алапаївський верстатобудівний завод.
Напівавтомат прийнятий до серійного виробництва у 1979 р.

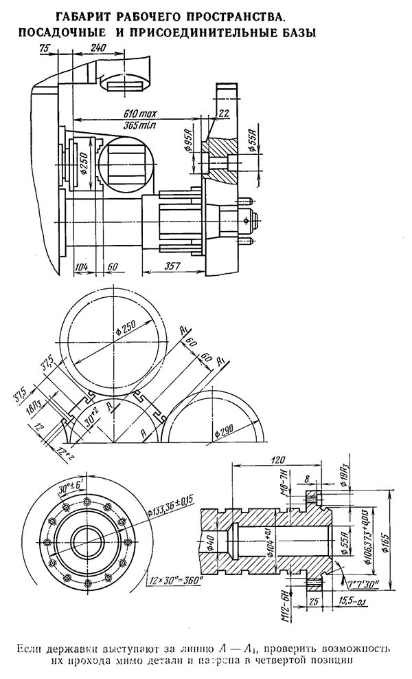
Габарит робочого простору верстата 1А425
Габарит робочого простору токарно-револьверного верстата 1425. Дивитись у збільшеному масштабі

Загальний вигляд токарного токарно револьверного верстата 1А425

Фото токарно-револьверного верстата 1А425

Cклад токарного токарно револьверного верстата 1А425

Розташування органів керування токарно-револьверним верстатом 1А425

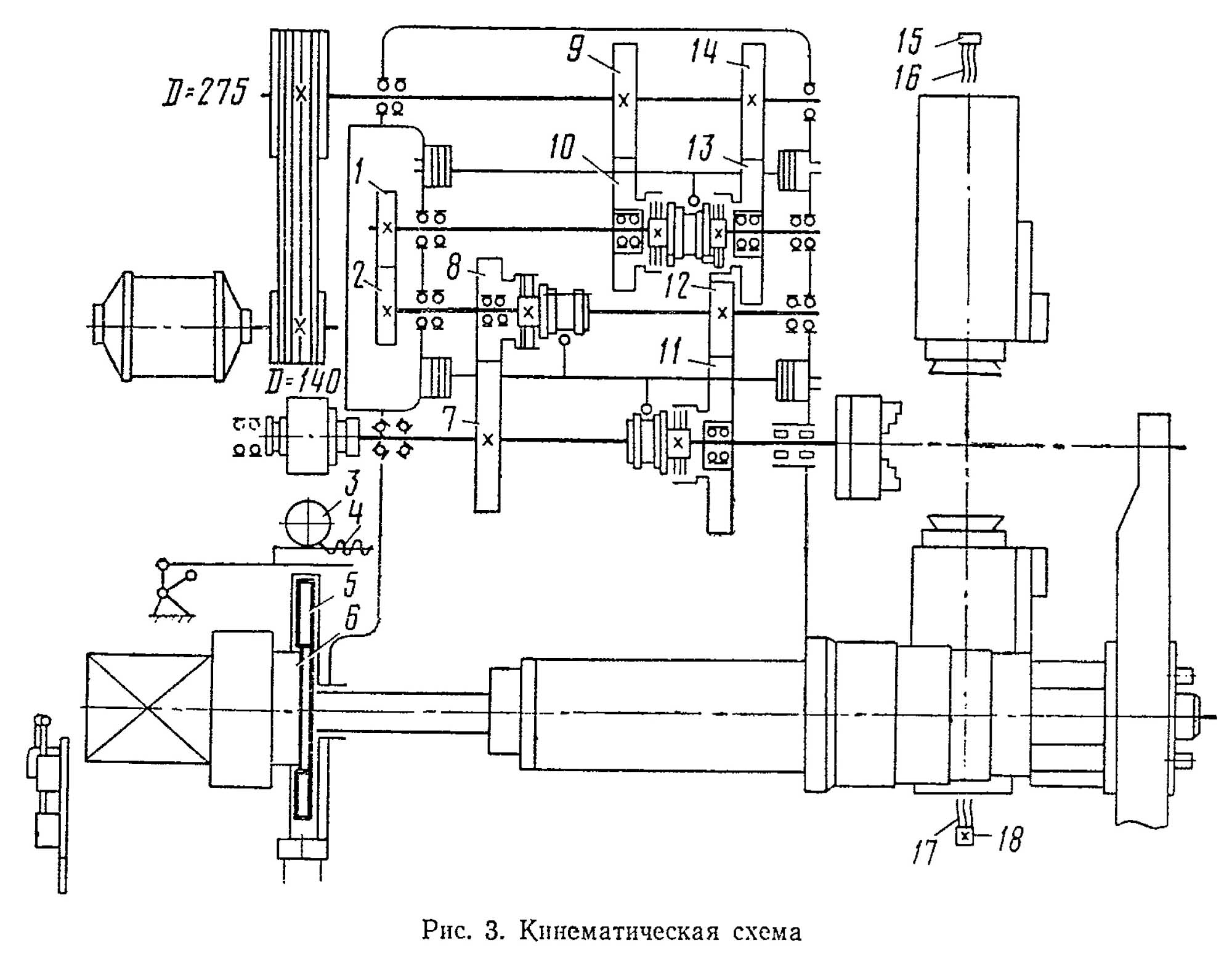
Кінематична схема токарного токарно револьверного верстата 1А425
Кінематична схема токарного токарно-револьверного верстата 1А425. Дивитись у збільшеному масштабі

Шпиндель токарного токарно револьверного верстата 1А425
Шпиндель токарного токарно-револьверного верстата 1А425. Дивитись у збільшеному масштабі
Станина - основа напівавтомата із встановленим на ньому корпусом - лита, жорсткої конструкції, коробчастої форми. У верхній частинині корпусу розміщена коробка швидкостей, а в задній частинині розміщені електродвигуни головного приводу та гідравлічної системи.
Під шпинделем розміщується гідравлічний циліндр револьверного супорта. Шток цього циліндра є віссю револьверного супорта. На правому кінці штока змонтовано револьверну головку. На торцевій стороні корпусу знаходиться кронштейн, до якого кріпляться вертикальний та горизонтальний супорти. Передня частинина основи використана для розміщення рідини, що охолоджує, а задня служить гідробаком.
Коробка швидкостей (рис. 4) чотиривалова, включаючи шпиндель. Обертання від електродвигуна передається через ремінну передачу на шків першого валу. Обертання від першого валу передається шпинделю через шестерні з фрикційними муфтами та пари змінних шестерень. Усього шпинделю повідомляється 15 чисел оборотів, розбитих чотирма групи (одна повторюється). Ці групи можуть бути отримані двома парами змінних шестерень.

Коробка швидкостей токарного токарно револьверного верстата 1А425
Коробка швидкостей токарного токарно револьверного верстата 1А425. Дивитись у збільшеному масштабі
Супорт револьверний (рис. 5) складається з чотирипроменевої револьверної головки та чотиригранного барабана, жорстко пов'язаних між собою. У револьверній головці на кінцях променів є отвори для фіксації, а в серединах їх розміщені площини, перпендикулярні до осі шпинделя, і отвори, співвісні зі шпинделем, для центрального інструменту або іншого приладдя
Для обробки зовнішніх циліндричних поверхонь державки із інструментом закріплюють на площинах чотиригранного барабана.
Супорти поперечні (вертикальний і горизонтальний), як і револьверний супорт (рис. 6), представляють гідравлічні циліндри. Відмінність полягає в тому, що в револьверному супорті оснащення з ріжучим інструментом розміщується на револьверній головці, жорстко посадженої на штоку, що переміщається, а в поперечних супортах шток нерухомий. Переміщення під впливом тиску масла здійснюється циліндрами, на торцях яких встановлені на «ластівчиних хвостах» державки з різцями.
Барабан керування, розміщений на задньому вільному кінці штока - осі револьверного супорта, служить здійснення обраного циклу і режимів роботи. Кулачки, що знаходяться на гранях барабана, впливають на золотники, що управляють циліндрами включення фрикційних муфт коробки швидкостей. Натискання цих кулачків відбувається при підведенні револьверної головки до деталі. На тих же гранях є і регульовані кулачки, що впливають через систему важеля на дросель, через який здійснюється поздовжня подача револьверного супорта. Кулачки на циліндричній частинині барабана, приводячи в дію золотники, сприяють при повороті барабана керування швидкому підведенню поперечних супортів та подають наприкінці циклу обробки команду СТОП.
Повертається барабан керування з револьверною головкою щоразу наприкінці відведення її від деталі циліндром повороту, що знаходиться на лівому торці корпусу напівавтомату.

Електрична схема токарного токарно револьверного верстата 1А425
Електрична схема токарного токарно револьверного верстата 1А425. Дивитись у збільшеному масштабі
Загальні відомості. Електроустаткування напівавтомату виконано з такими величинами напруги:
Робоча напруга силового ланцюга, місцевого освітлення та сигналізації вибирає замовник.
На напівавтоматі встановлено двигун головного приводу АО2-51-4 (позначений на рис. 7, 8 Мл), двигун гідравлічної системи АО2-32-4 (М2), а також електронасос охолодження типу Х14-22М (МЗ).
Електроапаратура встановлена у шафі, керують електрообладнанням з пульта.
Перевірте надійність заземлення та якість монтажу електроустаткування. Після огляду на наборах у шафі керування відключіть дроти живлення всіх електродвигунів.
Вступним автоматом E1 підключіть напівавтомат до цехової мережі. За допомогою кнопок та перемикачів перевірте чіткість спрацьовування магнітних пускачів та реле.
Натисніть кнопку КУ3 (3...5 s) увімкніть магнітний пускач К2 і двигун М2. При підвищенні тиску гідросистемі спрацьовує реле тиску РД1, а магнітний пускач К2 встає на самоблокування. При цьому готується ланцюг для увімкнення магнітного пускача головного приводу K1.
Для запуску головного приводу натисніть кнопку КУ2. Електронасос МОЗ включається перемикачем ВЕ. Для загального зупинки електродвигунів та аварійного зупинки напівавтомату служить кнопка КУ1 (СТОП). Місцеве освітлення включається при повороті рукоятки перемикача.
Для захисту від струмів короткого замикання служить автоматичний вимикач F1 та запобіжники Пр1, Пр2, а для захисту електродвигунів від перевантажень теплові реле РТ1...РТЗ.
Для відключення рідини, що охолоджує, в кінці циклу служить реле тиску РД2.
У період експлуатації напівавтомата регулярно очищайте електродвигуни та електроапаратуру від пилу, слідкуйте, щоб усі дверцята та кришки, що оберігають електроустаткування, були закриті.
Напівавтомат приєднайте до загальної системи заземлення. Для цього в шафі керування та на задній частинині корита є клема та болт заземлення.

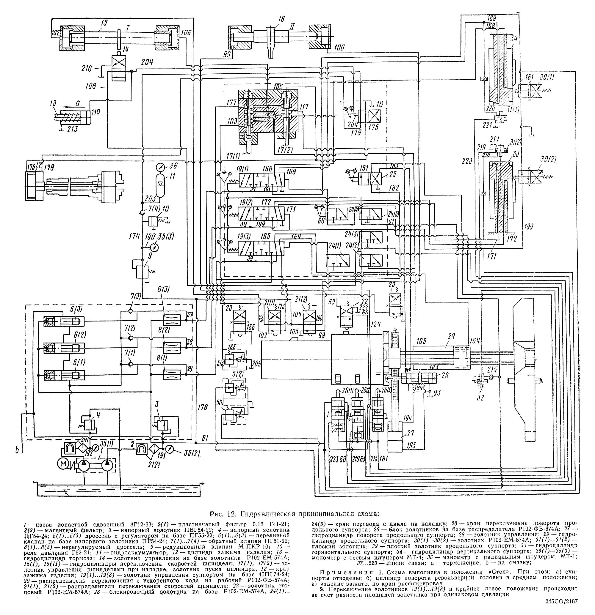
Гідравлічна схема токарного токарно револьверного верстата 1А425
Гідравлічна принципова схема з переліком апаратури показано на рис. 12 (на вкладці).
Гідропривід забезпечує роботу механізму затискання деталі, перемикання частоти обертання шпинделя, підведення, робочу подачу, відведення поздовжнього та поперечних супортів, поворот револьверного супорта. Олія в систему подається від здвоєного насоса 8Г12-33 (з подачею 12 1/min (перший) та 50 об/хв (другий) при 1440 об/хв). Насос низького тиску (50 1/min) забезпечує швидкі ходи супортів, насос високого тиску (12 1/min) – робочі подачі супортів. Для налаштування тиску насоса подачею 50 об/хв служить напірний золотник ПГ 54-24, а насоса подачею 12 об/хв - напірний золотник ПБГ 54-22.
Олія від насоса високого тиску підводиться до трьох нерегульованих дроселів, які ділять потік на три незалежні частинини, приблизно рівні 4 1/min. Коливання тиску кожному з потоків не позначаються тиску інших потоках. Олія від насоса низького тиску підводиться до цих потоків через три зворотні клапани. При швидких ходух супортів олія до їх циліндрів підводиться від обох насосів.
При переході супортів на робочі подачі тиск олії в мережі після дроселів 8(1)...8(3) (див. рис. 12) зростає, і замикаються зворотні клапани, відсікаючи цим потік олії низького тиску від потоку олії високого тиску. Одночасно маслом під тиском перемикаються переливні клапани 6(1)...6(3), що з'єднують насос низького тиску зі зливним отвором.
Перемикання частоти обертання шпинделя здійснюється двома циліндрами, якими керують розподільники Р102-ФВ-574А. При перемиканні розподільників, коли тиск подається в одну порожнину циліндра, а інша порожнина з'єднується зі зливним отвором, досягається необхідне положення поршнів циліндрів, тобто необхідна частота обертання шпинделя. Під час налагодження розподільники перемикають вручну за допомогою тяг, при автоматичному циклі – за допомогою кулачків на барабані.
Пуск і зупинка шпинделя відбувається за допомогою циліндра 1 і 13 циліндра гальма. Циліндр 1 має три положення: два крайніх відповідають включенню лівого або правого фрикціону, тобто різної частоти обертання шпинделя, а середнє - виключення обох фрикціонів, тобто розриву кінематичного ланцюга. Гальмування шпинделя відбувається при середньому положенні циліндра 1, керованого розподільниками 21 (1, 2) та золотником 17 (1) керування шпинделем. Циліндр гальма керування - розподільником (золотник 14).
При натисканні кнопки ВКЛЮЧЕНИЕ ЦИКЛУ золотник 17(2) переміщається в крайнє верхнє положення, порожнину золотника 28 керування циліндром повороту надходить масло під тиском, під дією якого цей золотник встановлюється в положення, що відповідає повороту револьверної головки. При відпусканні кнопки Увімкнення циклу пружина встановлює золотник 17(2) у вихідне положення, при якому порожнину керування золотника 28 з'єднана зі зливним отвором.
Золотник 17(1) керування шпинделем має три положення. Залежно від положення крапа 24 переведення з циклу на налагодження положення цього золотника мають різні значення. При положенні крана АВТОМАТИЧНИЙ ЦИКЛ і середньому положенні золотника керування шпинделем права порожнина циліндра через 1 проточки золотника з'єднана з розподільником 21(1). Права порожнина циліндра 1 управляється розподільником незалежно від двох фіксованих положень золотника 17(1). В кінці циклу, коли всі супорти прийдуть у вихідне положення і блок золотників 26(1) ...26(3) з'єднає з тиском трубу 173, раніше з'єднану зі зливним отвором, обидві порожнини циліндра 1 надійде тиск. Циліндр 1 займе середнє положення, при якому натиснутий розподільник 14, пропускаючи масло в циліндр гальма, і шпиндель загальмується.
При перемиканні золотника керування шпинделем 17(1) крайнє верхнє положення права порожнина циліндра 1 з'єднається зі зливним отвором. Поршень циліндра переміститься праворуч і увімкне правий фрикціон, забезпечуючи повільне обертання шпинделя. При відпусканні рукоятки золотника пружина знову поставить золотник у середнє становище. При положенні крана 24 НАЛАДКА трубу 173, з'єднану під час роботи напівавтомата на циклі зі зливним отвором, буде подано тиск через проточки золотника керування шпинделем.
Середнє положення золотника керування шпинделем при налагодженні забезпечує зупинка шпинделя. У крайньому його верхньому положенні права порожнина циліндра 1, як і на циклі, з'єднується зі зливом, що відповідає повільному обертанню шпинделя. Коли золотник знаходиться в крайньому нижньому положенні, труба через проточки 173 його з'єднана зі зливним отвором. Циліндри перемикання частоти обертання отримують можливість безпосереднього керування перемикачами 21(1) та 21(2).
Поворот поздовжнього супорта здійснюється циліндром повороту, керованого золотником 28, що має три положення. Крайнє праве положення відповідає повороту поздовжнього супорта, крайнє ліве - відходу поршня циліндра повороту вихідне положення. При середньому положенні золотника олія замикається в обох порожнинах циліндра.
Олія до золотника 28 підводиться через крап 25 перемикання повороту поздовжнього супорта. Кран має два положення: РОБОТА З ПОВОРОТОМ і РОБОТА БЕЗ ПОВЕРНЕННЯ. У другому положенні олія відключається від золотника 28.
Підведення та відведення поздовжнього супорта здійснюється циліндром поздовжнього супорта, керованого реверсивним золотником 19(3), який має три положення. Крайнє ліве положення відповідає підведенню поздовжнього супорта, крайнє праве - відведення його. При середньому положенні золотника масло замикається в обох порожнинах циліндра і супорт зупиняється.
Залежно від положення крана 24 переведення з циклу на налагодження золотник може керуватися двояким чином. У положенні крана ЦИКЛ золотник 19(3) управляється золотником 26(3), що у блоці золотників. В кінці повороту поздовжнього супорта упор натискає на золотник 26(3), який перемикає золотник 19(3) вліво, положення підведення. Поздовжній супорт підводиться.
При підведенні супорта олію із зворотної порожнини циліндра проходить через проточки золотника 19(3) і розподільник 20 на злив. При перекладі на робочу подачу кулачок на барабані керування натискає на розподільник, який перекриває вільний злив олії із зворотної порожнини циліндра, і олію витісняється через дросель 5(3) з регулятором. В кінці різання поздовжній супорт натискає на гідравлічний упор плоского золотника 32, який пропустить масло під нижній торець золотника 26(3), перемістивши його у верхнє положення. Золотник 26(3) своєю чергою поставить золотник 19(3) у положення ОТВОД. Супорт почне відводитися. Положення СТОП у золотнику 19(3) під час роботи на циклі немає. При положенні крана 24 НАЛАДЖЕННЯ порожнини керування золотником 19(3) з'єднуються зі зливним отвором. Реверсивний золотник 19(3) може бути встановлений на всі положення за допомогою рукоятки.
Підведення та відведення поперечних супортів здійснюється циліндрам і горизонтального та вертикального супортів, керованих також реверсивними золотниками 19(1, 2), що мають три положення. Крайнє ліве становище відповідає підведенню супортів, крайнє праве — відводу. У середньому становищі золотників відбувається зупинка супортів. Залежно від положення крапа переведення з циклу на налагодження золотники 19(1, 2) можуть керуватися подвійним чином. У положенні крапа ЦИКЛ вони управляються золотниками, що у блоці 26(1, 2). При повороті поздовжнього супорта кулачки натискають на золотники 26(1, 2), які перемикають золотники 19(1,2) вліво, положення підведення. Відбувається підведення супортів, та олія із зворотних порожнин циліндрів проходить через канали золотників 19(1, 2) та канали золотників 30 (1, 2) на злив. При переведенні на робочу подачу кулачки супортів натискають па золотники 30 (1, 2), які перекривають вільний злив олії зі зворотних порожнин, і вона починає витіснятися із зворотних порожнин через дроселі 5 (1, 2).
В кінці різання супорти натискають па гідравлічні упори плоских золотників 31 (1, 2), які пропускають масло під нижні торці золотників 26 (1, 2), перемістивши їх у верхнє положення. Золотники цього вузла, своєю чергою, поставлять золотники 19 (1, 2) у становище ОТВОД, і поперечні супорти почнуть відводитися. Працюючи на циклі в золотниках 19 (1, 2) положення СТОП немає.
При положенні крана 24 НАЛАДЖЕННЯ порожнини керування золотниками 19 (1, 2) відключаються від вузла 26 (1} 2) і з'єднуються зі зливним отвором. При цьому золотники 19 (1, 2) можуть бути встановлені на всі положення за допомогою рукоятки.
Коли супорти закінчують роботу і приходять у свої вихідні положення золотник 22 натискається кулачком барабана. Олія через канали золотників потрапляє в трубу 173, виводячи в середнє положення циліндр перемикання 1 частоти обертання шпинделя, і через золотник 14 - в циліндр гальма, забезпечуючи гальмування шпинделя.
Затискач виробу здійснюється затискним патроном із гідроциліндром (рис. 13), яким керує кран 18 (див. рис. 12). Кран має два положення ЗАТИСНЕННЯ і РОЗЖИМУ, в які його встановлюють рукояткою. У положенні ЗАЖИМ рукоятка стопориться на торці крана. У положення РОЗЖИМ кран фіксатором встановлюйте тільки при зупиненому шпинделі.
Схема передбачає можливість регулювання зусилля затиску редукційним клапаном 9. Для безпеки роботи та лінію затиску включені гідроакумулятор та реле тиску.
Перед початком експлуатації напівавтомата на автоматичному циклі всі гідроапарати і циліндри знаходяться і в початковому положенні, а саме:
Перед пуском напівавтомата затисніть деталь, а потім натисніть кнопку ВКЛЮЧЕННЯ ЦИКЛА. Золотник 17(2) включення циклу пропустить масло порожнину керування золотником 28, який переміститься в праве положення. Поздовжній супорт повернеться до збігу отвору хрестовини з фіксатором напівавтомата. В кінці повороту упор па штоку циліндра повороту натисне на золотник 26(3), який переключить золотник 19(3") керування поздовжнього супорта в положення підведення. Почнеться швидке підведення поздовжнього супорта.
Золотник 28 постійно притискається пружиною до торця барабана, який стримує його переміщення вліво. Коли супорт разом з барабаном почне швидкий рух уперед, цей золотник під дією пружини займе своє ліве положення, що відповідає взводу поршня циліндра повороту. Поршень циліндра повороту піде у своє вихідне положення. Упор зійде із золотника 26(3). При швидкому підведенні масло із зворотної порожнини циліндра поздовжнього супорта витісняється на злив через розподільник 20,
На швидкому підведенні кулачками, що знаходяться на кожній грані барабана, встановлюється потрібна частота обертання шпинделя. Поздовжній супорт буде переміщатися прискорено доти, поки кулачок на барабані не переключить розподільник 20 положення, що перешкоджає вільному зливу масла, і воно витіснятматися тільки через дросель 5(3). Ступінь закриття щілини дроселя встановиться регульованим кулачком на барабані, супорт почне переміщатися зі швидкістю, встановленою дроселем.
В кінці різання супорт натисне па гідравлічний упор плоского золотника, який пропустить масло під нижній торець золотника 26(3), перемістивши його у верхнє положення. Золотник 26(3), своєю чергою, поставить золотник 19(3) у положення ОТВОД, і поздовжній супорт почне відводитися. Наприкінці відведення барабан своїм торцем натисне на золотник 28, який переміститься праворуч і дасть команду на поворот поздовжнього супорта.
В кінці повороту упор знову натисне на золотник 26(3), який перемістить золотник 19(3) у положення підведення. Усі переміщення повторяться у порядку, описаному вище. Поворот, підведення і відведення супорта відбуватимуться до тих пір, поки золотник 28 при повороті не заскочить у западину, що знаходиться на торці барабана. Тоді він займе своє середнє положення, при якому масло замкнене в обох порожнинах циліндра, і поворот припиниться.
Поперечні супорти включаються в роботу при повороті поздовжнього супорта. Кулачки барабана натискають на золотники 26 (1, 2), які переводять золотники керування супортами 19 (1, 2) у положення підведення. Супорти починають швидко підводитись і потім, після натиску упорів на золотники 30(1, 2), переходять на робочі подачі. Наприкінці різання супорти натиснуть на гідравлічні упори плоских золотників, пропустять масло під нижні торці золотників 26(1, 2), перемістивши їх у верхнє положення. Золотники 26(1, 2), своєю чергою, поставлять золотники у становище ОТВОД. Супорти почнуть відводитися.
Увага! На автоматичному циклі та налагоджувальному режимі не повертайте поздовжній супорт, поки горизонтальний супорт не займе заднього крайнього положення.
Це правило обов'язково дотримуйтесь тільки в тому випадку, коли при роботі горизонтального супорта одночасно відбувається поворот поздовжнього, і центровий інструмент, встановлений на променях револьверної головки, набігатиме на інструмент з різцетримачем горизонтального супорта. Для повернення всіх супортів у вихідне положення на автоматичному циклі (при поломці інструменту, налаштування тощо) кран 25 переведіть із положення З ПОВЕРНЕННЯМ у положення ВІДВІД СУПОРТІВ НА ЦИКЛІ. При цьому всі супорти почнуть відводитися.
Зупинити шпиндель можна тільки тоді, коли буде натиснутий золотник 22 і всі супорти займуть свої вихідні положення. При цьому циліндр перемикання частоти обертання шпинделя перебуватиме в середньому положенні, і олія потрапить у циліндр гальма. Коли обертання шпинделя буде зупинено, кран затиску виробу буде розфіксований, деталь може бути розтиснута.
У напівавтоматі передбачені такі блокування:
У процесі експлуатації напівавтомату виникає потреба в регулюванні окремих вузлів та елементів.
Перед регулюванням підшипника передньої опори зніміть кришку із заднього боку коробки швидкостей. Для регулювання підшипника виверніть на 3..4 оберти гвинти 4 (див. рис. 11), послабте два гвинти 3 гайки 5, яку потім повертайте до досягнення в підшипнику необхідного зазору 0,010-0,015 мм. Після цього закріпіть гвинти 4 і застопоріть двома ггвинтами 3 гайку 5. Для регулювання підшибників 1 задньої опори підшліфуйте кільце 2, розібравши опору шпинделя.
При зносі направляючих круглих шпонок вертикального і горизонтального супорта підтягніть шпонки 1 (мал. 17) на кожному супорті. Для цього послабте контргайки 3, повертайте гвинти 2 проти годинникової стрілки до усунення люфта між пазом циліндра і шпонками. Потім затягніть контргайки 3.
У разі відхилення повороту револьверної головки на кут 90° відрегулюйте хід рейки 5 (рис. 18). Періодично перевіряйте правильність регулювання. У крайньому верхньому положенні рейки, яке фіксується втулкою 6 відбувається зчеплення зубів рейки і шестерні барабана керування в кінці відведення револьверного супорта. Зчеплення зубів повинне проходити без взаємного бічного їхнього тертя. В іншому випадку за допомогою втулки 6 змініть крайнє верхнє положення рейки і гвинтом 7 відрегулюйте хід золотника 8 на 4,5 мм.
У крайньому нижньому положенні рейки, яке фіксується гвинтом 1, починається підведення поздовжнього супорта, тобто втулка одного з лучен револьверної головки насувається па фіксуючий палець. При зазначеному положенні вісь втулки повинна бути співвісною осі фіксуючого пальця. У разі порушення співвісності змініть за допомогою ггвинта 1 крайнє нижнє положення рейки.
Циліндр повороту револьверної головки має демпфер, що знижує кутову швидкість кінці повороту револьверної головки. При появі глухих ударів голівки за допомогою голки 2 зменште її швидкість наприкінці повороту.
У гідравлічній системі напівавтомата (див. рис. 13) регулюють:
Для регулювання золотника ПГ 54-24 зніміть кришку із задньої стінки напівавтомату. Кран включення налагоджувального чи автоматичного циклу поставте на налагоджувальний режим, увімкніть двигун гідравлічної системи, увімкніть швидке підведення чи відведення одного із супортів та спостерігайте за показанням манометра низького тиску. При відхиленні його стрілки від встановленої величини регулюйте обертанням ггвинта 1 (див. рис. 14) золотник, доки манометр не покаже тиск 1,5...2 МРа. Спостерігаючи за манометром, повторюйте швидкі підводи чи відводи одного із супортів.
Для регулювання напірного золотника ПБГ-54-22 увімкніть двигун гідравлічної системи. При відхиленні стрілки манометра високого тиску від позначки 3,5 МР обертанням ггвинта 2 відрегулюйте золотник. Реле тиску служить для аварійного відключення напівавтомата при падінні тиску олії в лінії затиску виробу нижче 1,2...1,4 МРа, а гідроакумулятор із зворотним клапаном підтримує тиск при витоках протягом певного часу.
Увага! Перед пуском напівавтомата переконайтеся, що в акумуляторі є повітря.
При падінні тиску в ньому до 0,2 МР підкачайте стиснене повітря від мережі з тиском 0,5 ... 0,6 МР, яке контролюється манометром 7 (рис. 19).
Заряджайте акумулятор при вимкненій гідросистемі. Напівавтомати поставляються налаштованими на тиск затиску 2,1 МР. У разі падіння тиску в системі нижче 1,2...1,4 МР відбувається автоматичне відключення електродвигунів.
Напівавтомат укомплектований трикулачковим патроном, що самоцентрує, який допускає максимальне тягове зусилля на штоку 4 х 104N, що відповідає тиску масла і мережі затиску деталі, що дорівнює 2,4 МРа. Сумарна сила затискача кулачком при максимальному тяговому зусиллі – не менше 7,5 x 104N. Якщо за умовами роботи потрібно зменшити зусилля затискання, відрегулюйте клапан редукції 1 і реле 3 на необхідний тиск наступним чином.
Редукційним клапаном встановіть зусилля затиску менше розрахункового па 0,4 МРа, яке контролюється манометром 2. При цьому показання манометрів 2 і 7 будуть однакові. Потім при працюючих електродвигуна налаштуйте реле 3 тиску так, щоб відключилися електродвигуни. При цьому досягайте тиску в лінії до акумулятора і після нього не мали великої різниці. Знову максимальне зусилля затиску встановлюється аналогічним регулюванням.
Редукційний клапан М-ПКР-10 (мал. 20), який служить для регулювання тиску затискача, що встановлюється залежно від жорсткості заготовки, що обробляється або допускається максимального приводного зусилля на штоку патрона, регулюйте обертанням маховика.
Для очищення пластинчастиних фільтрів 0,12 Г41-24 один раз на зміну поверніть осі 7 (див. рис. 14), зробивши при цьому 4...5 оборотів. Очищайте та промивайте фільтр не рідше одного разу на місяць. Для цього відкрутіть гвинти 8 і зніміть фільтр.
У разі пробуксовування клинових ременів, що передають рух від головного електродвигуна коробці швидкостей при навантаженнях, що не перевищують паспортні дані, підтягніть їх. Для цього відкрутіть гайку 4 (див. мал. 18) і, загортаючи гайку 3, натягніть ремені. Після цього знову затягніть гайку 4. Розмір загального натягу ременів: 350...500 N.
Плоскі золотники призначені для подачі команд на відведення супортів за автоматичного циклу. На кожному супорті встановлено такий золотник. На лініях, що підводять, до цих золотників змонтовані сітчасті фільтри тонкого очищення масла. У поперечних супортів (рис. 21) фільтр 5 знаходиться у його верхній частинині, у поздовжнього — усередині, у косинці 9 (див. рис. 14) хрестовини 10. Робота без фільтрів неприпустима.
У разі незадовільного гальмування або нагрівання колодок гальма за допомогою гайок 1 і 2 (мал. 22) встановіть при вимкненому напівавтоматі радіальний зазор 2 мм між гальмівним шківом і колодками гальма. При цьому права колодка при відключеному гальмі повинна торкатися ггвинта 3.
У коробці швидкостей є чотири фрикційні муфти для автоматичного перемикання чисел оборотів шпинделя в межах ряду. Якщо муфти пробуксовують при навантаженнях, що відповідають паспортним даним (див. нижче), підтягніть їх. Для '.лого зніміть кришку з задньої сторони коробки швидкостей, визначте муфту, що вимагає регулювання, виведіть її запірний штифт 2 (мал. 23) з отвору шайби 1 і поверніть гайку 3 за годинниковою стрілкою (якщо дивитися па муфту з боку гай отвори у шайбі. Якщо цього натягу недостатньо, повторіть перестановку штифта 2. Граничним положенням гайки 3 при підтягуванні може бути момент, коли муфта перемикання 4 при валах коробки швидкостей, що не обертаються, вже не в змозі переміститися до свого кінцевого положення. Але при включенні обертання валів вона обов'язково має переміщатися на всю довжину ходу. Якщо цього немає, послабте гайку 3.
Повна довжина ходу муфт перемикання 28 мм – на валу II, 36 мм – на валах III та IV.
У комплект поставки входять інструменти та приладдя для складних багатоперехідних накладок напівавтомату. Оригінальними інструментами є:
Отже визначається кінець циклу обробки деталі. Порядок налаштування поперечних супортів:
Після виконання зазначеного порядку на налагоджувальному режимі проточіть кожним супортом заготовку, при автоматичному циклі виконайте контрольний обмір отриманої деталі, внесіть відповідні корективи.
При автоматичному циклі проточіть та остаточно відкоригуйте розміри деталей, обов'язково застопоривши упори 6 стопорами 7 (див. мал. 24).
При експлуатації напівавтомата пам'ятайте, що автоматичний цикл обробки виконується лише за допомогою револьверного супорта, тому цикл можна налаштувати в обсязі однієї, двох або чотирьох позицій. При налаштуванні поперечних супортів у момент перемикання прискореного ходу на робочу подачу визначайте найбільш оптимальними умовами роботи інструментів, що одночасно беруть участь у різанні. При налаштуванні горизонтального супорта синхронізуйте роботу з револьверним супортом так, щоб при повороті останнього на нову позицію уникнути зіткнення інструментів. Аварійно перервати поворот револьверного супорта можна натисканням кнопки СТОП або встановленням крана включення повороту револьверного супорта в положення БЕЗ ПОВЕРНЕННЯ.
Після тривалої перерви у роботі налаштований напівавтомат не ставте під навантаження. Після запуску виконайте 2...3 холостих циклів обробки на налагоджувальному або автоматичному режимі.
Не налаштовуйте цикл обробки деталі з використанням робочих подач супортів, величина яких менша за величини, зазначені у паспорті.
Після налагодження напівавтомата перед включенням автоматичного циклу ручку включення повороту поздовжнього супорта поставте в положення БЕЗ ПОВОРОТУ, інакше всі супорти почнуть підводитися незалежно від налаштування кулачків і при повороті револьверна головка може зачепити за індексний палець. Потім поставте ручку в положення З ПОВЕРНЕННЯМ і увімкніть автоматичний цикл.
| Найменування параметру | 1425 | 1A425 | 1M425 | |
|---|---|---|---|---|
| Основні параметри верстату | ||||
| Клас точності згідно з ГОСТ 8-82 | Н | Н | Н | |
| Найбільший діаметр виробу, що обробляється, мм | 250 | 250 | 250 | |
| Найбільша довжина виробу, що обробляється, мм | 175 | 175 | 175 | |
| Відстань від торця шпинделя до грані револьверної головки, мм | 365..610 | 365..610 | ||
| Відстань від осі шпинделя до межі поперечного супорта, мм | 165..305 | |||
| Шпиндель | ||||
| Діаметр отвору в шпинделі, мм | 40 | 40 | 52 | |
| Кількість робочих швидкостей шпинделя | 16 | 16 | 28 | |
| Межі чисел оборотів шпинделя, об/хв (кількість діапазонів) | 50..1250 (4) | 50..1250 (4) | 63..1600 (7) | |
| Перемикання чисел оборотів шпинделя в межах діапазону, об/хв | автоматичний | автоматичний | автоматичний | |
| Діаметр затискного патрона, мм | 250 | 250 | ||
| Кінець шпинделя | 1-6 вечора | |||
| Супорти | ||||
| Кількість упорів револьверного супорта | 4 | |||
| Величина регулювання упорами, мм | 90 | |||
| Швидке переміщення, м/хв | 2 | |||
| Подачі поздовжнього револьверного супорта, мм/хв. | 20..300 | 15..300 | 10..400 | |
| Перемикання подач поздовжнього револьверного супорта | автоматичний | автоматичний | автоматичний | |
| Кількість інструментів револьверного супорта, мм/хв. | 4 | 4 | 4 | |
| Кількість упорів вертикального та горизонтального супорта | 1 | |||
| Величина регулювання упором, мм | 140 | |||
| Швидке переміщення, м/хв | 2 | |||
| Подачі поперечного вертикального та горизонтального супорта, мм/хв. | 20..200 | 15..200 | 10..200 | |
| Перемикання подач поздовжнього вертикального та горизонтального супорта | Настановне | Настановне | Настановне | |
| Електроустаткування верстата | ||||
| Кількість електродвигунів на верстаті, кВт (об/хв) | 3 | 3 | 4 | |
| Електродвигун головного приводу, кВт (об/хв) | 7 (1440) | 7,5 (1450) | 13/9 (1460/730) | |
| Електродвигун гідроприводу, кВт (об/хв) | 2,8 (1440) | 3 (1430) | 4 (960) | |
| Електродвигун насоса охолодження, кВт (об/хв) | 0,125 (3000) | 0,125 (3000) | 0,125 (3000) | |
| Електродвигун шнекового транспортера, кВт (об/хв) | - | - | 0,55 (1370) | |
| Габарити та маса верстата | ||||
| Габаритні розміри верстата (довжина, ширина, висота), мм | 2550 х 1650 х 2140 | 2570 х 1650 х 2150 | 2157 х 2500 х 2200 | |
| Маса верстата, кг | 4500 | 4850 | 5250 |