Виробник токарно-револьверного верстата моделі 1М425 - Алапаєвський верстатобудівний завод, АСЗ , заснований у 1942 році.
Напівавтомат 1М425 замінив застарілу модель 1А425 .
Напівавтомат токарно-револьверний 1М425 призначений для обточування, свердління, зенкерування, розточування, розгортання, підрізування, прорізування канавок, відрізки виробів з литих та кованих заготовок у патроні.
Токарно-револьверний верстат 1М425 використовується в машинобудуванні в дрібносерійному та великосерійному виробництві.
Напівавтомат дозволяє проводити одночасну обробку центральних отворів та зовнішніх поверхонь з поздовжнього супорта, а також поєднувати роботу поздовжнього супорта з одним із поперечних.
Перемикання швидкостей шпинделя, всі переміщення супортів, поворот револьверної головки та затискач виробу здійснюються за допомогою гідравліки.
Токарно-револьверний напівавтомат 1М425 оснащений револьверним та двома поперечними супортами та здійснює обробку внутрішніх та зовнішніх поверхонь деталей за допомогою десяти та більше інструментів.
Верстат - напівавтомат 1М425 має повністю автоматизований цикл обробки, крім операції завантаження та вивантаження деталі.
Завдання програми обробки здійснюється кулачками командоапарата, а величини переміщення супортів - упорами, що регулюються.
Всі робочі та допоміжні переміщення, робочі органи, а також керування напівавтоматом здійснюються гідравлічно.
Напівавтомат 1М425 може вбудовуватись в автоматичну лінію при автоматичному завантаженні.
Середній рівень звуку LA не повинен перевищувати 80 дБА, коригований рівень звукової потужності LpA – 96 дБА.
Шорсткість обробленої поверхні Rz 20-Ra 2,5 мкм.
Проектні організації: Експериментальний науково-дослідний інститут металорізальних верстатів та Алапаївський верстатобудівний завод.
Напівавтомат прийнятий до серійного виробництва у 1979 р.

Габарит робочого простору верстата 1М425
Револьверна головка токарно-револьверного верстата 1М365 Дивитись у збільшеному масштабі

Фото токарно-револьверного верстата 1М425
Фото токарного револьверного верстата 1М425. Дивитись у збільшеному масштабі

Загальний вигляд токарного токарно револьверного верстата 1М425

Загальний вигляд токарного токарно револьверного верстата 1М425

Розташування складових частинин токарного верстата 1М425

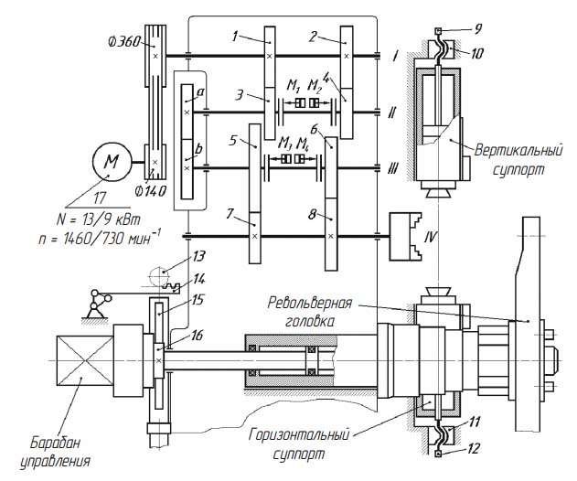
Кінематична схема токарно-револьверного верстата 1М425
Станина-основа напівавтомата - лита, жорсткої конструкції, коробчастої форми. На ній встановлений корпус. Передня частинина станини – корито – призначена для охолоджуючої рідини, а задня, на якій змонтований корпус, служить гідробаком. У верхній частинині корпусу розміщено коробку швидкостей, а в задній — електродвигун гідравлічної системи. Електродвигун головного приводу розташований праворуч на станині.
Нижче шпинделя верстата в корпусі розміщується гідравлічний циліндр. Шток цього циліндра є віссю револьверного супорта На правому кінці штока змонтована револьверна головка Вертикальний та горизонтальний супорти кріпляться на торцевій стороні корпусу до кронштейна.
Револьверний (поздовжній) супорт складається з чотирипозиційної револьверної головки, оформленої у вигляді хреста, та чотиригранного барабана, жорстко пов'язаних між собою. На кінцях променів револьверної головки є отвори для її фіксації, запобігання впливу сил різання під час роботи. На серединах променів профрезеровані площини, перпендикулярні осі шпинделя, і розточені отвори, співвісні зі шпинделем На площинах і отворах закріплюється інструмент, що обробляє отвори в деталях, або інше приладдя. Для обробки зовнішніх циліндричних поверхонь державки із інструментом закріплюють на гранях чотиригранного барабана.
Инструмент в напівавтоматі устанавливается не только на револьверном, но і на поперечных горизонтальном (заднем) і вертикальном (верхнем) суппортах. Эти суппорты представляют собой гідравлические циліндри (рис. 19) . В отличие от револьверного суппорта, у которого оснастка з режущим инструментом размещается на револьверній головці, жестко посаженной на перемещающемся штоке, в поперечных суппортах шток з поршнем 4 жестко соединены з корпусом 2 і неподвижны. Перемещение под действием давления масла осуществляется цилиндром 3, на торце которого есть направляющие «ласточкин хвост» 1 для установки державки з резцами.
Керування циклом роботи осуществляется барабаном керування, расположенным на левом кінці револьверного суппорта (рис. 20), следующим образом. При подводе револьверної головки к детали кулачки, находящиеся на гранях барабана, воздействуют на маслораспределители, управляющие цилиндрами увімкнення фрикционных муфт М^М4 коробки швидкостей, і включается запрограммированная для данного перехода частота обертання шпинделя. На тех же гранях имеются регулируемые кулачки, воздействующие через рычажную систему з помощью зубчатой рейки 14 (т = 1,5 мм) на дроссель 13, подающий масло в гідроцилиндр револьверного суппорта. Изменение открытия дросселя позволяет регулировать величину поздовжньої подачі суппорта на каждом переходе і во время подачі. В кінці цикла роботи револьверного суппорта кулачками, установленными на цилиндрической частини барабана, подается команда на его поворот. Потом включаются поперечные суппорты, а після окончания их роботи подается команда «Стоп» . Конечная точка робочого переміщення поперечного суппорта регулируется вращением гвинта 9 (11) в гайке 10 (12), жестко связанной з корпусом.
Поворачивается барабан керування вместе з револьверною головкою каждый раз в кінці її відведення от детали. Делается ето з помощью рейки 15 (т = 3 мм) і зубчатого колеса 16 (z = 80), приводимых в действие цилиндром поворота.
Главный привід представляет собой четырехваловую коробку швидкостей, включающую шпиндель. Вращение от двухскоростного електродвигуна 17 мощностью 13/9 кВт з частотой обертання 1460/730 мин-1 передається через ременную передачу ø140/∅360 на вал I. Вращение з вала I передається шпинделю IV через зубчасті колеса і пару сменных шестерен a (z = 42 или 47) і b (z = 58 или 53).
Всего шпинделю сообщается 15 разных частот обертання. Структурна сетка головного приводу показана на рис. 21. Значения приведены в оборотах в минуту.
Основні технические данные верстата 1М425:
Верстат 1М425 имеет простую кинематическую схему, но выполняет большой объем роботи в напівавтоматическом режиме. Существенная часть нагрузки лежит на гідравлической схеме верстата Гідропривід обеспечивает:
Масло в гідросистему подается от сдвоенного насоса высокого і низкого давления Насос низкого давления обеспечивает быстрый ход супортів, насос высокого давления — рабочие подачі.
Зажим вироби производится краном з помощью гідроцилиндра, управляющего трехкулачковым патроном Вращение шпинделя включается і останавливается гідравликой. В кінці цикла обробки от кулачков, установленных на барабане, автоматически срабатывает гідрофицированный привід тормоза.
блокировка нежелательных ситуаций.
В напівавтоматі предусмотрены блокировки:
| Наименование параметра | 1425 | 1А425 | 1М425 | |
|---|---|---|---|---|
| Основні параметри верстата | ||||
| Основні параметри верстата | ||||
| Класс точності по ГОСТ 8-82 | Н | Н | Н | |
| Наибольший диаметр обрабатываемого вироби, мм | 250 | 250 | 250 | |
| Наибольшая длина обрабатываемого вироби, мм | 175 | 175 | 175 | |
| Расстояние от торца шпинделя до грани револьверної головки, мм | 365..610 | 365..610 | ||
| Расстояние от оси шпинделя до грани поперечного суппорта, мм | 165..305 | |||
| Шпиндель | ||||
| Диаметр отверстия в шпинделе, мм | 40 | 40 | 52 | |
| Количество рабочих швидкостей шпинделя | 16 | 16 | 28 | |
| Пределы чисел оборотів шпинделя, об/мин (число диапазонов) | 50..1250 (4) | 50..1250 (4) | 63..1600 (7) | |
| Переключення чисел оборотів шпинделя в пределах диапазона, об/мин | автомат | автомат | автомат | |
| Диаметр зажимного патрона, мм | 250 | 250 | ||
| Кінець шпинделя | 1-6ц | |||
| Суппорты | ||||
| Количество упоров револьверного суппорта | 4 | |||
| Величина регулировки упорами, мм | 90 | |||
| Быстрое перемещение, м/мин | 2 | |||
| Подачи продольного револьверного суппорта, мм/мин | 20..300 | 15..300 | 10..400 | |
| Переключення подач продольного револьверного суппорта | автомат | автомат | автомат | |
| Количество инструментов револьверного суппорта, мм/мин | 4 | 4 | 4 | |
| Количество упоров вертикального і горизонтального суппорта | 1 | |||
| Величина регулировки упором, мм | 140 | |||
| Быстрое перемещение, м/мин | 2 | |||
| Подачи поперечного вертикального і горизонтального суппорта, мм/мин | 20..200 | 15..200 | 10..200 | |
| Переключення подач продольного вертикального і горизонтального суппорта | Установочноое | Установочноое | Установочноое | |
| Електроустаткування верстата | ||||
| Количество електродвигателей на станке, кВт (об/мин) | 3 | 3 | 4 | |
| Електродвигун головного привода, кВт (об/мин) | 7 (1440) | 7,5 (1450) | 13/ 9 (1460/ 730) | |
| Електродвигун гідропривода, кВт (об/мин) | 2,8 (1440) | 3 (1430) | 4 (960) | |
| Електродвигун насоса охлаждения, кВт (об/мин) | 0,125 (3000) | 0,125 (3000) | 0,125 (3000) | |
| Електродвигун шнекового транспортера, кВт (об/мин) | - | - | 0,55 (1370) | |
| Габарити і масса верстата | ||||
| Габаритные розміри верстата (длина, ширина, высота), мм | 2550 х 1650 х 2140 | 2570 х 1650 х 2150 | 2157 х 2500 х 2200 | |
| Масса верстата, кг | 4500 | 4850 | 5250 |