Виробник токарно-револьверного верстата моделі 1Е365БП - Алапаєвський верстатобудівний завод, АСЗ , заснований у 1942 році.
Токарно-револьверний верстат 1Е365БП (початок виробництва 1982) - остання модель серії токарно-револьверних верстатів, 1П365 , 1А365, 1Б365, 1М365 . Розробник верстатів - Ленінградське спеціальне конструкторське бюро автоматів та револьверних верстатів.
Універсальні токарно-револьверні верстати 1Е365БП , 1Е365Б призначені для високопродуктивної обробки різноманітних деталей з чавуну, сталі та кольорових металів інструментом з твердих сплавів та швидкорізальної сталі деталей з штучних заготовок (поковок, штампувань, виливків і т.п.).
На верстаті 1Е365БП можна виконувати такі види токарної обробки:
Пруткове виконання верстата 1Е365БП виготовляється за спеціальним замовленням.
Верстати призначені для обробки в патроні штучних заготовок, виготовлення яких вимагає виконання ряду послідовних переходів: обточування, свердління, розточування, розгортання, нарізування різьблення та ін. в умовах серійного виробництва.
Токарно-револьверний верстат 1Е365БП має 2 супорти з різальним інструментом:
Револьверний супорт із шестигранною револьверною головкою та поперечний супорт із чотирипозиційною різцевою головкою забезпечують обробку складних деталей без заміни інструменту.
Точність обробки деталей на верстаті 1Е365БП
Шорсткість обробленої поверхні при обточуванні стали не нижче Ra 2,5 мкм.
Верстати 1Е365БП мають шестипозиційну револьверну головку з вертикальною віссю обертання, розташовану на револьверному супорті. Для поперечної обробки на верстатах є поперечний супорт мостового типу. Керування прискореними та робочими переміщеннями супортів здійснюється від мнемонічних рукояток. Перехід з прискореного переміщення револьверного супорта на автоматичну або вручну робочу подачу. Поворот револьверної головки можливий на будь-яку кількість позицій від кнопки, розташованої на револьверному супорті, виконується тільки в положенні супорта на станині, налаштованому на налагодження.
Частота обертання шпинделя та подача супортів перемикаються вручну на пульті керування верстата.
На верстаті можливе подрібнення крученої стружки перериванням подачі револьверного супорта від кнопки, розташованої на револьверному супорті. У середній частинині станини між напрямними є отвір для сходу стружки в зварне корито, призначене для збору стружки та охолоджуючої рідини.
Оброблювана деталь закріплюється у звичайному самоцентруючому або пневматичному патроні. Весь необхідний для даної операції комплект різальних інструментів встановлюється в шестипозиційній револьверній головці та чотиристоронньому різцетримачі супорта.
На верстаті 1Е365БП деталь може бути оброблена у шести позиціях. Можлива паралельна робота інструментів, встановлених у револьверній головці, та інструментів, встановлених у різцетримачі супорта.
Інструмент та обмежувачі ходу супортів (упори) встановлюються з таким розрахунком, щоб оброблена деталь отримала після обробки задані розміри.
Компонування вузлів загальноприйняте для цього типорозміру універсальних револьверних верстатів. Все керування коробки швидкостей та коробки подач гідравлічне. Вибір чисел оборотів шпинделя та величин подач на всіх моделях преселективний.
Перемикання чисел оборотів шпинделя та величин подач відбувається при повільному повороті шестерень.
Автоматичний підйом і поворот револьверної головки на будь-яку грань у вихідному положенні з подальшою жорсткою і точною фіксацією, механізований затискач заготовки з кнопковим керуванням, зручність керування верстатом, можливість перемикання чисел обертів без зупинки шпинделя забезпечують якісну обробку точних деталей, полегшують працю верстатника.
Середній рівень звуку LA не повинен перевищувати 83 дБа.
Коригований рівень звукової потужності LpA не повинен перевищувати 102 дБА.
Клас точності верстата 1Е365Б - Н, верстата 1Е365БП - П.
Розробник - Ленінградське спеціальне конструкторське бюро автоматів та револьверних верстатів.

Габарит робочого простору верстата 1Е365БП

Посадочні та приєднувальні бази верстата 1Е365БП

Габаритні розміри револьверного верстата 1Е365БП

Фото токарно-револьверного верстата 1Е365БП
Фото токарного револьверного верстата 1е365. Дивитись у збільшеному масштабі

Фото токарно-револьверного верстата 1Е365БП
Фото токарного револьверного верстата 1е365. Дивитись у збільшеному масштабі

Фото токарно-револьверного верстата 1Е365БП

Фото токарно-револьверного верстата 1Е365БП
Електроустаткування токарно-револьверного верстата 1Е365Б та 1Е365БП підключається до мережі трифазного змінного струму напругою 380В частотою 50 Гц.
- напруга ланцюга керування ~110 В змінного струму;
- напруга ланцюга керування -24 В постійного струму;
- напруга ланцюга сигналізації -24 В постійного струму;
- напруга ланцюга сигналізації ~5В змінного струму;
- Напруга ланцюга місцевого освітлення ~24 В змінного струму.
На верстаті встановлені наступні трифазні асинхронні електродвигуни:
У коробці швидкостей є шість електромагнітних муфт У11...У16 типу ЕТМ. Включенням комбінацій муфт можна отримати 9 різних швидкостей.
Електроапаратура керування розташована в електрошафі.
Перед шпиндельною бабкою розташований пульт керування.
На револьверному супорт є пульт, на якому розташовані кнопки керування револьверною головкою.
При початковому пуску верстата перевірте насамперед надійність заземлення та якість монтажу електроустаткування зовнішнім оглядом.
Після огляду на клемних наборах в електрошафі відключіть дроти живлення всіх електродвигунів.
За допомогою ввідного автомата підключіть верстат до мережі.
Перевірте дію блокуючих пристроїв. За допомогою кнопок та перемикачів верстата перевірте чіткість спрацьовування апаратури.
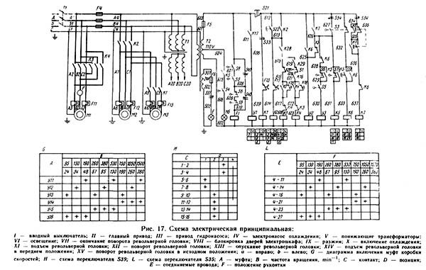
Принципові електричні схеми верстата показано на рис. 17 та 18, таблиці 1...7
Ввідним автоматичним вимикачем F1 електроустаткування верстата підключається до мережі та загоряються сигнальні лампи:
Включается реле выбора скорости обертання шпинделя в соответствии з тем, которое установлено переключателем скорости S35.
При нажатии кнопки S22 ПУСК включается магнитный пускатель К2, который подключает к сети електродвигатель М2 і подготавливает ланцюг увімкнення електродвигуна насоса М3.
При повышении давления в гідросистеме срабатывает реле давления S17, гаснет сигнальная лампа Н1.
Включается реле К28 з самоблокировкой. Замыкающие контакты К28 включают магнитный пускатель К3 і включается двигатель головного приводу М1.
Замыкающий контакт К28 подает питание также на АКС (автоматическая коробка швидкостей).
Если при первом нажатии на кнопку S22 не включился двигатель головного привода, то нужно повторно нажать на кнопку S22, предварительно установив переключатель шпинделя S39 в положение ОТКЛЮЧЕН, либо ЗАТОРМОЖЕН.
Выключателем S33 включается і отключается електродвигатель приводу насоса охлаждения.
Установкой переключателя S39 в положение ПУСК включаются електромагнітні муфты коробки АКС, соответствующие выбранной заранее скорости шпинделя.
В случае если потребуется изменить диапазон выбранной скорости (т.е. перевести блок), то отключится реле К10, контакты которого включат шпиндель на наименьшую скорость установленного диапазона і зажгут сигнальную лампу Н3 - ПЕРЕВОД БЛОКА. В кінці перевода нажимается конечный выключатель і включается реле К10. Гаснет лампа Н3. Шпиндель начинает вращаться з выбранной скоростью.
Нажатием на кнопку S23 можно получить реверс шпинделя з любой из трех нижних швидкостей нижнего диапазона. При етом включается реле К29, размыкающие контакты его отключают пускатель К3, отключаются реле К30 і K3?. Отключается електродвигатель M1, размыкающий контакт реле К30 включает на время выдержки реле КЗЗ (необходимой для торможения двигуна) електромагнітні муфты У11, У13, У14, У16 — тормозится вся кінематична ланцюг. По окончании выдержки часу реле часу К? отключаются реле К18 і електромагнітні муфты У11, У13, У14, У16. Через замыкающий контакт реле К29 і размыкающий контакт реле К18 включается магнитный пускатель К4. Електродвигун включается на левое вращение.
По окончании выдержки часу реле К34, необходимо для разгона електродвигуна, включаются електромагнітні муфты У13, У15 і реле КЗЗ. Шпиндель вращается влево з той же частотой.
При отпускании кнопки S23 отключается реле К29 і магнитный пускатель К4. Отключается електродвигатель М1. Отключаются реле К30 і К33. На время выдержки реле К? включаются електромагнітні муфты У11, У13, У14, У16 і реле К18. По окончании выдержки часу на торможение отключается реле К18 і електромагнітні муфты У11, У13, У14, У16. Включается магнитный пускатель К? з самоблокировкой. Електродвигун M1 включается правое вращение. По окончании выдержки часу реле К34 подается питание на електромагнітні муфты через размыкающий контакт реле К34.
Скорость обертання шпинделя задается переключателем 35. Включая електромагнітні муфты АКС в различных сочетаниях, можно, как уже было сказано, получить девять швидкостей. Переключенням блока можно получить еще один ряд из девяти швидкостей. Пять нижних швидкостей высокого ряда совпадают по величине со скоростями низкого ряда, поетому всего можно получить 13 различных швидкостей шпинделя.
Первый ряд і включенные муфты:
Второй ряд і включенные муфты:
При изменении скорости в пределах одного ряда происходит переключение електромагнітних муфт.
Установкой переключателя S39 в положение СТОП можно отключить все електромагнітні муфты АКС, і шпиндель становится на выбеге.
При установці переключателя в положение ТОРМОЗ включаются електромагнітні муфты У14, У16; шпиндель тормозится.
Схема обеспечивает три режима роботи револьверної головки:
Если в исходном положении револьверного суппорта нажать выключатель S3 і установить переключатель S34 в положение РАБОТА, то включается електромагнит У2. Происходит подъем револьверної головки і її разжим.
В начале ходу нажимается конечный выключатель S5, а в кінці высвобождается выключатель S6.
Выключатели S5 і S6 включают електромагнит У3 — происходит поворот револьверної головки.
В начале поворота нажимается конечный выключатель S4, а в кінці ходу высвобождается выключатель S7, который включает реле К5 з самоблокировкой.
Контакт реле К5 отключает електромагнит У2 — револьверна головка опускается і происходит її фиксация і зажим.
В начале зажиму нажимается конечный выключатель S5, а в кінці ходу высвобождается выключатель S4, который своим контактом отключает електромагнит УЗ.
Механізм поворота возвращается в исходное положение. В исходном положении її нажимается конечный выключатель S4. Выключатель S? і реле К5 включают сигнальную лампу Н6 ОКОНЧАНИЕ ПОВОРОТА.
При ходе револьверного суппорта вперед высвобождаете конечный выключатель S3 і схема готова к новому повороту револьверної головки. При необходимости поворота револьверної головки переключатель S34 установите в положении НАЛАДКА. Тогда при нажатии кнопки S36 револьверна головка повернется на одну позицию. Для поворота її в следующую позицию снова нажмите кнопку S36.
Если нужно поднять револьверную головку в переднее положении, нажмите кнопку S37. При етом включается з самоблокировкой реле К6, которое включает електромагнит подъема У2, а електромагнит УЗ не включается до тех пор пока супорт не пройдет в исходное положение. В исходном положении револьверної головки нажимается выключатель S3 і реле К6 отключается. Размыкающий контакт реле К6 включит електромагнит УЗ — произойдет поворот.
В станке предусмотрены наступні блокировки:
На пультах верстата установлены наступні сигнальные лампы:
На станке установлен кронштейн местного освещения Е з выключателем S31.
Для защиты електроустаткування от токов короткого замыкания служат выключатель F1 і плавкие вставки предохранителей F4...F8.
Защиту електродвигателей от длительных перегрузок обеспечивают тепловые реле F11...F13.

Електрична схема токарного верстата 1Е365БП
Електрична схема токарно-револьверного верстата 1Е365БП. Дивитись у збільшеному масштабі

Електрична схема токарного верстата 1Е365БП. Часть 2
Електрична схема токарно-револьверного верстата 1Е365БП. Дивитись у збільшеному масштабі

Список елементів токарного верстата 1Е365БП
Список елементів токарно-револьверного верстата 1Е365БП. Дивитись у збільшеному масштабі

Список елементів токарного верстата 1Е365БП
Список елементів токарно-револьверного верстата 1Е365БП. Дивитись у збільшеному масштабі
| Наименование параметра | 1Е365БП | 1П365 | 1П371 |
|---|---|---|---|
| Основні параметри верстата | |||
| Класс точності по ГОСТ 8-82 | Н, П (1Е365БП) | Н | Н |
| Наибольший диаметр обрабатываемого вироби над станиной, мм | 500 | 500 | 630 |
| Наибольший диаметр обрабатываемого вироби над поперечным суппортом, мм | 330 | 320 | 420 |
| Высота центров, мм | 250 | 250 | 315 |
| Расстояние от торца шпинделя до револьверної головки, мм | 270..1000 | 275..1000 | 320..1400 |
| Шпиндель | |||
| Диаметр отверстия в шпинделе, мм | 80 | 80 | 125 |
| Диаметр обрабатываемого прутка, зажимаемого в подающей трубе (прутковое виконання), мм | 65 | ||
| Диаметр обрабатываемого прутка при переднем зажиме (прутковое виконання), мм | 80 | ||
| Диаметр зажимного патрона, мм | 250 | ||
| Количество рабочих швидкостей шпинделя | 13 | 12 | 12 |
| Пределы чисел оборотів шпинделя, об/мин | 24..1500 2 диапазона |
34..1500 | 20..893 |
| Пределы чисел оборотів шпинделя (обратное вращение), об/мин | 67 | 34..1500 | 19..818 |
| Кінець шпинделя фланцевый по ГОСТ 12595-72 | 1-8Ц | 1-8Ц | 1-8Ц |
| Наибольший крутящий момент на шпинделе не менее, Нм (кг*м) | 123 | 260 | |
| Револьверний суппорт | |||
| Количество инструментов в револьверній головці | 6 | 6 | 6 |
| Диаметр отверстия под инструмент в револьверній головці, мм | 95Н7 | 95Н7 | 125Н7 |
| Наибольшее продольное перемещение револьверного суппорта, мм | 730 | 725 | 1080 |
| Количество ступеней подач | 13 | 13 | 13 |
| Диапазон швидкостей продольных подач револьверного суппорта, I ряд, мм/об (число подач) | 0,05..0,80 (9) | 0,09..1,35 (9) | 0,09..1,35 (9) |
| Диапазон швидкостей продольных подач револьверного суппорта, II ряд, мм/об (число подач) | 0,10..1,60 (9) | 0,18..2,70 (9) | 0,18..2,70 (9) |
| Диапазон швидкостей продольных подач револьверного суппорта, III ряд, мм/об (число подач) | 0,20..3,20 | - | - |
| Скорость швидкого продольного переміщення револьверного суппорта, м/мин | 7,5 | 6 | 6 |
| Число упоров револьверного суппорта | 6 | 6 | 6 |
| Перемещение на одно деление лимба, мм | 0,2 | 0,2 | 0,2 |
| Перемещение на один оборот лимба, мм | 45 | 45 | 45 |
| Поперечный суппорт | |||
| Количество резцов в резцедержателе | 4 | 4 | 4 |
| Количество резцов в заднем резцедержателе | 1 | 1 | нет |
| Наибольшее перемещение поперечного суппорта продольное/поперечное, мм | 730/ 310 | 725/ 310 | 1080/ 410 |
| Количество ступеней продольных подач поперечного суппорта | 13 | 12 | 12 |
| Диапазон швидкостей продольных подач револьверного суппорта, I ряд, мм/об (число подач) | 0,05..0,80 (9) | 0,09..1,35 (9) | 0,09..1,35 (9) |
| Диапазон швидкостей продольных подач револьверного суппорта, II ряд, мм/об (число подач) | 0,10..1,60 (9) | 0,18..2,70 (9) | 0,18..2,70 (9) |
| Диапазон швидкостей продольных подач револьверного суппорта, III ряд, мм/об (число подач) | 0,20..3,20 | - | - |
| Количество ступеней поперечных подач поперечного суппорта | 13 | 12 | 12 |
| Диапазон швидкостей поперечных подач поперечного суппорта, I ряд, мм/об | 0,025..0,40 | 0,045..0,7 | 0,045..0,7 |
| Диапазон швидкостей поперечных подач поперечного суппорта, II ряд, мм/об | 0,05..0,80 | 0,09..1,35 | 0,09..1,35 |
| Диапазон швидкостей поперечных подач поперечного суппорта, III ряд, мм/об | 0,10..1,60 | - | - |
| Скорость швидкого продольного переміщення суппорта, м/мин | 7,5 | 6 | 6 |
| Скорость швидкого поперечного переміщення суппорта, м/мин | 3,5 | - | - |
| Число упоров продольного переміщення | 5 | 5 | 5 |
| Число упоров поперечного переміщення | 2 | 2 | 2 |
| Перемещение на одно деление лимба продольное/поперечное, мм | 0,2/ 0,05 | 0,2/ 0,05 | 0,2/ 0,05 |
| Перемещение на один оборот лимба продольное/поперечное, мм | 45/ 4 | 45/ 10 | 45/ 10 |
| Електроустаткування верстата | |||
| Количество електродвигателей на станке, кВт (об/мин) | 3 | 2 | 3 |
| Електродвигун головного привода, кВт (об/мин) | 15 (1465) | 13 (1450) | 22 (1460) |
| Електродвигун гідропривода, кВт (об/мин) | 2,2 (1430) | - | 1,5 (930) |
| Електродвигун насоса охлаждения, кВт (об/мин) | 0,125 (2800) | 0,125 (2800) | 0,125 (2800) |
| Габарити і масса верстата | |||
| Габаритные розміри верстата (длина, ширина, высота), мм | 4400 х 1525 х 1800 | 3430 х 1500 х 1655 | 4230 х 1850 х 1680 |
| Масса верстата , кг | 5200 | 3900 | 6300 |