Виробник трубонарізного верстата моделі 1М983 - Сасівський верстатобудівний завод, Саста , заснований у 1971 році.
Трубонарізний верстат 1М983 спроектований на базі моделі 1А983 .
Трубонарізний верстат 1М983 призначений для обточування кінців труб і нарізування на них різьблення в умовах одиничного і дрібносерійного виробництва.
На верстаті 1М983 можна обробляти штанги, замки, перекладачі, деталі трубних з'єднань (нарізка різьблення НКТ, НКМ ГОСТ 633-80, нарізка різьблення на обсадні труби ОТТМ, ОТТГ, Батресс ГОСТ 832-80, нарізка замкової різьби .д.), що застосовуються для видобутку та транспортування нафти та природного газу та в нафтовидобувній промисловості.
Верстат 1М983 має конусну лінійку для обробки конічних поверхонь та нарізування конічних різьблень.
Оброблювана труба пропускається через порожнистий шпиндель і затискається двома механізованими патронами. Інший кінець труби підтримується люнетом. Шпиндель має пряме та зворотне обертання.
Верстат 1М983 доповнений ручною системою відведення різця, що робить його використання зручним та безпечним.
Клас точності верстата Н.
Шорсткість обробленої поверхні V5.
Трубообробний верстат, машина для обробки металевих, головним чином сталевих, у тому числі бурильних труб шляхом зняття стружки або накатки різьблення.
Для отримання на кінцях труб точних торцевих поверхонь служать трубопідрізні верстати .
Для отримання на кінцях труб різьблення (циліндричного або конічного) використовуються трубонарізні (труборізні) або трубонакатні верстати (останній спосіб, як правило, забезпечує більш міцне різьбове з'єднання).
При виробництві труб відповідального призначення застосовують застосування трубообробні верстати для зняття дефектного поверхневого шару труб перед холодною прокаткою.

Габаритні розміри робочого простору верстата 1М983

Посадочні та приєднувальні розміри шпинделя верстата 1М983

Фото трубонарізного верстата 1М983
Фото трубонарізного верстата 1М983. Дивитись у збільшеному масштабі

Розташування основних вузлів трубонарізного верстата 1М983
Розташування основних вузлів трубонарізного верстата 1М983. Дивитись у збільшеному масштабі

Розташування органів керування трубонарізним верстатом 1М983
Розташування органів керування трубонарізним верстатом 1М983. Дивитись у збільшеному масштабі

Розташування органів керування верстатом 1М983
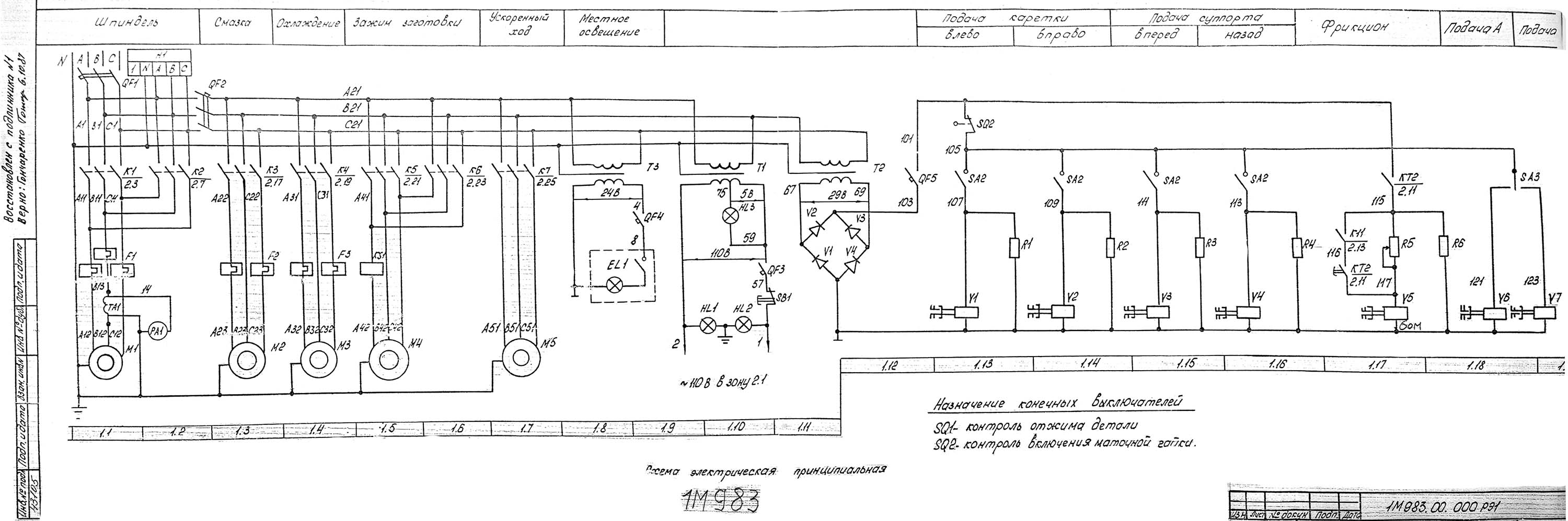
До складу електроустаткування входять асинхронні електродвигуни:
На верстаті застосовані наступні напруги:
Живлення електроустаткування верстата здійснюється від цехової мережі змінного струму напругою 380В +10-15% ,50 Гц від 4-х провідної лінії з перетином проводів, що підводять 6мм 2
Під'єднання ввідних проводів здійснюється до клемника КТ1, розташованого в електрошафі до клем А, В, С.
Захисне заземлення виконати мідним дротом із перетином не менше 6 мм 2 .
Підключення електроустаткування до цехової мережі здійснюється автоматичним вимикачем QF1, встановленим на бічній стінці електрошафи.
Аппаратура керування і живлення електроустаткування размещена в електрошкафу. Кнопки і переключатели керування размещены на пультах керування, расположенных на станке.
Ступінь захисту електрошафі IP54.
Живлення ланцюгів керування змінного струму здійснюється напругою 110В, 50 Гц і живленням лампи місцевого освітлення 24В,50 Гц від понижуючого трансформатора Т1.
Живлення ланцюгів керування постійного струму, котушок електромагнітів гідрозолотників, електромуфт і фрикціону здійснюється напругою 24 В від діодного випрямляча U1, що живиться від понижуючого трансформатора Т2.
Електророзведення на верстаті виконано в металорукавах, гумотканинних рукавах та полівінілхлоридних трубках.
Нульовий захист електроустаткування верстата здійснюється розмиканням замикаючих контактів у ланцюги саможивлення магнітних пускачів та реле при зникненні напруги в цеховій мережі.
Захист електродвигунів та ланцюгів керування від струмів короткого замикання та перевантажень проводиться автоматичними вимикачами та тепловими реле.
На верстаті застосовується наступне забарвлення дротів:

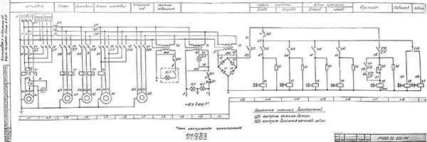
Схема електрична трубонарізного верстата 1М983
Схема електрична трубонарізного верстата 1М983. Дивитись у збільшеному масштабі

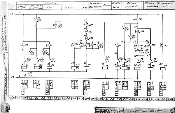
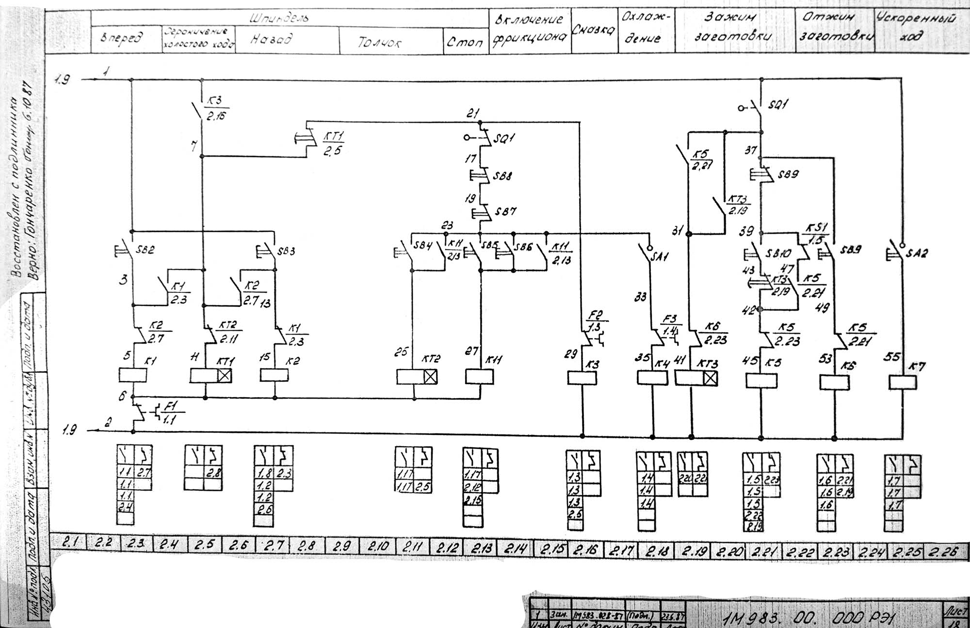
Схема електрична трубонарізного верстата 1М983
Схема електрична трубонарізного верстата 1М983. Дивитись у збільшеному масштабі
Налаштування верстата після ремонта
| Найменування параметру | RT983 | 1Н983 | 1A983 | 1M983 |
|---|---|---|---|---|
| Основні параметри | ||||
| Класс точності по ГОСТ 8-82 | Н | Н | Н | Н |
| Діаметр труби, що обробляється, мм | 70..320 | 70..260 | 73..299 | 73..299 |
| Довжина оброблюваної труби, мм | 6000 | |||
| Найбільший діаметр заготовки над станиною, мм | 830 | 800 | 800 | |
| Найбільший діаметр заготовки над супортом, мм | 450 | 450 | ||
| Міжцентрова відстань (РМЦ), мм | 1065 | 1000, 2000, 3000, 4000 | ||
| Висота центрів, мм | 400 | 400 | ||
| Найбільша довжина точення без конусної лінійки, мм | 800 | 800 | 1000, 2000, 3000, 4000 | 800 |
| Найбільша довжина точення з конусною лінійкою, мм | 420 | 500 | 420 | |
| Довжина конусної лінійки, мм | 660 | |||
| Найбільша маса заготовки, що встановлюється в центрах, кг | 3500 | 5000 | 5000 | |
| Найбільша маса заготовки, що встановлюється в патроні, кг | 2000 рік | 2000 рік | ||
| Шпиндель | ||||
| Діаметр наскрізного отвору в шпинделі, мм | 320 | 300 | 310 | 310 |
| Число ступеней частот прямого обертання шпинделя | 12 | 12 | 12 | |
| Частота прямого обертання шпинделя, об/мин | 8..355 | 8..355 | 8..355 | 8..355 |
| Найбільший крутний момент на шпинделі, кНм | 3 | 3 | 3 | 3 ± 0,5 |
| Наявність механізованого затиску кулачків патрона | так | так | так | |
| Подання | ||||
| Найбільша довжина ходу каретки супорта, мм | 800 | 800 | 1000 | 800 |
| Найбільший поперечний хід супорта, мм | 500 | 500 | 500 | 500 |
| Ціна поділу лімба при поперечному переміщенні супорта, мм | 0,05 | 0,05 | 0,05 | |
| Переміщення супорта за один оберт лімба при поперечному переміщенні супорта, мм | 5 | 5 | 5 | |
| Переміщення супорта за один оберт лімба при поздовжньому переміщенні супорта, мм | 300 | 300 | 300 | |
| Число ступенів поздовжніх і поперечних подач | 32 | |||
| Межі робочих подач поздовжніх, мм/про | 0,06..1,02 | 0,064..1,025 | 0,06..2,0 | 0,06..2,0 |
| Межі робочих подач поперечних, мм/про | 0,028..0,536 | 0,031..0,0458 | 0,028..0,936 | 0,028..0,936 |
| Швидкість швидких переміщень супорта, поздовжніх/поперечних, м/хв. | 5,2/ 2 | 3,6/ 1,3 | 5,3/ 2,2 | 5,3/ 2,2 |
| Кількість різьб метричних нарізних | ||||
| Межі кроків різьб метричних, що нарізаються, мм | 1..28 | 1..12 | 1..28 | 1..28 |
| Кількість нарізних різьблень дюймових | ||||
| Межі кроків різьб дюймових | 28..1 | 24..2 | 28..2 | 28..2 |
| Найбільше зусилля різання у поздовжньому напрямку, кН | 28 | 15 | 6,8 | |
| Найбільше зусилля різання у поперечному напрямку, кН | 13 | 3,7 | ||
| Наличие гідровідскоку | так | так | так | |
| Різцеві санки | ||||
| Найбільше переміщення різцевих санчат, мм | 220 | 220 | 220 | |
| Найбільша висота різців, мм | 32 х 32 | 32 х 32 | 32 х 32 | |
| Найбільший кут повороту різцевих санок, град | ±90° | ±90° | ±90° | |
| Ціна поділу лімба, мм | 0,05 | 0,05 | 0,05 | |
| Задня бабка | ||||
| Найбільше переміщення пінолі, мм | 240 | 240 | 240 | |
| Внутрішній конус пінолі | Морзе 5 | Морзе 5 | Морзе 5 | |
| Найбільше поперечне переміщення задньої бабки, мм | ±10 | ±10 | ±10 | |
| Електроустаткування | ||||
| Кількість електродвигунів на верстаті | 5 | 5 | 5 | |
| Електродвигун головного приводу, кВт (об/хв) | 14,5 | 16 | 16 | |
| Електродвигун швидких переміщень супорта, кВт (об/хв) | 1,1 (1420) | 1,1 (1420) | 1,1 (1420) | |
| Електродвигун затискача виробу, кВт (об/хв) | 2 (900) | 2 (900) | 2 (900) | |
| Електродвигун мастила коробки швидкостей, кВт (об/хв) | 0,27 (1450) | 0,27 (1450) | 0,27 (1450) | |
| Електродвигун насоса охолодження, кВт (об/хв) | 0,125 (2800) | 0,125 (2800) | 0,125 (2800) | |
| Габарити та маса верстата | ||||
| Габарити верстата (довжина ширина висота), мм | 3615 х 2070 х 1565 | 3930 х 1860 х 1525 | 3640 х 2021 х 1675 | 3600 х 1910 х 1565 |
| Маса верстата, кг | 9600 | 9050 | 10300 | 9100 |