Виробник універсального круглошліфувального верстата 3Б153 - Вільнюський завод шліфувальних верстатів .
Універсальний круглошліфувальний верстат напівавтомат 3Б153 призначений для шліфування зовнішніх циліндричних та конічних поверхонь в умовах індивідуального та дрібносерійного виробництва.
Шліфування проводиться у нерухомих центрах.
Круглошліфувальний верстат 3Б153 має поворотний верхній стіл та поворотну шліфувальну бабку. Це дає можливість шліфувати не тільки циліндричні, а й пологі конічні поверхні. Індикаторний пристрій, полегшує точний відлік кута повороту столу при шліфуванні конусів.
Керування верстатом 3Б153 - однорукояткове. За допомогою рукоятки керування включаються швидке підведення-відведення шліфувальної бабки, врізна подача, включення та вимкнення обертання виробу та подачі СОЖ, включення ходу столу та розвантаження насоса (у перервах між обробкою деталей).
На верстаті 3Б153 можна виконувати такі види обробки:
Верстат 3Б153 укомплектований магнітним сепаратором для очищення рідини, що охолоджує.
Шорсткість оброблених деталей при поздовжньому шліфуванні не нижче V9, при врізному V7-V/8.
Постійність діаметра будь-якому перерізі обробленої деталі трохи більше 0,008 мм.
Нециліндричність у будь-якому поперечному перерізі не більше 0,0032 мм.
Клас точності напівавтомат П.
Напівавтомат 3Б153 має такі гідрофіковані рухи:
Відведення пінолі задньої бабки з педальним керуванням.
3Б153у - спрощений варіант верстата, що відрізняється відсутністю механізованої врізної подачі та напівавтоматичного врізного циклу роботи.
3Б153т - торцекруглошліфувальний верстат застосовується в серійному та великосерійному виробництві.
Верстат розроблено 1973 року.
Розробник: Ленінградське СКБ прецизійного верстатобудування, СКБ ПС, м. Ленінград.
Виробник: Вільнюський завод шліфувальних верстатів, м. Вільнюс.
Основні параметри та розміри за ГОСТ 11654.

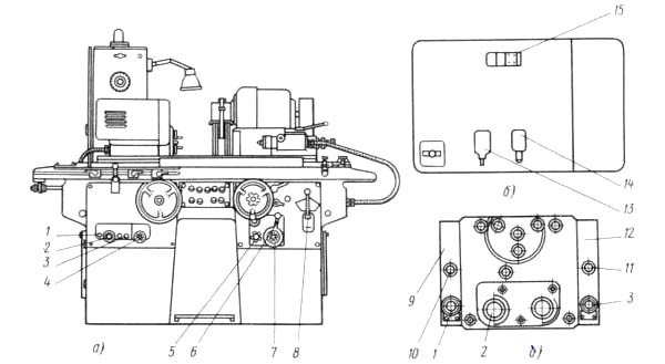
Габарит робочого простору шліфувального верстата 3Б153

Приєднувальні та посадкові бази шліфувального верстата 3Б153

Фото шліфувального верстата 3Б153
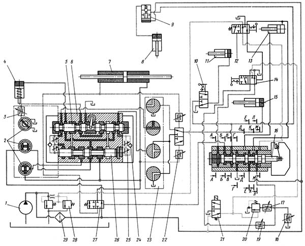
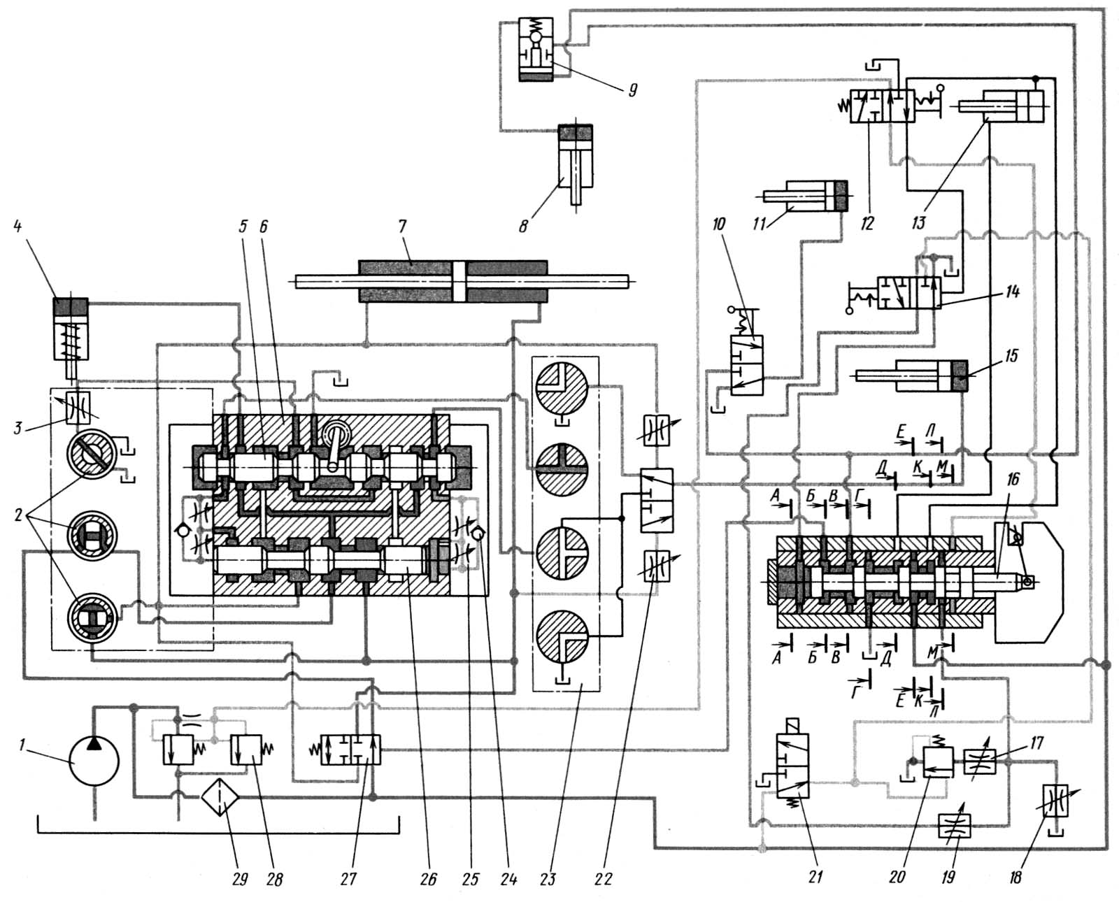
Схема гідравлічна круглошліфувального верстата 3Б153. Дивитись у збільшеному масштабі

Фото шліфувального верстата 3Б153

Фото шліфувального верстата 3Б153

Гідроконструктивна схема круглошліфувального верстата 3Б153. Мал. 35.
Схема гідравлічна круглошліфувального верстата 3Б153. Дивитись у збільшеному масштабі
Подвод осуществляется з помощью груза, а отвод — з помощью гідроцилиндра 8. Керування отводом і подводом шлифовальной бабки осуществляется от рукоятки распределителя 16.
При включении насоса 1 масло поступает под торец гідрозамка 9 і открывает его. Через фильтр 29, распределитель 16, установленный в положение I, гідрозамок 9 масло поступает в гідроцилиндр 8 і отводит шлифовальную бабку, преодолевая сопротивление груза. Когда давление в гідросистеме падает, гідрозамок 9 перекрывает выход маслу из цилиндра 8 і поршень цилиндра 8 держит бабку в отведенном положении.
Для швидкого подвода шлифовальной бабки необходимо рукоятку распределителя 16 установить в положение II. При етом масло из цилиндра 8под действием груза вытесняется в бак, і шлифовальная бабка подводится в рабочее положение.
Чтобы включить рух стола, надо открыть крановый распределитель 2 гідропанелі 6, а рукоятку распределителя 16 повернуть направо. При етом масло попадает под правый торец золотника распределителя27 і далее через крановый распределитель 2 в гідропанель 6. Затем масло поступает в правую полость гідроцилиндра 7 переміщення стола і перемещает стол влево. Из левой полости гідроцилиндра через распределители 26, 5, дроссель 3, крановый распределитель 2 масло сливается в бак.
В кінці ходу стола упор поворачивает рычаг і золотник распределителя керування 5 перемещается вправо. При етом масло через золотник распределителя 5 і обратный клапан 24 попадает под левый торец золотника распределителя 26 і перемещает его вправо. Левая полость гідроцилиндра 7соединяется з давлением, а правая полость через распределители 26, 5, дроссель 3, крановый распределитель 2 - со сливом. Направление руху стола меняется. Далее процесс происходит аналогично описанному выше.
При включении ходу стола рукояткой распределителя 16 обе полости гідроцилиндра 7 соединяются через распределитель 27, что облегчает перерух стола при помощи механізма ручного переміщення.
Установка нужной автоматичною периодической подачі шлифовальной бабки производится крановым распределителем 23, который може быть установлен в одно из следующих положений: «Подача на каждый ход», «Подача задньої бабки», «Подача бабки вироби», «Нет подачі». На рис. 35 крановый распределитель показан в положении «Подача задньої бабки».
В момент реверса стола при перемещении золотника распределителя 5поочередно соединяются з давлением средние сечения кранового распределителя 23 і масло через распределитель 22 попадает в цилиндр 15периодической подачі шлифовальной бабки, перемещая поршень влево (по схеме) і тем самым поворачивая храповое колесо.
После переміщення золотника распределителя 26 вместе з поршнем цилиндра 7 золотник распределителя 22 занимает другую позицию і поршневая полость цилиндра 15 соединяется со сливом. Механізм подачі получает импульсы в момент реверса. В зависимости от положения кранового распределителя 23можно получить одну из четырех вышеуказанных подач.
Увімкнення врезной подачі осуществляется установкой рукоятки распределителя 16 в положение III. В штоковую полость цилиндра 13 поступает масло. Масло из поршневой полости цилиндра 13 через распределитель 16, дроссель 17 і напорный золотник 20сливается в бак. Поршень цилиндра 13 перемещается вправо (по схеме). Рейка, нарезанная на штоке поршня, сцепляется з шестерней і поворачивает винт подачі. Шлифовальная бабка ускоренной подачей подводится к изделию. При врезании шлифовального круга в изделие увеличивается нагрузка електродвигуна шлифовальной бабки, срабатывает реле максимального тока, включающее електромагнит распределителя 21. Золотник распределителя 21перекрывает проход маслу к напорному золотнику 20, который закрывается. Слив масла через дроссель 17 прекращается. Масло из цилиндра 13 механізма врізання начинает сливаться через дроссель 19 черновой подачі і распределитель 14. Когда остается определенный припуск для чистового шлифования, кулачком перемещается золотник распределителя 14 чистовой подачі, который перекрывает поступление в дроссель 19 черновой подачі. Масло из цилиндра 13 начинает сливаться только через дроссель 18 чистовой подачі. Скорость подачі уменьшается.
При достижении заданного размера вироби от прибора активного контроля подается команда, і електромагнит распределителя 21 выключается. Масло через распределители 21 і 14 под давлением поступает под торец золотника распределителя 16 і отводит рукоятку керування в исходное положение. Шлифовальная бабка быстро отводится назад. Цилиндр 13 механізма врізання резервируется, его шток передвигает золотник распределителя 12, і масло через золотник распределителя 12 попадает под торец золотника распределителя 14 і перемещает его в исходное положение. Полость под торцом золотника распределителя 16 соединяется со сливом. Все механізмы снова подготовлены для повторения цикла. Цилиндр 11 пиноли задньої бабки і распределитель 10обеспечивают зажим детали.

Розташування гідроапаратури на станке 3Б153. Рис. 36.
Перед отысканием неисправностей надо проверить і отрегулировать давление в гідросистеме; давление устанавливается равным 0,8 — 1,3 МПа предохранительным клапаном 13.
| Наименование параметра | 3Б12 | 3Б153 | 3М153 | 3А153У |
|---|---|---|---|---|
| Основні параметри | ||||
| Класс точності по ГОСТ 8-82 | П | П | П | |
| Наибольший диаметр устанавливаемого вироби, мм | 200 | 140 | 140 | 140 |
| Наибольшая длина обрабатываемого вироби (РМЦ), мм | 500 | 500 | 500 | 500 |
| Диаметр шлифования, мм | 8..200 | 8..120 | 8..60 | |
| Наибольшая длина шлифования, мм | 450 | 450 | 450 | 500 |
| Рекомендуемый диаметр шлифования, мм | 20..60 | 20..60 | 50 | |
| Наибольшая рекомендуемая масса вироби, кг | 20 | |||
| Диаметр шлифуемого отверстия, мм | 25..50 | - | - | |
| Расстояние от оси шпинделя передньої бабки до зеркала стола - высота центров, мм | 120 | 80 | 90 | 80 |
| Расстояние от подошвы верстата до оси вироби, мм | 1060 | 1060 | ||
| Стол верстата | ||||
| Наибольшее продольное перемещение стола механическое / ручное, мм | 500 / 550 | 550 / 550 | 500 / 500 | 550 / 550 |
| Наименьший ход стола между упорами, мм | 4 | 4 | ||
| Ручное замедленное/ ускоренное переміщення стола за один оборот маховика, мм | 1,59 / 31,9 | 1,6 / 32 | 1,2 / 14,27 | 4 / 20 |
| Скорость переміщення стола от гідросистемы, м/мин | 0,1..5 | 0,1..5 | 0,03..5 | 0,1..6 |
| Наибольший угол поворота верхнего стола по часовий стрелке, град | 6° | 6° | 8,5° | 6° |
| Наибольший угол поворота верхнего стола против часовий стрелки, град | 7° | 7° | 8,5° | 7° |
| Шлифовальная бабка | ||||
| Наибольшее перемещение шлифовальной бабки от маховика, мм | 110 | 110 | 100 | 170 |
| Перемещение шлифовальной бабки относительно верхних салазок, мм | 180 | - | ||
| Перемещение шлифовальной бабки во время швидкого подвода, мм | 40 | 40 | 55 | |
| Поворот шлифовальной бабки, град | 90° | - | - | |
| Шлифовальный круг по ГОСТ 2424-67 | 200..300 х 40 х 127 | 400 х 50 х 203 | 350..500 х 63 х 203 | 300..400 х 50 х 203 |
| Диаметр кінця шлифовального шпинделя по ГОСТ 2323-67 (конусность 1:5), мм | Ø 50 | Ø 50 | Ø 80 | |
| Частота обертання шпинделя наружного шлифования, об/мин | 2250 | 1670 | 1920 | 1800, 2190, 2600, 3000 |
| Скорость шлифовального круга - изношенного / неизношенного, м/с | 35 / 50 | |||
| Толчковая подача на диаметр - периодическая подача з реверсированием стола, мм | 0,002..0,024 12 подач |
0,005..0,05 | 0,002..0,038 | |
| Скорость врезной подачі, мм/мин | 0,05..1,5 | |||
| Цена деления лимба поперечної подачі, мм | 0,005 | |||
| Величина переміщення шлифовальной бабки за один оборот маховика, мм | 0,5 | 0,5 | 0,25 | |
| Величина переміщення шлифовальной бабки на одно деление лимба, мм | 0,002 | |||
| Величина ручной толчковой подачі шлифовальной бабки, мм | 0,001 | |||
| Величина ходу автоматичною импульсной подачі шлифовальной бабки, мм | 0,002..0,060 через 0,002 мм |
|||
| Скорость швидкого установочного переміщення шлифовальной бабки, м/мин | 1,2 | |||
| Время швидкого установочного переміщення (подвода і відведення) шлифовальной бабки, с | 3 | 3 | ||
| Приспособление для внутреннего шлифования | ||||
| Наибольший диаметр заготовки, устанавливаемой в патроне, мм | - | - | - | |
| Наибольшая длина шлифуемого отверстия, мм | - | - | - | |
| Диаметр внутришлифовальной головки, мм | 17 х 20 х 6 30 х 25 х 10 40 х 32 х 16 |
- | - | - |
| Число оборотів внутришлифовального шпинделя | 16750 | - | - | - |
| Передня бабка (бабка вироби) | ||||
| Частота обертання вироби (бесступенчатое регулювання), об/мин | 78..780 | 80..800 | 55..900 | 100..1000 |
| Угол поворота в сторону шлифовального круга, град | 90° | - | - | |
| Угол поворота в сторону от шлифовального круга, град | 30° | - | - | |
| Конус шпинделя передньої бабки по ГОСТ 2847-67 | Морзе 3 | Морзе 3 | Морзе 3 | Морзе 3 |
| Задня бабка | ||||
| Величина відведення пиноли задньої бабки от руки, мм | 25 | 25 | 30 | 30 |
| Конус шпинделя пиноли задньої бабки по ГОСТ 2847-67 | Морзе 3 | Морзе 3 | Морзе 3 | Морзе 3 |
| Привід і електрообладнання верстата | ||||
| Количество електродвигателей на станке | 7 | 6 | 6 | |
| Електродвигун шпинделя шлифовальной бабки, кВт (об/мин) | 3,0 (2М) | 5,5 | 7,5 | 2,8 (2880) |
| Електродвигун внутришлифовального шпинделя, кВт | 1,1 (7М) | - | - | - |
| Електродвигун приводу вироби, кВт | 1,0 (1М) | 0,7 | 0,7 | 0,7 (3000) |
| Електродвигун насоса гідросистемы, кВт (об/мин) | 1,0 (3М) | 1,1 | 3,0 | 1,7 (930) |
| Електродвигун насоса системы змазки шпинделя, кВт | 0,27 (4М) | 0,27 | 0,25 | |
| Електродвигун насоса системы охлаждения, кВт | 0,15 | 0,15 | 0,15 | |
| Електродвигун магнитного сепаратора, кВт | 0,15 | 0,12 | 0,12 | |
| Общая мощность всех електродвигателей, кВт | 7,84 | |||
| Габаритные розміри і масса верстата | ||||
| Габаритные розміри верстата (длина х ширина х высота), мм | 2600 х 1750 х 1750 | 2650 х 1600 х 1650 | 2260 х 1920 х 1780 | 2060 х 1515 х 1400 |
| Масса верстата з електрообладнанням і охолодженням, кг | 3000 | 3000 | 4100 | 2800 |