metalinstryment.com
Довідник по металорізальних верстатів та пресовому обладнанні

6С12 Верстат консольно-фрезерный вертикальний з поворотной головкой
схеми, опис, характеристики

6С12 Загальний вигляд  консольного фрезерного верстата







Відомості про виробника консольно-фрезерного верстата 6С12

Вертикальный консольно-фрезерный верстат 6С12 производил Луганский станкостроительный завод.

Луганский станкостроительный завод одним из первых в бывшем Советском Союзе освоил крупносерийное производство фрезерных верстатів з цикловой і числовой системами программного керування. Заводом были разработаны і запущены в производство особо сложные высокопроизводительные верстати з автоматичною сменой инструмента і числовым программным керуванням моделей СВМ1Ф4 і СФ68Ф3П. На заводе освоен выпуск малогабаритных токарных МС-03 і МС-04, фрезерных МС-51, МС-54, СВФ1 і сверлильных верстатів СВС1-010.





Верстати, выпускаемые Луганским станкостроительным заводом


6С12 Верстат консольно-фрезерный вертикальний. Назначение, область применения

Фрезерный верстат 6С12 предназначен для фрезерування всевозможных деталей из стали, чугуна і цветных металлов торцевыми, цилиндрическими, кінцівыми, радиусными фрезами в условиях индивидуального і серийного производства. В серийном производстве, благодаря наличию напівавтоматических і автоматических циклов, верстати могут успешно использоваться на работах операционного характера в поточных і автоматических лініях.

Вертикальные консольно-фрезерные верстати моделей 6С12 представляют собой електрифицированные верстати, обладающие високою точностью і жесткостью.

На верстатах можно обрабатывать вертикальные і горизонтальные плоскости, пазы, углы, нарезать зубчасті колеса і прочее.

Фрезерование зубчатых колес, разверток, спиралей, контура кулачков і прочих деталей, требующих периодического или непрерывного поворота вокруг своей оси, производятся на данных верстатах о применением делительной головки или накладного круглого стола.

Благодаря наличию механізма выборки люфта в винтовой паре поздовжньої подачі стола, на станке можно производить встречное і попутное фрезерование, как в простых режимах, так і в режимах з автоматическими циклами.

Наиболее еффективное использование верстата достигается при обработке деталей методом скоростного фрезерування.

Применение верстата в автоматическом цикле при обработке различных ступенчатых деталей, фрезеровании внутренних і наружных рамок і т. д. в условиях мелко і крупносерийного производства, позволяет решать задачи роста его еффективности.

Работа верстата СФ15 (6С12) обеспечивает высокую точность фрезерування. Это достигается введением в привід подач вузла замедления, сводящего до минимума инерционные перебеги стола і обеспечивающего высокую стабильность размеров при повторении циклов. На станке предусмотрен автоматический отвод детали от инструмента при ускоренных переміщеннях стола і возврат її в исходное положение при переходе на рабочую подачу, что предохраняет обработанную поверхность от повреждений инструментом і сокращает машинное время.

Гідравлический механізм выбора люфта в паре винт-гайка способствует сохранению постоянного натяжения независимо от степени износа гайки. Благодаря етому можно широко применять на станке прогрессивный метод попутного фрезерування. Наличие на станке поворотной шпиндельной головки і возможность переміщення шпинделя в осевом направлении позволяют производить фрезерование под различными углами.

Кнопками одновременно можно осуществлять рух стола в 2-х—3-х направлениях, а также толчковый режим (рух стола только при нажатой кнопке).

В зависимости от потребностей возможны наступні варіанти керування:

На станке 6С12 могут быть установлены поворотный стол, делительная головка і ряд других пристосувань, расширяющих технологические возможности верстатів.

Класс точності верстатів Н.


Верстати консольно-фрезерные. Загальні відомості

Консольно-фрезерные верстати горизонтальные і вертикальные - ето наиболее распространенный тип верстатів, применяемых для фрезерных работ. Название консольно-фрезерные верстати получили от консольного кронштейна (консоли), который перемещается по вертикальным направляющим станины верстата і служит опорой для горизонтальных перемещений стола.

Типорозміри консольно-фрезерных верстатів принято характеризовать по величине рабочей (крепежной) поверхности стола. Консольно-фрезерные верстати могут мати горизонтальное, универсальное (широкоуниверсальные) і вертикальное виконання при одной і той же величине рабочей поверхности стола. Сочетание разных исполнений верстата при одинаковой основной размерной характеристике стола называют размерной гаммой верстатів.

В СССР было освоено производство консольно-фрезерных верстатів пяти типорозмірів:
№ 0; № 1; № 2; № 3 і № 4, причем по каждому размеру выпускалась полная гамма верстатів — горизонтальные, универсальные і вертикальные. Каждый верстат одной размерной гаммы имел в шифре одинаковое обозначение, соответствующее размеру рабочей поверхности стола.

В зависимости от размера рабочей поверхности стола различают наступні розміри консольно-фрезерных верстатів:

Размер Гамма верстатів Размер стола, мм
0 6Р10, 6Р80, 6Р80Г, 6Р80Ш 200 х 800
1 6Н11, 6Н81, 6Н81Г; 6Р11, 6Р81, 6Р81Г, 6Р81Ш 250 х 1000
2 6С12, 6М82, 6М82Г; 6Р12, 6Р82, 6Р82Ш; 6Т12, 6Т82, 6Т82Г, 6Т82Ш 320 х 1250
3 6М13П, 6М83, 6М83Г; 6Р13, 6Р83; 6Т13, 6Т83, 6Т83Г 400 х 1600
4 6М14П, 6М84, 6М84Г 500 х 2000

В соответствии з размерами стола меняются габаритные розміри самого верстата і его основних вузлів (станины, стола, салазок, консоли, хобота), мощность електродвигуна і величина наибольшего переміщення (хода) стола в продольном, салазок в поперечном і консоли в вертикальном направлениях.


Российские і зарубежные аналоги верстата 6С12

FSS315, FSS350MR, (FSS450MR) - 315 х 1250 (400 х 1250) - производитель Гомельский станкостроительный завод

ВМ127М - (400 х 1600) - производитель Воткинский машиностроительный завод ГПО, ФГУП

6Д12, 6К12 - 320 х 1250 - производитель Дмитровский завод фрезерных верстатів ДЗФС

X5032, X5040 - 320 х 1320 - производитель Shandong Weida Heavy Industries, Китай

FV321M, (FV401) - 320 х 1350 (400 х 1600) - производитель Arsenal J.S.Co. - Kazanlak, Арсенал АД, Болгария


Загальний вигляд вертикального консольно-фрезерного верстата 6С12

6С12 Загальний вигляд  консольно-фрезерного верстата

Фото консольно-фрезерного верстата 6С12


Розташування органів керування консольно-фрезерным верстатом 6С12

6С12 Розташування складових частин і органів керування консольно-фрезерного верстата

Розташування органів керування фрезерным верстатом 6С12

Розташування органів керування консольно-фрезерным верстатом 6С12. Дивитись у збільшеному масштабі



Список органів керування консольно-фрезерным верстатом 6С12

  1. Рукоятка продольного переміщення стола
  2. Пульт керування «Лівий»
  3. Рукоятка переключения швидкостей
  4. Винт зажиму пиноли
  5. Фиксатор нулевого положения головки
  6. Рукоятка переміщення пиноли
  7. Кран СОЖ
  8. Блок путевых конечных выключателей «Продольно»
  9. Панель електрична
  10. Ограничительные кулачки
  11. Винт поворота головки
  12. Гайка зажиму головки
  13. Упор выруху пиноли
  14. Ограничительные кулачки
  15. Ограничительные кулачки
  16. Ограничительные кулачки
  17. Пульт керування «Правый»
  18. Рукоятка зажиму салазок
  19. Лимб продольного переміщення
  20. Лимб вертикального переміщення
  21. Лимб поперечного переміщення
  22. Рукоятка переключения подач
  23. Кнопка "Ускоренная подача"
  24. Кнопка «Пуск шпинделя»
  25. Кнопка «Загальний стоп»

Список складових частин консольно-фрезерного верстата 6С12




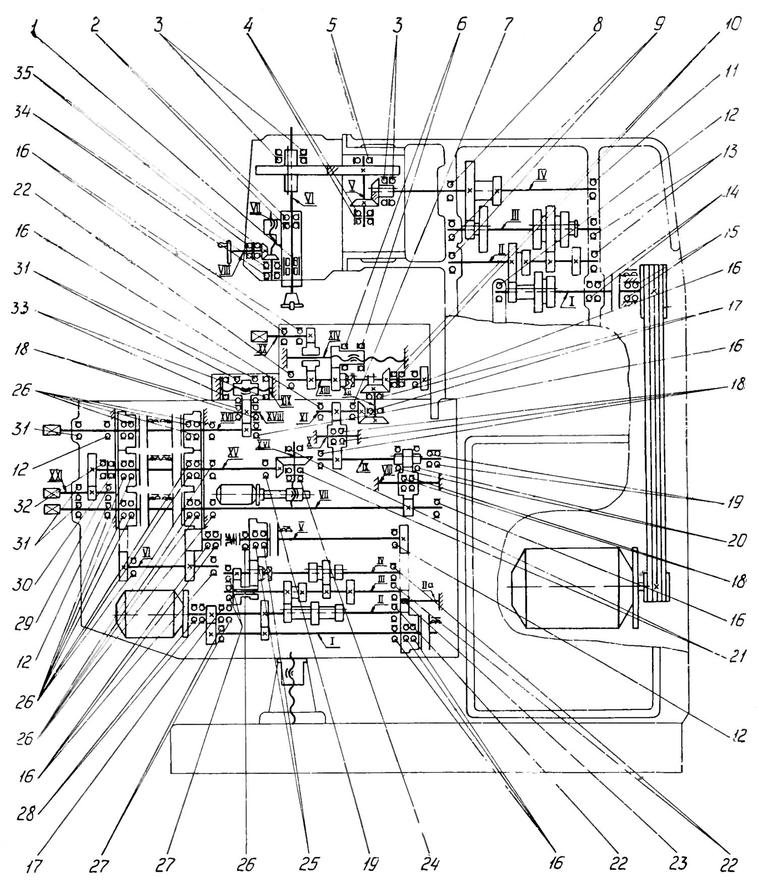
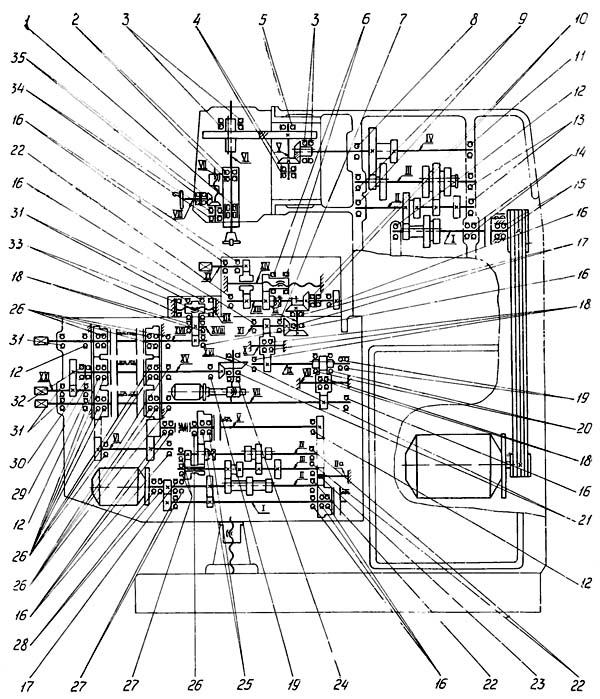
Схема кінематична консольно-фрезерного верстата 6С12

6С12 Схема кінематична консольно-фрезерного верстата

Кінематична схема консольно-фрезерного верстата 6С12

Схема кінематична консольно-фрезерного верстата 6С12. Дивитись у збільшеному масштабі



Шпиндельная головка консольно-фрезерного верстата 6С12

6С12 Шпиндельная головка консольно-фрезерного верстата

Шпиндельная головка консольно-фрезерного верстата 6С12

Шпиндельная головка консольно-фрезерного верстата 6С12. Дивитись у збільшеному масштабі



Список складових частин шпиндельной головки консольно-фрезерного верстата 6С12

  1. підшипники горизонтального вала
  2. винты регулировочные
  3. підшипники промежуточного вала
  4. трубка для змазки
  5. шайба
  6. підшипники
  7. винт
  8. гайка
  9. кронштейн
  10. шестерни конические
  11. гайка
  12. винт
  13. гайка подвижная
  14. шестерня
  15. підшипники
  16. пиноль
  17. роликоподшипник радиальный А—3182118
  18. шпиндель
  19. полукольца
  20. шарикоподшипник радиально-упорный СА—36214
  21. кольцо
  22. вал промежуточный
  23. стаканы
  24. болт
  25. стаканы
  26. винт

Опис шпиндельной головки верстата

Поворотная шпиндельна головка представляет собой фасонную чугунную отливку, в расточках которой смонтированы:

Передней опорой шпинделя служит двухрядный радиальный роликоподшипник А3182118. Задней опорой является два радиально-упорных шарикопідшипника СА 36214. Натяжение підшипника задньої опори шпинделя осуществляется подшлифовкой колец 22, а підшипника А3182118 — полуколец 20.

Шпиндель — разгруженный. Осевые і радиальные нагрузки, возникающие на шестерне 14, воспринимаются непосредственно корпусом через підшипники.

Механізм переміщення пиноли состоит из кронштейна з гайкой 8, жестко закрепленных на пиноли і гвинта 7, получающего вращение через коническую пару 10, при повороте маховика. При перемещении пиноли необходимо отпустить зажимной винт, расположенный на передньої стороне шпиндельной головки.

Поворот шпиндельной головки осуществляется при помощи червячной передачи, вмонтированной во фланцевую часть станины.

Монтаж і демонтаж шпиндельной головки верстата

Монтаж головки производится при снятом червяке. Вставив головку в станину на 50% її посадки, провернуть шпиндель 19 для совмещения шлицев, затем полостью головку установить і закрепить.

Ввернуть червяк з втулкой і застопорить его винтом і коническим штифтом.

Регулювання зацепления конических шестерен

Регулировку зацепления конических шестерен вести переміщенням стаканов 24 і 26. Для етого необходимо отпустить 3 гвинта 27 і 3 болта 25. При перемещении винтов 27 производить регулировку.

Боковий зазор между зубьями конической передачи должен быть в пределах 0,17 — 0,24 мм. Длина пятна контакта не менее 50% длины зуба, ширина — не менее 50% рабочей высоты зуба.

Регулювання підшибників

Регулювання всех радиально-упорных підшибників производится за счет подшлифовок колец. Підшипники 21 верхней опори шпинделя устанавливаются з предварительным натягом.

Предварительный натяг нижнего підшипника 18 должен обеспечиваться посадкой підшипника на коническую шейку шпинделя за счет подшлифовки полуколец 20.

Осевой люфт підшибників промежуточного вала 23 должен быть в пределах 0,02—0,03 мм.

Регулювання люфта в паре винт-гайка

Для выбора люфта в паре винт-гайка отпустить гайку 11 і винт 12, затем поворотом подвижной гайки 13 устранить люфт і законтрагаить ее.





Технічні характеристики консольного фрезерного верстата 6С12

Наименование параметра 6С12 6Р12 6Т12
Основні параметри верстата
Розміри поверхности стола, мм 1250 х 320 1250 х 320 1250 х 320
Наибольшая масса обрабатываемой детали, кг 250 400
Расстояние от торца шпинделя до стола, мм 460 30..450 30..450
Расстояние от оси шпинделя до вертикальних направляючих станины (вылет), мм 400 350 380
Рабочий стол
Наибольший продольный ход стола (X), мм 950 800 800
Наибольший поперечний ход стола (Y), мм 300 250 320
Наибольший вертикальний ход стола (Z), мм 410 420 420
Перемещение стола на одно деление лимба продольное (X), поперечное (Y), мм 0,05 0,05 0,05
Перемещение стола на одно деление лимба вертикальное (Z), мм 0,01 0,01 0,01
Пределы продольных і поперечных подач стола (X, Y), мм/мин 20..2500 12,5..1600 12,5..1600
Пределы вертикальних подач стола (Z), мм/мин 8..400 4,1..530 4,1..530
Количество подач продольных/ поперечных/ вертикальних 18 22 22
Скорость быстрых перемещений продольных (X), поперечных (Y), м/мин 2,5 4 4
Скорость быстрых перемещений вертикальних (Z), м/мин 1 1,330 1,330
Усилие, допускаемое механізмом подач для поздовжньої подачі (X), кг 1400
Усилие, допускаемое механізмом подач для поперечної подачі (Y), кг 410
Усилие, допускаемое механізмом подач для вертикальной подачі (Z), кг 740
Шпиндель
Частота обертання шпинделя, об/мин 31,5..1600 40..2000 31,5..1600
Количество швидкостей шпинделя 18 18 18
Перемещение пиноли шпинделя, мм 80 70 70
Конус фрезерного шпинделя 50 ГОСТ 15945-70 № 3 ГОСТ 836-62
Кінець шпинделя 50
Поворот шпиндельной головки вправо і влево, град ±45 ±45 ±45
Механіка верстата
Выключающие упоры подачі (поздовжньої, поперечної, вертикальной) Есть Есть Есть
Блокировка ручной і механической подач (поздовжньої, поперечної, вертикальной) Есть Есть Есть
Блокировка раздельного увімкнення подач Есть Есть Есть
Торможение шпинделя Есть Есть Есть
Предохранительная муфта от перегрузок Есть Есть Есть
Автоматическая прерывистая подача Есть Есть Есть
Електроустаткування, привод
Количество електродвигателей на станке 4 3 4
Електродвигун приводу головного руху, кВт 5,5 7,5 7,5
Електродвигун приводу подач, кВт 1,5 2,2 3
Електродвигун насоса механізма выбора люфта, кВт 0,08 - -
Електродвигун зажиму инструмента, кВт - - 0,25
Електродвигун насоса охлаждающей жидкости, кВт 0,125 0,12 0,12
Суммарная мощность всех електродвигателей, кВт 9,825 10,87
Габарит і масса верстата
Габарити верстата (длина ширина высота), мм 2000 х 2230 х 2030 2305 х 1950 х 2020 2280 х 1965 х 2265
Масса верстата, кг 3000 3120 3250

    Список литературы:

  1. Верстати вертикально-фрезерные моделей 6С12 і СФ-15. Руководство по експлуатации. Луганский станкостроительный завод им. Ленина, 1970

  2. Аврутин С.В. Основы фрезерного дела, 1962
  3. Аврутин С.В. Фрезерне дело, 1963
  4. Ачеркан Н.С. Металлорежущие верстати, Том 1, 1965
  5. Барбашов Ф.А. Фрезерне дело 1973, с.141
  6. Барбашов Ф.А. Фрезерные роботи (Профтехобразование), 1986
  7. Блюмберг В.А. Справочник фрезеровщика, 1984
  8. Григорьев С.П. Практика координатно-расточных і фрезерных работ, 1980
  9. Копылов Р.Б. Работа на фрезерных верстатах,1971
  10. Косовский В.Л. Справочник молодого фрезеровщика, 1992, с.180
  11. Кувшинский В.В. Фрезерование,1977
  12. Ничков А.Г. Фрезерные верстати (Библиотека станочника), 1977
  13. Пикус М.Ю. Справочник слесаря по ремонту металлорежущих верстатів, 1987
  14. Плотицын В.Г. Расчёты настроек і наладок фрезерных верстатів, 1969
  15. Плотицын В.Г. Наладка фрезерных верстатів,1975
  16. Рябов С.А. Современные фрезерные верстати і их оснастка, 2006
  17. Схиртладзе А.Г., Новиков В.Ю. Технологическое обладнання машиностроительных производств, 1980
  18. Тепинкичиев В.К. Металлорежущие верстати, 1973
  19. Чернов Н.Н. Металлорежущие верстати, 1988
  20. Френкель С.Ш. Справочник молодого фрезеровщика (3-е изд.) (Профтехобразование), 1978









Заказать

Кто владеет информацией - тот владеет миром.

Натан Ротшильд