metalinstryment.com
Довідник по металорізальних верстатів та пресовому обладнанні

8В66А Верстат отрезной круглопильный - Пила Геллера
опис, характеристики, схеми

Фото отрезного верстата 8В66А







Відомості про виробника отрезного круглопильного верстата 8В66А

Разработчиком і изготовителем отрезного круглопильного верстата 8В66А является Станкостроительный завод имени С.М.Кирова, основанный в 1881 году.





Верстати, выпускаемые Минским станкостроительным заводом имени С.М.Кирова


8В66А Верстат отрезной круглопильный - пила Геллера. Назначение і область применения

Верстат отрезной 8В66 запущен в серийное производство в 1966 году і заменил устаревшую модель 8Б66, выпускавшуюся з 1955 года. В 1974 году верстат 8В66 был модернизирован і получил индекс 8В66а. В 1974 году верстат 8В66А был заменен на более совершенную модель 8Г662.

Отрезной круглопильный верстат 8В66 (фрезерно-отрезной верстат - Пила Геллера) предназначен для разрізання на мерные длины проката черных металлов различного профиля (круглого, прямоугольного, двутавра, швеллера і др.) з временным сопротивлением разрыву до 1200 Н/мм², а также некоторых металлов, резание которых обеспечивается технической характеристикой верстата. Режущим инструментом є пильные диски, оснащенные сегментами из быстрорежущей стали.

Разрезка производится под углом 90° к оси разрезаемой заготовки, наибольший диаметр разрезаемой заготовки – Ø 80..240 мм, длина отрезаемых заготовок по упору 480 мм. Разрезка небольших сечений проката различного профиля може производиться пакетами.

Верстат 8В66 може експлуатироваться в заготовительных цехах машиностроительных і ремонтных предприятий.

Основні вузли верстата і их назначение. Принцип роботи верстата 8В66

Верстат состоит из следующих вузлів:

Последовательность операции, производимых рабочим, і робота механізмов верстата 8В66 осуществляется в следующем порядке:

В исходном положении верстата 8В66 бабка пильного диска находится в отведенном положении, механізм зажиму разжат, разрезаемый материал приподнят роликом механізма подъема над призмой.

Подача режущего инструмента — гідравлическая, бесступенчатая, зажим і разжим разрезаемого материала — гідравлический.

Бабка пильного диска обеспечивает резание на шести скоростях. Привід бабки пильного диска осуществляется от индивидуального електродвигуна.

  1. Поворотом маховичка механізма проруху заготовки производится подача материала до упора;
  2. Отводится вручную упор материала;
  3. Нажатием кнопки «Пуск» производится зажим заготовки і увімкнення бабки пильного диска.
  4. По окончании разрезки заготовки бабка пильного диска автоматически отводится в исходное положение, і заготовка разжимается, подъемный ролик поднимает разрезаемый материал над призмой.
  5. После удаления отрезанной заготовки з вспомогательной призмы подводится упор материала, і далее операции повторяются.

В конструкції бабки пильного диска предусмотрено предохранительное звено.

Автомат должен експлуатироваться в производственных помещениях з исскуственным климатом, что соответствует категории розміщення по ГОСТ 15150-69 (СТ СЭВ 458-77; СТ СЭВ 460-77).

Для разрезки профильных материалов (квадрат, швеллер, двутавр, уголок), а также для патентной разрезки прутков малого диаметра (от 20 мм) необходимо производить переналадку. Комплекты переналаживаемых сборочных единиц поставляются по требованию заказчика за отдельную плату.

Класс точності автомата Н по ГОСТ—82Е.

Разработчик — Минское специальное конструкторское бюро протяжных верстатів.





8В66А Габарит робочого простору отрезного верстата

Габарит робочого простору отрезного верстата 8В66А

Габаритные розміри робочого простору верстата 8В66А

Габарит робочого простору отрезного верстата 8В66А. Дивитись у збільшеному масштабі



8В66А Фото отрезного верстата

Фото отрезного верстата 8В66А

Фото отрезного верстата 8В66А


Фото отрезного верстата 8В66А

Фото отрезного верстата 8В66А


8В66А Розташування органів керування отрезным верстатом

Розташування органів керування отрезным верстатом 8В66А

Розташування органів керування отрезным верстатом 8В66А

Розташування органів керування отрезным верстатом 8В66А. Дивитись у збільшеному масштабі



Органы керування верстатом





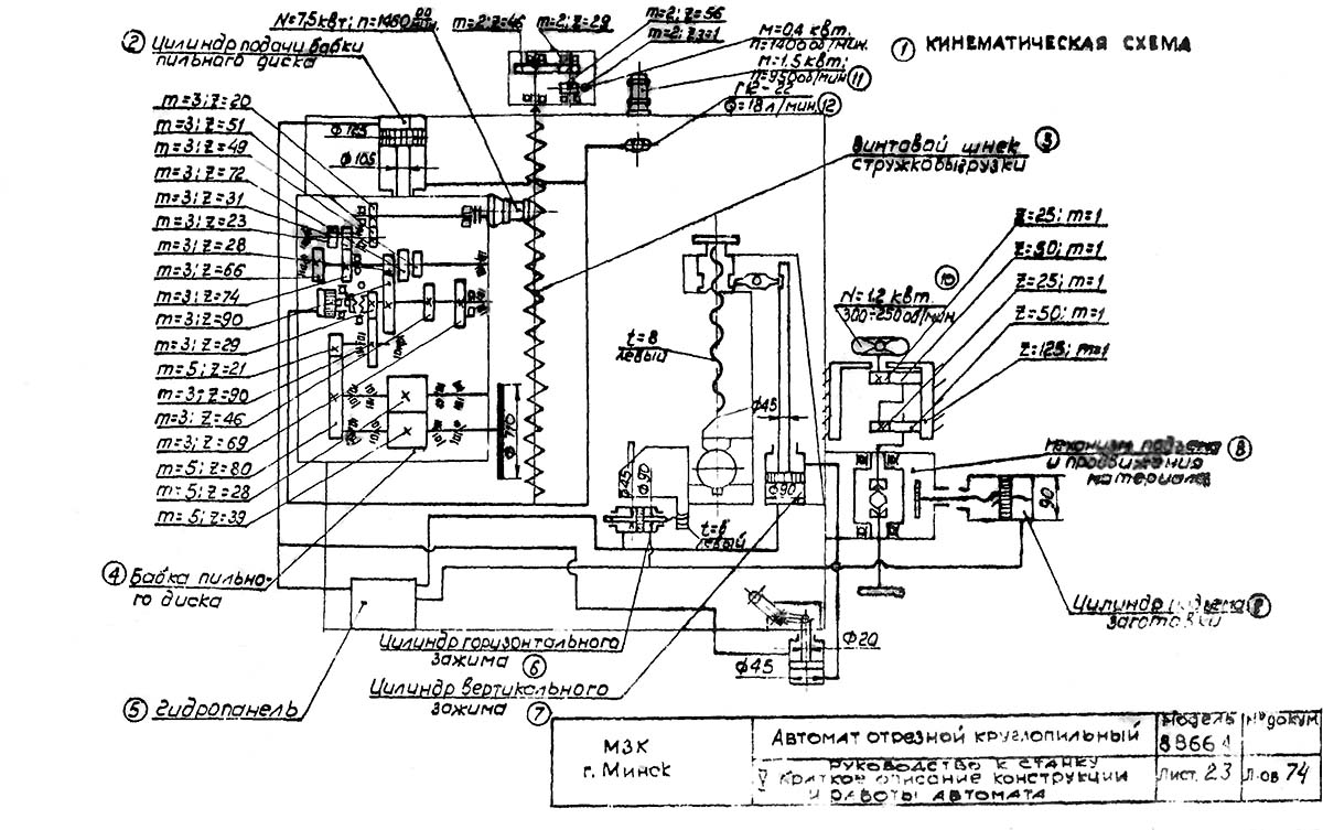
8В66А Кінематична схема отрезного верстата

Кінематична схема отрезного верстата 8В66А

Кінематична схема отрезного верстата 8В66А

Кінематична схема отрезного верстата 8В66А. Дивитись у збільшеному масштабі



Для осуществления головного і вспомогательных движений во фрезерно-отрезном станке используется следующая кинематика (рис. 2).

Привід сегментной пилы

Шпиндель пильной бабки имеет шесть швидкостей, которые можно получить различными комбинациями положений двух блоков шестерен. Рух от фланцевого електродвигуна мощностью" 7,5 кВт через муфту M1 передається на вал I. От вала I через зубчатую передачу 1 і 2 рух получает вал II, на котором свободно посажен двухступенчатый блок-шестерня 3, 4. В зависимости от положения блока передача обертання на вал III може осуществляться через шестерни 3, 6 или 4, 5. Таким образом, вал III получает две скорости обертання. Вал IV получает вращение от вала III посредством зацепления трехступінчастого блока 7, 8, 9 поочередно з шестернями 10, 15 і 16. Следовательно, вал IV имеет шесть швидкостей обертання. Далее рух передається на вал V через шестерни 12 і 13, з вала V на вал VI, косозубую пару 11, 14 і пару шестерен 17, 18 на шпиндель VII, на кінці которого установлена сегментная пила. Для предохранения от перегрузок на валу IV установлена предохранительная кулачковая муфта М2.

Привід вспомогательных движений

Привід механізма зажима, механізма подъема і проруху материала ocyщecтвляeтcя при помощи гідравлики (см. раздел «Опис гідравлической схеми»).

Рух на винтовой шнек стружковыгрузки передається от електродвигуна мощностью 0,4 кВт через червячную пару 19, 20 і зубчатую пару 21, 22.

Опис конструкції основних вузлів отрезного верстата 8В66А

Станина

Станина чугунная коробчатой формы имеет сплошное дно і внутренние перегородки, которые образуют резервуары для масла гідроприводу і охлаждающей жидкости. У основания станины расположены отверстия для спуска масла і охлаждающей жидкости. Для закрепления верстата на фундаменте в станине имеются ниши, в которых размещаются фундаментные болты. В боковых стенках станины предусмотрены литые отверстия, предназначенные для транспортировки верстата. В боковой і торцевой нишах размещаются електрошкаф і пульт керування.

Пильная бабка

Бабка пильного диска отрезного верстата 8В66А

Бабка пильного диска отрезного верстата 8В66А

Бабка пильного диска отрезного верстата 8В66А. Дивитись у збільшеному масштабі



Пильная бабка представляет собой семиваловой зубчатый редуктор. Последний вал редуктора служит шпинделем, несущим на себе сегментную пилу. Все валы монтируются на підшипниках качения.

Шпиндель имеет шесть швидкостей обертання, изменение которых производится з помощью рукояток, расположенных на передньої частини корпуса бабки пильного диска.

Смазка направляючих

Смазка направляючих осуществляется принудительно от смазочной коробки, установленной на задньої стенке корпуса пильной бабки. Смазочная коробка подает масло на направляющие дозами, а количество подаваемого масла зависит от ходу плунжера.

Перемещение плунжера осуществляется от специального кулачка.

Перед началом роботи верстата следует вручную нажать несколько раз на плунжер смазочной коробки, чтобы предварительно смазать направляющие.

Для предохранения пильной бабки от поломки при передаче наибольшего крутящего момента предусмотрена гідравлічна муфта, которая дает команду на отвод пильной бабки при возрастании крутящего момента на 20% против допустимого.

Регулювання підшибників осуществляется гайками і прокладками.

Величина зазору между направляющими пильной бабки і станины регулируется посредством клина.

Для очистки зубьев сегментной пилы от стружки на бабке установлен ролик з пальцами, которые входят во впадины сегментной пилы при его вращении і выталкивают стружку.

Механізм зажиму материала

Механізм зажиму материала состоит из колонны, цилиндра зажима, рычага, гвинта з гайкой, подвижной губы і штурвала. Зажим заготовки осуществляется при помощи гідроцилиндра через рычажную систему. Рычаг одним концом соединен со штоком цилиндра, а вторым — з гайкой, которая в свою очередь через винт связана з подвижной губой. Подвижная губа устанавливается на необходимую высоту при помощи штурвала в зависимости от размера разрезаемого материала.

В цилиндре зажиму предусмотрено блокировочное отверстие, благодаря которому исключается подача пильной бабки при неправильной налаштуванні подвижной губы на размер разрезаемого материала.

Механізм подъема і проруху материала

Механізм подъема і проруху материала смонтирован на боковой стенке станины і служит для подъема материала над опорной призмой і проруху его до упора.

Механізм представляет собой чугунный корпус, на котором смонтирован вращающийся ролик. Корпус имеет вертикальное перемещение по призматическим направляющим і устанавливается по высоте в зависимости от размера і профиля разрезаемого материала при помощи винтовой пары і штурвала. Корпус через винтовую пару соединен з гідроцилиндром, нерухомо установленным на станине. Разрезаемый материал укладывается на рифленый ролик, который, вращаясь при помощи штурвала, подает материал до упора в зону різання.




Гідравлический привід верстата

Гідравлический привід верстата обеспечивает быстрый подвод, рабочий і обратный ход бабки пильного диска, зажим і разжим материала, а также подъем материала над опорной призмой.

При полном цикле все руху верстата совершаются післядовательно автоматически вплоть до разжима заготовки після відведення диска.

Гідравлический привід верстата состоит из лопастного насоса типа Г12-22 производительностью 18 л/мин, реверсивного золотника БГ73-44, трех напорных золотників ПГ54-12, четырехходового золотника БГ73-51, дросселя Г77-11, редукционного клапана з регулятором Г57-12, пластинчатого фильтра Г41-42, манометра, цилиндра подачі пильного диска (диаметром 125 мм, диаметр штока 105 мм), цилиндров горизонтального і вертикального зажимов (диаметром 90 мм, диаметр штока 45 мм), цилиндра подъема материала і системы маслопроводов.

Упор материала

Упор материала служит для установки определенной длины отрезаемой заготовки. Упор состоит из фланца, оси, откидного кронштейна і штанги, на которой имеется миллиметровая шкала. На кінці штанги установлен закаленный упор, в который упирается разрезаемый материал. Штанга расположена относительно опорной призмы таким образом, что не требуется переналагодження упора при разрезании различных профилей.

Максимальная длина мерной заготовки, которую можно отрезать по упору, равна 480 мм. При необходимости отрезать заготовку большей длины пользуются мерительной линейкой.

Охлаждение

Подача охлаждающей жидкости на пильный диск при резании осуществляется лопастным насосом ПА-22 через нагнетательный трубопровод, резиновый шланг і перепускной кран к распределителю. Распределитель з двумя трубками закреплен на кожухе сегментной пилы і може устанавливаться в необходимое положение для лучшего попадания жидкости на зубья пилы. Подача жидкости регулируется краном.

Тележка

При разрезании материала большой длины для поддержания свободного кінця его применяется тележка.

Материал укладывается на скобу, которая при помощи маховика може устанавливаться на любую высоту в зависимости от размера материала. Тележка легко перемещается на колесах по рельсам, которые укладываются після установки верстата на фундамент.


8В66А Гідравлічна схема отрезного верстата

Гідравлічна схема отрезного верстата 8В66А

Гідравлічна схема отрезного верстата 8В66А

Гідравлічна схема отрезного верстата 8В66А. Дивитись у збільшеному масштабі




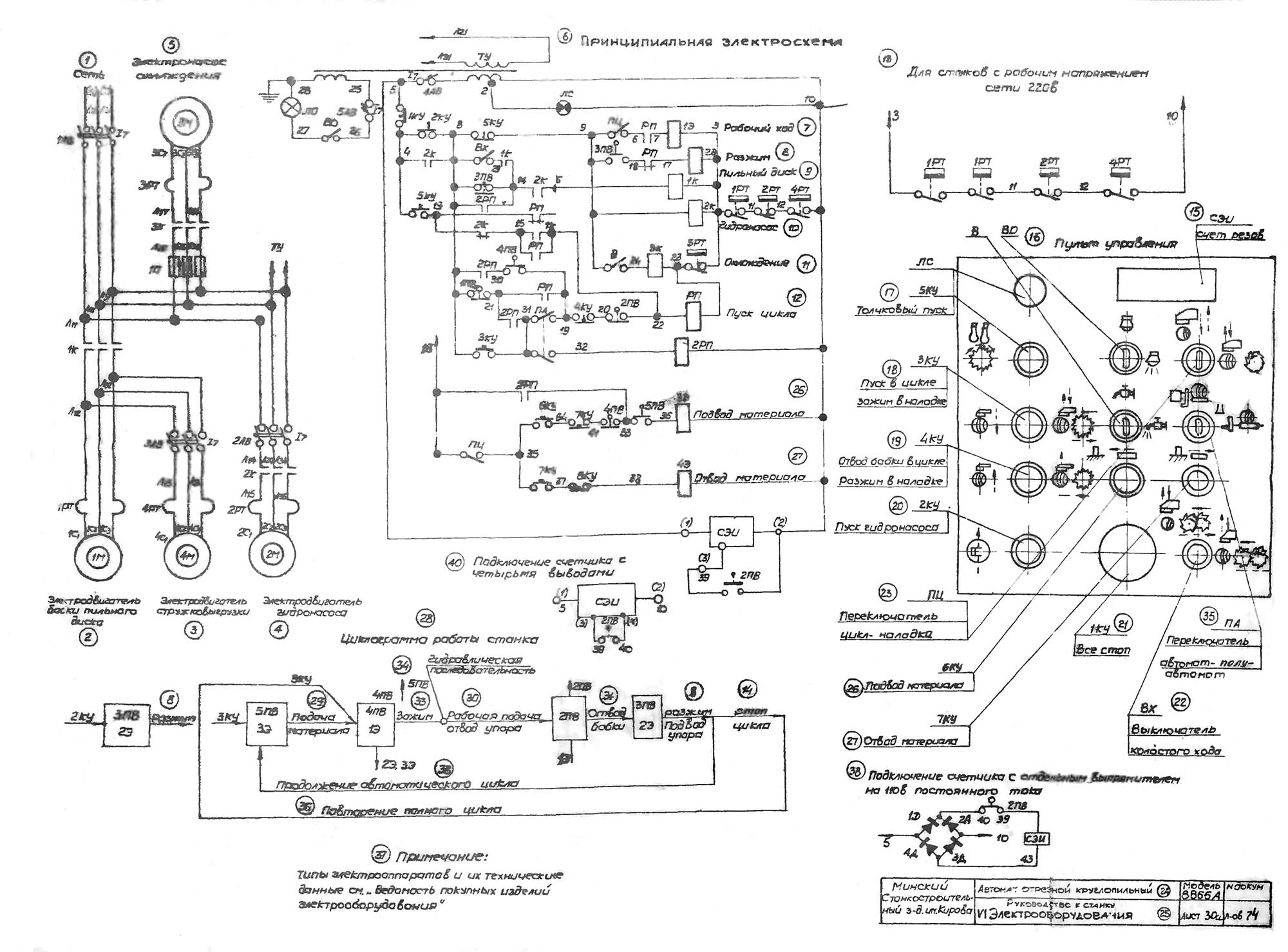
8В66А Електрична схема отрезного верстата

Електрична схема отрезного верстата 8В66А

Електрична схема отрезного верстата 8В66А

Електрична схема отрезного верстата 8В66А. Дивитись у збільшеному масштабі







Эксплуатация верстата 8В66А

Надежная робота фрезерно-отрезного верстата, а также срок его службы во многом зависят от правильной експлуатации, соблюдения правил ухода і обслуживания і своевременного планово-предупредительного ремонта. Перед первоначальным пуском верстата необходимо:ег7гпп лоткпмач

После подготовки верстата производится предварительный пуск з целью проверки работоспособности вузлів і механізмов. Убедившись в том, что пила вращается знизу вверх і смазочная система работает нормально, можно приступить к работе на станке. Запуск верстата і осуществление движений, предусмотренных конструкцией верстата, производится включением і вимкненням соответствующих кнопок і рукояток керування, назначение которых описано в разделе «Керування верстатом, его наладка і регулировка».

В гідроприводе верстата применяется масло Индустриальное 20 (ГОСТ 1707—51), вязкость которого 2,8—3,2 условных градуса Энглера при 50° С.

В случае нарушения нормальной роботи гідроприводу в первую очередь необходимо выяснить, не вызваны ли ети нарушения попаданием воздуха в систему или загрязнением масла. Наличие воздуха в системе вызовет появление пены і пузырей на поверхности масла. В етом случае следует проверить плотность з'єднань труб і аппаратов. Загрязнение масла може вызвать заедание золотников.

Если принятые меры не устраняют нарушений, следует проверить исправность гідроапаратури, фильтра.

При тугом ходе золотників керування необходимо прочистить демпферные отверстия і сливы утечек.

В случае просачивания масла через стыки нужно затянуть крепежные винты, а если масло продолжает просачиваться, — заменить уплотняющие прокладки.

Если золотники керування при отключении електромагнитов не возвращаются в исходное положение, следует проверить целость пружин. Поломанные пружины заменить.

При наличии задиров во втулке золотника аппарат подлежит замене.

При експлуатации верстата необходимо систематически наблюдать за уровнем масла в резервуаре. При понижении уровня ниже риски маслоуказателя следует дополнительно залить масло. Замена масла в резервуаре приурочивается к текущему ремонту верстата. Очистка пластинчатого фильтра Г41-42 производится не реже одного раза в 2—3 месяца путем пропускания под давлением в обратном направлении сначала керосина, а затем масла.

Для нормальной роботи гідросистемы верстата рекомендуется не реже одного раза в неделю очищать пластинчатый фильтр путем обертання его рукоятки.

Установленный на фундаменте верстат должен быть правильно і надежно заземлен.

При експлуатации електрообладнання верстата необходимо периодически очищать от пыли і грязи, не реже одного раза в год разбирать і промывать бензином детали двигуна, смазывать підшипники качения смазкой УТВ-1-13 или тавотом. Температура нагрева підшибників не должна превышать 70° С, а сопротивление изоляции в нагретом состоянии должно быть не менее 0,5 мегОм.

При уходе за релейно-контакторной аппаратурой необходимо: а) периодически очищать аппаратуру от пыли і грязи, особенно контакты аппаратов (лучше всего пользоваться для етой цели пылесосом); б) износившиеся детали своевременно заменять; в) периодически смазывать легким слоем технического вазелина трущиеся поверхности якоря і сердечника, після змазки места стыка вытереть насухо.

При работе електромагнитов допускается небольшое гудение, свойственное магнитным системам переменного тока.

Способ установки материала

Способ установки материала

Схема крепления материала в пакетах

Схема крепления материала в пакетах

Схема крепления материала в пакетах. Дивитись у збільшеному масштабі






8В66А Технічні характеристики отрезного верстата 8В66А

Наименование параметра 8В66 8В66а 8Г663 8Г662
Основні параметри верстата
Класс точності верстата Н Н Н Н
Диаметр пилы, устанавливаемой на станке по ГОСТ 4047-82, мм 710 710 800 710, 800
Толщина пилы по режущим зубъям, мм 6,5 6,5 6,5
Диаметр устанавливаемой заготовки, мм 70..240 70..240 80..285 80..240, 80..280
Наибольший размер поперечного сечения квадрата по ГОСТ 2591-71, мм 220 220 250 200, 250
Наибольший размер поперечного сечения швеллера по ГОСТ 8240-72, мм №40 №30 33 30, 33
Наибольший размер поперечного сечения двутавра по ГОСТ 8239-72, мм №40 №30 33 30, 33
Наибольший размер поперечного сечения уголка по ГОСТ 8509-72, мм №16 №16
Длина отрезаемой заготовки по упору при Ø80..200 в автоматическом цикле, мм 480 20..400 20..500 20..500
Длина отрезаемой заготовки при Ø200..280 в простом цикле, мм 480 400..1500 20..1500 20..1500
Наибольшая длина заготовки, мм 5000 5000 6000
Угол отрезки, град 90° 90° 90° 90°
Диаметр шпинделя под круглую пилу, мм 80h6
Диаметр отверстий под поводковые пальцы, мм 20H7 20,5
Смещение осей отверстий под поводковые пальцы от номинального розположення, мм, не более 0,35
Расстояние от основания верстата до опорной поверхности заготовки, мм 800 800
Наибольшее перемещение бабки пильного диска, мм 360 360 320 360
Регулювання подачі бабки пильного диска бесступ бесступ
Наибольшая скорость подачі бабки пильного диска, мм/мин 12..500 12..500 0,8..650 0,8..650
Наибольшая скорость відведення бабки пильного диска, м/мин 3,5 2,5
Частота обертання шпинделя (50 Гц), об/мин (Количество швидкостей шпинделя) 3,3..25,5 (6) 3,3..25,5 (6) 2,99..16,85 (6) 2,99..16,85 (6)
Скорость подачі заготовки, м/мин 5 5
Наибольший крутящий момент, Н/м 7000
Електроустаткування. Привод
Количество електродвигателей на станке автомате 4 4 5 5
Електродвигун приводу головного руху, кВт (об/мин) 7,5 (1460) 7,5 (1460) 7,5 7,5
Електродвигун приводу гідронасоса гідростанції, кВт (об/мин) 1,5 (950) 1,5 (950) 3,0 2,2
Електродвигун приводу механізма стружкоудаления, кВт (об/мин) 0,4 (1400) 0,4 (1400) 0,37 0,37
Електродвигун насоса охлаждения, кВт (об/мин) 0,12 (2800) 0,12 (2800) 0,12 0,12
Електродвигун приводу вентилятора охлаждения гідростанції, кВт (об/мин) 0,12 0,12
Суммарная мощность електродвигателей установленных на станке, кВт 11,11
Габарити і масса верстата
Габарити верстата (длина ширина высота), мм 2550 х 1260 х 1775 2570 х 1600 х 1725 2640 х 2400 х 1585
Масса верстата, кг 3650 3980 3760


    Список литературы:

  1. Веселовский С.И. Разрезка материалов, 1973
  2. Дроздов Ф., Лебедевич В., Рубежин В. Справочное пособие по отрезным верстатам, 1967