metalinstryment.com
Довідник по металорізальних верстатів та пресовому обладнанні

МП8-876 Верстат деревообрабатывающий комбинированный
Схеми, опис, характеристики

МП8-876 Верстат комбинированный деревообрабатывающий







Відомості про виробника деревообрабатывающего комбинированного верстата МП8-876

Разработчиком і изготовителем деревообрабатывающего комбинированного верстата МП8-876 является Минский станкостроительный завод имени С.М.Кирова, основанный в 1881 году.





Верстати, выпускаемые Минским станкостроительным заводом имени С.М.Кирова


МП8-876 Верстат деревообрабатывающий комбинированный. Назначение, область применения

Бытовой комбинированный деревообрабатывающий верстат МП8-876 предназначен для комплексной обробки деталей из различных сортов дерева.

Комбинированный верстат МП8-876 имеет простую конструкцию: електродвигатель з одноступенчатым шкивом і строгальный вал (шпиндель) з приемным шкивом соединены клиновым ремнем. Строгальный вал (шпиндель) имеет две скорости обертання - 1745 і 4465 об/мин при перестановке клинового ремня.

В одном торце строгального вала крепится приемный шкив в другом дискова пила (дискова фреза), сверлильный патрон, шлифовальный диск или гребенка токарного приспособления.

Верстат МП8-876 выполняет наступні операции:

  1. Строгание (фугование) по плоскости до 210 мм по ширине і до 2 мм в глубину за один проход. Скорость обертання ножевого вала - 3350 об/мин;
  2. Строгание по ребрам (кромке) под углом от 0 до 45°;
  3. Распиловка вдоль і поперек волокон доски толщиной до 50 мм при скорости подачі заготовки до 1,0 м/мин. Скорость обертання ножевого вала і дисковий пилы 3350 об/мин;
  4. Токарная обработка заготовки диаметром до Ø 60 мм і длиной до 450 мм (Виконання 2);
  5. Заточка инструмента шлифовальным кругом.

Верстат МП8-876 имеет исполнения:





МП8-876 Загальний вигляд комбинированного верстата

Фото вигляд комбинированного верстата МП8-876

Фото комбинированного верстата МП8-876


Фото вигляд комбинированного верстата МП8-876

Фото комбинированного верстата МП8-876


Фото вигляд комбинированного верстата МП8-876

Фото комбинированного верстата МП8-876


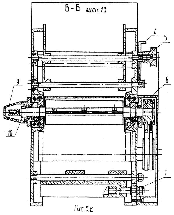
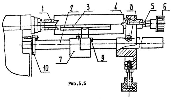
Строгальный механізм комбинированного деревообрабатывающего верстата МП8-876

Строгальный механізм комбинированного деревообрабатывающего верстата МП8-876

Строгальный механізм комбинированного верстата МП8-876


Строгальный механізм комбинированного деревообрабатывающего верстата МП8-876

Строгальный механізм комбинированного верстата МП8-876

Ножевой вал имеет конусную часть, на которую устанавливается рабочий инструмент (патрон) или переходная втулка для закрепления режущего инструмента (дискова Фреза, пила, шлифовальный круг).

При пилении клиновой ремень з большего шкива електродвигуна перебрасывается на малый шкив для снижения числа оборотів.

При строгании без прижимного приспособления оставлять открытой рабочую часть ножевого вала на ширину обрабатываемого материала. Неработающая часть ножевого вала должна быть закрыта защитным кожухом.

При строгании коротких брусьев (до 500 мм) следует обязательно пользоваться дополнительным брусом для подталкивания, при етом работающий не должен находиться позади обрабатываемого материала. Строгание коротких брусьев производится только з прижимным пристрійм.

Конусный конец ножевого вала при строгании должен быть закрыт кожухом.


Комбинированный деревообрабатывающий верстат МП8-876 з дисковий пилкою

Комбинированный деревообрабатывающий верстат МП8-876 з фрезерным і сверлильным пристрійм

Комбинированный верстат МП8-876 з дисковий пилкою


Комбинированный деревообрабатывающий верстат МП8-876 з токарним пристрійм

Комбинированный деревообрабатывающий верстат МП8-876 з токарним пристрійм

Комбинированный верстат МП8-876 з токарним пристрійм

Приспособление для точения крепится к строгальному механізму верстата.

ВНИМАНИЕ! ПРИ ТОЧЕНИИ ПОЛЬЗОВАТЬСЯ ЗАЩИТИЛИ ОЧКАМИ, НЕ ДОПУСКАТЬ ПРИСУТСТВИЯ ПОСТОРОННИХ ЛЮДЕЙ В ЗОНЕ ОБСЛУЖИВАНИЯ СТАНКА, НОЖЕВОЙ ВАЛ ЗАКРЫТЬ ЗАЩИТНЫМ КОЖУХОМ.

ЗАПРЕЩАЕТСЯ ЗАЧИЩАТЬ. ВРАЩАЮЩУЮСЯ ЗАГОТОВКУ ПРИЖАТИЕМ НАЖДАЧНОЙ ШКУРКИ РУКАМИ.


Комбинированный деревообрабатывающий верстат МП8-876 з прижимным і заточным пристрійм

Приспособление заточное предназначено для заточки строгальных ножей.

Корпус приспособления крепится к строгальному механізму. Шлифовальный круг через мягкие прокладки крепится гайкой на переходной втулке, установленной на конічний конец ножевого вала. Для установки шлифовального круга необходимо снять направляющую планку.

Затачиваемый нож крепится гвинтами в каретке і механізмом подачі плавно подводится к шлифовальному кругу до появления слабой искры. Продольным переміщенням каретки вдоль шлифовального круга производится заточка ножа.





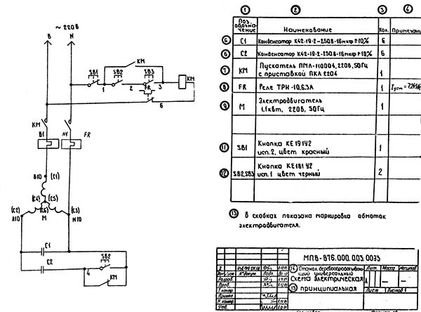
Електроустаткування деревообрабатывающего комбинированного верстата МП8-876

Схема електрична комбинированного верстата МП8-876

Електрична схема верстата МП8-876 на 220 В


Верстат комбинированный МП8-876

Верстат обеспечивает работу от однофазной сети напряжением 220 В +10% при частоте 50 Гц.

Подключение у потребителя провода ММ к розетке осуществляется к клемме "Заземление", а второй конец провода ММ подсоединить к винту на щитке счетчика, к которому подсоединен нулевой провод.

Верстат не заземлять.

Потребитель должен установить на електрощитке стандартные плавкие вставки на ток 15-20 А или автоматический двухполюсный (трехполюсный) выключатель на ток 8-10 А.

Работа верстата на холостом ходу более 10 минут недопустима.

Режим роботи верстата - повторно-кратковременный S3, ПВ60%, указанный в разделе 2.2. п.6 означает, что в течении каждого часа должно быть не более б включений, в каждом 10 минутном цикле между увімкненнями обеспечить 6 минут роботи і 4 минуты паузы, при етом во время паузы електродвигатель допускается не отключать.


Подготовительные операции для МП8-876

Углы заточки дереворежущего инструмента

Углы заточки дереворежущего инструмента


Регулювання ножей в строгальном барабане верстата МП8-876

Регулювання ножей в строгальном барабане верстата МП8-876


Планка для калибровки ножей в баробане верстата МП8-876

Планка для калибровки ножей в строгальном барабане верстата МП8-876


Ножи необходимо устанавливать так, чтобы они выступали на 1 мм за габарити ножевого вала. При установці контролировать равномерную выставку ножей по всей длине вала.

Затяжку болтов, удерживающих ножи, начинать от середины клина, выставку ножей произвести по калиберной планке. Перед началом роботи обязательно проверить надежность крепления ножей. Включив фугувальне пристрій, убедиться в нормальной его работе. Необходимо следить за работой підшибників ножевого вала. В случае повышения температуры необходимо заменить підшипники.




. Відеоролик.





Технічні характеристики комбинированного верстата МП8-876

Наименование параметра МП8-876 МП8-1540
Пиление дисковий пилкою
Диапазон глубины пропила, мм 50 50
Наибольший диаметр пильного диска, мм Ø200 х 32 х 1,6 Ø200 х 32 х 1,6
Посадочный диаметр пилы, мм 32 32
Частота обертання пилы, об/мин 3350 1745, 4465
Розміри рабочей поверхности пильного стола, мм
Наибольший диаметр дисковий фрезы, мм 125 х 32 х 10 125 Наибольшая глубина фрезерування, мм Фугование (строгание) Наибольшая ширина фугования (строгания), мм 210 200 Наибольшая глубина снимаемого слоя за один проход при строгании, мм 2,0 2,5 Частота обертання ножевого вала на холостом ходу, об/мин 3350 Количество строгальных ножей в ножевом барабане 2 2 Ширина строгальных столов, мм Общая длина строгальных столов, мм Сверление. Фрезерование кінцівой фрезой Наибольший диаметр сверла, фрезы, мм 12 16 Розміри посадочных мест сверла, фрезы, мм Морзе В18 Морзе В18 Розміри рабочей поверхности стола, мм Глубина сверления, мм Продольный ход стола, мм Пристрій токарное Частота обертання токарного шпинделя, об/мин 1300 3350 Наибольшая длина заготовки при токарной обработке, мм 450 Наибольший диаметр заготовки при токарной обработке в центрах, мм 60 60 Електроустаткування верстата Род тока питающей сети ~220В ~220В / ~380В Количество електродвигателей на станке, шт 1 1 Електродвигун, кВт 1,1 1,1 Габарит і масса верстата Габарит верстата (длна х ширина х высота), мм 650 х 420 х 296 720 х 525 х 500 Масса верстата, кг 67,5 / 72,5 93

    Список литературы:

  1. Амалицкий В.В. Деревообрабатывающие верстати і инструменты, 2002
  2. Афанасьев А.Ф. Резьба по дереву, Техника, Инструменты, Изделия, 2014
  3. Бобиков П.Д. Мебель своими руками, 2004
  4. Борисов И.Б. Обработка дерева, 1999
  5. Джексон А., Дей Д. Библия работ по дереву, 2015
  6. Золотая книга работ по дереву для владельца загородного участка, 2015
  7. Ильяев М.Д. Резьба по дереву, Уроки мастера, 2015
  8. Комаров Г.А. Четырехсторонние продольно-фрезерные верстати для обробки древесины, 1983
  9. Кондратьев Ю.Н., Питухин А.В... Технология изделий из древесины, Конструирование изделий і расчет материалов, 2014
  10. Коротков В. И. Деревообрабатывающие верстати, 2007
  11. Лявданская О.А., Любчич В.А., Бастаева Г.Т. Основы деревообробки, 2011
  12. Любченко В.И. Рейсмусовые верстати для обробки древесины, 1983
  13. Манжос Ф.М. Дереворежущие верстати, 1974
  14. Расев А.И., Косарин А.А. Гідротермическая обработка і консервирование древесины, учебное пособие, 2010
  15. Рыженко В.И. Полная енциклопедия художественных работ по дереву, 2010
  16. Рыкунин С.Н., Кандалина Л.Н. Технология деревообробки, 2005
  17. Симонов М.Н., Торговников Г.И. Окорочные верстати, 1990
  18. Соловьев А.А., Коротков В.И. Наладка деревообрабатывающего оборудования, 1987
  19. Суханов В.Г. Круглопильные верстати для распиловки древесины, 1984
  20. Фокин С.В., Шпортько О.Н. Деревообработка, Технологии і обладнання, 2017
  21. Хилтон Билл Работы по дереву, Полное руководство по изготовлению стильной мебели для дома, 2017