metalinstryment.com
Довідник по металорізальних верстатів та пресовому обладнанні

7Б56 Верстат горизонтально-протяжной
опис, характеристики, схеми

Фото протяжного верстата 7Б56







Відомості про виробника протяжного верстата 7Б56

Разработчиком і изготовителем горизонтально-протяжного верстата 7Б56 является Минский станкостроительный завод имени С.М.Кирова, основанный в 1881 году.





Верстати, выпускаемые Минским станкостроительным заводом имени С.М.Кирова


7Б56 Верстат протяжной горизонтальный для внутреннего протягивания. Назначение і область применения

Верстат протяжной горизонтальный 7Б56 производился начиная з 1973 года. Верстат снят з производства. В настоящее время заводом выпускаются более совершенные горизонтальные протяжные автоматы і напівавтоматы: 7А523, 7А534, 7А545, 7555.

Горизонтально-протяжной верстат 7Б56 предназначен для обробки методом протягивания предварительно обработанных или черновых сквозных отверстий различной геометрической формы і размеров деталей из черных і цветных металлов і сплавов. При помощи специальных пристосувань можно обрабатывать наружные поверхности.

Протяжной верстат 7Б56 отличается большой производительностью, високою точностью обробки.

Наиболее еффективно использование верстата 7Б56 — в массовом і крупносерийном производстве. Простота переналагодження верстата позволяет применять его в мелкосерийном і единичном производстве.

По согласованию з заказчиком верстат поставляется как в универсальном виконанні, так і со специальными приспособлениями і инструментом для обробки одной или нескольких определенных деталей.

Конструктивные особливості горизонтально-протяжного верстата 7Б56:

Верстат аттестован по первой категории качества.

Шероховатость обработанных поверхностей Rz20—Ra 0,63 мкм.

Класс точності верстата Н по ГОСТ 8—77.

Корректированный уровень звуковой мощности LpA не превышает 108 дБА.

Проектная организация — Минское специальное конструкторское бюро протяжных верстатів.


Основні технические характеристики горизонтального протяжного верстата 7Б56

Проектная организация — Минское специальное конструкторское бюро протяжных верстатів.

Минский станкостроительный завод имени С.М.Кирова. Начало серийного производства 1973 год.






7Б56 Габарит робочого простору протяжного верстата

Габарит робочого простору протяжного верстата 7Б56

Габарит робочого простору горизонтального протяжного верстата 7Б56


7Б56 Фото горизонтального протяжного верстата

Фото горизонтального протяжного верстата 7Б56

Фото горизонтального протяжного верстата 7Б56


7Б56 Розташування складових частин протяжного верстата

Розташування складових частин протяжного верстата 7Б56

Фото горизонтального протяжного верстата 7Б56


7Б56 основні вузли протяжного верстата

  1. електрообладнання
  2. рабочий цилиндр
  3. рабочие салазки
  4. пульт керування
  5. пристрій охлаждения
  6. поддерживающий ролик
  7. вспомогательный патрон
  8. вспомогательные салазки
  9. приставная станина
  10. механізм фиксации і расфиксации
  11. вспомогательный цилиндр
  12. рабочий патрон
  13. рабочие салазки
  14. механізм регулювання ходу верстата
  15. бак для охлаждающей жидкости
  16. насосная установка

Основная станина служит для розміщення главных частин верстата: робочого цилиндра і рабочих салазок, соосность которых обеспечивается постельными планками, приваренными внутри станины на всей її длине. В передньої частини станину замыкает массивная опорная плита, в которой выполнено точное отверстие, строго соосное з рабочим цилиндром верстата. Это отверстие используется для установки опорной планшайби верстата. Около опорной плиты предусмотрен склиз, по которому стружка з охлаждающей жидкостью попадает в приемный ящик, расположенный рядом з баком для охлаждающей жидкости. В передньої частини основной станины, внизу имеется механізм поддерживающего ролика. Его назначение — поддерживать протяжку, когда її задний хвостовик выходит из вспомогательного патрона. Поддержка осуществляется вплоть до кінця обратного ходу рабочих салазок, когда задний хвостовик протяжки снова входит во вспомогательный патрон. В механізме предусмотрено регулювання з помощью пружинного пристроя для роботи з протяжками разного диаметра.

Рабочие салазки связывают шток робочого цилиндра з рабочим патроном. Для установки робочого патрона в них предусмотрена переходная втулка з конусным посадочным отверстием. Конструкція рабочих салазок позволяет передавать нагрузку непосредственно со штока гідроцилиндра на рабочий патрон з помощью специальной муфты і стяжки (рис. 68). Рабочие салазки, выпускаемых, горизонтально-протяжных верстатів перемещаются по одной плоской і по одной V-образной направляющим станины, что повышает геометрическую точность верстата. В салазках предусмотрены привернутые направляющие планки, позволяющие производить компенсацию износа в направляючих. В нижней частини салазок имеется копир для опускания поддерживающего ролика в основной станине, когда рабочие салазки подходят к опорной плите.

Механізм регулювання ходу верстата смонтирован в верхней частини основной станины. Он выполнен в виде двух валиков, угловой поворот которых включает і выключает конечные выключатели, управляющие работой гідросистемы верстата. Эти выключатели находятся снаружи основной станины в специальном корпусе. Настройкой положения закрепляемых на валиках кулачков обеспечиваются требуемые величины робочого і замедленного ходов, а также величину замедленного ходу і крайнее положение рабочих салазок в кінці обратного ходу. Поворот кулачков происходит под воздействием копира, укрепленного на рабочих салазках.

Приставная станина предназначена для монтажа механізмов, обеспечивающих подвод і отвод протяжки. Движения подвода і відведення сообщаются одновременно поддерживающему ролику 6 (см. рис. 67) і вспомогательным салазкам 8 от вспомогательного цилиндра 11. В кінці подвода протяжки, когда поддерживающий ролик опускается в проем приставной станины, механізм 10 фиксации і расфиксации обеспечивает расцепление вспомогательных салазок от механізма подвода і відведення. Это позволяет вспомогательным салазкам сопровождать протяжку до кінця різання, что становится возможным благодаря тому, что поддерживающий ролик 6 утоплен. В кінці обратного ходу вспомогательные салазки з помощью механізма фиксации і расфиксации вновь жестко соединяются з механізмом подвода і відведення. После етого начинается отвод протяжки, в начале которого поддерживающий ролик поднимается і становится опорой протяжки. Ее задний хвостовик закреплен во вспомогательном патроне.

При протягивании з сопровождением протяжки верстат мод. 7Б56 работает в режиме полного полуцикла. Взаємодія рассмотренных механізмов верстата при етом отражено в табл. 21. При работе в режиме простого полуцикла исключаются из роботи механізмы, расположенные в приставной станине. Последовательность действий при етом сохраняется полностью. Режим простого полуцикла применяется обычно при работе мелкими протяжками, например, шпоночными.

Наладочные розміри, определяющие возможности верстата з точки зрения длины протяжки і длины, на которой обеспечивается сопровождение инструмента приведены на рис. 68.

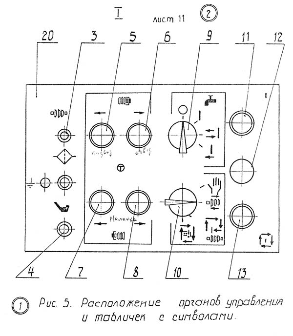
7Б56 Розташування органів керування протяжным горизонтальным верстатом

Розташування органів керування протяжным горизонтальным верстатом 7Б567

Розташування органів керування протяжным горизонтальным верстатом 7Б56

Розташування органів керування протяжным горизонтальным верстатом 7Б56. Дивитись у збільшеному масштабі



Пульт керування протяжным горизонтальным верстатом 7Б567

Пульт керування протяжным горизонтальным верстатом 7Б56

Пульт керування протяжным горизонтальным верстатом 7Б56. Дивитись у збільшеному масштабі







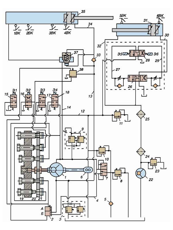
7Б56 Гідравлічна схема протяжного горизонтального верстата

7Б56 Гідравлічна схема протяжного горизонтального верстата

Гідравлічна схема протяжного горизонтального верстата 7Б56 (Рис.153)

Гідравлічна схема верстата 7Б56. Дивитись у збільшеному масштабі



Гідропривід (рис. 153) осуществляет рабочие і вспомогательные руху исполнительных органів верстата в рабочем цикле.

Протяжка подводится і отводится вспомогательным гідроцилиндром 31, который питается от пластинчатого насоса 22 через фильтр грубой і тонкой очистки 24 і 25. В исходном положении управляющий распределитель 28 находится в средней позиции. Масло от шестеренчатого насоса керування 6 подведено под оба торца гідрораспределителя 26, что удерживает его также в среднем положении. При етом правая часть гідроцилиндра 31 изолирована, а левая — соединена со сливом.

Нажатие кнопки «Пуск цикла» включает електромагнит Э6. Распределитель 28 переключается влево, соединяя магистрали 12 і 29 между собой, а трубопровод 27 со сливом, масло подается под правый торец гідрораспределителя 26, передвигая его влево. Трубопроводы 30 і 32 оказываются соединенными между собой і насосом 22. Давление в обеих полостях цилиндра 31 одинаково, площадь правой, бесштоковой полости больше, чем левой, — поршень движется влево і протяжка проводится к левому патрону. Масло из левой полости цилиндра перетекает в правую полость, увеличивая поток насоса 22.

Рабочий цилиндр 35 получает масло от радиально-поршневого реверсивного насоса 1. При рабочем ходе напорной является магистраль 13—33—34, а сливной 36—37—14. Часть сливающегося масла питает насос; избыток сбрасывается через клапанную коробку 7 і напорный золотник 8. При обратном ходе масло от насоса поступает через трубопроводы 14 і 36. Масло, вытекающее из цилиндра, не може пройти через обратный клапан 33 і перетекает из правой в левую частини цилиндра через обратный клапан 37. Из бака масло забирается через обратный клапан 5 і клапанную коробку 7.

В исходном положении обе полости насоса 1 соединены трубопроводом 4 через переливной клапан 2 в позиции Б. Это предотвращает самопроизвольное рух салазок при неточной налаштуванні нулевого положения насоса. Перед движением салазок клапан 2 переводится в положение А і полости насоса разъединены. В зависимости от направления (вправо — влево) смещения статора относительно ротора всасывающая і нагнетательная полости насоса меняются назначением, а следовательно, изменяется скорость переміщення салазок.

Различные смещения статора устанавливают при наладке регулировочными гвинтами 19, которые служат упорами для штоков поршней 21. Положение диска 20 і связанного з ним статора определяется одним поршнем 21. При включении електромагнита 31, переключающего распределитель 15, происходит рабочий ход, который ускоряется при дополнительном включении 32, вызывает обратный ход, который замедляется при включении електромагнита 34. Порядок і момент переключения електромагнитов зависят от расстановки конечных выключателей. Предохранительные клапаны 3 і 9, напорные золотники 10, 11, 23 і 38 сбрасывают часть масла на слив при повышении давления в определенных магистралях до значения, большего, чем давление при налаштуванні.


7Б56 Гідравлічна схема протяжного горизонтального верстата

Гідравлічна схема протяжного горизонтального верстата 7Б56

Гідравлічна схема верстата (рис. 69). Две наклонные стрелки на условном обозначении робочого 1 і вспомогательного 8 цилиндров означают, что они имеют регулируемое торможение (замедление) в кінці ходу при движении в обоих направлениях. Все гідравлические агрегаты верстата смонтированы на баке 12 емкостью 1250 л. Толстыми лініями на рис. 69 показаны линии связей всасывания, напора і слива. Линии связи керування показаны тонкими лініями. Линии связи керування 4—7 позволяют контролировать давление в вузлівых точках гідравлической схеми. Давление контролируется з помощью манометра 3, к которому через гідропульт I післядовательно подключается любая из перечисленных линий связи керування. Линия 4 позволяет контролировать давление в штоковой полости робочого цилиндра при рабочем ходе; лінія 5 — в бесштоковой полости робочого цилиндра при обратном ходе; лінія 6 — в лініях керування работой гідроагрегатов; лінія 7 — в линии напора вспомогательного цилиндра. Кроме манометра 5 в гідравлической схеме верстата предусмотрен управляющий електроконтактный манометр 2: Этот манометр» настраивают на давление, увеличенное примерно на 30% по сравнению з давлением в начале роботи новым или заточенным инструментом. При затуплении протяжки максимальное давление в штоковой полости будет возрастать. Когда прирост давления достигнет 30%, что соответствует предельно-допустимой величине затупления, електроконтактный манометр включает сигнальную лампочку на пульті керування 4 (см. рис. 67) верстата. Это сигнал к переточке или смене протяжки, чтобы исключить поломку инструмента і предупредить появление брака.

Вспомогательный цилиндр получает привід от лопастного насоса 10 (см. рис. 69), который под давлением подает масло через фильтр 11 к реверсивному гідрораспределителю керування. Предохранительный клапан 9 позволяет поддерживать давление на заданном уровне.

Агрегат III радиально-поршневого насоса включает в себя кроме самого насоса всю необходимую аппаратуру керування, позволяющую регулировать производительность насоса при переходе з обычного на замедленный ход і наоборот, менять направление руху штока, поддерживать давление в полостях робочого цилиндра на заданном уровне.

Конечные выключатели 1ПВ—6ПВ дают команды на срабатывание золотників (распределителей) в системах керування движением робочого і вспомогательного цилиндров. Верстат може работать в режиме полного или простого полуцикла, а также в наладочном режиме. Циклограммы роботи верстата приведены на рис. 70. В квадратах показаны включенные в данный момент приборы.


Циклограмма роботи протяжного верстата 7Б56 в режиме полного і простого полуцикла

Циклограмма роботи протяжного верстата 7Б56 в режиме полного і простого полуцикла

Циклограмма роботи протяжного верстата 7Б56

В режиме полного полуцикла (см. рис. 70,а) післядовательность роботи верстата будет следующей. В исходном состоянии рабочие і вспомогательные салазки будут находиться в крайнем правом положении. Исходное положение поршня робочого гідроцилиндра на рис. 69 показано тонкими лініями. Переключатель режима роботи верстата на пульті керування 4 (см. рис. 67) установлен в положение «Полный полуцикл».

После нажатия кнопки керування (КУ) «Пуск цикла» реверсивный золотник направляет масло от лопастного насоса 10 (см. рис. 69) в бесштоковую полость вспомогательного цилиндра 8. Поршень вспомогательного цилиндра перемещается влево, осуществляется подвод протяжки, в кінці которого срабатывает конечный выключатель 6ПВ. Этот выключатель дает команду на увімкнення гідрораспределителя, направляющего масло от радиально-поршневого насоса в штоковую полость робочого цилиндра. Начинается рабочий ход. Одновременно реверсивным гідрораспределителем отключается подача масла во вспомогательный цилиндр.

Конечный выключатель ЗПВ настраивается так, чтобы срабатывание его происходило в момент входа калибрующих зубьев протяжки в обрабатываемую деталь. При етом в системе керування радиально-поршневым насосом включается гідрораспределитель, уменьшающий производительность насоса, что приводит к снижению скорости різання. Конечный выключатель 1ПВ, срабатывающий в кінці робочого ходу, дает команду на прекращение подачі масла в штоковую полость робочого цилиндра, верстат останавливается.

Для начала обратного руху необходимо снова нажать кнопку «Пуск цикла». При етом включается гідрораспределитель, направляющий масло от радиально-поршневого насоса в бесштоковую полость робочого цилиндра. При обратном ходе масла из штоковой полости через обратный клапан 12 (см. рис. 69) будет вытесняться в бесштоковую полость. Срабатывание конечного выключателя 4ПВ дает команду на увімкнення золотника, уменьшающего производительность радиально-поршневого насоса, что приводит к снижению скорости обратного ходу. Конечный выключатель 2ПВ, который срабатывает в кінці обратного ходу, дает команду на прекращение подачі масла в рабочий цилиндр, і одновременно дается команда на подачу масла в штоковую полость вспомогательного цилиндра. Начинается отвод протяжки. Конечный выключатель 5ПВ срабатывает в кінці відведення протяжки і дает команду на прекращение подачі масла во вспомогательный цилиндр. Верстат останавливается.

Режим простого полуцикла отличается тем, что в работе не участвует механізм подвода і відведення протяжки. В наладочном режиме гідросистема верстата позволяет независимо управлять рухуми рабочих і вспомогательных салазок.

Скорости робочого і обратного ходов рабочих салазок настраивают з помощью четырех винтов механізма керування насосом. Налаштування швидкостей должна производиться только на наладочном режиме. Двумя гвинтами настраивается скорость робочого ходу і скорость робочого замедленного ходу. Другими двумя гвинтами настраивается скорость обратного ходу і обратного замедленного ходу. Величина скорости робочого ходу определяется оптимальной стойкостью инструмента применительно к конкретным условиям обробки. При етом необходимо учитывать, что величина скорости робочого ходу ограничивается не только заданной стойкостью, но і силами різання при протягивании конкретной детали. О силах різання в процессе протягивания можно судить по показаниям манометра. В паспорте верстата приведены графики режимов роботи верстата в зависимости от величины силы різання при протягивании. Поскольку вся ранее выпущенная документація основана на старой системе единиц, в Приложениях 2 і 3 приведены соотношения етих единиц з обязательными в настоящее время единицами системы СИ. Например, для верстата мод. 7Б56 номинальная сила тяги 200 кН будет соответствовать показанию манометра примерно 8,2 МПа. Наибольшая скорость різання допускается при силе різання до 100 кН. При силе різання 200 кН допустимая скорость різання будет составлять только 8,5 м/мин.

Следует мати ввиду, что скорость робочого ходу обычно регулируется на наладочном режиме без нагрузки. При протягивании деталей, когда гідросистема работает под нагрузкой, наблюдается «посадка», т. е. уменьшение скорости по сравнению з отрегулированной скоростью. Величина посадки зависит от давления в системе на рабочем ходе. При давлении 10 МПа под нагрузкой посадка составляет 1,2 м/мин. Для меньших рабочих давлений величину посадки нужно пропорционально уменьшить.

Скорость обратного ходу і замедленная скорость обратного ходу настраиваются заводом-изготовителем. В процессе експлуатации ети скорости изменять не рекомендуется.


Схема протяжной операции горизонтального верстата 7Б56

Схема протяжной операции горизонтального верстата 7Б56

Схема протяжной операции горизонтального верстата 7Б56

Рух протяжки осуществляется з помощью гідропривода, имеющего два насоса. Один из них производительностью 200 л/мин служит для подачі масла в основной (рабочий) гідроцилиндр, другой - производительностью 25 л/мин - подает масло во вспомогательный гідроцилиндр. Гідропривід позволяет осуществлять три цикла роботи: полный цикл, простой цикл і наладочный. Работу на полном цикле производят длинными протяжками (1200-1300 мм) з задним хвостовиком. Протяжку устанавливают хвостовиком во вспомогательный патрон, получающий рух от штока вспомогательного цилиндра. Протяжка перемещается, поддерживаемая роликом, к рабочему патрону. Патрон захватывает передний хвостовик протяжки» перемещает її вместе со вспомогательным патроном до его раскрытия от копира, осуществяет рабочий і обратный ходу, після которых вспомогательный патрон захватывает задний хвостовик протяжки і отводит її в исходное положение.

Простой цикл применяют при использовании коротких протяжек. В етом случае протяжку закрепляют вручную в патроне, смонтированном на салазках, получающих горизонтальное перемещение от основного гідроцилиндра по направляющим станины. Перемещения вспомогательных салазок при етом цикле не происходит.

Наладочный режим используют при налаштуванні верстата. Этот режим включает необходимые для подготовки процесса протягивания руху инструмента.

Верстат работает как напівавтомат, но при оснащении его автоматизированными приспособлениями для подачі і съема деталей може работать в автоматическом цикле і може быть встроен в автоматические линии. Применяется верстат в крупносерийном і массовом производстве, а з учетом простой переналагодження его можно использовать і в единичном і мелкосерийном производстве.

Одна из схем протягивания показана на рис. 50. Хвостовик протяжки 5 пропускают через отверстие обрабатываемой детали 7 і втулку 8 приспособления 6, установленного в опорной плите 9.

Лівий конец протяжки закрепляют в автоматическом патроне, состоящем из корпуса 4, специальной втулки 10 з внутренним диаметром, соответствующим протяжке, і двух сухарей 3. В показанном положении пружина 2, распирая деталь 1, связанную со штоком силового цилиндра, і корпус 4, сдвигает сухари 3, вследствие чего післядние захватывают хвостовик протяжки.

Когда протяжка перемещается влево, происходит обработка отверстия. Во время холостого ходу протяжка возвращается в исходное положение.

Корпус 4, подойдя к приспособлению 6, упирается в него і останавливается.

Шток поршня і муфта 1, продолжая рух і сжимая пружину 2, сдвигают втулку 10 вправо, сухари 3 попадают в выточку а, і рух прекращается. Теперь хвостовик протяжки можно свободно вытащить из отверстия втулки 10, вставить в следующую деталь и, установив снова, начинать обработку.

Верстат работает з полным і простым циклом. При полном цикле прямого ходу осуществляется подвод протяжки, замедленный рабочий ход, настроенный рабочий ход — замедленный рабочий ход при работе калибрующих зубьев і стоп. При обратном ходе осуществляется замедленный ход і отвод протяжки. Простой цикл отличается от полного отсутствием подвода і відведення протяжки.

Полный цикл верстата передбачає:

  1. быстрый подвод протяжки к рабочему патрону і захват ее
  2. замедленный ход з большей скоростью (которая обеспечивает полное использование мощности привода)
  3. замедленный рабочий ход (для получения требуемой шероховатости при работе калибрующих зубьев протяжки)
  4. раскрытие вспомогательного патрона і вывод протяжки из детали
  5. остановка верстата для выгрузки детали
  6. обратный ход рабочих салазок після повторного нажатия кнопки «Пуск цикла»
  7. захват заготовки вспомогательным патроном в начале обратного ходу
  8. замедление скорости в кінці обратного ходу і раскрытие робочого патрона
  9. отвод протяжки вспомогательными салазками
  10. останов

Возможен неполный цикл без подвода і відведення протяжки, когда вспомогательные вузли не действуют.

Во избежание провисания свободного кінця протяжки, когда она закреплена только в одном из патронов, предусмотрены поддерживающие ролики, которые могут быть отведены.


7Б56 Пример протяжных работ внутреннего протягивания

Пример протяжных работ внутреннего протягивания 7Б56

Пример протяжных работ внутреннего протягивания 7Б56


Протяжной инструмент





Сучасний горизонтально-протяжной верстат




Технічні характеристики протяжного верстата 7Б56

Наименование параметра 7Б55 7Б56 7Б57
Основні параметри верстата
Класс точності верстата Н Н Н
Номинальное тяговое усилие, кН(тс) 100 (10) 200 (20) 400 (40)
Наибольшая длина ходу рабочих салазок, мм 1250 1600 2000
Наибольшая настроенная длина ходу рабочих салазок, мм 1200 1550 1950
Расстояние от станины до оси отверстия под планшайбу в опорной плите, мм 250 280 320
Максимальный наружный диаметр обрабатываемой детали, мм 600 600 800
Розміри рабочей поверхности передньої опорной плиты верстата, мм 450 х 450 450 х 450 560 х 560
Диаметр отверстия под планшайбу в опорной плите, мм 160 200А 250А
Диаметр отверстия в планшайбе, мм 125А 160А 200А
Диаметр планшайби, мм 280 360 400
Конусное отверстие под рабочий патрон метр 80 метр 80
Конусное отверстие в кронштейне вспомогательных салазок Морзе 5 Морзе 5 метр 80
Расстояние от основания верстата до оси протяжки, м 975 975 1060
Скорость робочого ходу, м/мин 1,5..11,5 13 1..6,15
Регулювання скорости робочого ходу бесступенчатое бесступенчатое бесступенчатое
Рекомендуемая скорость обратного ходу, м/мин 20..25 20..25 10..12
Длина подвода і відведення протяжки, мм 455 455 755
Длина сопровождения протяжки 455 455 755
Скорость подвода і відведення протяжки, м/мин 15 15 15
Длина протяжки, мм 400..1365 400..1415 900..2170
Наибольшее давление налаштування предохранительного клапана робочого ходу, кгс/см2 100 115 115
Електроустаткування. Привод
Количество електродвигателей на станке 3 4 4
Електродвигун приводу головного руху (гідронасоса гідростанції), кВт (об/мин) 18,5 (1465) 30 (980) 37 (980)
Електродвигун приводу вспомогательного руху, кВт (об/мин) - 2,2 (950) 2,2 (950)
Електродвигун насоса змазки, кВт (об/мин) 0,09 (2740) 0,09 (2740) 0,09 (2740)
Електродвигун насоса охлаждения, кВт (об/мин) 0,15 (2800) 0,15 (2800 0,15 (2800
Насос головного приводу (Производительность л/мин) 2Г13-36АС (200) НР4М-450-10 (400) НР4М-450-10 (400)
Насос вспомогательного приводу (Производительность л/мин) - Г12-33АМ (25) Г12-33АМ (25)
Габарити і масса верстата
Габарити верстата (длина ширина высота), мм 6340 x 2090 x 1740 7200 х 2135 х 1950 9400 х 2500 х 1950
Масса верстата, кг 5100 7000 13000

    Список литературы:

  1. Верстат потяжной горизонтальный 7Б55, 7Б56, 7Б57, 7б56у, 7Б55у. Руководство по експлуатации, 1981

  2. Ашихмин В.Н. Протягивание, 1981, стр.90.
  3. Кацев П.Г. Протяжные роботи, 1968
  4. Кацев П.Г., Епифанов Н.П. Справочник протяжника, 1963
  5. Схиртладзе А.Г., Новиков В.Ю. Технологическое обладнання машиностроительных производств, 1980, стр.248.
  6. Тепинкичиев В.К. Металлорежущие верстати, 1973, стр.76.