Виробник токарно-гвинторізного верстата CU 500 – підприємство ЗММ Слівен АТ (ZMM-Sliven AD) , яке входить до верстатобудівного холдингу ЗММ Болгарія Холдинг АТ (Zmm-Bulgaria Holding AD) – найбільший виробник універсальних токарних верстатів у Європі.
Токарно-гвинторізний верстат CU-500 (СУ-500) призначений для виконання різних токарних робіт і нарізування метричної, модульної, дюймової та різьб. Оброблювані деталі встановлюються у центрах чи патроні.
Використовуючи конусну лінійку (опція), можна обробляти конічні поверхні.
Універсальний токарний верстат СU500 оснащений 21 прямими та 11 зворотними швидкісними ступенями частоти обертання шпинделя. Швидкісні щаблі верстата вказані у паспорті на малюнках 4-3, 4-4, 4-5 та 4-6.
Відповідно до замовлення клієнта верстат CU-500 може бути поставлений з кінцем шпинделя згідно DIN55027/ISO702-III або USAS B-5.9-D1/ ISO702-II (Camlock).
Верстат CU-500 можна налаштувати для нарізування метричної, дюймової, модульної та питної різьблення, як це зазначено на лицьовій табличці верстата.
Шпиндельна система, зубчасті трансмісії та інші механізми в коробці швидкостей змащуються автоматично через масляний зубчастиний насос і шляхом розбризкування.
Механізми в коробці змазуються автоматично поршневим масляним насосом і через розбризкування.

Фото токарно-гвинторізного верстата CU-500

Фото токарно-гвинторізного верстата CU-500

Фото токарно-гвинторізного верстата CU-500

Фото токарно-гвинторізного верстата CU-500
Фото токарно-гвинторізного верстата CU-500. Дивитись у збільшеному масштабі

Розташування органів керування токарним верстатом CU-500

Розташування органів керування верстатом CU-500
Універсальні токарні верстати СU400 оснащені 21 прямими та 11 зворотними швидкісними ступенями частоти обертання шпинделя. Швидкісні щаблі кожної конкретної моделі верстата вказані на малюнках 4-3, 4-4, 4-5 і 4-6.
Вибір швидкісного ступеня для всіх моделей проводиться рукоятками 24, 25 та 26.
Диск, на рис.4-3 і рис.4-5, що знаходиться на лицьовій стороні коробки швидкостей і керований рукояткою 24 рис.4-1, має чотири фіксовані положення. Сектор диска, в якому знаходяться необхідні оберти, встановлюється лівіше або правіше за вертикальну лінію залежно від того, де знаходиться фіксоване положення диска.
Рукояткою 26, рис.4-2, що має два фіксованих положення, покажчик встановлюється у напрямку до відповідного сектора.
Примітка: При моделі CU500MT сектор із необхідними оборотами рис.4-4 позиціонується проти стрілки на табличці.
Ступиця, рис.4-6, керована рукояткою 25, рис.4-1, забезпечена трьома кольоровими індикаціями (зеленою, червоною та синьою) рис.4-6. Колір на фоні необхідного зворотного ступеня встановлюється навпроти стрілки на табличці.
Запуск та зупинка шпинделя для обертання у прямому або зворотному напрямку здійснюється рукояткою 22 рис.4-1.
Попередження : Зміна швидкості обертання шпинделя проводиться тільки після зупинки шпинделя. Будь-яка спроба зміни швидкості при шпинделі, що обертається, веде до ризику серйозного пошкодження в коробці швидкостей і втрати права на гарантію.
Механізм подачі верстата для подачі та нарізування різьблення включає:
Рух супорта при нарізанні різьблення здійснюється через провідний гвинт і гайку рознімання коробки супорта. Зачеплення гайки до провідного ггвинта проводиться за допомогою рукоятки 31 рис.4-1.
Між рукояткою для включення автоматичних подач і рукояткою для зачеплення гайки роз'ємної забезпечений захист, який забезпечує включення тільки однієї з них.
Керування супорта при зачепленій гайці проводиться через ручки 22 рис.4-1.
Окрім руху для подач супорт оснащений пристроєм для швидкого ходу з окремим електродвигуном.
Включення швидкого ходу супорта проводиться установкою рукоятки 32 рис.4-1 на автоматичну подачу в бажаному напрямку руху та натисканням 41 рис.4-2 для включення електродвигуна. Коробка супорта оснащена обгінною муфтою, яка забезпечує включення супорта на швидкий хід як при вимкненому, так і включеному рух коробкою подач.
Верстат можна налаштувати для нарізування метричного, дюймового, модульного та питного різьблення, як це зазначено на лицьовій табличці верстата.
Процедура:
Крім зазначеного різьблення, у таблиці на лицьовій табличці показані також три додаткові різьблення, які налаштовуються вищевикладеним способом.
Крім зазначеного різьблення, в таблиці на лицьовій табличці показані також три додаткові різьблення, налаштування яких відрізняється від того, яке було описано вище в тексті. (Дотримуйтесь вказівок додаткової таблички).
Процедура:
Попередження : При нарізанні багатоходового різьблення швидкість різання не змінювати.

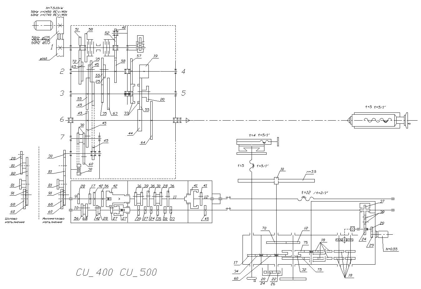
Кінематична схема токарно-гвинторізного верстата CU-500
Схема кінематична токарно-гвинторізного верстата CU-500 (СУ-500). Дивитись у збільшеному масштабі
Кінематична схема наведена для розуміння зв'язків та взаємодії основних елементів верстата.

Шпиндель токарно-гвинторізного верстата CU-500
Шпиндель токарно-гвинторізного верстата CU-500. Дивитись у збільшеному масштабі

Коробка подач токарно-гвинторізного верстата CU-500
Коробка подач токарно-гвинторізного верстата CU-500. Дивитись у збільшеному масштабі

Задня бабка токарно-гвинторізного верстата CU-500

Задня бабка токарно-гвинторізного верстата CU-500

Електрична схема токарно-гвинторізного верстата CU-500
Верстат CU-500 (СУ-500) оснащений головним електродвигуном, електродвигуном для швидкого ходу, електродвигуном насоса охолоджувальної установки, панеллю в електрошафі, панеллю керування з органами керування, робочим освітленням, сполучними кабелями та проводами, захисними засобами та ін.
Електропроводка і панель в електрошафі як і потужність головного електродвигуна, напруга живлення і частота виконуються згідно замовлення клієнта.
Усі електродвигуни трифазні асинхронні.
Живлення ланцюга керування здійснюється через трансформатор із вторинною напругою в 24V та частотою залежно від замовлення клієнта.
Відповідно до норм безпеки робоче освітлення з 12V.
Щодо деталей з електроустаткування та схеми з'єднань див. прикладену до цього посібника експедиційну електричну документацію.
Головний електродвигун та електродвигун насоса охолоджувальної системи захищені від короткого замикання через запобіжні ланцюгові вимикачі (в електрошафі), а від навантаження через струмовий захист (біметалічні термічні реле) FT1, FT2, FR1.
Через короткочасний режим роботи електродвигуна для швидкого ходу він забезпечений лише ланцюговим вимикачем.
Трансформатор (ТЗ) захищений запобіжниками FU1 … FU4.
З метою механічного та електричного захисту цей верстат оснащений такими мікровимикачами:
Цей верстат можна доставити з додатковою аварійною "стоп" - педаллю на замовлення клієнта (опція).

Технічні характеристики токарних верстатів CU
Технічні характеристики токарних верстатів CU. Дивитись у збільшеному масштабі

Технічні характеристики токарних верстатів CU
Технічні характеристики токарних верстатів CU. Дивитись у збільшеному масштабі

Технічні характеристики токарних верстатів CU
Технічні характеристики токарних верстатів CU. Дивитись у збільшеному масштабі
| Найменування параметру | 16K20 | CU-400 (SU 400) | CU-500 (SU-500) |
|---|---|---|---|
| Основні параметри верстата | |||
| Клас точності згідно з ГОСТ 8-82 | Н | Н | Н |
| Найбільший діаметр заготовки, що встановлюється над станиною, мм. | 400 | 440 | 500 |
| Висота осі центрів над плоскими напрямними станини, мм | 215 | 210 | 245 |
| Найбільший діаметр заготовки оброблюваної над супортом, мм | 220 | 230 | 300 |
| Найбільша довжина заготівлі, що встановлюється в центрах (РМЦ), мм | 710, 1000, 1400, 2000 |
1000, 1500, 2000 | 1000, 1500, 2000 |
| Ширина направляючих, мм | 360 | 360 | |
| Найбільша відстань від осі центрів до кромки різцетримача, мм | 225 | ||
| Найбільший діаметр свердла при свердлінні сталевих деталей, мм | 25 | ||
| Найбільша маса заготівлі, що обробляється в центрах, кг | 460..1300 | ||
| Найбільша маса заготовки, що обробляється в патроні, кг | 200 | ||
| Шпиндель | |||
| Діаметр отвору в шпинделі, мм | 52 | 62 | 62 |
| Найбільший діаметр прутка, що проходить через отвір у шпинделі, мм | 50 | 60 | 60 |
| Частота обертання шпинделя у прямому напрямку, об/хв | 12,5..1600 | 20..100; 80..400; 400..2000 | 20..100; 80..400; 400..2000 |
| Частота обертання шпинделя у зворотному напрямку, об/хв | 19..1900 | 20..100; 80..400; 400..2000 | 20..100; 80..400; 400..2000 |
| Кількість прямих швидкостей шпинделя | 22 | 21 | 21 |
| Кількість зворотних швидкостей шпинделя | 11 | 11 | 11 |
| Кінець шпинделя за ГОСТ 12593-72 | 6K | ||
| Кінець шпинделя ISO702-II/USAS B5.9D1 ISO702-III/DIN 55027 | 8 | 8 | |
| Конічний отвір шпинделя за ГОСТ 2847-67 | Морзе 6 | 80 | 80 |
| Діаметр фланця шпинделя, мм | 170 | ||
| Діаметр патрона, мм | 250 | 250 | |
| Найбільший крутний момент на шпинделі, Нм | 1000 | 100 | 100 |
| Супорт. Подання | |||
| Найбільша довжина поздовжнього переміщення, мм | 645, 935, 1335, 1935 | ||
| Найбільша довжина поперечного переміщення, мм | 300 | 250/260 | 250/260 |
| Швидкість швидких поздовжніх переміщень, мм/хв. | 3800 | 3800 | 3800 |
| Швидкість швидких поперечних переміщень, мм/хв. | 1900 рік | 1900 рік | 1900 рік |
| Максимально допустима швидкість переміщень при роботі за упорами, мм/хв. | 250 | ||
| Мінімально допустима швидкість переміщення каретки (супорта), мм/хв. | 10 | ||
| Ціна поділу лімба поздовжнього переміщення, мм | 1 | ||
| Ціна поділу лімба поперечного переміщення, мм | 0,05 | ||
| Діапазон поздовжніх подач, мм/про | 0,05..2,8 | 0,04..12 | 0,04..12 |
| Діапазон поперечних подач, мм/про | 0,025..1,4 | 0,02..6 | 0,02..6 |
| Кількість подач поздовжніх | 42 | 120 | 120 |
| Кількість подач поперечних | 21 | 60 | 60 |
| Кількість нарізних різьблень - метричних | 64 | 64 | |
| Кількість нарізних різьблень - модульних | 64 | 64 | |
| Кількість нарізних різьблень - дюймових | 64 | 64 | |
| Кількість нарізних різьблень - питчових | 64 | 64 | |
| Межі кроків метричних різьблень, мм | 0,5..112 | 0,5..120 | 0,5..120 |
| Межі кроків дюймових різьблень, ниток/дюйм | 56..0,5 | 60..1/4 | 60..1/4 |
| Межі кроків модульних різьблень, модуль | 0,5..112 | 0,125..30 | 0,125..30 |
| Межі кроків різьб, питч діаметральний | 56..0,5 | 240..1 | 240..1 |
| Найбільше зусилля, яке допускається механізмом подач на різці - поздовжнє, Н | 5884 | ||
| Найбільше зусилля, яке допускається механізмом подач на різці - поперечне, Н | 3530 | ||
| Різцеві санки | |||
| Найбільше переміщення різцевих санчат, мм | 150 | 140 | 140 |
| Переміщення різцевих санок на один поділ лімба, мм | 0,05 | ||
| Найбільший кут повороту різцевих санок, град | ±90° | ±90° | ±90° |
| Ціна поділу шкали повороту різцевих санчат, град | 1° | 1° | 1° |
| Найбільший переріз державки різця, мм | 25 х 25 | 25 х 25 | 25 х 25 |
| Висота від опорної поверхні різця до осі центрів (висота різця), мм | 25 | 30 | 30 |
| Число різців у різцевій головці | 4 | 4 | 4 |
| Задня бабка | |||
| Діаметр пінолі задньої бабки, мм | 70 | 70 | |
| Конус отвору в пінолі задньої бабки за ГОСТ 2847-67 | Морзе 5 | Морзе 5 | Морзе 5 |
| Найбільше переміщення пінолі, мм | 150 | 180 | 180 |
| Переміщення пінолі на один поділ лімба, мм | 0,1 | ||
| Розмір поперечного зміщення корпусу бабки, мм | ±15 | ±10 | ±10 |
| Електроустаткування | |||
| Електродвигун головного приводу, кВт | 11 | 7,5; 11 | 7,5; 11 |
| Електродвигун приводу швидких переміщень, кВт | 0,12 | 0,55 | 0,55 |
| Електродвигун насоса СОЖ, кВт | 0,125 | 0,09 | 0,09 |
| Габарити та маса верстата | |||
| Габарити верстата (довжина ширина висота) РМЦ = 1000 мм | 2795 х 1190 х 1500 | 2435 х 1185 х 1286 | 2435 х 1185 х 1304 |
| Маса верстата, кг | 3010 | 2210 | 2280 |