metalinstryment.com
Довідник по металорізальних верстатів та пресовому обладнанні

ФВ-321М (FV-321 M) верстат фрезерный вертикальний
схеми, опис, характеристики

Загальний вигляд  фрезерного верстата ФВ-321М широкоуніверсального







Відомості про виробника фрезерного широкоуніверсального верстата ФВ-321М

Фрезерный вертикальний верстат ФВ-321М выпускался предприятием - Арсенал (Arsenal), Болгария. Болгарские производители металлообрабатывающих верстатів





Верстати, выпускаемые Болгарскими станкостроительными заводами


ФВ-321М Верстат фрезерный вертикальний підвищеної точності. Назначение і область применения

Вертикальный фрезерный верстат предназначен для выполнения разных фрезерных операций для нужд общего машиностроения, выполняемых з помощью цилиндрических, дисковых, фасонных, торцевых, модульных, червячных і других фрез.

На станке можно обрабатывать разные плоскости, канавки, зубчасті колеса, растачивать отверстия в деталях из стали, чугуна, цветных металлов і пластмассы.

Верстат осуществляет автоматический маятниковый цикл і напівавтоматические линейные циклы.

Технологические возможнoсти верстата могут быть расширены з использованием універсального делительного аппарата, круглого делительного стола, пристроя для нарізання гребенок і других приборов і пристосувань.

Принцип роботи і особливості конструкції верстата

Выбор оборотів шпинделя

Каждая из 12 степеней обертання выбирается подходящим расположением рукояток 1, 2 і 3, указанных на графично оформленной панелі / фиг.9 /. Чтобы легче выбрать желаемую степень обертання, надо на короткое время нажать на кнопку “Импульс шпинделя“ / поз.46, фиг.3а /. При установці положения рукоятки фиксатор должен быть установлен в гнездо фланца на крышке, что гарантирует і фиксацию соответствующего зубчатого блока.

Не допускается переключение ступеней обертання во время роботи верстата.

Выбор скорости подачі

Выбор необходимой скорости подачі осуществляется через поворачивания потенциометра / поз.53, фиг.3а / і стойности подачі указана на шкале пульта керування.

Керування продольных подач

Ручні продольные подачі осуществляются маховиками 3 і 21 / фиг.3 /, a механические подачі включаются рукояткой 4 / фиг.3 /.

Керування поперечных і вертикальних подач

Ручні поперечные і вертикальные подачі осуществляются рукояткой 1 / фиг.3 /. Рукоятку снять со верстата перед включением механизированной подачі і швидкого ходу.

Механические поперечные і вертикальные подачі включаются рукоятками 15 і 17 / фиг.3 /.

Охлаждение инструмента

Система охлаждения приводится в действие і останавливается переключателем “Увімкнення і вимкнення охлаждения“ / поз.44, фиг.3а / во время роботи шпинделя.

Срабатывание приводу головного руху і приводу подачі

Срабатывание механізмов подачі робочого или швидкого ходу можно осуществить з помощью или без обертання горизонтального и/или вертикального шпинделя.

Направление обертання горизонтального шпинделя выбирается переключателем / поз.47, фиг.3а /, а направление обертання вертикального шпинделя - переключателем / поз.53, фиг.3а /. “Прямое вращение“ соответствует вращению шпинделя против часовий стрелки, смотря по направлению против обертання.


Руководство по обслуговування і експлуатации фв 321м

Нажатием на кнопку “Старт“ / поз.49, фиг.3а / приводятся в действие соответственно один или два шпинделя і одновременно з етим подготовляется ланцюг пуска двигуна подачі і насоса охлаждающей системы.

Механізми подачі для разных осей приводятся в действие рукоятками, следующим способом:

ВНИМАНИЕ: Запрещается пуск в ход по осям при затянутых направляючих.

Быстрый ход приводится в действие нажатием кнопки “Быстрый ход“ / поз.48, фиг.3а /.

Рух робочого стола при остановленном шпинделе осуществляется следующим образом: переключатели направления обертання шпинделя / поз.47 і 53, фиг.3а / установятся в положение ”Выключено“; переключатель режима роботи / поз.43, фиг.3а / устанавливается в положение “Неподвижный шпиндель“. Подающие руху і быстый ход по осям соответствующим направлении осуществляется как і в режиме вращение шпинделя.

Для роботи в автоматическом режиме переключатель режима роботи / поз.43, фиг.3а / надо установить в положение “Автоматический“.

Наступні циклы по поздовжньої оси осуществляются соответствующимым расположением кулачков:

Кулачки имеют следующее предназначение:

Способ группировки кулачков для разных циклов указан на фиг.3b.

Верстат останавливается нажатием одной из двух кнопок “Аварийный останов“ / поз.45 или 51, фиг.3а /. При етом приводится в действие електродинамическая остановка головного привода, а остановка только шпинделя – от кнопки “Стоп шпинделя“ / поз.50, фиг.3а /. Електродвигун приводу подачі останавливается когда рукоятки осей установятся в нулевом положении.

Система охлаждения приводится в действие і останавливается включением і вимкненням переключателя “Увімкнення і вимкнення охлаждения“ / поз.44, фиг.3а / при работающим шпинделе.





ФВ-321М Посадочные і присоединительные базы верстата

Габаритные розміри робочого простору фрезерного верстата ФВ-321М

Габаритные розміри робочого простору фрезерного верстата ФВ-321М

Габаритные розміри робочого простору фрезерного верстата ФВ-321М. Дивитись у збільшеному масштабі



Габаритные розміри робочого простору фрезерного верстата ФВ-321М

Габаритные розміри робочого простору фрезерного верстата ФВ-321М

Габаритные розміри робочого простору фрезерного верстата ФВ-321М. Дивитись у збільшеному масштабі



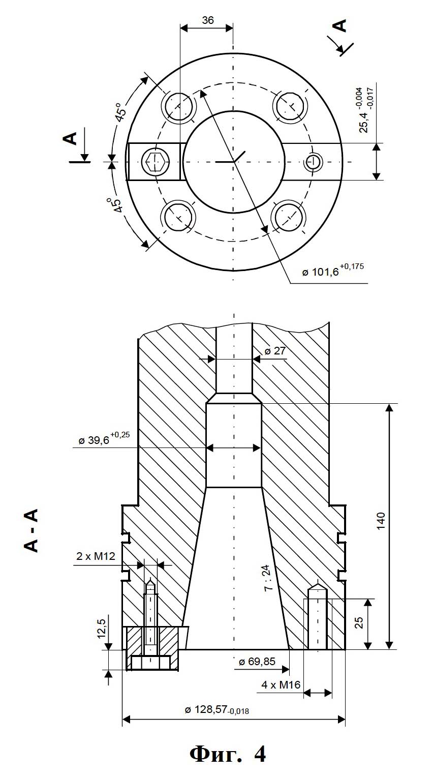
Посадочные і присоединительные базы фрезерного верстата ФВ-321М

Посадочные і присоединительные базы фрезерного верстата ФВ-321М. Кінець шпинделя

Посадочные і присоединительные базы фрезерного верстата ФВ-321М. Дивитись у збільшеному масштабі



Посадочные і присоединительные базы фрезерного верстата ФВ-321М

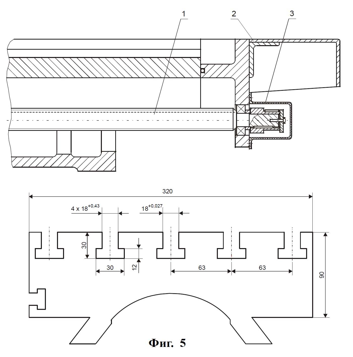
Посадочные і присоединительные базы фрезерного верстата ФВ-321М. Стол рабочий

Посадочные і присоединительные базы фрезерного верстата ФВ-321М. Дивитись у збільшеному масштабі



Загальний вигляд фрезерного верстата ФВ-321М

Загальний вигляд  фрезерного верстата ФВ-321М

Фото фрезерного верстата ФВ-321М

Посадочные і присоединительные базы фрезерного верстата ФВ-321М. Дивитись у збільшеному масштабі




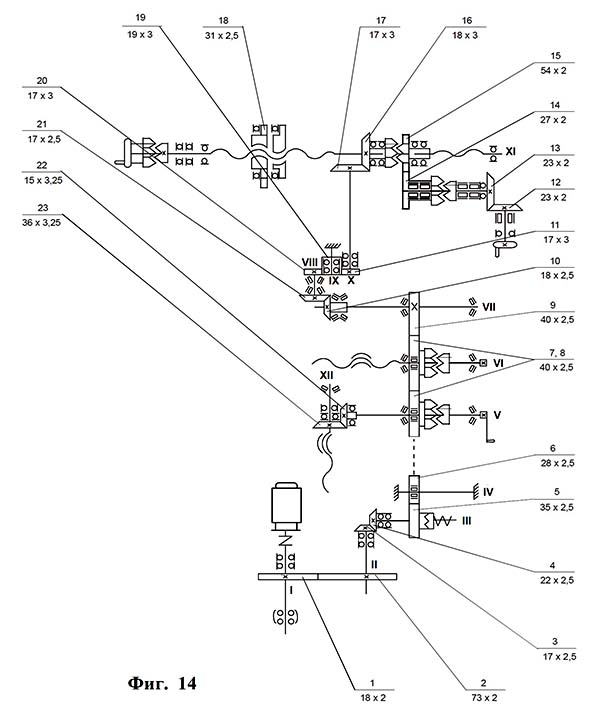
Розташування складових частин фрезерного верстата ФВ-321М

Розташування складових частин фрезерного верстата ФВ-321М

Розташування складових частин фрезерного верстата ФВ-321М

Розташування складових частин фрезерного верстата ФВ-321М. Дивитись у збільшеному масштабі



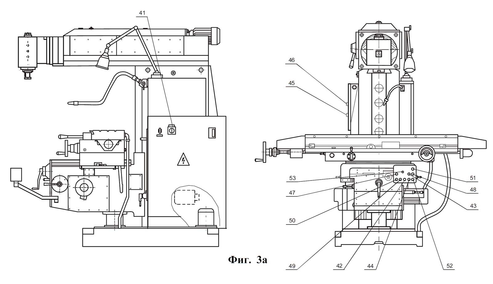
Розташування органів керування фрезерным верстатом ФВ-321М

Розташування органів керування фрезерным верстатом ФВ-321М

Розташування органів керування фрезерным верстатом ФВ-321М

Розташування органів керування фрезерным верстатом ФВ-321М. Дивитись у збільшеному масштабі



Список органів керування фрезерным верстатом ФВ-321М / фиг.3 і фиг.3a /

Розташування органів керування фрезерным верстатом ФВ-321МР, ФВ-321МФ1, ФВ-321МФ2

Розташування органів керування фрезерным верстатом ФВ-321М

Розташування складових частин фрезерного верстата ФВ-321М. Дивитись у збільшеному масштабі



Список органів керування фрезерным верстатом ФВ-321М / фиг.3 і фиг.3a /





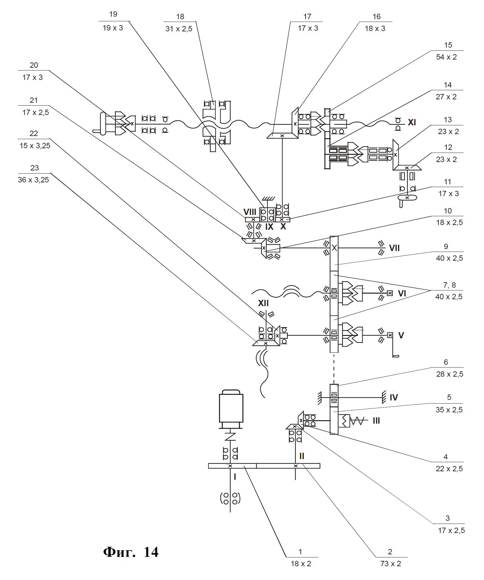
ФВ-321М Схема кінематична фрезерного верстата

Кінематична схема приводу фрезерного верстата ФВ-321М

Кінематична схема приводу фрезерного верстата ФВ-321М

Кінематична схема приводу фрезерного верстата ФВ-321М. Дивитись у збільшеному масштабі



Схема розположення підшибників в приводе фрезерного верстата ФВ-321М

Схема розположення підшибників в приводе фрезерного верстата ФВ-321М

Схема розположення підшибників в приводе фрезерного верстата ФВ-321М. Дивитись у збільшеному масштабі



Кінематична схема руху подачі фрезерного верстата ФВ-321М

Кінематична схема руху подачі фрезерного верстата ФВ-321М

Кінематична схема руху подачі фрезерного верстата ФВ-321М. Дивитись у збільшеному масштабі



Схема розположення підшибників руху подачі фрезерного верстата ФВ-321М

Схема розположення підшибників руху подачі фрезерного верстата ФВ-321М

Схема розположення підшибників руху подачі фрезерного верстата ФВ-321М. Дивитись у збільшеному масштабі



Опис основних вузлів верстата

Розташування основних вузлів верстата указано на фиг. 25.


Станина і механизированный хобот

Станина является основным елементом верстата, на котором установлены все остальные вузли і механізмы. Станина укреплена на чугунном основании, емкость которого используется в качестве бака для охлаждающей жидкости.


Главный привод

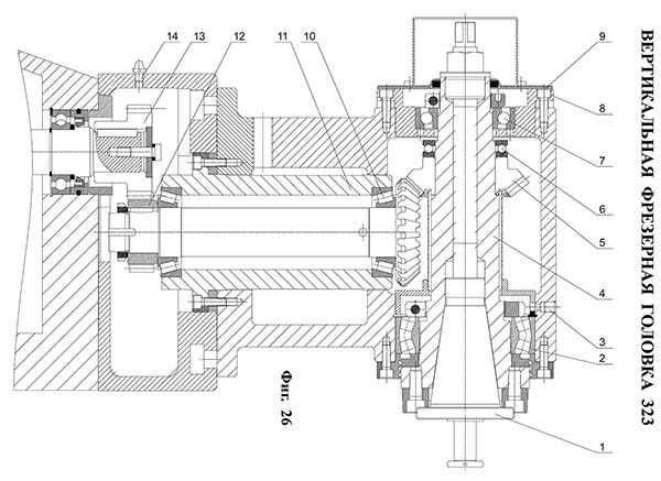
Вертикальная фрезерна  головка фрезерного верстата ФВ-321М

Вертикальная фрезерна головка фрезерного верстата ФВ-321М

Вертикальная фрезерна головка фрезерного верстата ФВ-321М. Дивитись у збільшеному масштабі



Привід приводится в рух електрическим двигателем, который расположен в задньої частини механизированного хобота і обеспечивает 12 степеней обертання. Кінематична схема приводу указана на фиг. 12.

Привід заканчивается вертикальной фрезерной головкой ВФГ 323, которая расширяет технологические возможности верстата.

ВНИМАНИЕ: Максимально допустимый крутящий момент шпинделя – 150 N.m.


Механізм переключения головного привода

Он расположен з левой стороны механизированного хобота. Его внешний вигляд указан на фиг. 9.


Коробка подач

Этот механізм является самостоятельным узлом і установлен з левой стороны консоли. Коробка подач связывает електродвигатель з принудительным охолодженням з приводом подачі верстата посредством упругой муфты.


Консоль

К консоли закреплены все механізмы, которые обеспечивают руху подачі верстата / фиг.14 /.

Предохранительная муфта / вал VIII, фиг.14 / прерывает рух подачі при перегрузке. Она отрегулирована на передачу крутящего момента 140 Nm. При работе в етом режиме муфта должна отключить рух подачі.

Поворотом гайки 1 / фиг.6 / регулируется предохранительная муфта.

Предварительно следует снять крышку 30 / фиг.3 / і вынуть шпленты 2 / фиг.6 /.

Механическая поперечная подача выключается кулачками 28 / фиг.3 / і микропереключателями 29 / фиг.3 /, a вертикальная подача выключается кулачками 24 / фиг.3 / і микропереключателями 27 / фиг.3 /.

В случаях когда не используется вертикальний ход верстата, з целью увеличения устойчивости верстата следует зажать консоль к станине поворотом рукояток 26 / фиг.3 /.


Суппорт, салазки, рабочий стол

Суппорт перемещается по консоли. Стопорится к ней рукояткой 14 / фиг.3 /.

Салазки имеют возможность поворота на 45° в двух направлениях. Их фиксация осуществляется гвинтами 2 і 25 / фиг.3 /. В салазки встроено напівавтоматическое пристрій для удаления зазору (опция) в продольном винте.

Удаление зазору необходимо только при попутном фрезерование і осуществляется рукояткой 16 / фиг.3 /. Пристрій должно выключаться при быстром ходе руху.

Фиксация робочого стола к салазкам производится гвинтами 12 / фиг.3 /.


Смазка

Схема змазки верстата указана на фиг. 8, а на фиг. 8а указаны смазочные материалы, которые рекомендуются при смазке окремих вузлів.

Смазка приводу механизированного хобота корпусная – масло разбрызгивается зубчатыми колесами, погруженными в картер. Оно заливается в картер через пробку 8. Уровень масла контролируется через маслеуказательное окошко 7, а слив - через пробку 9.

Підшипники 2 і 7 / фиг.26 / заполняются заводом-изготовителем з змазки тип Mobilith SHC 220 - Mobil. В процессе експлуатации подшипник 2 смазывается прессмасленкой 26 / фиг.8 /, а подшипник 7 - після снятия крышки 9 / фиг.26 / через каждые 1600 часов роботи. Количество заправляемого смазка - от 10 до 18 грамм. В резервуар наливается машинное масло тип Mobil Vactra Oil No.2 через маслозаливные отверстия, закрывающиеся пробка 24 / фиг.8 / до середины маслоуказательного окошка 25 / фиг.8 /.

Смена масла производится через 5000 часов роботи, причем уровень его не должен опускаться ниже заданного. Для спуска масла необходимо снять пробку 24 / фиг.8 /.

Смазка приводу подач і механізмов, расположенных в консоли, осуществляется зубчатым насосом з самостоятельным приводом 20. Для заправки масла в консоли необходимо снять крышку 13, а при сливе – отвинтить пробку 17.

Смазка направляючих, служащих для переміщення по осям і механізмов, находящихся в суппорте, салазках і рабочем столе осуществляется з помощью централизованной системы дозированной змазки. Перед експедицией верстата смазочный агрегат настраивается на выполнение универсальных работ. При выполнении некоторых видов работ время і период змазки могут быть перенастроены /см. "Руководство по обслуговування і експлуатации системой дозированной змазки"/.

Масло заливают через пробку 11, а за уровнем масла наблюдают через прозрачный резервуар 12.

Масло для змазки вертикального гвинта заливается після снятии крышки 14. Для етого надо установить консоль в крайнее верхнее положение. Уровень масла должен доходить до середины маслоуказателя 19. Слив осуществляется через пробку 18 при крайнем нижнем положении консоли. Очистка бака і полная замена масла производится при ремонтi верстата.

При работе з вертикальном винтом необходимо один–два раза в смену передвигать консоль в двух крайных положениях. Підшипники левой консоли робочого стола смазываются прессмасленкой 21.

Работая на станке соблюдать указания, данные на табличках.


Система охлаждения

Система охлаждения включает в себя бак для охлаждающей жидкости, насос і выпускное отверстие. Бак расположен в основании верстата.

Количество охлаждающей жидкости должно быть около 50 л.

На основании установливается емкость, которая предназначена для сбора охлаждающей жидкости з суппорта, салазок і консоли.

Охлаждение удлиняет жизнь режущих кромок инструмента і обеспечает хорошую обработку поверхностей. При выборе охлаждающей жидкости надо мати ввиду ети факторы, как і опасность повреждения окраски верстата і появления ржавчины на неокрашенных металлических поверхностях.

Двигатель насоса расположен в задньої частини станины. Он включается переключателем “Увімкнення / вимкнення охлаждения“ / поз.44, фиг.3а /, который расположен на дверке електрошафи.

Охлаждающая жидкость приводится в рух насосом, поступает на инструмент из брантспойта, расположенного перед станиной. Брантспойт можно устанавливать под произвольным углом і оставлять в етом положении благодаря его гибкой конструкції.

У брантспойта есть цилиндрическая часть з краном, которая выполняет две функции: прекращение подачі і регулювання дебита охлаждающей жидкости. При включенном насосе подачу жидкости можно остановить только краном.

Рекомендуемые охлаждающие жидкости: Mobil - Mobilcut 262

Если используется охлаждающая жидкость других производителей, рекомендуем потребовать от них COSHH материалы для справки.

ВНИМАНИЕ: При обработке легковоспламеняющихся материалов, таких как алюминий і др., надо использовать охлаждающую жидкость з високою точкой воспламененния.


Електроустаткування верстата ФВ-321М


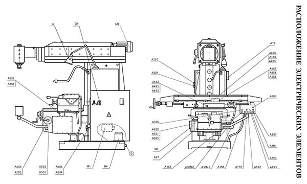
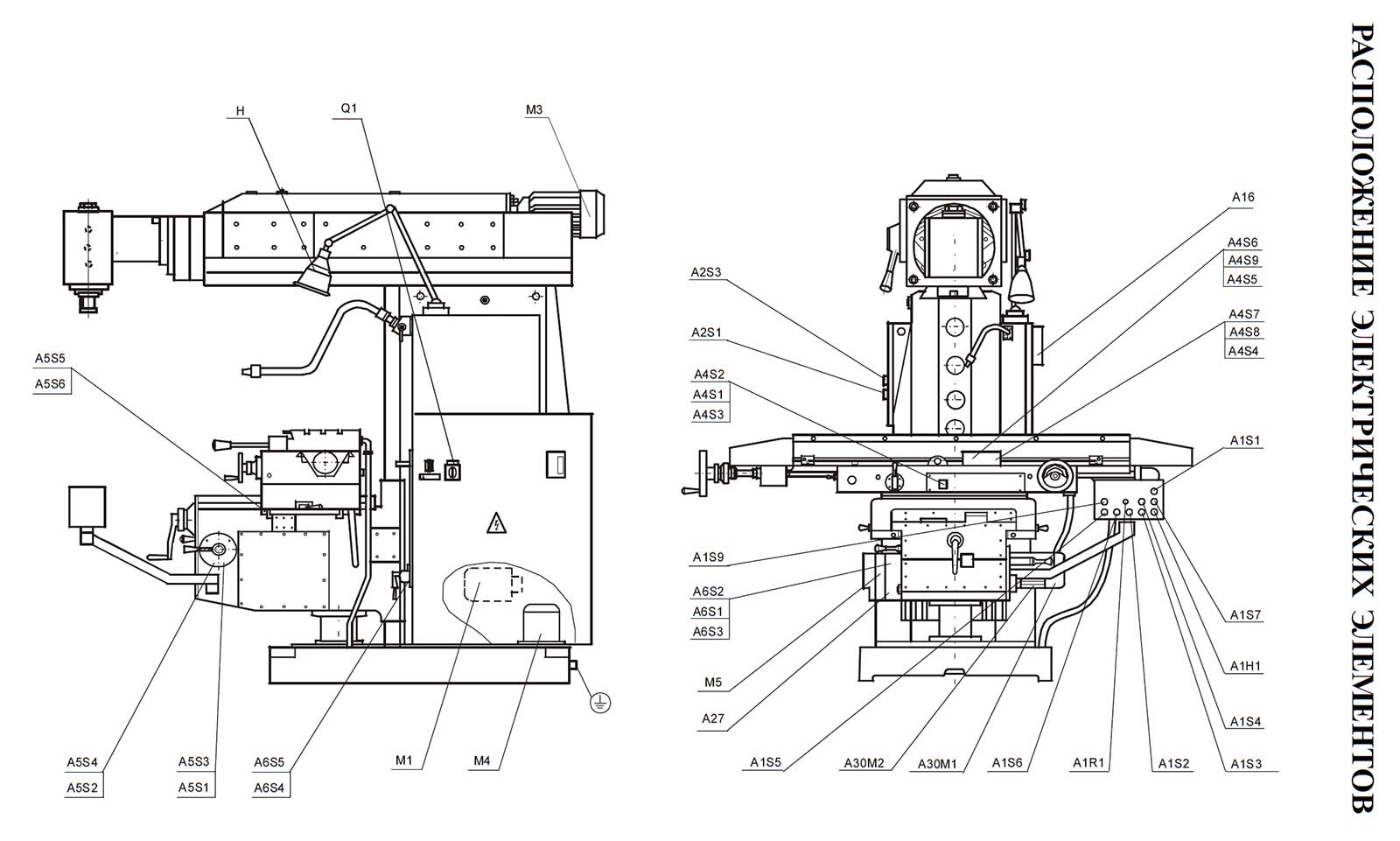
Розташування електрических елементів фрезерного верстата ФВ-321М

Розташування електрических елементів фрезерного верстата ФВ-321М

Розташування електрических елементів фрезерного верстата ФВ-321М. Дивитись у збільшеному масштабі



Електроустаткування верстата выполнено для трехфазного переменного напряжения і частоти со стоимостями, указанными в комплектовочно-упаковочной ведомости.

Верстат работает нормально при изменении напряжения не больше чем на ±10%, а частоти – на ±2% номинальной.

Верстат питается через кабель 4х6 mm2 при четырехпроводной сети і 5х6 mm2 – при пятипроводной сети. Силовой кабель проходит через електрический вход, расположенный на електрическом шкафу і связывается клеммами L1, L2, L3 головного перерывателя Q1 і в зависимости от сети з клеммами N или PE, расположенными у головного перерывателя Q1.

Принципальные електрические схеми електроустаткування і монтажная схема указаны на фиг.16 і фиг.17.




ФВ-321М Верстат фрезерный вертикальний. Відеоролик.





Технічні характеристики фрезерного верстата ФВ-321М

Технічні характеристики фрезерного верстата ФВ-321М

Технічні характеристики фрезерного верстата ФВ-321М

Технічні характеристики фрезерного верстата ФВ-321М. Дивитись у збільшеному масштабі

Наименование параметра ФВ-321М 6Т12 6Т13
Основні параметри верстата
Розміри поверхности стола, мм 1350 х 320 1250 х 320 1600 х 400
Наибольшая масса обрабатываемой детали, кг 300 400 630
Наибольший продольный ход стола (Ручная/ Механическая подачі) (X), мм 1000/ 980 800 1000
Наибольший поперечний ход стола (Ручная/ Механическая подачі) (Y), мм 360/ 340 320 400
Наибольший вертикальний ход стола (Ручная/ Механическая подачі) (Z), мм 460/ 440 420 430
Расстояние от торца шпинделя до поверхности стола, мм 208..660 30..450 70..500
Расстояние от оси шпинделя до вертикальних направляючих станины (вылет), мм 305..1065 380 460
Расстояние от края стола до вертикальних направляючих станины, мм 70..390 60..460
Поворот стола, град ±45° - -
Шпиндель
Мощность приводу головного руху, кВт 7,5 11
Частота обертання шпинделя, об/мин 40..2000 31,5..1600 31,5..1600
Количество швидкостей шпинделя 12 18 18
Перемещение пиноли шпинделя, мм 70 80
Перемещение пиноли шпинделя на одно деление лимба, мм 0,05 0,05
Угол поворота шпиндельной головки, град ±45° ±45°
Кінець шпинделя ISO 50
Кінець шпинделя ГОСТ 24644-81, ряд 4, виконання 6 50 50
Рабочий стол. Подачи
Пределы продольных і поперечных подач стола (X, Y), мм/мин 10..1000 12,5..1600 12,5..1600
Пределы вертикальних подач стола (Z), мм/мин 4..415 4,1..530 4,1..530
Количество подач стола (продольных, поперечных, вертикальних) Б/с 22 22
Скорость быстрых перемещений (продольных, поперечных/ вертикальних) X, Y/ Z, м/мин 2,5/ 1,040 4/ 1,330 4/ 1,330
Перемещение стола на одно деление лимба (продольное, поперечное, вертикальное), мм 0,05 0,05
Перемещение стола на один оборот лимба (продольное, поперечное/ вертикальное), мм 6/ 2 6/ 2
Наибольшее допустимое усилие різання (продольное/ поперечное/ вертикальное), кН 15/ 12/ 5 20/ 12/ 8
Механіка верстата
Выключающие упоры подачі (поздовжньої, поперечної, вертикальной) Есть Есть Есть
Блокировка ручной і механической подач (поздовжньої, поперечної, вертикальной) Есть Есть Есть
Блокировка раздельного увімкнення подач Есть Есть Есть
Торможение шпинделя Есть Есть Есть
Предохранительная муфта от перегрузок Есть Есть Есть
Автоматическая прерывистая подача Есть Есть Есть
Електроустаткування і приводы верстата
Количество електродвигателей на станке 4 4
Електродвигун головного руху, кВт 4 7,5 11
Електродвигун приводу подач, кВт 2,2 3 3
Електродвигун зажиму инструмента, кВт 0,25 0,25
Електродвигун насоса СОЖ, кВт 0,12 0,12
Суммарная мощность всех електродвигателей, кВт 10,87 14,37
Габарити і масса верстата
Габарити верстата (длина ширина высота), мм 3150 х 2110 х 2000 2280 х 1965 х 2265 2570 х 2252 х 2430
Масса верстата, кг 3100 3250 4300


    Список литературы:

  1. Вертикальный фрезерный верстат ФВ 321М. Руководство по обслуговування і експлуатации

  2. Аврутин С.В. Основы фрезерного дела, 1962
  3. Аврутин С.В. Фрезерне дело, 1963
  4. Ачеркан Н.С. Металлорежущие верстати, Том 1, 1965
  5. Барбашов Ф.А. Фрезерне дело 1973, с.141
  6. Барбашов Ф.А. Фрезерные роботи (Профтехобразование), 1986
  7. Блюмберг В.А. Справочник фрезеровщика, 1984
  8. Григорьев С.П. Практика координатно-расточных і фрезерных работ, 1980
  9. Копылов Р.Б. Работа на фрезерных верстатах,1971
  10. Косовский В.Л. Справочник молодого фрезеровщика, 1992, с.180
  11. Кувшинский В.В. Фрезерование,1977
  12. Ничков А.Г. Фрезерные верстати (Библиотека станочника), 1977
  13. Пикус М.Ю. Справочник слесаря по ремонту металлорежущих верстатів, 1987
  14. Плотицын В.Г. Расчёты настроек і наладок фрезерных верстатів, 1969
  15. Плотицын В.Г. Наладка фрезерных верстатів,1975
  16. Рябов С.А. Современные фрезерные верстати і их оснастка, 2006
  17. Схиртладзе А.Г., Новиков В.Ю. Технологическое обладнання машиностроительных производств, 1980
  18. Тепинкичиев В.К. Металлорежущие верстати, 1973
  19. Чернов Н.Н. Металлорежущие верстати, 1988
  20. Френкель С.Ш. Справочник молодого фрезеровщика (3-е изд.) (Профтехобразование), 1978









Заказать