Виробником верстата ОТ-4 є - Одеський верстатобудівний завод .
Полегшений токарно-гвинторізний верстат ОТ-4 спроектований на базі токарного верстата 1П611 і може застосовуватись у пересувних ремонтних майстернях.
Токарно-гвинторізний верстат ОТ-4 підвищеної точності інструментальної групи призначений для виконання найрізноманітніших робіт у центрах, цангових або кулачкових патронах по чорних та кольорових металах, включаючи точення конусів, а також для нарізування метричних, модульних, дюймових різьблень.
Токарний верстат ОТ-4 застосовується для чистових та напівчистових робіт у одиничному та дрібносерійному виробництві. Верстати призначені для експлуатації переважно у багатоповерхових будинках, а також у рухомих ремонтних майстернях та судах.
Верстат забезпечує:

Габарити робочого простору токарного верстата ОТ-4

Посадочні та приєднувальні бази токарного верстата ОТ-4

Фото токарно-гвинторізного верстата ОТ-4

Розташування основних вузлів токарного верстата ВІД-4

Розташування органів керування токарним верстатом ОТ-4

Кінематична схема токарного верстата ОТ-4
Схема кінематична токарно-гвинторізного верстата ВІД-4. Дивитись у збільшеному масштабі
Передня бабка встановлюється у лівій верхній частинині станини. Складається з наступних елементів:
Обертальний рух шпиндель отримує від шківа або через перебір, або через зубчасту муфту. Шпиндель має 14 ступенів швидкостей та частоту обертання 33,5...3000 оборотів на хвилину. У передній опорі шпинделя встановлені роликовий підшипник, що сприймає радіальні навантаження і два завзятих підшипника, що сприймають осьові навантаження. У задній опорі встановлений радіально завзятий підшипник.
Гітара змінних зубчастиних коліс призначена для нарізування різних різьблень. Складається з корпусу, прикріпленого до передньої бабки та коробки прихилу та кришки. Прихил провертається на фланці вивідного валу передньої бабки та фіксується у потрібному положенні болтом. Налаштування приводу подачі забезпечує встановлення різних наборів змінних зубчастиних коліс.
Супорт верстата переміщається по двох призматичним напрямним у поздовжньому напрямку станини. Знизу до поздовжніх санок кріпиться фартух. У верхній частинині по направляючих поздовжніх санок переміщаються поперечні санки. Ззаду та зверху на санках виконані Т-подібні пази, призначені для монтажу заднього різцетримача. Різцеутримувач встановлений на верхній каретці.
Мастило підшипників супорта здійснюється за допомогою кулькових маслянок.
Задня бабка предназначена для поддержания длинных заготовок центром во избежание радиального биения, а также для установки режущего инструмента (сверло, метчик, плашка).
Задня бабка монтируется на плоские направляющие станины. Фиксируется положение бабки при помощи ексцентрикового прижима. Смещение в поперечном направлении корпуса задньої бабки осуществляется двумя гвинтами. Данное смещение необходимо при точении конусов. В Корпусе бабки перемещается пиноль. Пиноль зажимается з помощью рукоятки, стягивающей сухари.
Смазка задньої бабки осуществляется шариковой масленкой.

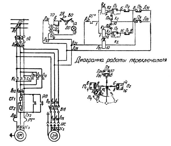
Електрична схема токарного верстата ОТ-4
| Наименование параметра | 1П611 | ОТ-4 |
|---|---|---|
| Основні параметри верстата | ||
| Класс точності по ГОСТ 8-82 | П | П |
| Наибольший диаметр заготовки над станиной, мм | 250 | 250 |
| Наибольший диаметр заготовки над суппортом, мм | 145 | 145 |
| Наибольшая длина заготовки (РМЦ), мм | 500 | 500 |
| Наибольшая длина обточки заготовки, мм | 450 | |
| Высота центров над станиной, мм | 135 | 135 |
| Шпидель | ||
| Диаметр сквозного отверстия в шпинделе, мм | 26,5 | 26,5 |
| Наибольший диаметр обрабатываемого прутка в патроне, мм | 25 | 25 |
| Наибольший диаметр обрабатываемого прутка в цанге, мм | 16 | 16 |
| Число ступеней частот прямого обертання шпинделя | 14 | 14 |
| Частота прямого обертання шпинделя, об/мин | 33,5..3000 | 33,5..3000 |
| Размер внутреннего конуса в шпинделе, М | Мозе 4 | Мозе 4 |
| Суппорт | ||
| Наибольшее перемещение суппорта продольное/ поперечное, мм | 580/ 150 | 580/ 150 |
| Число ступеней продольных подач | 24 | 24 |
| Пределы рабочих подач продольных, мм/об | 0,05..0,7 | 0,05..0,7 |
| Пределы рабочих подач поперечных, мм/об | 0,025..0,35 | 0,025..0,35 |
| Скорость быстрых перемещений суппорта, продольных, м/мин | нет | нет |
| Скорость быстрых перемещений суппорта, поперечных, м/мин | нет | нет |
| Количество нарезаемых різьб метрических | ||
| Межі кроків різьб метричних, що нарізаються, мм | 0,25..3,5 | 0,25..3,5 |
| Кількість нарізних різьблень дюймових | ||
| Межі кроків різьблення дюймових | 80..7 | 80..7 |
| Кількість нарізних різьблень модульних | ||
| Межі кроків різьблення модульних | 0,25..1,75 | 0,25..1,75 |
| Переміщення на один поділ лімба в поздовжньому/поперечному напрямку, мм | 1/ 0,02 | 1/ 0,02 |
| Діаметр та крок ходового ггвинта, мм | 30 х 6 | 30 х 6 |
| Діаметр ходового валу, мм | 20 | 20 |
| Верхні санки | ||
| Найбільше переміщення санок, мм | 150 | 150 |
| Переміщення санок на один поділ лімба, мм | 0,02 | 0,02 |
| Переміщення санок на один оберт лімба, мм | 2,0 | 2,0 |
| Кут повороту санок, град | ±45 | ±45 |
| Найбільший переріз державки різця, мм | 16 х 16 | 16 х 16 |
| Відстань від опорної поверхні різця до лінії центрів, мм | 16 | 16 |
| Задня бабка | ||
| Найбільше переміщення пінолі задньої бабки, мм | 70 | 70 |
| Конус пінолі задньої бабки, мм | Морзе 3 | Морзе 3 |
| Діаметр пінолі задньої бабки, мм | 40 | 40 |
| Найбільше поперечне усунення задньої бабки, мм | ±10 | ±10 |
| Переміщення пінолі на один поділ лінійки, мм | 1 | 1 |
| Електроустаткування | ||
| Кількість електродвигунів на верстаті | 2 | |
| Електродвигун головного приводу, кВт | 1,5 | 1,5 |
| Електродвигун насоса охолодження, кВт | 0,12 | 0,12 |
| Габарити та маса верстата | ||
| Габарити верстата (довжина ширина висота), мм | 1510 х 700 х 1360 | 1510 х 700 х 1360 |
| Маса верстата, кг | 560 | 535 |