Виробниками токарно-гвинторізного верстата ОТ-5 були Одеський верстатобудівний завод та Кіроваканський завод прецизійних верстатів м. Кіровокан – Ванадзор .
На даний час випуск верстатів припинено.
Полегшений токарний верстат ОТ-5 спроектований на базі токарного верстата 16Б05П та може застосовуватись у пересувних ремонтних майстернях.
Токарний верстат ОТ-5 призначений для виконання різних токарних робіт високої точності, що виконуються в центрах, цангу, патроні та планшайбі, а також для нарізування метричних, дюймових та модульних різьблень.
Верстат ОТ-5 забезпечує якість оброблюваної поверхні та точність роботи (точність розмірів, геометричних форм) високого класу.
Верстат призначений для використання у кліматичних умовах – У.4.1. за ГОСТ 15150-69
В автоматичну лінію не вбудовується.
Клас точності П згідно з ГОСТ 8-82Е.
Розробник - Одеське СКБ спеціальних верстатів.

Габаритні розміри робочого простору верстата ОТ-5

Передній кінець шпинделя токарно-гвинторізного верстата ОТ-5

Фото токарно-гвинторізного верстата ОТ-5

Фото токарно-гвинторізного верстата ОТ-5

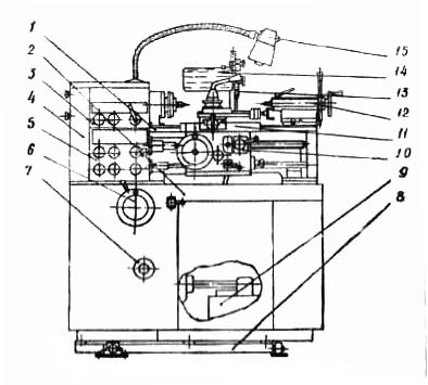
Розташування складових частинин токарного верстата ВІД-5

Розташування органів керування токарним верстатом ВІД-5

Кінематична схема токарно-гвинторізного верстата ОТ-5
Схема кінематична токарно-гвинторізного верстата ВІД-5. Завантажити у збільшеному масштабі
Кінематична схема верстата дозволяє здійснювати такі операції:

Варіатор токарно-гвинторізного верстата від-5
Варіатор (безступінчаста коробка швидкостей)
Варіатор складається з власне варіатора та двоступінчастої коробки швидкостей (коробки перемикання діапазонів).
Первый (ведущий) вал 2 варіатора приводится во вращение фланцевым електродвигуном через зубчатую полумуфту. Вторая половина муфты выполнена заодно з валом 2, на котором установлены нерухомий (в осевом направлении) диск 4 і подпружиненный скользящий диск 3, образующие ведущий шкив варіатора. От етого шкива вращение посредством широкого клинового ремня передається валу 7 через ведомый шкив варіатора, состоящий из нерухомого диска 5 і управляемого скользящего диска 6.
Кроме ведомого шкива, на валу 7 расположены зубчасті колеса 8 і 9. Зубчатое колесо 9 снабжено наружным і внутренним зубчатым венцом полумуфтой. Зубчатое колесо 8, перемещаясь по шлицам вдоль вала 7, переключает диапазоны швидкостей выходного вала варіатора. На етом валу посажен ведущий шкив клиноременной передачи, связывающей вариатор з передньої бабкой. Для натяжения передачи корпус 11 коробки швидкостей варіатора може поворачиваться на стакане 10, закрепленном на корпусе 1 варіатора. Поворот корпуса 11 производится при помощи стяжной гайки 21, після чего корпус закрепляется гвинтами на стакане 10.
Механізм керування вариатором і коробкой швидкостей расположен сверху на корпусе варіатора. Маховичок 12 управляет переміщенням скользящего диска 6, рукоятка 16 служит для переключения шестерен в коробке швидкостей. Планетарная передача 20—19—18—17 связывает маховичок 12 з диском 13, на котором установлено кольцо 14 з лимбом 15. На лимбе нанесены две шкалы скорости обертання шпинделя, одна — для прямого увімкнення шпинделя, вторая — для увімкнення шпинделя через перебор.
Для отсчета показаний шкал служат две пары указательных штрихов, нанесенных на прозрачном щитке, расположенном над лимбом. При переключении швидкостей варіатора щиток перемещается вместе з рукояткой 16. Для отсчета следует пользоваться той парой указательных штрихов, которая в данный момент находится в верхнем положении.

Шпиндельная бабка токарно-гвинторізного верстата ОТ-5
В корпусе передньої бабки собраны:
Приемный шкив 8 передньої бабки установлен на втулке 11, соосной со шпинделем 4. Слева от шкива расположена муфта 10 прямого увімкнення шпинделя, справа — зубчасті колеса перебора 2, 6, 7,11.
Шпиндель верстата вращается в прецизионных підшипниках качения.
В передньої опоре шпинделя установлены роликовый двухрядный подшипник і два шариковых радиально-упорных, в задньої — шариковый радиальный подшипник.
Задня опора шпинделя і левая опора втулки 11 шкива 8 расположены в стакане 9. При замене приводных ремней етот стакан нужно снимать.
Передаточное отношение перебора передньої бабки равно 1/8 Керування перебором 6, 7 і муфтой 10 прямого увімкнення осуществляется одной рукояткой. Рядом з шестерней перебора 11 на шпинделе 4 расположено зубчатое колесо 3 приводу різьб і подач. Зубчатое колесо 1, расположенное на первом валу 12 приводу різьб і подач, може соединяться либо з зубчатым колесом перебора 11, либо з зубчатым колесом 3, сидящим на шпинделе. Это дает возможность при включенном переборе получить увеличение шага резьб
Изменение направления подачі или нарезаемой різьби осуществляется трензелем, состоящим из двойного зубчатого колеса 13, скользящего зубчатого колеса 15 і паразитного колеса 16. Колеса 15 посажено на шлицы выходного вала 14, на конец которого надевается одно из сменных колес гітари.
Рукоятки керування механізмами передньої бабки расположены на передньої стенке бабки. Спереди к корпусу бабки 5 прикреплен литой кожух, в котором установлены кнопки керування головним електродвигуном.
Смазка механізмов передньої бабки — централизованная, от смазочного агрегата.

Схема розположення підшибників токарно-гвинторізного верстата от-5
Схема розположення підшибників токарно-гвинторізного верстата от-5. Скачать в увеличенном масштабе
Шпиндель верстата от-5 смонтирован на 4-х підшипниках:

Передний конец шпинделя токарно-гвинторізного верстата от-5
Передний конец шпинделя токарно-гвинторізного верстата от-5. Скачать в увеличенном масштабе
Для регулювання радиального зазору двухрядного роликового підшипника передньої опори шпинделя необходимо:
А = В - δ мм,
где
В — толщина снятых полуколец 4 до шлифовки, мм;
δ — величина необходимого смещения внутреннего кольца підшипника δ относительно посадочной шейки шпинделя 8.
Величина смещения δ определяется по формуле:
δ = 15(Δо — Δ + 0,01) мм,,
где
Δо -начальный радиальный зазор (до регулировки), мм; Δ — требуемый радиальный зазор підшипника, мм.
Токарно-винторезные верстати мод. от-5 поставляются з радиальным зазором Δ = 0,003 до 0,005 мм.
Подшипник 3182111 - ето двухрядный роликовый радиальный подшипник, з короткими цилиндрическими роликами, з безбортовым наружным кольцом (вследствие чего комплект тел качения на сепараторе способен перемещаться і создавать «плавающую» опору), з коническим посадочным отверстием (1:12), канавкой і отверстиями для внесения смазочного материала. Основное место експлуатации таких підшибників — верстати различного применения, вузли где действуют высокие радиальные нагрузки і скорости. Этот типоразмер, как і большинство роликопідшибників етой серии производится в настоящее время только высокоточным.
Подшипник всегда производили на московском заводе ГПЗ-1,но в настоящее время, к сожалению, з производства он снят і купить напрямую его можно только в фирмах, которые занимаются продажей підшибників з хранения, неликвидов, бывших в употреблении, чищенных. Можно найти вироби 2, 4, 5 і 6 классов точності. Обозначение справа от номера чаще всего — Л (латунный сепаратор, старое). Цена підшибників сильно зависит от их класса точності і сохранности, от 300 до 2300 рублей.
Импортные підшипники етого типоразмера имеют обозначение NN3011K (наличие буквы К в номере обязательно, так как она указывает на коническую посадку). В Россию поставляется продукция разной ценовой категории: наиболее дорогие і надежные — FAG, SKF, KOYO, IBC, подешевле — NACHI і NSK. Еще более дешевый варіант — продукция восточно-европейских производителей — ZKL і FLT, которая чаще всего реализуется неликвидного качества, иногда даже уже бывшая в употреблении. Ориентировочная цена наиболее качественных і дорогих підшибників етого типа составляет около 275 евро.

Схема підшипника 3182111 (NN3011K) токарного верстата от-5

Фото підшипника 3182111
Подшипник 46111 - ето шариковый радиально-упорный однорядный подшипник. Тип воспринимаемой нагрузки — комбинированная радиально-осевая. Для жесткой фиксации валов верстатів, от которых требуется высокая точность обробки деталей, устанавливаются попарно. В етом случае і підшипники подбираются высоких степеней точності (Т или 2 і 4). Подшипник неразъемный. Угол контакта составляет 26° (у серии 36000 етот угол составляет 12°.
Производится данный тип на саратовском 3 ГПЗ (ОАО «СПЗ»), входящем в Европейскую Подшипниковую Корпорацию. Осуществляется выпуск следующих модификаций: 6-46111Е5 , 4-46111Е5, 6-46111Л, 4-46111Л, Т-46111Л. Для установки в вузли з меньше ответственностью подойдут підшипники, произведенные на самарском заводе СПЗ-4 по 6-му классу точності (стоят они значительно дешевле саратовских).
Международное обозначение для данного типа — 7011A.

Схема підшипника 46111 (7011A) токарного верстата от-5

Коробка подач токарно-гвинторізного верстата ОТ-5
Коробка подач верстата (рис. 12) в сочетании з гітарою позволяет устанавливать требуемые передаточные отношения для нарізання різьб з различным шагом і получения различных продольных і поперечных подач.
В коробке подач имеются наступні механізмы:
Механізм основного ряда дает возможность получить четыре передаточных отношения, пропорциональные четырем шагам метрических или модульных резьб.
Умножая ети передаточные отношения на передаточные отношения множительного механізма (1/4, 1/2, 1, 2) і на передаточные отношения механізма смещения ряда (1,1 1/4), можно нарезать метрические і модульные різьби при постоянной налаштуванні гітари.
Механізми переключения расположены на плите под крышкой коробки подач. Рукоятки переключения находятся на крышке спереди.

Електрична схема токарно-гвинторізного верстата ОТ-5
| Наименование параметра | 16Б05П | 16Б04П | ОТ-5 |
|---|---|---|---|
| Основні параметри верстата | |||
| Класс точності | П | П | П |
| Наибольший диаметр заготовки над станиной, мм | 250 | 200 | 250 |
| Наибольший диаметр заготовки над суппортом, мм | 145 | 115 | 145 |
| Наибольшая длина заготовки в центрах (РМЦ), мм | 500 | 350 | 500 |
| Высота центров над плоскими направляющими станины, мм | 135 | 108 | 135 |
| Наибольшее расстояние от оси центров до кромки резцедержателя, мм | 135 | 110 | 135 |
| Высота резца, установленного в резцедержателе, мм | 16 | 12 | 16 |
| Наибольшая высота держателя резца, мм | 20 | 17 | 20 |
| Шпиндель | |||
| Диаметр отверстия в шпинделе, мм | 26,5 | 24 | 26 |
| Наибольший диаметр прутка, проходящий через отверстие в шпинделе, мм | 25 | 23,5 | 25 |
| Наибольший диаметр прутка, проходящий через отверстие в цанге, мм | 16 | 16 | |
| Центр шпинделя по ГОСТ 13214-67 | Морзе 4 | Морзе 4 | Морзе 4 |
| Кінець шпинделя по ГОСТ 12593-72 | 4К | 4К | 4К |
| Число ступеней частот прямого обертання шпинделя | б/с регулювання | б/с регулювання | б/с регулювання |
| Частота прямого обертання шпинделя, об/мин | 35..3500, 30..3000 | 35..3500, 30..3000 | 30..3000 |
| Торможение шпинделя | есть | есть | есть |
| Блокировка рукояток | |||
| Суппорт. Подачи | |||
| Наибольшее поперечное перемещение суппорта, мм | 160 | 135 | |
| Перемещение суппорта поперечное на одно деление лимба, мм | 0,02 | 0,02 | 0,02 |
| Количество подач суппорта продольных | 28 | 28 | 28 |
| Количество подач суппорта поперечных | 28 | 28 | 28 |
| Пределы подач суппорта продольных, мм/об | 0,02..0,35 | 0,02..0,35 | 0,02..0,35 |
| Пределы подач суппорта поперечных, мм/об | 0,01..0,175 | 0,01..0,175 | 0,01..0,175 |
| Шаги нарезаемых метрических резьб, мм | 0,2..28 | 0,2..28 | |
| Шаги нарезаемых модульных резьб, мод | 0,1..14 | 0,1..14 | |
| Шаги нарезаемых дюймовых резьб, ниток на дюйм | 5..96 | 5..96 | |
| Наибольшее перемещение верхних (резцовых) салазок, мм | 110 | 80 | 110 |
| Перемещение резцовых салазок на одно деление лимба, мм | 0,02 | 0,02 | 0,02 |
| Наибольший угол поворота резцовых салазок, град | ±45° | ±45° | ±45° |
| Задня бабка | |||
| Конус Морзе задньої бабки | Морзе 3 | Морзе 3 | Морзе 3 |
| Наибольшее перемещение пиноли, мм | 85 | 70 | 85 |
| Перемещение пиноли на одно деление лимба, мм | 0,02 | 0,02 | 0,02 |
| Електроустаткування | |||
| Електродвигун головного привода, кВт | 1,5 | 1,1 | 1,5 |
| Електродвигун насоса охлаждающей жидкости, кВт | 0,12 | 0,12 | 0,12 |
| Габарити і масса верстата | |||
| Габарити верстата (длина ширина высота), мм | 1510 х 725 х 1360 | 1310 х 690 х 1360 | 1510 х 725 х 1360 |
| Масса верстата, кг | 705 | 660 | 720 |