Розробником та виробником токарно-карусельного верстата 1512 року є Краснодарський верстатобудівний завод Сєдіна , заснований в 1911 році.
У 1915 році було випущено перший токарний верстат. У 1922 році підприємство отримало свою сучасну назву — на честь токаря Сєдіна Г. М.
У 1935 році був випущений перший токарно-карусельний верстат моделі 152, а до 1937 р. визначився пріоритетний профіль заводу - верстатобудування, і в першу чергу виробництво токарно-карусельних верстатів.
Одностоєчний токарно-карусельний верстат моделі 1512 є універсальним верстатом і призначений для обробки різноманітних виробів із чорних та кольорових металів в умовах дрібносерійного та серійного виробництва.
Модель 1512 року є найбільш поширеною серед токарно-карусельних верстатів на території колишнього СРСР. Верстат дозволяє робити токарну обробку деталей діаметром до 1250 мм, висотою до 1 метра і масою до 3200 кг . Верстат експортувався до багатьох країн світу.
Конструкція верстата 1512 уніфікована з конструкцією верстата моделі 1516 та відрізняється тільки розмірами план-шайби та потужністю електродвигуна.
На верстаті можна проводити циліндричне та конічне обточування та розточування, проточування площин - як внутрішніх, так і зовнішніх, свердління, зенкерування та розгортання центральних отворів, а також напівчистове та чистове обточування плоских торцевих поверхонь.
Верстат має два супорти :
Технологічні можливості верстата значно розширюються за допомогою самоцентруючої планшайби, що поставляються за особливим замовленням, пристосувань (для різьбонарізання, обробки конічних поверхонь, обточування фасонних поверхонь тіл обертання по копіру, обробки деталей за упорами) і пристрої для обробки з охолодженням.
На верстатах можна виконувати такі операції:
Крім того, вертикальним супортом можна проводити обточування плоских торцевих поверхонь з підтримкою ступінчасто-постійної швидкості різання на чистових та напівчистових режимах; свердління, зенкерування та розгортання; прорізання канавок та відрізку.
При застосуванні спеціальних пристроїв та пристроїв, що поставляються разом із верстатами за особливим замовленням за окрему плату, на верстатах можна виготовляти:
У звичайному виконанні верстати поставляються з вертикальним револьверним супортом, що має механічний поворот і затискач револьверної головки, і бічним супортом.
Крім цього, за особливим замовленням за окрему плату може бути поставлений верстат із самоцентруючою планшайбою з ручним затиском виробу.
На верстаті одночасно можуть бути змонтовані всі пристрій, за винятком охолодження, яке не може бути встановлене одночасно з самоцентруючою планшайбою.
У зв'язку з тим, що установка пристроїв вимагає значних змін і доробок у верстаті, замовлення на виготовлення пристроїв до раніше поставлених верстатів не можуть бути виконані. Пристрої поставляються лише разом із верстатом.
Значна потужність електродвигуна головного приводу, висока жорсткість базових деталей і достатня міцність всіх елементів кінематичного ланцюга у поєднанні з широкими діапазонами регулювання чисел оборотів планшайби та величин подач дозволяють вести на верстатах високопродуктивну роботу на швидкісних режимах різання.
Виробник – Краснодарський верстатобудівний завод імені Сєдіна.
Основні параметри верстата – відповідно до ГОСТ 44-93. Верстати токарно-карусельні. Основні параметри та розміри. Норми точності та жорсткості.
Клас точності верстатів Н згідно з ГОСТ 8-77.
1512.000, 1512-1, 1512-2 - верстат токарно-карусельний універсальний одностоєчний
1512.300 - верстат токарно-карусельний з регульованим приводом головного руху
1512.400 - верстат токарно-карусельний з регульованим приводом головного руху та подач
1512Ф1, 1512ПФ1, 1512Ф1.041, 1512Ф1.300, 1512Ф1.323, 1512Ф1.400, 1512Ф1.423 - верстат токарно-карусельний з УЦІ - пристроєм цифровий
1512Ф2, 1512Ф3, 1512Ф3.271, 1512Ф3.471, 1512МФ4 - верстат токарно-карусельний з УЧПУ - пристроєм числового програмного керування

Габарит робочого простору та креслення загального виду верстата 1512

Фото токарно-карусельного верстата 1512
Фото токарно-карусельного верстата 1512. Дивитись у збільшеному масштабі

Розташування складових частинин верстата 1512
Розташування складових частинин токарно-карусельного верстата 1512. Дивитись у збільшеному масштабі
Відмінною особливістю конструкції верстатів є виконання більшості складальних одиниць у вигляді самостійних виробів, що полегшує складання не тільки в процесі виготовлення, а й під час ремонту.

Розташування органів керування токарно-карусельним верстатом 1512

Пульт керування токарно-карусельним верстатом 1512

Електрична схема блока живлення токарно-карусельного верстата 1512
Електрична схема блока живлення токарно-карусельного верстата 1512. Дивитись у збільшеному масштабі
Електроустаткування верстатів состоит из електродвигателей, електрических органів керування, конечных выключателей для ограничения перемещении подвижных частин верстата і апаратури керування.
На верстатах встановлені п'ять трифазних асинхронних електродвигунів із короткозамкненим ротором:
На верстаті прийнято наступні величини напруг
Вся електроаппаратура керування верстатом размещена в нише верстата. Керування верстатом осуществляется з подвесного пульта керування.
Електроустаткування верстата выполняет наступні функции:
Керування суппортами:
Переміщення поперечини.
Електросхема передбачає виконання наступних операцій
Керування електродвигателей головного привода
Керування електродвигуном головного приводу осуществляется з подвесного пульта керування кнопками 1Кн2 - "Пуск" і IKHI - "Стоп".
При натисканні кнопки 1Кн2 – "Пуск" включається пускач 1К1 головного приводу. Одночасно включається реле 1Р1 обмеження холостого ходу електродвигуна головного приводу, яке спрацьовує з витримкою години. Якщо протягом цієї години не буде включена планшайба, то контакт, що розмикає цього реле (цепь 4) відключить пускач головного приводу.
Відключення електродвигуна головного приводу производится нажатием кнопки IKHI - "Стоп".
При включеній планшайбі кнопка IKHI блокується замикаючим контактом крокового шукача ШІТ. Двигун головного приводу можна вимкнути лише після відключення планшайби, коли кроковий шукач перебуває в нульовому положенні.

Електрична схема керування головним приводом і поперечиной верстата 1512
Електросхемою передбачено виконання наступних операцій:
Керування електродвигуном головного приводу осуществляется з подвесного пульта керування кнопками 1Кн2 - "Пуск" і 1KH1 - "Стоп".
При натисканні кнопки 1Кн2 – "Пуск" включається пускач 1K1 головного приводу. Одночасно включається реле 1P1 обмеження холостого ходу електродвигуна головного приводу, яке спрацьовує з витримкою години. Якщо протягом цієї години не буде включена планшайба, то контакт, що розмикає цього реле (цепь 4) відключить пускач головного приводу.
Відключення електродвигуна головного приводу здійснюється натисканням кнопки 1KH1 - "Стоп". При включеній планшайбі кнопка 1KH1 блокується замикаючим контактом крокового шукача ШІТ. Двигун головного приводу можна вимкнути лише після відключення планшайби, коли кроковий шукач перебуває в нульовому положенні.
Керування переміщенням поперечини производится нажатием на кнопку 1Кн3 - "Вверх" или 1Кн4 - "Вниз".
Попередньо рукояткою проводиться розжим поперечки, при цьому замикається контакт кінцевого вимикача lВК1 (цепь 6).
При натисканні на кнопку 1КнЗ включається магнітний пускач 1K2 (цепь 6) двигуна переміщення поперечини. Поперечка Судить переміщатися вгору доти, доки буде натиснута кнопка 1КнЗ, або доки спрацює кінцевий вимикач 1ВК2. Переміщення поперечини вниз відрізняється від переміщення поперечини вгору лише тим, що при відпусканні кнопки 1Кн4, або спрацьовуванні кінцевого вимикача IBK3 обмеження руху вниз перед затиском поперечини включиться магнітний пускач IK2 через контакт реле години IP2 вибору зазорів(мета 5) для вибору зазорів у механізмі переміщення поперечини.
Після закінчення встановленої години (0,8...1,2 секунди) реле години IP2 відключить переміщення поперечини.
При включеній планшайбі включено реле IP8 або 1Р9, яке своїм контактом в 5 ланцюгу не дає можливості включити магнітні пускачі IK2, IK3 переміщення поперечини.
Во время переміщення поперечини включается електродвигатель IM4 лубрикаторной змазки направляючих поперечини.

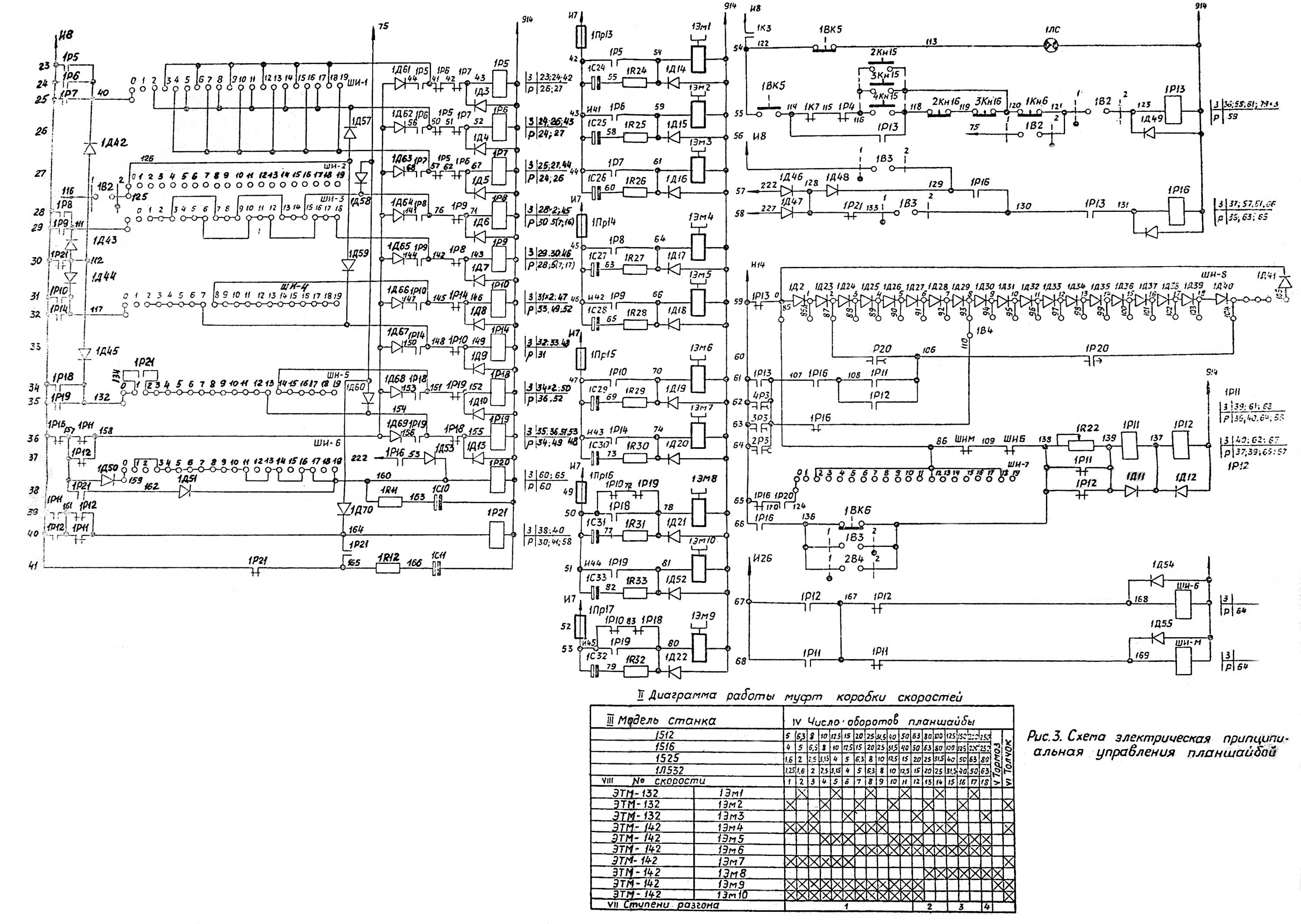
Електрична схема керування планшайбой верстата 1512
Електрична схема керування планшайбой верстата 1512. Дивитись у збільшеному масштабі
Регулювання швидкості обертання планшайби на верстаті - ступінчасте, яке здійснюється за допомогою коробки швидкостей, виконаної на електромагнітних муфтах, що дозволяє переходити з однієї швидкості на іншу без зупинки планшайби.
Планшайба имеет 18 швидкостей обертання, которые выбираются і устанавливаются з помощью ползункового переключателя 1В4, расположенного на підвісному пульті керування.
Виконавчим органом, що безпосередньо включає і перемикає реле набору діаграми швидкостей обертання планшайби (1P5...1P10, 1P14, 1P18, 1P19), є реверсивний кроковий шукач ШІ, який має котушки ШІ-М (зменшення частоти обертання планшайби, збільшення частоти обертання) . Кроковий шукач при вимкненій планшайбі завжди стоїть Б ВИХІДНОМУ "нульовому" положенні, що відповідає включеним реле збільшення (IP11) до зменшення (IP12) швидкості обертання планшайби. При цьому всі реле набору діаграми швидкостей відключені, а через комбінації їх розмикаючих контактів набрано і включено діаграму гальма планшайби (1Ем8, 1Ем9).
Увімкненням головного приводу, через контакт його пускача IKI у ланцюгу 54, подається оперативна напруга 24 В постійного струму та реле IPI3 пуску планшайби підготовляється до роботи. Кроковий шукач залишається у вихідному положенні, оскільки включені реле 1PII, 1Р12. Реле 1P11, 1P12 включені по ланцюгу І14-85-86-109-138-139-137-914, перше за рахунок робочого напівперіоду напруги від "914" до І14, друге, навпаки, від І14 до "914". (Неробочі напівперіоди напруги для даних реле звільняються шунтуючими діодами 1Д11 і 1Д12).
Припустимо, що нами обрано швидкість обертання планшайби, що відповідає 12-му положенню перемикача 1В4. Тоді при натисканні на кнопку 1Кн5 (пуск планшайби) увімкнеться реле IPI3, яке своїми контактами в ланцюгах 59 і 61 розірве ланцюг живлення поля ШІ-8 від джерела живлення 36 (І14) і підключить до нього повзунок перемикача 1В4. За рахунок виниклої діодної цепочки (1Д23-1Д34), послідовно включеної в Цеплю реле IPII і IPI2, відключиться IPI2, так як робоча напруга для його котушки буде замкнена діодною цепью. При відключенні реле IPI2 своїми контактами, що розмикають в ланцюгах 67 і ЗУ, включить котушку ШІ-Б і включить реле перемикання діаграми швидкостей IP2I, яке розмикаючим контактом в ланцюгу 39 розірве ланцюги живлення реле набору діаграми швидкостей. Котушка ШІ-Б, притягне якір електромагніту і одночасно своїм розмикаючим контактом у ланцюгу 64 відключить, реле 1PII, яке у свою чергу, своїм контактом у ланцюгу 68 відключить котушку ШІ-Б. При відпаданні якоря електромагніта кроковий шукач зробить один крок і перемістить щітки у положення "I". При цьому включаються реле IP11, IP12 по ланцюгу І14-170-124-86-109-138-139-137-914, які своїми розмикаючими контактами в ланцюги 36, 37 відключать реле IP2I, яке з витримкою години включить ланцюги живлення реле швидкостей. Включаються реле IP6, IP8, IP14, IP19, які своїми замикаючими контактами в ланцюгах 43, 45, 48, 51 включають муфти 1-ої швидкості 1Ем2, 1Ем4, 1Ем7, IЕМ9, 1Ем10. Реле 1Р19 в 49 ланцюгу розмикаючим контактом відключить муфту 1Эм8. Планшайба почне розганятися на першій швидкості. При знаходженні крокового шукача в положенні "I", ланцюжок живлення реле IP20 відключається. Реле IP20 з витримкою години (2..2,5 секунди) своїм замикаючим контактом в 65 ланцюги відключить цепь живлення реле IPII, IPI2. Реле IP12 відключиться, а реле IPII залишається увімкненим за рахунок діодної ланцюга 1Д24..1Д34. увімкнеться котушка ШІ-Б, яка притягне якір електромагніту і своїм розмикаючим контактом у ланцюгу 6 відключить реле IPII. Реле IPI1 відключить котушку ШІ-Б, яка відпустить якір електромагніту. Таким чином, виникає пульс-пара ШІ-Б – IPII. При кожному відпаданні якоря кроковий шукач переміщатиме щітки на один крок у бік збільшення частоти обертання планшайби. Однак слід зауважити, що рух крокового шукача відбувається при включених муфтах 1-ої швидкості, оскільки ця діаграма буде заблокована замикаючими контактами реле IP6, IP8, IPI4, IPI9.
При досягненні кроковим шукачем 11-го положення вмикається реле IP11, IP12 і відключиться реле IP2I. Відбудеться набір діаграми 11-ї швидкості, оскільки кроковий шукач на час витримки реле IР20 (2..2,5 секунди) не переміщається, відбувається розгін планшайби на 11-ой швидкості.
Час витримки реле IP20 на щаблях розгону 1, 11, 14, 17 вибрано з урахуванням оптимального розгону планшайби і здійснюється за допомогою конденсатора 1C10. Після закінчення години витримки реле IP20 на 11-му ступені знову відключиться реле IPI2, і включиться ШІ-Б, кроковий шукач переміститься в положення 12. набереться діаграма реле 12-ої швидкості і вмикаються муфти коробки швидкостей відповідно до 12-ої швидкості. обертання планшайби. Планшайба розганятиметься і працюватиме на 12-ій швидкості.
При перемиканні повзункового перемикача 1В4 з 11-го до 18-го положення кроковий шукач переміщається до моменту збігу його щіток з положенням повзунка IB4. У положеннях 14 і 17 він зупиниться на час витримки реле IP20 і відбуватиметься набір діаграми відповідно 14-ї або 17-ї швидкості та розгін планшайби на цих швидкостях.
По досягненні кроковим шукачем положення 18 відбудеться власне володіння його щіток з положенням повзунка 1В4 і набір діаграми 18-ої швидкості. Слід зазначити, що діаграма роботи муфт при перемиканні з попередньої діаграми на нову, в момент перемикання залишається включеною, що досягається шляхом блокування реле включених IP5-IP10, IPI4, IPI8, IP19 через замикаючі контакти реле IP5-IPI0, IPI4, IPI8, IPI9.
Якщо перемикачем IB4 встановити меншу швидкість (наприклад 4-ту), то вимкнеться реле 1Р11 і в пульс-парі з ним працюватиме котушка ШІ-М, переміщуючи щітки ШІ у бік збігу їх з положенням повзунка 1В4. На щаблях 17, 14, 11 відбудеться гальмування планшайби на час витримки реле IP20. При досягненні кроковим шукачем положення "4", він зупиниться, набереться діаграма швидкості, що відповідає 4-му положенню, і планшайба почне обертатися із заданою швидкістю. При русі крокового шукача, коли одне з реле IPII або IPI2 працює в пульс-парі з котушками ШІ-М або ШІ-Б, ланцюг котушки реле IР21 при кожному кроці ШІ розривається, проте, реле залишається включеним за рахунок конденсатора IСll. Вимикання 1Р21 відбувається лише після узгодження положення ШІ з положенням повзунка перемикача 1В4. Таким чином, при будь-якому перемиканні швидкості кроковий шукач переміщається у бік збігу його щіток з положенням повзунка перемикача 1В4. Щаблі розгону (гальмування) на них обрані з таким розрахунком, щоб підвчити оптимальний режим роботи коробки швидкостей при перемиканні з однієї швидкості на іншу.
Для попереднього обертання ударів у коробці швидкостей при переході зі ступеня на ступінь у схемі передбачено увімкнення муфт 1ЕМ1... 1ЕМ10 З Витримкою години. Муфти попереднього ступеня, включені раніше і що залишаються включеними на наступному щаблі - не перемикаються за рахунок блокування діаграми реле, а муфти, які в наступному щаблі не беруть участь, відключаються. Муфти, що знову включаються, включаються з витримкою години за рахунок реле IP2I (1,5..2 секунди).
Відключення планшайби здійснюється натисканням кнопки 1Кн6. При цьому живлення знімається зі щітки IB4 і через розмикаючий контакт IPI3 в ланцюгу 39 подається на "0" поля ШІ-8. При цьому ШІ повернеться у вихідне нульове положення, відбудеться набір діаграми гальма планшайби, і вона зупиниться.
Для здійснення поштовхового режиму перемикач lВ2 встановлюється положення 2 - "Поштовх", включаються реле IP6, IPI4. При натисканні кнопки 1Кн5 - "Пуск" включаються реле IP8, IP19, набирається діаграма 1-го ступеня швидкості планшайби, де здійснюється поштовховий режим роботи. При відпуску кнопки 1Кн5 реле IP8, IPI9 відключаються. Знову набирається діаграма гальма, і планшайба зупиняється.
Підтримка постійної швидкості різання (v рез =const ) виконано для верхнього супорта і може застосовуватися при обробці торцевих поверхонь з рухом супорту до центру або від центру. Для роботи планшайби в цьому режимі необхідно, вибравши вихідну швидкість планшайби перемикачем lВ4, натисканням кнопки 1Кн5 - "Пуск" здійснити пуск планшайби. Схема працюватиме також, як було описано вище. Після цього перемикач IB3 встановити положення V= const. Створюється ланцюг для включення реле IPI6 (цепь 58). Вибравши перемикачем 2В2 напрямок робочої подачі, включити її натисканням кнопки 2Кн2. Якщо подача вибрана "від центру", то ввімкнеться реле IP20 (якщо "до центру", реле IP20 не ввімкнеться). Реле IPI6 включиться незалежно від напрямку руху супорта через контакт IP2I (цепь 58), що замикається після розгону планшайби до вихідної частоти обертання.
Реле IP20 своїми контактами в 60 ланцюги підготовляє ланцюги штучного неузгодженості при русі супорта до центру (розмикаючий контакт) або від центру (замикаючий контакт). Реле IPI6 своїми контактами в 63 ланцюгу відключає цепь живлення від повзунка перемикача IB4, а контактом в тій же цепі, створює цеп штучного неузгодженості зі щіткою ШИ-8. Таким чином, якщо подача йде до центру, живлення подається на клему 104, а якщо від центру, то на клему 87 повзункового перемикача IB4. У першому випадку підтримка постійної швидкості різання здійснюється при збільшенні частоти обертання планшайби, у другому - при зменшенні її. для того, щоб кроковий шукач зробив один крок, необхідно натиснути на кінцевий вимикач 1ВК6 підтримки постійної швидкості різання. Цю функцію виконує під час руху супорта рейка з упорами, закріплена на санках верхнього супорта. При кожному спрацюванні кінцевого вимикача IBK6 вимикається реле IPI1 або IPI2 залежно від напряму подачі супорту. Якщо подача здійснюється до центру, то вимикаються реле IPI2 і включається котушка ШІ-Б, якщо подача йде від центру, то вимикається реле IPII і включається ШІ-М. В обох випадках розривається цепь живлення реле IPII, IPI2, які своїми контактами, що розмикають, в ланцюгах 67, 68 відключають цепь живлення котушки ШІ-1 (або ШІ-М), кроковий шукач робить тільки один крок у бік збільшення (або зменшення) частоти обертання планшайби .
Так як відключені обидва реле IPII і IP12 , то реле 1Р21 втрачає живлення і своїми контактами, що розмикають, в ланцюгу 30 включає нову діаграму реле, які в свою чергу включають відповідні муфти нової швидкості планшайби, на один ступінь більший (або менший) попередньої. Так як IBK6 натиснутий, реле IPII та IPI2 залишаються відключеними і котушки ШІ-Б (або ШІ-М) відключені. При подальшому движенні супорту до центру (або від центру) виступ рейки з'їжджає з кінцевого вимикача IВK6, і включаються реле IPII, IPI2. При черговому натисканні на кінцевий вимикач 1ВК6, залежно від напрямку подачі, увімкнеться котушка ШІ-Б (або ШІ-М). Таким чином, при кожному натисканні на вимикач IBK6 відбувається переміщення крокового шукача на один крок у бік збільшення (або зменшення) швидкості обертання планшайби. При досягненні кроковим шукачем положення штучного узгодження (клеми 87 або 104) кроковий шукач зупиниться і подальше різання здійснюватиметься на зафіксованих частотах обертання. При відключенні супорта швидкість обертання планшайби зберігається, оскільки реле IPI6 залишається увімкненим.
Тільки після встановлення перемикача 1В3 у положення V const планшайба набирає вихідну частоту обертання.

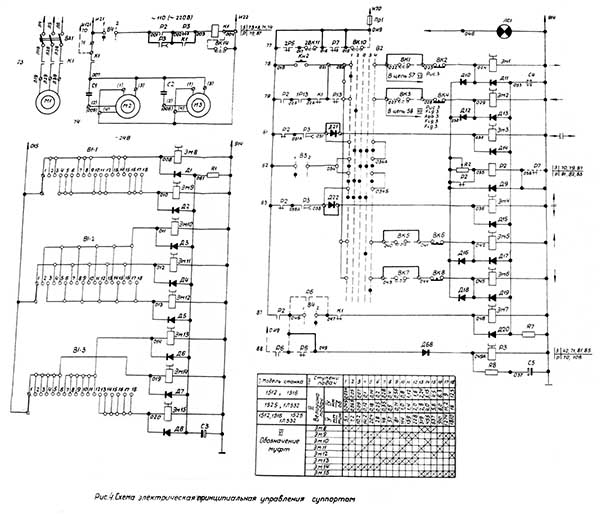
Електрична схема керування суппортом верстата 1512
Електрична схема керування суппортом верстата 1512. Дивитись у збільшеному масштабі
Електросхема передбачає виконання таких видів робіт:
Вибір напрямку руху супорта здійснюється хрестовим перемикачем В2. Якщо нами вибрано переміщення супорта у горизонтальному напрямку, то незалежно від положення тумблера КЗ (увімкнення гальма) при увімкненому супорті, гальмівні муфти горизонтальних переміщень відключені, а гальмівні муфти вертикальних переміщень можуть бути увімкнені або вимкнені тумблером В3. Навпаки, якщо обрано вертикальне переміщення супорта, то гальмівні муфти вертикальних переміщень виявляються відключеними, незалежно від положення тумблера В3, а гальмівні муфти горизонтальних подач можуть включатися та вимикатися тумблером В3.
При вимкненому супорті гальмівні муфти горизонтальних і вертикальних переміщень можуть вмикатися або вимикатися тумблером В3.
Вибір величини подачі здійснюється за допомогою повзункового перемикача В1, який має 18 положень залежно від величини подачі. Увімкнення робочих подач здійснюється шляхом натискання центральної кнопки Кн2 хрестового перемикача В2. Попередньо необхідно включити планшайбу, встановити перемикач виду подач В4 у положення 2 - "Робоча подача", вибрати величину і напрямок подачі. При натисканні на кнопку Кн2 увімкнеться реле Р2 і муфта обраного напрямку подачі. Реле Р2 своїми контактами в ланцюгах 79, 81, 83, 87 відповідно поставить себе і ввімкнену муфту на блокування, включить робочу муфту Ем7 і одночасно реле гальмування Р3, розірве ланцюги гальмівних муфт. Реле Р3 своїми контактами в ланцюгах 81 і 83 підготує гальмівні ланцюги муфт при вимиканні супорта. Зупинка супорта здійснюється переведенням рукоятки хрестового перемикача в нейтральне положення. Тоді відключаються реле Р2 та муфта напряму. Реле Р2 своїм контактом у ланцюгу 87 відключає робочу муфту Ем7 і реле гальмування Р3, а в ланцюгах 81 і 83 включає гальмівні муфти Ем3, Ем4 супорта. Після закінчення години гальмування (витримка години реле Р3 = 1,5..2 секунди), гальмівні муфти відключаються замикаючими контактами реле Р3.
Установчі переміщення супорта здійснюються за допомогою електродвигуна Ml. Для цього перемикач В4, розташований на пульті керування, необхідно встановити в положення I. У цьому положенні розривається цеп 87 робочої муфти Ем7 і готується цеп 70 включення пускача електродвигуна - KI. Хрестовим перемикачем В2 вибирається необхідний напрямок руху супорта, центральною кнопкою Кн2 включаються реле Р2 і муфта обраного напрямку переміщення. Реле Р2 в ланцюзі 70 включає пускач KI який стає на блокування по ланцюзі 71, а контактами в ланцюгах 81, 83 і 87 розривавши гальмівні ланцюги муфт і включає реле гальмування КЗ. Пускач KI своїми силовими контактами в 73 ланцюги включає електродвигун Ml, а блокконтактами в 79 ланцюги розриває цепь блокування включеної подачі. Реле Р3 своїми контактами в 70 ланцюги розриває цепь включення пускача KI, а в 71 шунтує замикаючий контакт реле Р2 включення суп порту. При відпусканні кнопки Кн2 реле Р2 і муфта вибраного напрямку відключаються. 3а рахунок витримки години реле Р3 по ланцюгах 81 і 83 включаються гальмівні муфти Ем3 і Ем4. На час гальмування пускач KI заблокується по 71 ланцюгу, і двигун залишається включеним. Це зроблено обмеження частоти пуску електродвигуна Ml.
Для змащування супорта встановлені лубрикатори з електромеханічним приводом. Увімкнення лубрикаторної змазки проводиться при настановних переміщеннях супорта через замикаючий контакт пускачем KI у ланцюгу 74.
Револьверна головка має 6 фіксованих положень. Поворот з однієї позиції в іншу здійснюється натисканням кнопки 2Кн3, яка включає магнітний пускач 2К2 -розтискання і повороту головки. Останній своїми замикаючими контактами в ланцюгу 94 включає електродвигун приводу головки - 2М4, а в ланцюгу 96 стає на блокування через розмикаючий контакт мікроперемикача фіксації револьверної головки 2BKI2 і в цілі 99 включає реле 2Р5. Відбувається розтискання револьверної головки. В кінці розтискання (перед початком повороту) звільняється кінцевий вимикач 2BKI3, який в 101 ланцюгу відключає електромагнітну муфту 2Ем22. Слід поворот револьверної головки до необхідної позиції (при утриманні кнопки у натиснутому положенні). Після повороту відбувається спрацювання мікроперемикача 2BKI2. Останній відключає пускач 2К2 (кнопка 2КнЗ має бути відпущена) і включає пускач 2K3, який знову включить електродвигун 2М4, але вже у зворотному напрямку – на затискач револьверної головки. На початку затиску спрацьовує кінцевий вимикач 2BKI3, який в 101 ланцюги включає електромагнітну муфт: 2Ем22. У процесі затиску звільняється кінцевий вимикач 2ВК12, однак, цеп пускача 2КЗ попередньо блокується реле 2PMI, що розмикає контактом (цепь 98). Перед кінцем затискання спрацьовує кінцевий вимикач 2ВК11 контролю затиску, який своїм замикаючим контактом у ланцюгу 77 (див. рис. 4) дозволяє увімкнення супорта. При досягненні необхідного зусилля затискача головки відбувається спрацювання реле 2PMI і відключаються пускач 2КЗ і електродвигун 2М4.
Примітка: налаштування реле 2PMI при напрузі 380В, 400В, 415В, 440B проводиться на 2,5...3,5А; при напрузі 220В – на 4,0...5,2А.
Для освітлення верстата на повзуні верхнього супорта встановлено кронштейн місцевого освітлення, увімкнення ламп здійснюється тумблером 1В0, розташованим на підвісному пульті керування.
Захист ланцюгів керування та сигналізації від струмів короткого замикання забезпечується запобіжниками.
Захист електродвигунів від перевантажень і струмів короткого замикання забезпечується автоматичними вимикачами з електромагнітними ланцюжками.
Нульовий захист електродвигунів забезпечується котушками магнітних пускачів.
Верстат і електродвигун головного приводу заземляється від загального (цехового) контуру заземлення шляхом приєднання шини до заземлюючих болтів.
Після розпакування проводиться зовнішній огляд електроустаткування. Ретельно перевіряється цілісність штепсельних роз'ємів.
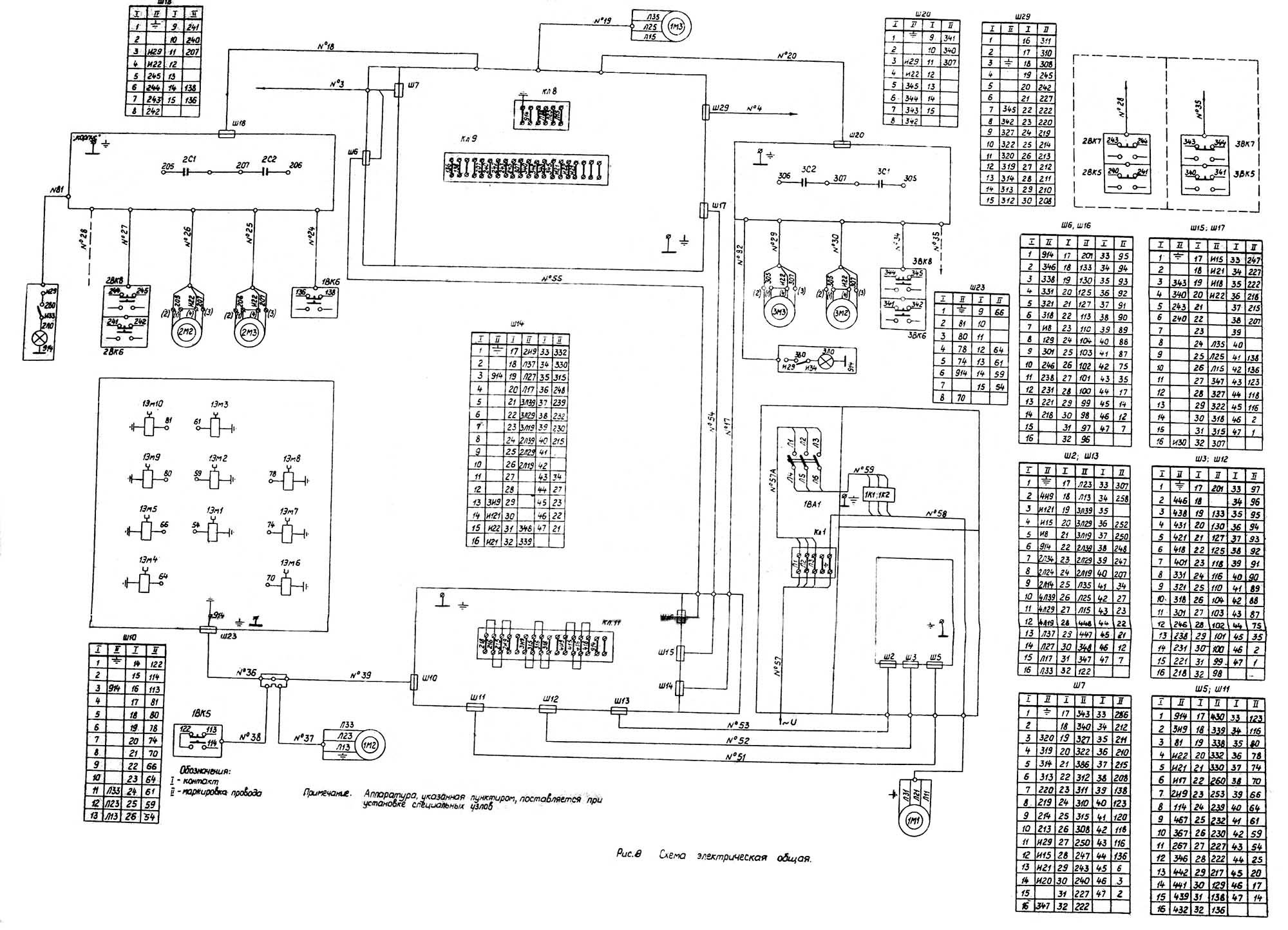
Заземляется верстат согласно правилам пристроя електроустановок. Произвести монтаж електроустаткування верстата, согласно схеми внешних з'єднань (см.рис.7).
Вимірюється опір ізоляції, для чого:
Джгути 21, 46, 45, 55, 40, 71, 50, 54, 51, 41 перевіряють мегометром на напругу не менше 500В, а решту перевіряють низьковольтним вимірювальним приладом. Опір ізоляції у будь-якій незаземленій точці має бути не нижче 1М0м. Перевіряють опір ізоляції обмоток електродвигунів мегометром напругою щонайменше 500В. Опір ізоляції обмоток електродвигуна має бути не нижче 0,5 М0м.
Перед налагодженням верстата всі автоматичні вимикачі повинні бути увімкнені, а запобіжники знято.
Перевірити правильність підключення головного приводу, для цього:
При цьому вал ротора електродвигуна повинен обертатися проти годинникової стрілки, якщо дивитися з боку шківа. У разі розбіжності напрямку обертання із зазначеним, необхідно переключити дві будь-які фази на головному введенні.
Перевірити роботу електродвигунів маслонасосу та лубрикаторної змазки, для чого необхідно:
Перевірити роботу приводу поперечини та кінцевих вимикачів обмеження її руху (IВK2, lВK3), а також кінцевого вимикача затискача поперечини (IBKI). Для цього необхідно включити автомат 1ВАЗ, рукояткою розтиснути поперечину і натиснути одну кнопок (1КнЗ або 1Кн4) пуску електродвигуна переміщення поперечини. Якщо поперечка переміщається вгору, то при натисканні від руки на кінцевий вимикач IВK2 має відбуватися її зупинка. Аналогічно, під час руху поперечини вни3. При натисканні на кінцевий вимикач 1ВК3 вона повинна зупинитися. При затиснутій поперечці (1ВК1 натиснутий) електродвигун переміщення не повинен увімкнутися.
Перевірити обмеження переміщень супортів, для цього на підвісному пульті керування перемикачі 2В4 та 4В4 виду подач встановити в положення "ММ/МІН", перемикачами вибору величини подач вибрати подачу 156 мм/хв, а хрестовими перемикачами перевірити по черзі напрямки переміщень. Після того, як перевірена правильність напрямку руху, необхідно від руки натиснути штовхач кінцевого вимикача відповідного даному переміщенню супорта. Супорт має зупинитися. По черзі, обираючи хрестовим перемикачем решту напрямків для кожного супорта відповідно обмежувати вручну переміщення супортів. Потім перевірити обмеження переміщень супортів від упорів, якщо на верстаті встановлено пристрій для роботи з упорами.
Перевірити схему управління планшайбою без увімкнення електродвигуна головного приводу. Для цього від руки включити реле 1Р13 запуску планшайби. Кроковий шукач повинен зробити один крок, якщо перемикач швидкостей стоїть у першому положенні. На підвісному пульті керування перемикачем вибору швидкості обертання планшайби включити по черзі кожну швидкість. Кроковий шукач повинен слідувати за перемикачем. При відпусканні реле IP13 кроковий шукач повинен повернутися у вихідне нульове положення. Слід звернути увагу на час витримки розгону (гальмування) при проходженні через 1, 11, 14, I7 ступені швидкості.

Електрична схема з'єднань панелі керування верстата 1512
Електрична схема з'єднань панелі керування верстата 1512. Дивитись у збільшеному масштабі

Електрична схема з'єднань пульта керування верстата 1512
Електрична схема з'єднань пульта керування верстата 1512. Дивитись у збільшеному масштабі

Електрична схема з'єднань поперечини верстата 1512
Електрична схема з'єднань поперечини верстата 1512. Дивитись у збільшеному масштабі

Електрична схема загальна верстата 1512
Електрична схема загальна верстата 1512. Дивитись у збільшеному масштабі
| Найменування параметру | 1512 рік | 1516 |
|---|---|---|
| Основні параметри | ||
| Найбільший діаметр виробу, що обробляється вертикальним і бічним супортами, мм. | 1250 | 1600 |
| Найбільша висота виробу, що обробляється, мм | 1000 | 1000 |
| Діаметр планшайби, мм | 1120 | 1400 |
| Найбільша маса виробу, що встановлюється, кг | ||
| при 5-80 оборотах планшайби за хвилину | 3200 | 6300 |
| при 100 оборотах планшайби за хвилину | 3000 | |
| при 125 оборотах планшайби за хвилину | 2700 | |
| при 160 оборотах планшайби за хвилину | 1900 рік | |
| при 200 оборотах планшайби за хвилину | 1300 | 2400 |
| при 250 оборотах планшайби за хвилину | 1000 | |
| Вертикальний супорт | ||
| Найбільше горизонтальне переміщення, мм | 775 | 950 |
| Найбільше вертикальне переміщення, мм | 700 | 700 |
| Цена деления лимба горизонтального і вертикального переміщення, мм | 0,05 | 0,05 |
| Горизонтальне та вертикальне переміщення за один оберт лімба, мм | 2,5 | 2,5 |
| Найбільший кут повороту повзуна супорта, град | 45 | 45 |
| Ціна поділу лімба повороту повзуна супорта, хв | 1 | 1 |
| Ціна поділу шкали повороту повзуна супорта, град | 1 | 1 |
| Діаметр отворів револьверної головки супорта, мм | 70А | 70А |
| Найбільші розміри перерізу державки різця (ширина х висота), мм | 25 х 40 | 25 х 40 |
| Горизонтальний супорт (бічний) | ||
| Найбільше горизонтальне переміщення, мм | 630 | 630 |
| Найбільше вертикальне переміщення, мм | 1000 | 1000 |
| Ціна поділу лімба горизонтального та вертикального переміщення, мм | 0,05 | 0,05 |
| Горизонтальне та вертикальне переміщення за один оберт лімба, мм | 2,5 | 2,5 |
| Поперечина | ||
| Найбільше переміщення, мм | 660 | 660 |
| Швидкість переміщення, мм/хв | 400 | 400 |
| Вимикаючі упори | Є | Є |
| Блокування переміщення у процесі різання | Є | Є |
| Механіка верстата | ||
| Число швидкостей планшайби | 18 | 18 |
| Число оборотів планшайби за хвилину | 5 — 250 | 5 — 250 |
| Кількість подач супортів | 18 | 18 |
| Вертикальні та горизонтальні подачі супортів, мм/про | 0,03 — 12,5 | 0,03 — 12,5 |
| Найбільше можливе зусилля різання двома супортами, кгс | 4500 | 4500 |
| Швидкість настановних переміщень супортів, мм/хв. | 5 — 1800 рік | 5 — 1800 рік |
| Привід та електроустаткування верстата | ||
| Рід струму живильної електромережі | Змінний трифазний | Змінний трифазний |
| Електродвигун приводу головного руху: | ||
| Потужність, кВт | 30 | 30 |
| Частота обертання, об/хв | 1460 | 1460 |
| Електродвигун настановних переміщень супортом: | ||
| Потужність, кВт | 3 | 3 |
| Частота обертання, об/хв | 1365 | 1365 |
| Електродвигун переміщення поперечки: | ||
| Потужність, кВт | 2 | 2 |
| Частота обертання, об/хв | 900 | 900 |
| Електродвигун мастила: | ||
| Потужність, кВт | 1,5 | 1,5 |
| Частота обертання, об/хв | 1450 | 1450 |
| Електродвигун повороту та затиску револьверної головки: | ||
| Потужність, кВт | 0,8 | 0,8 |
| Частота обертання, об/хв | 1450 | 1450 |
| Габарит та маса верстата | ||
| Габарит верстата (довжина х ширина х висота), мм | 2750 х 2975 х 4100 | 3170 х 3030 х 4100 |
| Маса верстата, кг | 16 500 | 20 000 |