Розробником та виробником токарно-карусельного верстата 1А512МФ3 є Краснодарський верстатобудівний завод Сєдіна , заснований у 1911 році.
У 1915 році було випущено перший токарний верстат. У 1922 році підприємство отримало свою сучасну назву — на честь токаря Сєдіна Г. М.
У 1935 році був випущений перший токарно-карусельний верстат моделі 152, а до 1937 р. визначився пріоритетний профіль заводу - верстатобудування, і в першу чергу виробництво токарно-карусельних верстатів.
Одностоєчний токарно-карусельний верстат 1А512МФ3 з ЧПУ та магазином інструментів (М) сконструйований на базі верстата 1512Ф3
Токарно-карусельний верстат 1А512МФ3 призначений для вертикальної токарної обробки криволінійних поверхонь деталі різних заготовок із чорних та кольорових металів в умовах одиничного, дрібносерійного та серійного виробництва.
Верстат моделі 1А512МФ3 оснащений пристроєм ЧПУ, є вертикальним обробним центром, на якому можливе виконання операцій:
Одностоєчні токарно-карусельні верстати серії «А» оснащені:
Карусельні верстати 1А512МФ3 оснащені контурно-позиційним пристроєм числового програмного керування та пристроєм для автоматичної зміни інструменту. На верстатах у напівавтоматичному циклі за заданою програмою можна проводити обточування та розточування поверхонь заготовок як з прямолінійними, так і криволінійними утворюючими; проточування торцевих поверхонь; прорізання кільцевих канавок; свердління, зенкерування та розгортання центральних отворів; а також напівчистове та чистове проточування прямолінійних та криволінійних поверхонь із збереженням постійної швидкості різання та нарізування різьблень на різних поверхнях.
Верстати 1А512МФ3 мають звичайну для одностоєчних токарно-карусельних верстатів компонування. Стик столу та стійки з метою підвищення жорсткості системи СНІД знаходиться у горизонтальній площині. Верстати виготовляються з одним верхнім хрестовим супортом, інструментальним магазином та рухомою по стійці поперечкою.
Керування верстатом:
Інформація про переміщення супорта верстата, а також інша технологічна та розмірна інформація висвічуються на табло пристрою ЧПУ на підвісному пульті керування.
Високу продуктивність обробки, точність та якість обробки заготовок на верстаті забезпечують наступні конструктивні особливості:
Високий рівень автоматизації, широкий діапазон подач і частот обертання планшайби дозволяють вести на верстатах високопродуктивну обробку на швидкісних режимах різання.
Простота конструкції, легкий доступ до складальних одиниць, наявність регулювальних пристроїв, достатня надійність механізмів забезпечують високі експлуатаційні характеристики верстатів.
Застосування різних кожухів з елементами, що відкриваються, а також установка навколо верстата зручного захисного огородження з рухомим щитом забезпечують високий ступінь безпеки при роботі на верстаті і зовнішній вигляд верстата на рівні сучасних вимог ергономіки.
Гарантована точність обробки деталей на верстаті під час роботи за програмою в межах полів допусків: отворів - Н7, валів - h7 квалітетів точності за СТ РЕВ 144-75.
Безпека праці на верстатах досягається відповідністю їх вимог ГОСТ 12.2.009-80, СТ РЕВ 538-77, СТ РЕВ 539-77, СТ РЕВ 540-77.
Верстати поставляються за ТУ2.024-5386-80.
Клас точності верстатів П згідно з ГОСТ 8-82Е.
Категорія якості найвища.
Шорсткість обробленої поверхні Ra 2,5 мкм.
Проектна організація - Краснодарський верстатобудівний завод ім. Г. М. Сєдіна.
У 1986 року з урахуванням верстата 1А512МФ3 почався випуск обробних центрів 1А512МФ4 (ОЦ). Він входить у гаму верстатів серії "А" 1А512МФ4, 1А516МФ4, 1А525МФ4, 1А532ЛМФ4.
Обробні центри 1А512МФ4 (індекс Ф4) вигідно відрізняються тим, що може здійснювати, крім традиційних карусельних, операції позацентрової обробки деталей.
Обробні центри додатково мають можливість виконання операції фрезерування рахунок застосування приводного інструменту і приводу кутового позиціонування планшайби (координата C).
Завдяки оснащенню ОЦ високоточним приводом позиціонування планшайби та комбінованим супортом зі свердлильно-фрезерно-розточувальними головками верстат має продуктивність у 1,5 рази вище, ніж його попередник 1А512МФ3, високі точнісні характеристики, гарний сучасний дизайн та може успішно конкурувати із зарубіжжям.

Загальний вигляд токарно-карусельного верстата 1А512МФ3
Загальний вигляд токарно-карусельного верстата 1А512МФ3. Дивитись у збільшеному масштабі

Фото токарно-карусельного верстата 1А512МФ3
Фото токарно-карусельного верстата 1А512МФ3. Дивитись у збільшеному масштабі

Фото токарно-карусельного верстата 1А512МФ3
Фото токарно-карусельного верстата 1А512МФ3. Дивитись у збільшеному масштабі

Фото токарно-карусельного верстата 1А512МФ3
Фото токарно-карусельного верстата 1А512МФ3. Дивитись у збільшеному масштабі

Фото токарно-карусельного верстата 1А512МФ3
Фото токарно-карусельного верстата 1А512МФ3. Дивитись у збільшеному масштабі

Типові деталі, що отримуються на верстаті 1А512МФ3

Типові деталі, що отримуються на верстаті 1А512МФ3

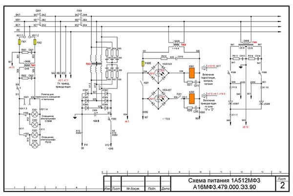
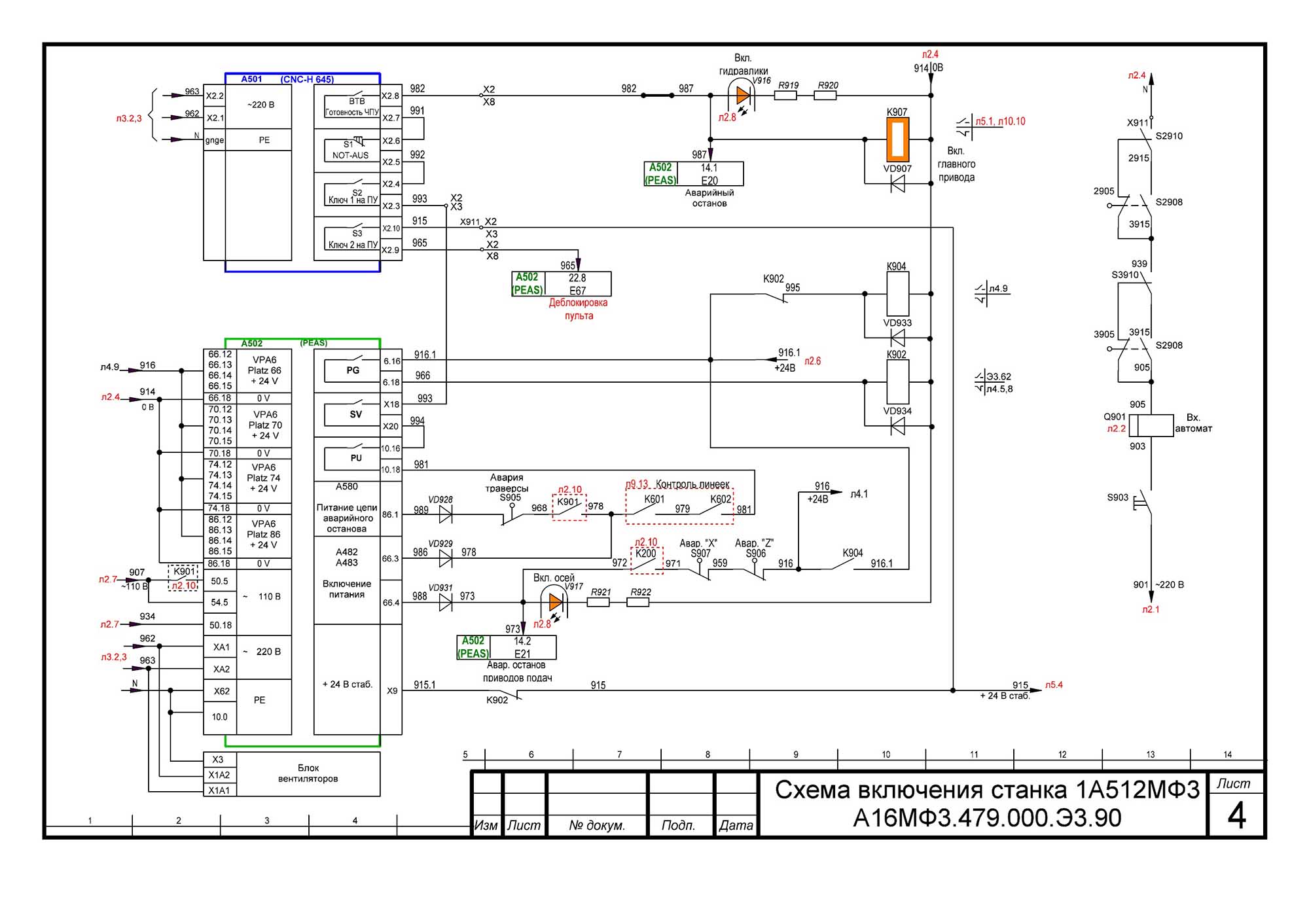
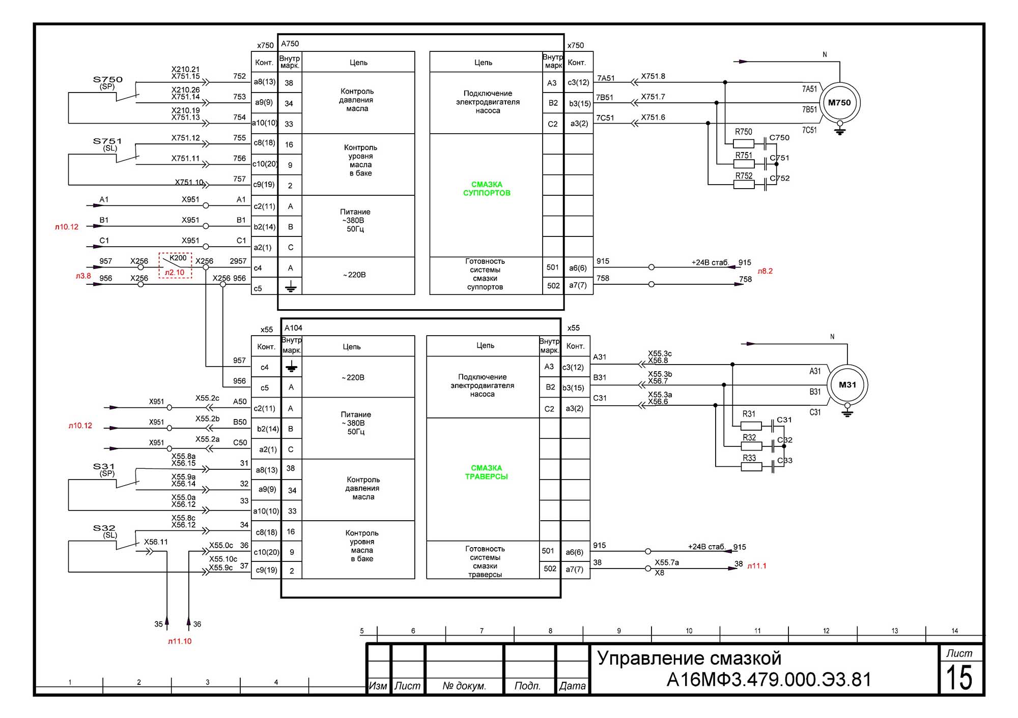
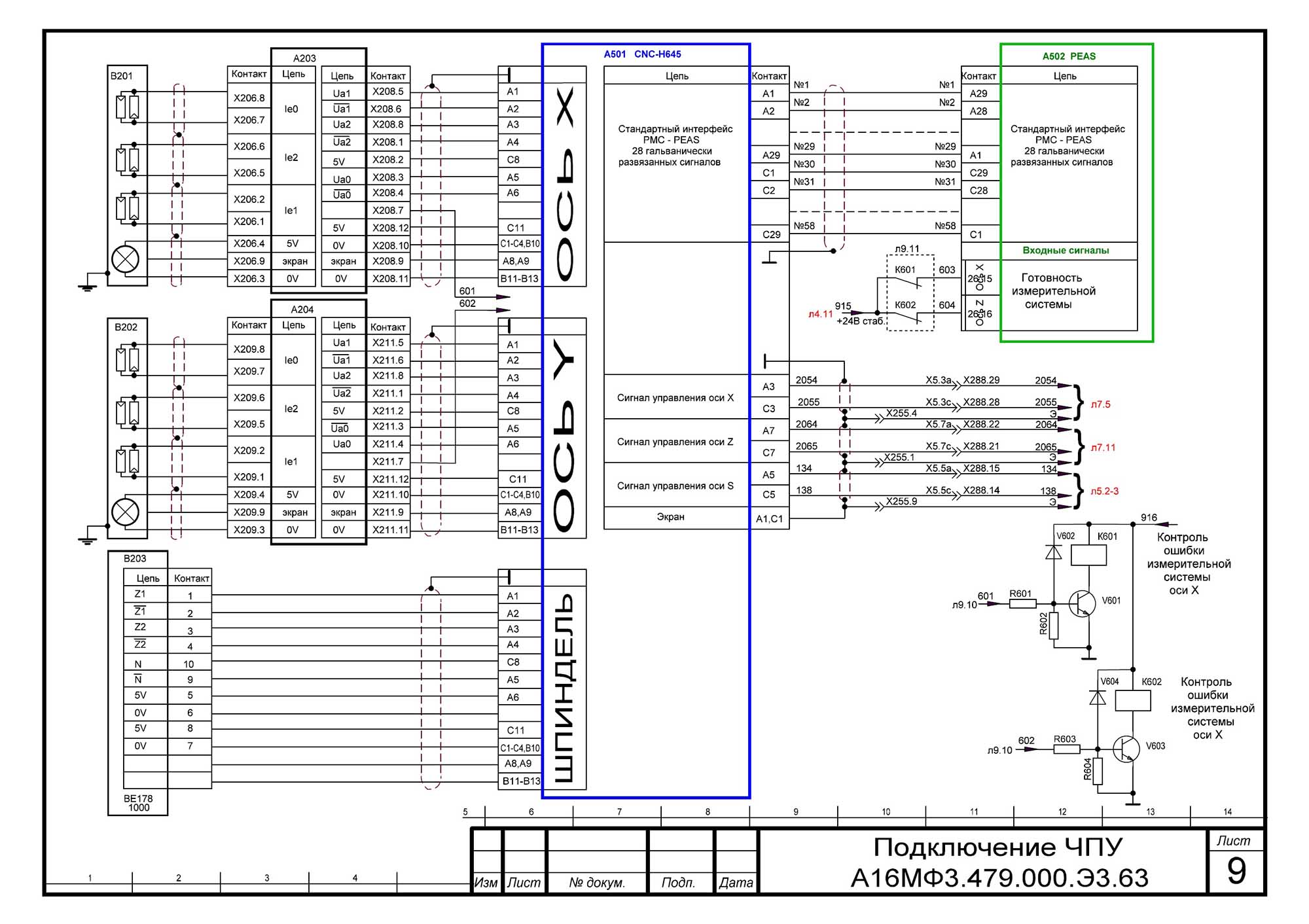
Схема електрична токарно-карусельного верстата 1А512МФ3
Схема електрична токарно-карусельного верстата 1А512МФ3. Дивитись у збільшеному масштабі

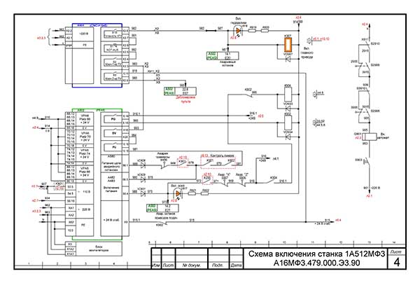
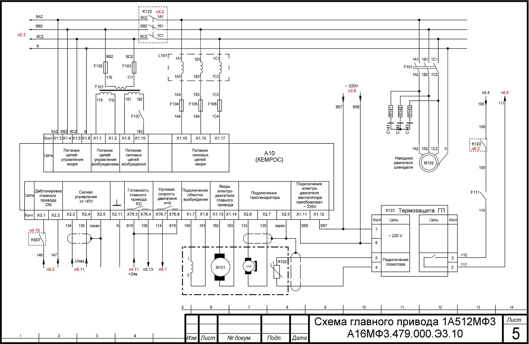
Схема електрична токарно-карусельного верстата 1А512МФ3
Схема електрична токарно-карусельного верстата 1А512МФ3. Дивитись у збільшеному масштабі

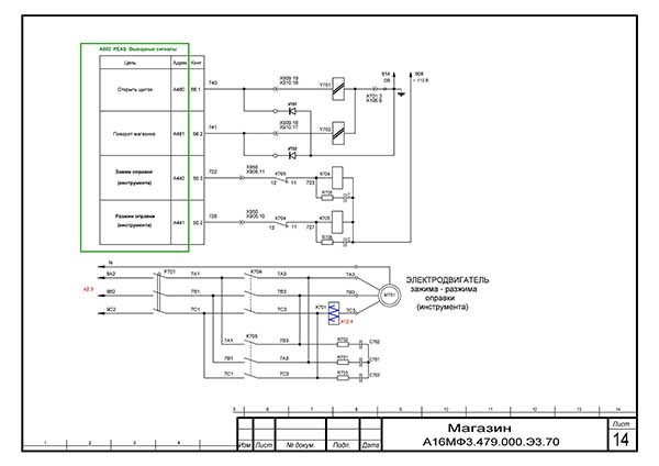
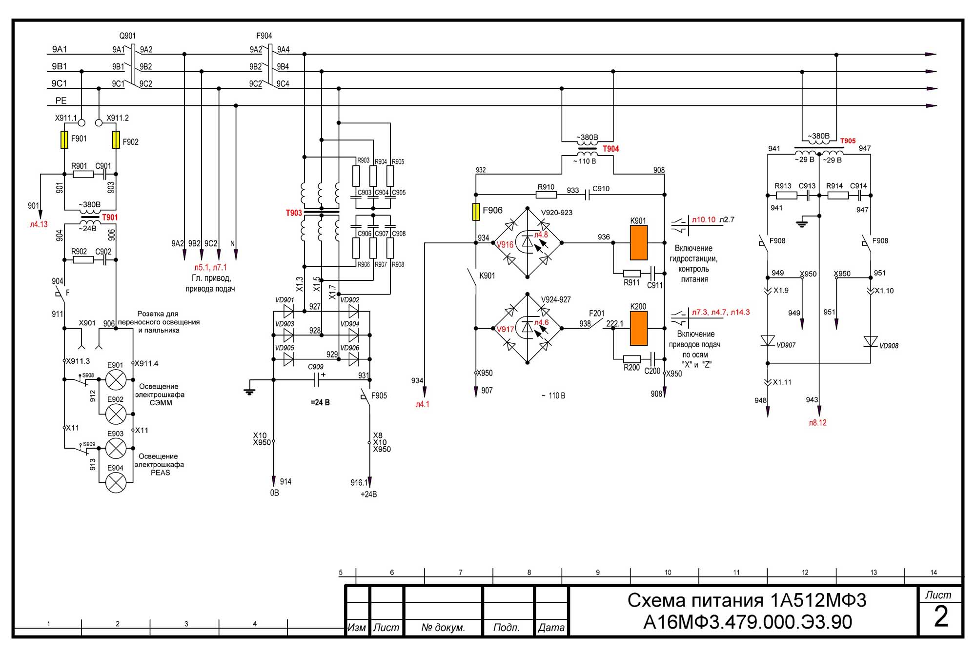
Схема електрична токарно-карусельного верстата 1А512МФ3
Схема електрична токарно-карусельного верстата 1А512МФ3. Дивитись у збільшеному масштабі

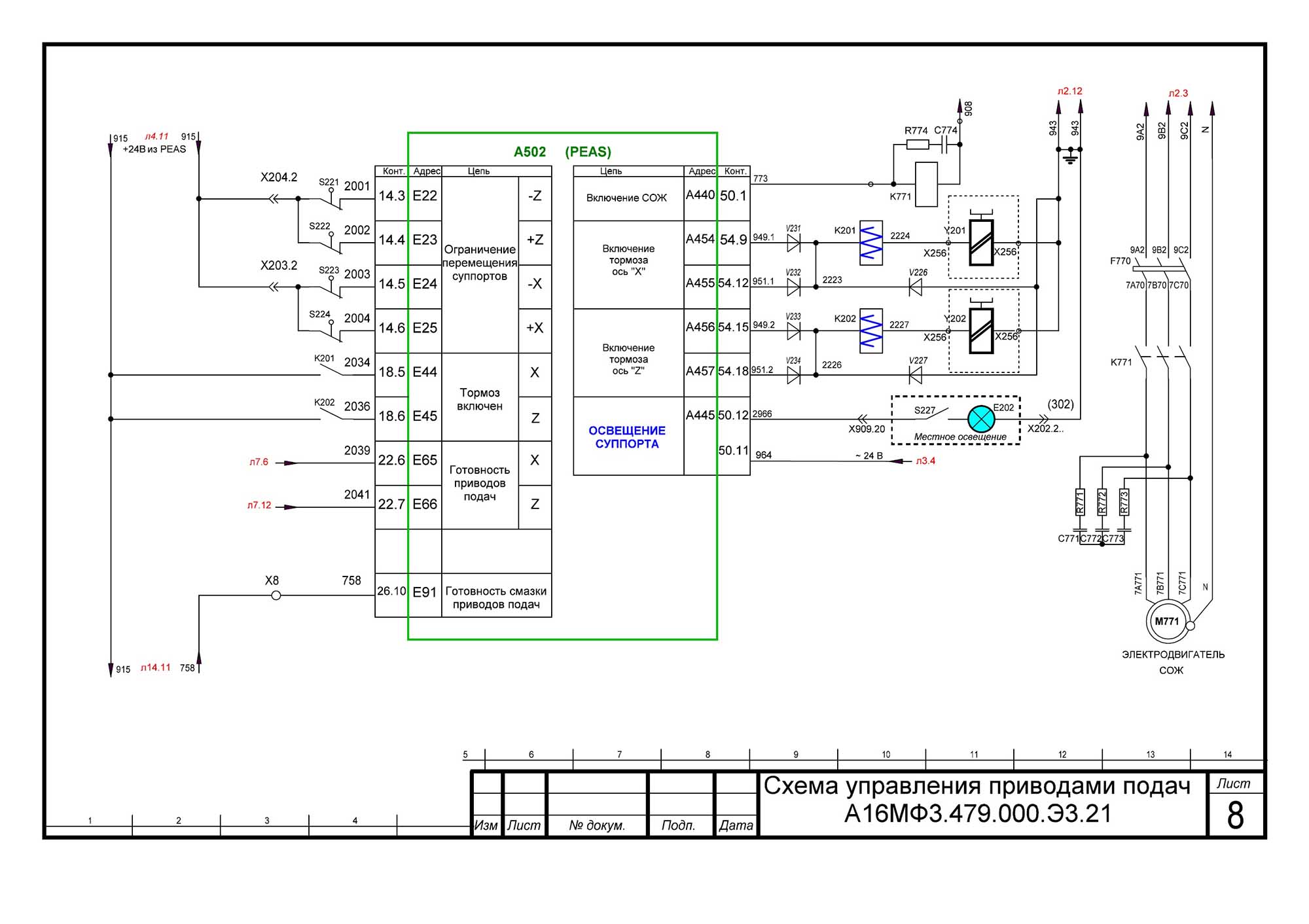
Схема електрична токарно-карусельного верстата 1А512МФ3
Схема електрична токарно-карусельного верстата 1А512МФ3. Дивитись у збільшеному масштабі

Схема електрична токарно-карусельного верстата 1А512МФ3
Схема електрична токарно-карусельного верстата 1А512МФ3. Дивитись у збільшеному масштабі

Схема електрична токарно-карусельного верстата 1А512МФ3
Схема електрична токарно-карусельного верстата 1А512МФ3. Дивитись у збільшеному масштабі

Схема електрична токарно-карусельного верстата 1А512МФ3
Схема електрична токарно-карусельного верстата 1А512МФ3. Дивитись у збільшеному масштабі

Схема електрична токарно-карусельного верстата 1А512МФ3
Схема електрична токарно-карусельного верстата 1А512МФ3. Дивитись у збільшеному масштабі

Схема електрична токарно-карусельного верстата 1А512МФ3
Схема електрична токарно-карусельного верстата 1А512МФ3. Дивитись у збільшеному масштабі

Схема електрична токарно-карусельного верстата 1А512МФ3
Схема електрична токарно-карусельного верстата 1А512МФ3. Дивитись у збільшеному масштабі

Схема електрична токарно-карусельного верстата 1А512МФ3
Схема електрична токарно-карусельного верстата 1А512МФ3. Дивитись у збільшеному масштабі

Схема електрична токарно-карусельного верстата 1А512МФ3
Схема електрична токарно-карусельного верстата 1А512МФ3. Дивитись у збільшеному масштабі

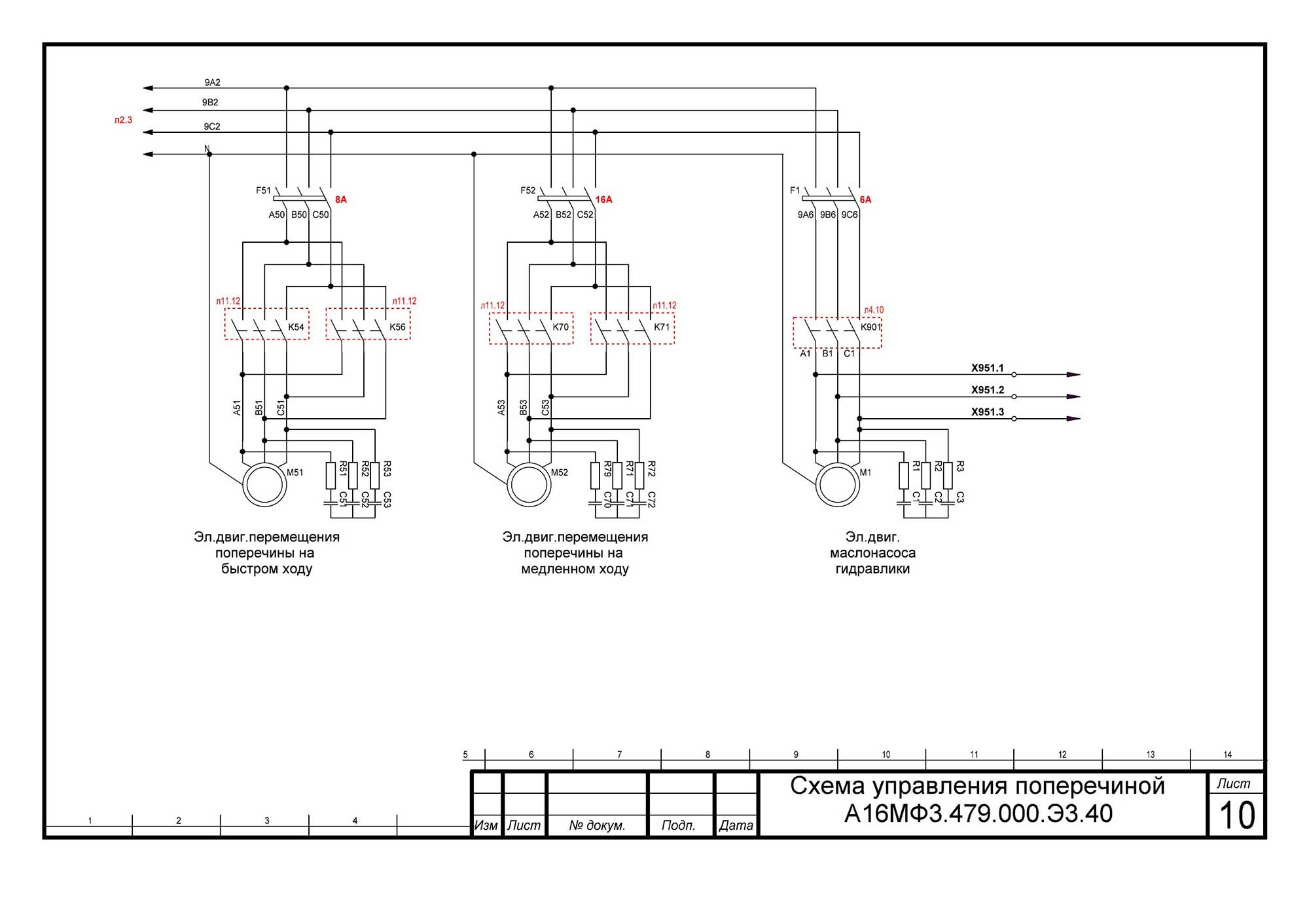
Схема електрична токарно-карусельного верстата 1А512МФ3
Схема електрична токарно-карусельного верстата 1А512МФ3. Дивитись у збільшеному масштабі

Схема електрична токарно-карусельного верстата 1А512МФ3
Схема електрична токарно-карусельного верстата 1А512МФ3. Дивитись у збільшеному масштабі

Схема електрична токарно-карусельного верстата 1А512МФ3
Схема електрична токарно-карусельного верстата 1А512МФ3. Дивитись у збільшеному масштабі

Схема електрична токарно-карусельного верстата 1А512МФ3
Схема електрична токарно-карусельного верстата 1А512МФ3. Дивитись у збільшеному масштабі
| Найменування параметру | 1A512MF3 | 1A516MF3 |
|---|---|---|
| Основні параметри | ||
| Найбільший діаметр виробу, мм | 1450 | 1800 рік |
| Найбільша висота виробу, що обробляється, мм | 1000 | 1000 |
| Діаметр планшайби, мм | 1120 | 1400 |
| Діаметр центруючого отвору в планшайбі, мм | 150N7 | 260H7 |
| Найбільша маса виробу, що встановлюється, при 5—80 оборотах планшайби за хвилину, кг | 10000 | 15000 |
| Відстань від основи верстата до робочої поверхні планшайби, мм | 1000 | 1000 |
| розточувальний повзун перетином, мм | 210 х 210 | 210 х 210 |
| Вертикальний супорт | ||
| Найбільше горизонтальне переміщення супорта, мм | 1350 | 1350 |
| Найбільше вертикальне переміщення, мм | 800 | 800 |
| Діаметр отворів револьверної головки супорта, мм | 70А | 70А |
| Найбільша висота перерізу державки різця по СТ СЕВ 153-75, мм | 50 | 50 |
| Конусне отвір під інструмент у розточувальній оправці, мм | Морзе 6 | Морзе 6 |
| Кількість різцетримачів у магазині інструментів | 10 | 10 |
| Поперечина | ||
| Найбільше переміщення, мм | 820 | 820 |
| Швидкість переміщення, мм/хв | 400 | 400 |
| Механіка верстата | ||
| Число швидкостей планшайби | Б/с | Б/с |
| Число оборотів планшайби за хвилину, об/хв | 1..335 | 0,8..278 |
| Кількість подач супортів | Б/с | Б/с |
| Швидкість робочої подачі супорта, мм/хв. | 0,1..1000 | 0,1..1000 |
| Найбільше можливе зусилля різання супортом, кН | 50 | 50 |
| Швидкість настановних переміщень вертикального супорта, мм/хв. | 5000 | 5000 |
| Найбільший допустимий момент, що крутить, на планшайбі, кН*м | 28 | 35 |
| Привід та електроустаткування верстата | ||
| Рід струму живильної електромережі | 380 В, 50 Гц | 380 В, 50 Гц |
| Електродвигун постійного струму приводу головного руху, кВт (Номінальна/максимальна частота обертання, об/хв) | 55 (600/1800) | 55 (600/1800) |
| Електродвигун постійного струму приводу подач, Н*м (Номінальна/максимальна частота обертання, об/хв) | 47 (750/1000) | 47 (750/1000) |
| Електродвигун переміщення поперечки, кВт (об/хв) | 7,5 (1500) | 7,5 (1500) |
| Електродвигун установки поперечки, кВт (об/хв) | 3 (1500) | 3 (1500) |
| Електродвигун затискача інструменту, кВт (об/хв) | 1,1 (1000) | 1,1 (1000) |
| Електродвигун гідростанції, кВт (об/хв) | 2,2 (1000) | 2,2 (1000) |
| Сумарна потужність всіх електродвигунів на верстаті, кВт | 71 | 71 |
| Система ЧПУ (можлива заміна на інше УЧПУ) | ||
| Тип УЧПУ | BOSS CNC "Альфа-2" | BOSS CNC "Альфа-2" |
| Кількість одночасно працюючих координат | 2 | 2 |
| Програмоносій | Перфострічка | Перфострічка |
| Габарит та маса верстата | ||
| Габарит верстата (довжина х ширина х висота), мм | 5250 х 5320 х 5000 | 5250 х 4050 х 5000 |
| Маса верстата, кг | 23650 | 24650 |