Виробник горизонтально-розточувального верстата 2611Ф2 Іванівський завод важкого верстатобудування , заснований у 1953 році.
21 листопада 1958 року введено в експлуатацію першу чергу Іванівського заводу розточувальних верстатів. У 1958 році було налагоджено випуск вузлів та комплектуючих для ленінградського верстатобудівного Заводу імені Свердлова. Згодом, на заводі було розпочато випуск простих горизонтально-розточувальних верстатів за кресленнями того самого заводу. Оснастивши виробництво необхідною базою, верстатобудівники перейшли на виробництво складнішої продукції - обробних центрів (ОЦ).
Горизонтально-розточувальний верстат 2611Ф2 з поздовжньо-рухомою стойкою та поздовжньо-рухомим поворотним столом, з ЧПУ моделі призначений для свердління, зенкерування, розточування, фрезерування та нарізування різьблення мітчиками в заготовках з чорних та кольорових металів в умовах одиничного та дрібносерійного виробництва.
Горизонтально-розточувальні верстати 2611Ф2 призначені для комплексної механічної обробки корпусних деталей шляхом проведення наступних технологічних операцій:
Клас точності верстатів 2611Ф2 - Н за ГОСТ 8-82Е.
Виробник: Іванівський завод важкого верстатобудування.

Фото горизонтально-розточувального верстата 2611Ф2
Фото горизонтально-розточувального верстата 2611Ф2. Завантажити у збільшеному масштабі

Фото горизонтально-розточувального верстата 2611Ф2
Фото горизонтально-розточувального верстата 2611Ф2. Завантажити у збільшеному масштабі

Фото горизонтально-розточувального верстата 2611Ф2
Фото горизонтально-розточувального верстата 2611Ф2. Завантажити у збільшеному масштабі

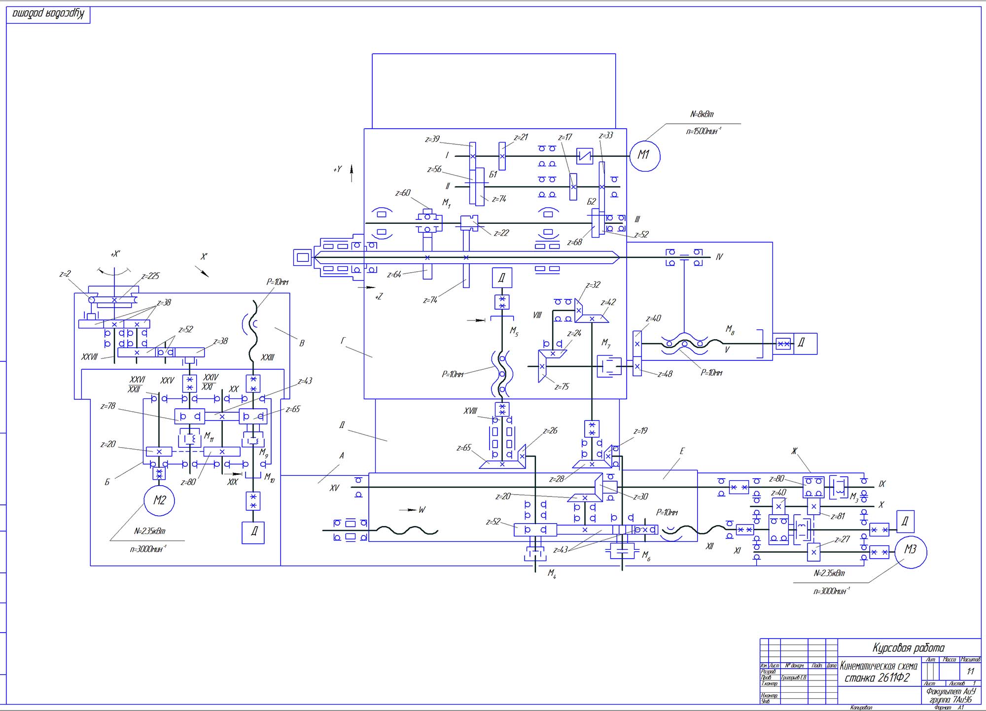
Кінематична схема горизонтально-розточувального верстата 2611Ф2
1. Кінематична схема горизонтально-розточувального верстата 2611Ф2. Дивитись у збільшеному масштабі
2. Кінематична схема горизонтально-розточувального верстата 2611Ф2. Дивитись у збільшеному масштабі
Верстат (рис. 116) виконаний з висувним шпинделем, поздовжньо-рухливою стойкою та поздовжньо-рухомим поворотним столом. Інструмент встановлюють у шпинделі IV; йому повідомляється головне рух. По горизонтальним напрямним станини «А» переміщаються санки «Е» стійки «Д» від редуктора подачі «Ж» (подача осі). Стіл "В" має поперечну подачу по осі X від редуктора подач "Б". Крім того, стіл має запрограмований поворот на кут β. По вертикальним напрямним стійки "Д" переміщається шпиндельна бабка "Г" (подача по осі Y). Шпиндель IV має можливість осьового переміщення осі Z.
Головний рух - обертання шпинделя здійснюється від двигуна постійного струму Ml (N = 8 кВт; п = 1500 об/хв) через два подвійні блоки зубчастиних коліс Б1 і Б2 і через передачу (22/74) (60/64). Регулювання частоти обертання шпинделя в межах 12,5...1250 об/хв досягається зміною напруги в ланцюгу якоря, зміною потоку збудження двигуна, а також гідравлічним перемиканням блоків зубчастиних коліс і муфти М1. При перемиканні механічних щаблів подача вимикається, а при електричному регулюванні не вимикається.
Учитывая, что диапазон регулювання двигуна п = 600..3000 об/мин, рівняння кінематичної ланцюги для минимальной частоти обертання шпинделя выглядит следующим образом: nшп = 600 х (21/71) х (17/68) х (22/74)= 12,5 об/мин.
Направление обертання изменяется реверсированием електродвигуна. Механізм головного приводу верстата защищен от динамического воздействия упругой муфтой на валу I.
Рабочие і установочные переміщення (подачі) вузлів верстата осуществляются двумя двигунами постоянного тока М2 і М3 типа ПБСТ (N= 2,35 кВт; п = 3000 об/мин) з диапазоном регулювання 1…750 для рабочих подач при общем диапазоне регулювання 1…2500, включая быстрые і установочные переміщення. От електродвигуна М3 происходит осевая подача шпинделя, салазок, стойки і шпиндельной бабки, от електродвигуна М2 — поперечное перемещение і поворот стола.
Продольная подача салазок стойки осуществляется от вала XI через передачи (27/81), (40/81) при включенной муфте М2 і ходовой винт XII з шагом р = 10 мм. Винт жестко скреплен з выходным валом редуктора, а гайка — з корпусом салазок стойки.
Вертикальная подача шпиндельной бабки осуществляется от вала XI через передачи (27/81), (81/80) при включенной муфте М3, вал IX, вал XV, конические колеса з круговым зубом 30/20, через зубчатую пару (43/52) при включенной муфте М4, вал XVII, конические колеса з круговым зубом (25/65) і ходовой винт качения з шагом р = 10 мм. Муфта М5 — тормозная.
Рівняння кинематического баланса для минимальной подачі шпиндельной бабки Smin = 1,2 х (27/81) х (81/80) х (30/20) х (43/52) х (26/65) х 10 = 2 мм/мин, где 1,2 — минимальная частота обертання електродвигуна ПБСТ-33.
Осевая подача шпинделя осуществляется от вала XI через передачи (27/81), (81/80) (включена муфта М3), валы IX і XV, передачу (30/20), вал XVI, цилиндрическую пару (43/43) (муфта М6 шариковая предохранительная), вал XIII, конические пары з круговыми зубьями (19/28), (42/32) і (24/79), вал VI, електромагнитную муфту М7, передачу 48/40 і ходовой винт качения V з шагом р = 10 мм. На кінці гвинта V расположена тормозная муфта М8.
Максимальная осевая подача шпинделя Smax = 900 х (27/81) х (81/80) х (30/20) х (43/43) х (19/28) х (42/32) х (24/75) х (48/40) х 10 = 1600 мм/мин.
Поперечная подача подвижного стола осуществляется от вала XXII через цилиндрические пары (20/80), (43/65) при включенной електромагнитной муфте М9 і ходовой винт XXIII подача салазок з шагом р = 10 мм. Муфта M10 — тормозная. Со всеми ходовыми гвинтами жестко скреплены датчики положения.
Поворот стола происходит от вала XXII через передачи (20/80), (43/78), (включена муфта М11), через зубчасті колеса (38/52), (52/52), вал XXV передачи (38/38), (38/38), червячную пару 2/225. Для установки поворотного стола через 90° на салазках установлен индуктивный датчик, а на поворотном столе четыре репера (магнитопровода). Конструкція реперов позволяет регулировать установку по углу в небольших пределах. При подходе в зону датчика стол перемещается на заранее заданной небольшой скорости.
Гідросистема верстата осуществляет переключение механических ступеней головного привода, отжим подвижных органів верстата, отжим инструмента в шпинделе, смазку окремих вузлів верстата.
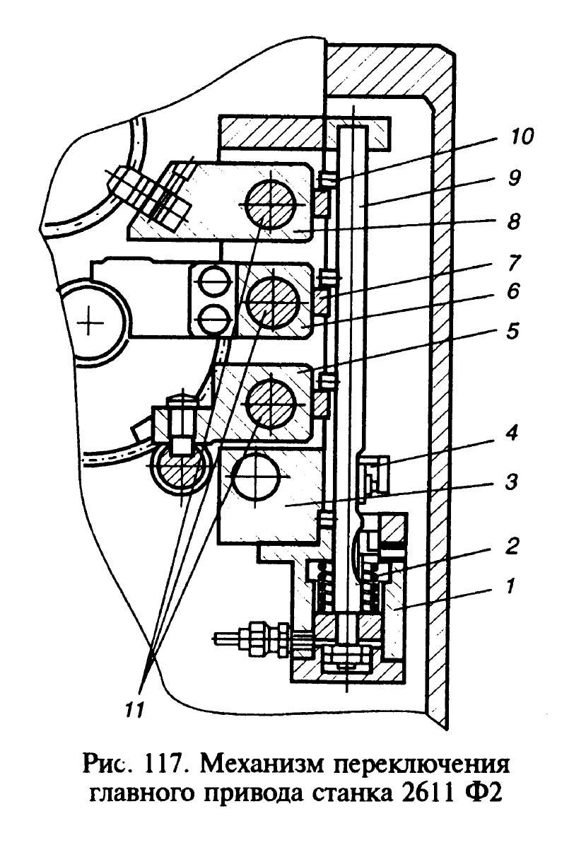
Механізм переключения швидкостей головного приводу (рис. 117) електрогідравлический з дистанционным керуванням. В корпусе 3 смонтированы гідроциліндри, на штоках 11 которых закреплены поводки 5, 6 і 8, передвигающие блоки зубчатых колес. Крайние положения поводков фиксируются пальцами 10, закрепленными на штанге 9; фиксирование производится з помощью пружины 2, расфиксирование — пружиной 2. Перед переключением блока зубчатых колес через указатель частот обертання шпинделя на панелі пульта дается команда електромагнитному гідрораспределителю, который пропускает масло в бесштоковую полость цилиндра 7. Тогда поршень, преодолевая сопротивление пружины 2, перемещает штангу 9 вверх, при етом Пальцы 10 выходят из-за выступов упоров 7, закрепленных на поводках. Лепесток 4 действует на конечный выключатель, который дает сигнал гідрораспределителям керування гідроцилиндрами поводков о возможности переключения любого блока зубчатых колес.
По программе, заложенной в електросхеме, соответствующие гідрораспределители керування перебрасывают потоки масла, і гідроциліндри посредством поводков переводят блоки зубчатых колес. На каждом гідроцилиндре закреплены поводки, в крайних положениях воздействующие на конечные выключатели, установленные в корпусе. При срабатывании конечных выключателей перевод блоков зубчатых колес завершается і подается команда на фиксирование данного розположення поводков.
Гідрораспределитель керування гідроцилиндром фиксатора снимает давление в гідроцилиндре 1 фиксатора; пружина 2 перемещает штангу 9 вниз, пальцы 10 заходят за выступы упоров 7 поводков. Лепесток, закрепленный на штанге, действует на конечный выключатель, который сигнализирует о завершении цикла переключения швидкостей.

Механізм переключения головного приводу верстата 2611Ф2
Будь-яка робота потребує більше часу, ніж ви думаєте.
Закон Мерфі