Виробник горизонтально-розточувального верстата 2636 Іванівський завод важкого верстатобудування , заснований у 1953 році.
21 листопада 1958 року введено в експлуатацію першу чергу Іванівського заводу розточувальних верстатів.
У 1958 році було налагоджено випуск вузлів та комплектуючих для ленінградського верстатобудівного Заводу імені Свердлова. Згодом, на заводі було розпочато випуск простих горизонтально-розточувальних верстатів за кресленнями того самого заводу. Оснастивши виробництво необхідною базою, верстатобудівники перейшли на виробництво складнішої продукції - обробних центрів (ОЦ).
Горизонтально-розточувальний верстат 2636 був замінений у виробництві новою моделлю 2А636.
Розточувальні верстати 2636 призначені для комплексної механічної обробки корпусних деталей масою до 8 т шляхом проведення наступних технологічних операцій:
Режим роботи системи програмного керування:
Електропроводка для виносного обладнання постачається заводом.
Клас точності верстатів Н згідно з ГОСТ 8-82Е.
Шорсткість обробленої поверхні Ra 2,5 мкм.
Виробник: Іванівський завод важкого верстатобудування.

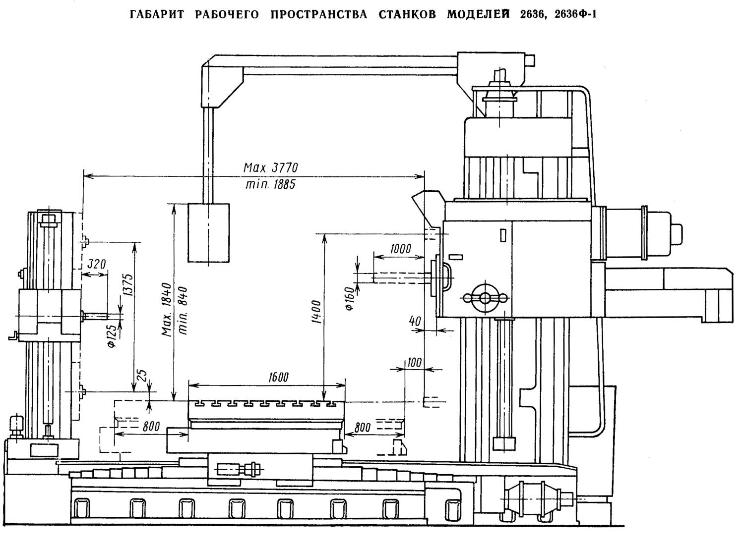
Габаритні розміри робочого простору верстата 2636

Габаритні розміри робочого простору верстата 2636

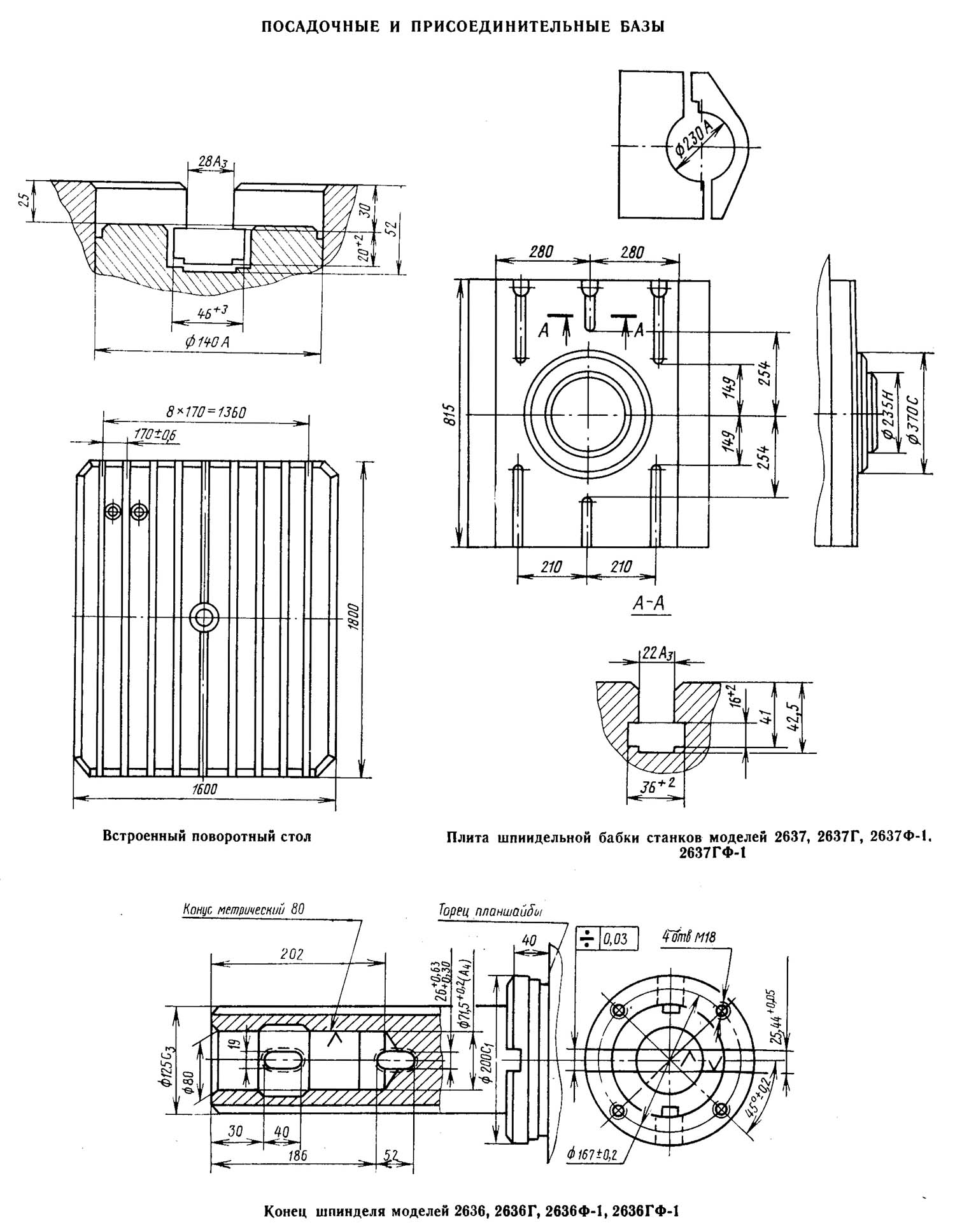
Посадочні та настановні бази горизонтально-розточувального верстата 2636

Вбудована планшайба з радіальним супортом верстата 2636

Фото розточувального верстата 2636

Фото розточувального верстата 2636

Фото розточувального верстата 2636

Вбудована планшайба з радіальним супортом верстата 2636

Настановне креслення горизонтально-расточного верстата 2636
Настановне креслення горизонтально-расточного верстата 2636. Скачать в увеличенном масштабе
| Наименование параметра | 2А636 | 2636 |
|---|---|---|
| Основні параметри верстата | ||
| Диаметр выдвижного расточного шпинделя, мм | 125 | 125 |
| Точность установки координат, мм | 0,01 | 0,01 |
| Точность установки поворотного стола, сек | ||
| Стол | ||
| Рабочая поверхность стола, мм | 1600 х 1800 | 1600 х 1800 |
| Наибольшая масса обрабатываемого вироби, кг | 10000 | 8000 |
| Наибольшее перемещение стола поперечное (по оси X), мм | 2000 | 1600 |
| Наибольшее перемещение стола продольное (по оси W), мм | 1600 | 1600 |
| Угол поворота стола (по оси B), град | 360 | 360 |
| Пределы рабочих подач по осям X,Y,Z,W, мм/мин | 2..2000 | 1..1000 |
| Наибольшее усилие подачі стола (вдоль і поперек), кгс | 20 | 20 |
| Скорость быстрых перемещений по осям X, Y, W, м/мин | 5 | 5 |
| Скорость быстрых перемещений шпинделя по оси Z, м/мин | 4 | 4 |
| Шпиндельная бабка. Выдвижной шпиндель | ||
| Наибольшее вертикальное перемещение шпиндельной бабки (установочное) (по оси Y), мм | 1600 | 1400 |
| Наибольшее горизонтальное (осевое) перемещение шпинделя (по оси Z), мм | 1000 | 1000 |
| Частота обертання шпинделя, об/мин | 6,3..1250 | 6,3..1000 |
| Количество швидкостей шпинделя | (Б/с) | |
| Пределы рабочих подач выдвижного шпинделя, мм/мин | 2..2000 | 1,6..1600 (Б/с) |
| Пределы рабочих подач шпиндельной бабки, мм/мин | 2..2000 | 2..1000 (Б/с) |
| Скорость быстрых перемещений шпиндельной бабки, м/мин | 5 | 5 |
| Скорость быстрых перемещений шпинделя, м/мин | 4 | 4 |
| Наибольший крутящий момент на шпинделе, кН*м | 35 | 41 |
| Наибольшее усилие подачі шпинделя, кН | 20 | 20 |
| Наибольшее усиление подачі бабки, кН | 20 | 20 |
| Нарезаемая метрическая резьба, мм | ||
| Нарезаемая дюймовая резьба, число ниток на 1" | ||
| Наибольшее тангенциальное усилие різання, кН | 16 | 20 |
| Наибольшее тангенциальное усилие різання при растачивании без радиальной подачі, кН | 16 | - |
| ПланШайба. Суппорт | ||
| Радиальное перемещение суппорта, мм | 200 | |
| Скорость обертання планшайби, об/мин | 4..250 | 4..200 |
| Количество швидкостей планшайби | 2 | |
| Пределы рабочих подач радиального суппорта, мм/мин | 0,63..630 | |
| Скорость быстрых перемещений радиального суппорта, м/мин | ||
| Наибольший крутящий момент на планшайбе, кН*м | 72 | 65 |
| Наибольшее усилие подачі радиального суппорта, кН | 7 | 7 |
| Привод | ||
| Количество електродвигателей на станке | 10 | 9 |
| Електродвигун приводу головного руху Мощность, кВт (об/мин) | 22 | 19 (750) |
| Електродвигун приводу подачі шпиндельной бабки, кВт | 2,8 (1500) | |
| Електродвигун приводу поперечної подачі і поворота стола, кВт | 2,8 (1500) | |
| Електродвигун приводу поздовжньої подачі стола, кВт | 2,8 (1500) | |
| Електродвигун приводу поздовжньої подачі шпинделя, кВт | 1,6 (1500) | |
| Електродвигун приводу подачі радиального суппорта, кВт | 0,85 (675) | |
| Електродвигун приводу подачі задньої стойки (люнета), кВт | 0,55 (1500) | |
| Електродвигун приводу насоса гідростанції змазки, кВт | 2,2 (950) | |
| Електродвигун приводу насоса змазки верхних і нижних саней і шпиндельной бабки, кВт | 0,12 (1400) 3 шт. | |
| Електродвигун приводу переміщення переміщення пульта, кВт | 0,37 (1500) 2 шт. | |
| Електродвигун вентилятора охлаждения електродвигуна головного привода, кВт | 0,6 (2800) | |
| Система цифрової індикації та попереднього набору координат для верстата 2636Ф1 | ||
| Тип системи УЦІ | Розмір-2М вик. 1104 | |
| Кількість програмованих координат | 4 | |
| Кількість координат, що одночасно відображаються | 4 | |
| Кількість одночасно оброблюваних координат | 2 | |
| Дискретність завдання координат | 0,01 | |
| Датчик зворотного зв'язку | Сельсиновий, багатовідліковий | |
| Сумарна потужність електродвигунів, кВт | 36,3 | |
| Габарити та маса верстата | ||
| Габарити верстата, включаючи хід столу та санок, мм | 5622 х 8160 х 5135 | 8160 х 5070 х 4805 |
| Маса верстата, кг | 33945 | 35700 |
Будь-яка робота потребує більше часу, ніж ви думаєте.
Закон Мерфі