metalinstryment.com
Довідник по металорізальних верстатів та пресовому обладнанні

3У143 Верстат круглошлифовальный універсальний напівавтомат
Схеми, опис, характеристики

3У143 общий вигляд універсального круглошлифовального верстата з горизонтальным шпинделем







Відомості про виробника круглошлифовального верстата 3У143

Производитель універсального круглошлифовального верстата 3У143 - Лубенский станкостроительный завод "Коммунар".

Завод "Феникс" основан в 1915 году і в 1918 году получил наименование "Коммунар".

С 1957 году завод специализируется на производстве универсальных і специальных круглошлифовальных верстатів з различным уровнем автоматизации, от верстатів з ручным керуванням до верстатів з современными ЧПУ.





Верстати, выпускаемые Лубенский станкостроительным заводом Коммунар


3У143 Верстат круглошлифовальный універсальний напівавтомат. Назначение і область применения

Разработчик круглошлифовального верстата 3У143 Опытно-конструкторское бюро шлифовальных верстатів (ОКБ ШС), Харьковского станкостроительного завода им. С. В. Косиора, основанного в 1936 году.

Круглошлифовальные верстати 3У143 предназначены для наружного і внутреннего шлифования цилиндрических і конических поверхностей, а также плоских фланцевых поверхностей изделий в условиях единичного і мелкосерийного производства.

Шлифование на верстатах 3У143 може производиться в неподвижных центрах или патроне. Верхня часть стола, шлифовальная і передняя бабки верстатів выполнены поворотными.

Принцип роботи і особливості конструкції верстата

Гідравлический привід продольного переміщення стола обеспечивает плавное регулювання скорости переміщення і изменение величины задержек в крайних положениях стола. Имеется механізм ручного переміщення стола.

Шпиндель шлифовальной бабки смонтирован в самоустанавливающихся гідродинамических підшипниках, которые обеспечивают устойчивое положение шпинделя при больших нагрузках.

Шлифовальная бабка перемещается на роликовых направляючих. В механізме подач шлифовального круга применена винтовая пара качения, что обеспечивает высокую точность подачі.

Верстати 3У143 комплектуются механізмом балансировки шлифовального круга на ходу і прибором для замера величины вибрации.

Обработка вироби на верстатах може проводиться продольным шлифованием з ручной или автоматичною подачей круга при реверсах стола или врезным шлифованием з ручной подачей круга. Обеспечивается высокая точность і чистота обробки.

Верстати 3У143 комплектуются скоростными точными внутришлифовальными шпинделями.

Резервуары для масла і охлаждающей жидкости вынесены за пределы станины для устранения тепловых деформаций. Обеспечивается очистка масла і охлаждающей жидкости.Надежная блокировка исключает увімкнення приводов обертання шпинделя шлифовального круга і переміщення стола при отсутствии змазки, а также отвод пиноли задньої бабки при подведенной шлифовальной бабке.

Верстати 3У143 удобны в управлении і обслуживании. Пуск переміщення стола, увімкнення обертання охлаждения вироби і быстрый подвод шлифовального круга к изделию производится одной рукояткой. Отвод пиноли задньої бабки осуществляется от гідравлики з помощью педали.

Верстати комплектуются навесными индикаторными скобами для замера шлифуемого диаметра вироби.

Высокая жесткость верстатів 3У143, достаточные розміри шлифовального круга і мощный привід обеспечивают высокую производительность.

Шпиндель передньої бабки нерухомий. Изделие приводится во вращение електродвигуном постоянного тока через клиноременные передачи, что дает возможность бесступенчато регулировать вращение вироби.

Шпиндель шлифовальной бабки установлен і двух підшипниках ковзання специальной конструкції з принудительной проточной смазкой. Корпус шлифовальной бабки смонтирован на роликовых направляючих.

Алмазная правка шлифовального круга производится прибором правки, установленным на задньої бабке, или прибором для автоматичною правки, поставляемым по особому заказу за отдельную плату.


Модифікації круглошлифовального верстата 3У143





Габарит робочого простору верстата 3У143

Габарит робочого простору верстата 3У143

Креслення робочого простору круглошлифовального верстата 3У143


Присоединительные і посадочные базы верстата 3У143

Присоединительные розміри і посадочные места верстата 3У143

Присоединительные і посадочные базы шлифовального верстата 3У143


Загальний вигляд круглошлифовального верстата 3У143

Загальний вигляд  круглошлифовального верстата 3У143

Фото круглошлифовального верстата 3У143


Загальний вигляд  круглошлифовального верстата 3У143

Фото круглошлифовального верстата 3У143


Розташування складових частин шлифовального верстата 3У143

Список складових частин шлифовального верстата 3У143

Розташування складових частин шлифовального верстата 3У143

Список складових частин шлифовального верстата 3У143. Дивитись у збільшеному масштабі



Список складових частин шлифовального верстата 3У143

  1. станина
  2. електрообладнання
  3. ограждение
  4. бабка передняя
  5. система охлаждения
  6. пристрій для внутреннего шлифования
  7. кожух круга
  8. механізм поперечної подачі
  9. бабка шлифовальная
  10. бабка задня
  11. гідропривід і смазка
  12. гідрокерування
  13. фланец круга
  14. механізм ручного переміщення стола




Розташування органів керування шлифовальным верстатом 3У143

Розташування органів керування шлифовальным верстатом 3У143

Розташування органів керування шлифовальным верстатом 3У143

Розташування органів керування шлифовальным верстатом 3У143. Дивитись у збільшеному масштабі



Список органів керування шлифовальным верстатом 3У143

  1. выключатель сети
  2. рукоятка крана охлаждения для внутреннего шлифования
  3. винт поворота верхнего стола
  4. рукоятка левого упора реверса стола
  5. рукоятка крана охлаждения для наружного шлифования
  6. выключатель светильника
  7. рукоятка правого упора реверса стола
  8. маховик поперечної подачі шлифовальной бабки
  9. рукоятка налаштування лимба
  10. винт фиксации лимба
  11. рукоятка тонкой поперечної подачі шлифовальной бабки
  12. фиксатор приспособления для внутреннего шлифования
  13. рукоятка зажиму пиноли задньої бабки
  14. вал ручного відведення пиноли задньої бабки
  15. пульт керування
  16. рукоятка предохранительного упора реверса стола
  17. рукоятка регулювання скорости стола при правке круга
  18. рукоятка керування:
    • подводом і отводом шлифовальной бабки
    • пуском стола на рабочую подачу
    • наклон вправо или правку
    • наклон влево при подведенной шлифовальной бабке
    • перегоном стола вправо или влево при отведенной шлифовальной бабке
  19. рукоятка вида шлифования (наружное, внутреннее)
  20. рукоятка регулювання величины задержки при реверсировании справа
  21. педаль гідравлічного відведення пиноли задньої бабки
  22. рукоятка регулювання скорости стола при шлифовании
  23. рукоятка реверсирования стола
  24. рукоятка регулювання величины задержки стола при реверсировании слева
  25. край установки величины периодической подачі слева, справа і на каждый ход верстата стола
  26. маховик ручного переміщення стола

Розташування органів керування на пульті шлифовального верстата 3У143

Розташування органів керування на пульті круглошлифовального верстата 3У143

Розташування органів керування на пульті шлифовального верстата 3У143


Список органів керування на пульті верстата 3У143

  1. указатель нагрузки двигуна шлифовального круга
  2. сигнальная лампа — отсутствие змазки шпинделя шлифовальной бабки
  3. регулятор частоти обертання заготовки
  4. сигнальная лампа — сеть включена
  5. указатель частоти обертання заготовки
  6. переключатель поперечных подач при реверсировании стола справа
  7. переключатель поперечных подач при реверсировании стола слева
  8. переключатель пуска обертання заготовки (ручной или автоматический)
  9. кнопка увімкнення гідронасоса
  10. кнопка виключення приводу заготовки
  11. кнопка перегона шлифовальной бабки назад
  12. кнопка ручного увімкнення приводу заготовки
  13. кнопка перегона шлифовальной бабки вперед
  14. кнопка виключення приводу шлифовального круга
  15. кнопка «Загальний стоп»
  16. кнопка увімкнення приводу шлифовального круга




Кінематична схема круглошлифовального верстата 3У143

Кінематична схема круглошлифовального верстата 3У143

Кінематична схема круглошлифовального верстата 3У143

Схема кінематична круглошлифовального верстата 3У143. Дивитись у збільшеному масштабі

Схема Расположения підшибників круглошлифовального верстата 3У143. Дивитись у збільшеному масштабі



Кинематические ланцюги і гідравлічна схема верстата позволяют осуществлять наступні руху:



Опис конструкції основних вузлів круглошлифовального верстата 3У143

Станина і столы (рис. 6)

На продольных направляючих станины 1 расположен нижний стол 2, на котором смонтирован верхний поворотный стол 4. Столы перемещаются по направляющим от гідравлики или механізмом ручного переміщення стола. Гідравлический цилиндр 8 переміщення стола в верстатах мод. ЗУ131 крепится к станине, а в верстатах мод. ЗУ142 к нижнему столу. На нижнем столе закреплена рейка ручного переміщення 12.

На задньої частини станины установлена опорная плита 6, на которой размещена поворотная плита 5 з направляющими для шлифовальной бабки. На поворотной плите крепится механізм швидкого подвода шлифовальной бабки з винтовой парой механізма поперечных подач. На направляючих плиты уложены роликовые шины.

Верхний стол і поворотная плита центрируются на осях через сферические шарикопідшипники. Зазоры в з'єднанні выбираются разжимом осей з помощью конических пробок 15, которые следует ослаблять при демонтаже. В верхнем столе отверстие дополнительно закрыто пробкой 14 з прокладкой для защиты от емульсии.

Верхний стол поворачивается з помощью гвинта 9 і закрепляется прижимами 3 і 7. Лівий прижим снабжен шкалой і индикаторным пристрійм для контроля поворота стола.

На передньої стенке станины закреплено откидное индикаторное пристрій 11 для контроля точных перемещений стола вручную. В пазу нижнего стола крепятся упоры реверса 13 і упор пристроя для контроля точных перемещений 10.

Поворотная плита з шлифовальной бабкой поворачивается вручную. Для облегчения поворота под плиту може подаваться масло под давлением. Крепится плита двумя гвинтами.

Шлифовальная бабка (рис. 7)


Шлифовальная бабка круглошлифовального верстата 3У143

Шлифовальная бабка круглошлифовального верстата 3У143

Шлифовальная бабка круглошлифовального верстата 3У143. Дивитись у збільшеному масштабі

Шпиндель 1 шлифовальной бабки смонтирован на самоустанавливающихся сегментных підшипниках, которые обеспечивают жесткую опору і высокую точность обертання шпинделя. Сегментные вкладыши 8 опираются на винты 5 со сферическими головками. В осевом направлении шпиндель фиксируется з помощью двух сферических бронзовых колец 2 і 3, прижатых к буртику шпинделя гайкой 4. Вращение на шпиндель от приводу передається через клиноременную передачу.

Шлифовальная бабка перемещается на роликовых направляючих, чем обеспечивается высокая чувствительность подачі.

Передня бабка (рис. 8, 9, 10 і 11)


Передня бабка круглошлифовального верстата 3У143

Передня бабка круглошлифовального верстата 3У143

Передня бабка круглошлифовального верстата 3У143. Дивитись у збільшеному масштабі

Конструкція передньої бабки обеспечивает шлифование в патроне или в неподвижных центрах. Шпиндель 13 смонтирован на высокоточных підшипниках качения. В осевом направлении шпиндель фиксируется сферическим бронзовым кольцом 9, к которому поджимается пружинами. Вращения от двигуна через двухступенчатую клиноременную передачу передається на планшайбу 14. Вращение на шпиндель, патрон или изделие от планшайби передається з помощью специальных поводков 6, 7 і 8. При шлифовании в центрах шпиндель фиксируется стопором, который расположен на станке ЗУ131 под кожухом шкивов, а на станке 3У143 — з задньої стороны бабки.

Поворотный корпус бабки центрируется на оси основания через сферический шарикоподшипник. Зазор в з'єднанні выбирается разжимом оси з помощью конической пробки 2, которую следует ослаблять при демонтаже. Поворачивается корпус бабки на верстатах мод. 3У131 вручную, а на верстатах мод. 3У143 з помощью валика-шестерни 5 і закрепляется специальными сегментами 4, которые разжимаются з помощью гвинта 1. Для фиксации положения бабки предусмотрены упоры 3.

Задня бабка (рис. 12 і 13)

Пиноль задньої бабки 3 постоянно поджимается пружиной. Отвод пиноля осуществляется от гідравлики з помощью педали. Перемещение плунжера 5 передається на пиноль через промежуточную шестерню. Предусмотрен ручной отвод пиноли з помощью вала 2 і накидной рукоятки. Усилие пружины регулируется винтом 4. Для зажиму пиноли служит рукоятка 1.

Механізм поперечных подач (рис. 14 і 15)

Механизмом подач осуществляется поперечная подача і механический установочный перегон шлифовальной бабки.

При подаче вручную вращение от маховика 5 передається на винтовую пару подачі (на рис. не показано) через вал 11, конические шестерни 12 і 14, полумуфту 13 і вертикальний вал 19. Тонкая доводочная подача производится вращением маховичка 2. При етом вращение на вал 11 передається через конические шестерни 22.

При шлифовании до жесткого упора применяется откидной упор 1, в который упирается штырь 7, закрепленный на лимбе 6. Величина припуска при етом устанавливается поворотом лимба относительно маховика 5 рукояткой 4 через блок шестерню 23. Для фиксации лимба предусмотрен винт 24.

При автоматичною подаче при реверсах стола вращение вала осуществляется от гідравлічного плунжера 8 через храповое колесо 9. Величина подачі устанавливается вращением лимба 3. При етом вал-шестерня лимба 3 поворачивает зубчатый сектор, который перемещает отсекатель 10 храпового механізма і вводит в зацепление требуемое число зубьев.

Закрепленный на лимбе 6 отсекатель 20 храпового механізма прекращает автоматическую подачу, когда штырь 7 лимба не доходит до откидного упора на одно-два деления лимба. На ету величину при работе до жесткого упора следует довернуть маховик 5 вручную. Для торможения механізма в кінці каждой подачі предусмотрены гідравлические тормоза 21. При включении механического перегона шлифовальной бабки в верхнюю полость цилиндра 15 подается масло і поршень перемещает полумуфту 13 в нижнее положение. Вращение от електродвигуна 17 на ходовую гайку передається через конические шестерни 16 і 18, полумуфту 13 і вал 19. На маховик при етом вращение не передається.

Механізм ручного переміщення стола (рис. 16)

Механізм представляет собой двухскоростной шестеренчатый редуктор. Вал-шестерня 1 механізма находится в постоянном зацеплении з рейкой нижнего стола.

Переключення швидкостей осуществляется переміщенням маховика 3 вдоль оси до отказа. Меньшая скорость включается переміщенням маховика на себя.

При включении гідравлічного переміщення стола автоматически разъединяется муфта 2 і вращение выходной шестерни 1 от рейки стола не передається на механізм.




Приспособление для внутреннего шлифования (рис. 17)

В рабочем опущенном положении пристрій крепится винтом к корпусу шлифовальной бабки, а в отведенном нерабочем положении — фиксатором 1. Отвод приспособления облегчается специальной пружиной. Вращение на внутришлифовальный шпиндель от приводу передається плоским бесконечным ремнем. Верстати мод. ЗУ142 комплектуются двумя внутришлифовальными шпинделями. При установці шлифовального круга диаметром 80 мм следует на електродвигателе заменить шкив диаметром 180 мм на шкив диаметром 155 мм, который поставляется со верстатом.

Механізм швидкого подвода (рис. 18 і 19)

Состоит из вузла швидкого подвода шлифовальной бабки і пары винт-гайка качения з червячной передачей. Узел швидкого подвода состоит из цилиндра 7 і гідравлических тормозных устройств 10. Узел винт-гайка качения включает в себя винт 6, где полугайки 4 і 5, втулку 3 з червячным колесом і червяк 16, соединенный з вертикальным валом механізма подачі. Корпус гайки 11 сцеплен з выступами шлифовальной бабки. В каждой полугайке имеются три независимые группы циркулирующих шариков. Полугайки сцепляются з втулкой зубчатыми венцами, которые имеют различное число зубьев. При перестановке полугаек на одинаковое число зубьев, они поворачиваются на разные углы, что используется при регулировке осьового натяга в винтовой паре. Радиальную фиксацию ходового гвинта обеспечивают роликовые направляющие 8.

Для отключения електродвигуна перегона шлифовальной бабки в крайних положениях имеются упоры 9.

Пристрій для подачі і очистки охлаждающей жидкости (рис. 20)

Включает в себя отдельно стоящую установку, на которой смонтирован насос 1, фильтр 2 і подводящие коммуникации. В качестве фильтра используется магнитный сепаратор; в верстатах класса «В» дополнительно устанавливается фильтр — транспортер 3 з фильтрующей бумажной лентой.

Механізм балансировки шлифовального круга (рис. 21)

Балансировочный механізм закрепляется на фланце шлифовального круга і предназначен для устранения дисбаланса, возникающего в процессе срабатывания круга.

Балансировка производится во время обертання шлифовального круга торможением вручную рукояток 1 или 2.

При остановке рукоятки 2 рух грузов 3 і 4 замедляется через систему зубчатых і червячных передач, причем груз 4 движется несколько медленнее. Смещаясь относительно друг друга і относительно круга, грузы изменяют дисбаланс. Если будет пройдено положение, соответствующее минимальной вибрации і дисбаланс начнет возрастать, следует отпустить рукоятку 2 і затормозить рукоятку 1. При етом грузы относительно друг друга будут двигаться в обратном направлении і возвращаться в пройденное положение наименьшего дисбаланса.

Определение момента наименьшего дисбаланса производится виброметром. При его отсутствии относительную величину вибрации можно определить по состоянию поверхности воды в небольшом сосуде, установленном на корпусе шлифовальной бабки.

Правильные приборы (рис. 22, 23, 24 і 25)

Прибор (рис. 22) имеет поворотную головку і може в нерабочем положении не сниматься со стола при шлифовании. На оправке подвижной стойки закрепляется алмаз или державка з твердосплавным диском.

Прибор (рис. 23) предназначен для правки круга по периферии і торцам при нормальном і повернутом положении шлифовальной бабки. Для точной установки поворотного корпуса прибора на требуемый угол служат подвижные упоры з установленными гвинтами. Державка з твердосплавным диском закрепляется непосредственно на пиноли (при правке периферии) или посредством специального хомута (при правке торцев).

Прибор (рис. 24) предназначен для фасонной правки круга по копиру. Каретка і пиноль прибора смонтированы на роликовых направляючих. Ход пиноли 25мм, поперечний ход каретки 100 мм. Упор пиноли поджат к копиру пружиной. Подача алмаза производится вращением рукоятки микрометрического гвинта.

Прибор (рис. 25) обеспечивает правку круга для шлифования наружных поверхностей радиусом до 25 мм, внутренних — радиусом до 10 мм. Налаштування производится предварительно по шкале штанги, окончательно — вращением рукоятки микрометрического гвинта.

Приборы (рис. 24 і 25) поставляются по особому заказу.

Люнеты (рис. 26 і 27)

Открытый люнет обеспечивает шлифование изделий диаметром от 10 до 60 мм.

Закрытый люнет используется при шлифовании тяжелых і неуравновешенных деталей диаметром от 15 до 150 мм.





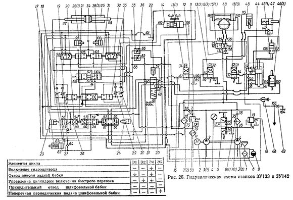
Гідросистема круглошлифовального верстата 3У143

Гідравлічна схема круглошлифовального верстата 3У143

Гідравлічна схема круглошлифовального верстата 3У143

Схема Гідравлічна круглошлифовального верстата 3У143. Дивитись у збільшеному масштабі



Схема гідравлічна показана на рис. 28 і 29. Список елементів гідросистемы указан в таблице 5.

Опис роботи

Гідросистема верстата предназначена для обеспечения следующих функций:

  1. Перемещение стола з рабочей скоростью или скоростью правки.
  2. Блокировка механізма ручного переміщення стола.
  3. Перегон стола.
  4. Подвод і отвод шлифовальной бабки.
  5. Отвод пиноли задньої бабки.
  6. Периодические подачі при реверсах стола.
  7. Переключення муфты механізма подач при установочном перегоне шлифовальной бабки.

Насосная установка і большая часть апаратури керування вынесены в отдельно стоящую гідростанцию. Гідропанель реверса стола, кран подач, кран керування і дроссели, регулирующие скорость переміщення стола, размещены в окне передньої стенки станины.

Насосная установка состоит из сдвоенного лопастного насоса 3(1) і 3(2). Меньший насос 3(2) включен в систему постоянно; больший насос 3(1) обычно разгружен на слив через столовый золотник 31 гідропанелі і подключается в систему только при включении переміщення стола. Обратные клапаны 6 і 12 предохраняют систему от инерционной разрядки при выключении гідропривода.

В качестве предохранительных клапанов используются напорные золотники 11 і 10; слив из післяднего соединяется з магистралью подачі масла от насоса 3(1). Фильтрация всего масла осуществляется фильтром 7(2), фильтрация масла от насоса 3(1)—фильтром 7(1). Охлаждается масло в теплообменнике 50.

Увімкнення переміщення стола, швидкого подвода і відведення шлифовальной бабки і перегона стола производится одной рукояткой 21.

Перемещение стола

Пуск гідравлічного переміщення стола для осуществления цикла шлифования производится при подведенной шлифовальной бабке наклоном рукоятки керування 21 вправо. При етом масло от насосной установки через среднее сечение крана 20 подходит к цилиндру отключения механізма ручного переміщення стола 17. После отключения етого механізма масло через точку 83 поступает под торец стопового золотника 31 і перемещает его влево (по схеме). В зависимости от положения золотника 33 масло поступает в правую или левую полость цилиндра переміщення стола 25. Из противоположной полости етого цилиндра масло вытесняется на слив через каналы гідропанелі, правое сечение крана 20, дроссель скорости стола 35 і подпорный клапан 37. Скорость переміщення стола при шлифовании определяется налаштуванням дросселя 35.

Для правки шлифовального круга рукоятку керування 21 необходимо наклонить влево. Слив масла из нерабочей полости гідроцилиндра происходит через каналы гідропанелі, правое сечение крана 20, дроссель правки 36 і подпорный клапан 37. Скорость переміщення стола при правке определяется налаштуванням дросселя 36.

Выключение гідравлічного переміщення стола производится возвратом рукоятки керування в вертикальное положение. При етом среднее сечение крана 20 соединит точку 105 стопового золотника 31 через обратный клапан 19 со сливом по линии 60 —101. Пружина стопового золотника возвращает післядний в правое положение. Полости гідроцилиндра 25 через проточки золотника 31 соединяются между собой і со сливом по линии 106 — 65 через подпорный клапан 37. При етом насос 3(1) разгружается. Давление розвантаження равно 3...5 кгс/см2, благодаря чему, не происходит подсос воздуха в гідроцилиндр.

Одновременно цилиндр блокировки механізма ручного переміщення стола сообщается со сливом по линии 82 — 58—60—101, вследствие чего муфта етого механізма будет включена пружиной і станет возможным перемещение стола поворотом маховика.

При перемещении золотника 32 в крайних положениях стола через упоры стола і рычаг реверса 34 масло поступает к правому или левому торцу реверсивного золотника 33, переміщення его соответственно в крайнее правое или левое положения. Вследствие етого полости гідроцилиндра переміщення стола 25 попеременно соединяются з давлением і сливом, что приводит к автоматическому изменению направления руху стола. Длина ходу стола определяется положением упоров реверса.

При помощи дросселей 29 і 30 осуществляется регулировка задержки стола при реверсах, а при помощи дросселей 27 і 28—регулировка плавности разгона стола після реверса. Рычаг реверса 34 можно опустить, чтобы он мог пройти под упорами стола. Это даст возможность перегонять стол в зону правки, не нарушая установки упоров реверса. На станке предусмотрен третий упор реверса для ограничения переміщення стола при выполнении правки шлифовального круга.

Для получения осциллирующего руху стола з ходом 3 мм нужно свести упоры до касания з рычагом реверса 34, а рукоятку керування 21 поставить в положение шлифования. Число ходов в минуту настраивается дросселями стола.




Перегон стола

Для удобства налагодження верстата предусмотрена возможность перегона стола вправо или влево з регулируемой скоростью при отведенной шлифовальной бабке.

Для перегона стола необходимо наклонить рукоятку керування вправо или влево. При етом масло через левое сечение крана 20 поступит к торцу плунжера 26(1) или 26(2) которые, перемещаясь, повернут рычаг реверса 34 в сторону, соответствующую направлению наклона рукоятки керування 21.

Далее происходит то же, что і при перемещении стола при шлифовании или правке, но слив из полости гідроцилиндра 25 идет через проточки крана 20. Скорость руху стола при перегоне определяется углом наклона рукоятки керування 21, от которого зависит величина щели сечения крана 20. Подвод і отвод шлифовальной бабки

Быстрый подвод шлифовальной бабки к изделию осуществляется наклоном рукоятки 21 «на себя». При етом масло от насоса 3(2) через обратный клапан 6 поступает к точке 48 золотника 20. Через проточку етого золотника по линии 47—39 масло поступает в верхнюю полость цилиндра 44. Из нижней полости етого цилиндра по линии 40—38—49—65 масло идет на слив через подпорный клапан 37. В кінці швидкого подвода масло идет на слив по линии 41—159 через проточку золотника 46(2) і далее по линии 160—38—49—65. При етом происходит торможение бабки при подходе в крайнее положение. Скорость торможения регулируется положением упора, воздействующего на золотник 46(2).

При быстром отводе шлифовальной бабки торможение її в кінці ходу осуществляется золотником 46(1). Скорость торможения регулируется положением упора, воздействующего на золотник.

Отвод пиноли задньої бабки

При нажатии на педаль подается команда на увімкнення електромагнита Э1 золотника 13(3), і масло подается к цилиндру відведення пиноли 47. Отвод пиноли возможен только при отведенной шлифовальной бабке, т. к. подвод масла к золотнику 13(3) происходит по линии 37—34, т. е. при верхнем (по схеме) положении поршня цилиндра 44.

Периодические подачі шлифовальной бабки

От гідропанелі (точки 98 і 102) масло поступает к крану периодических подач 38, который имеет 4 положения:

В момент реверса стола слева масло по каналу 98 поступает к крану подач (точка 124), проходит через проточку золотника 14 і поступает под левый торец золотника 15. Последний, перемещаясь вправо (по схеме), откроет доступ масла от насоса 3(2) под левый торец цилиндра поперечної подачі 40 і произойдет подача.

Одновременно масло поступает под левый торец золотника 14, перемещая его вправо по схеме. Скорость переміщення регулируется дросселем, встроенным в золотник. Перемещаясь, золотник 14 отсекает поток масла от крана 38 к золотнику 15 по линии 112 —108—134 і сливает его из-под торца етого золотника по линии 134—108-—111 —121 —123—102 — 101. Пружина возвращает золотник 15 в первоначальное положение і масло от насосной установки поступает под правый торец цилиндра 40, производя его перезарядку, а из левой полости идет на слив через проточку золотника 15 по линии 169 — 135—138.

В момент реверса стола справа масло по каналу 102 поступает к крану подач (точка 123), проходит через проточку золотника 14 і поступает под левый торец золотника 15. перемещая его вправо (по схеме). При етом масло от насосной установки поступит под левый торец цилиндра поперечної подачі 40, і произойдет подача.

Одновременно масло поступает под правый торец золотника 14, перемещая его влево по схеме; скорость переміщення золотника регулируется дросселем, встроенным в золотник. Перемещаясь, золотник 14 отсекает поток масла к золотнику 15 по линии 111 —108—134, далее происходит то же, что і після реверса слева.

Для осуществления периодической подачі справа или слева необходимо кран подач 38 поставить в соответствующее положение. Когда кран подач стоит в положении «подачі нет», масло от золотника 32 через сечение крана не проходит.

Переключення муфты механізма подач

При включении установочного перегона шлифовальной бабки от електродвигуна включается електромагнит Э2, который перемещает золотник 13(2). Масло подается под торец цилиндра 45, который переключает муфту механізма подач для перегона.

Автоматический отвод шлифовальной бабки при перегрузке

При перегрузке верстата (большое усилие на шлифовальный круг), от реле максимального тока подается команда на електромагнит Э4 золотника 13(1). Последний, перемещаясь вниз, открывает доступ масла от насосной установки по линии 4—68—67—52 под Торец золотника 22, перемещает его вниз (по схеме) і масло под давлением по линии 48 — 49 поступает к золотникам 23 і 24, которые устанавливают кран керування 20 в среднее положение. Рукоятка керування 21 становится в вертикальное положение, шлифовальная бабка отходит от вироби, стол останавливается.

Демпфер 16 предназначен для безударного переміщення золотника 22.

Разгрузка круговых направляючих шлифовальной бабки

Для подачі масла к круговым направляющим шлифовальной бабки при разворотах отпускается винт клапана 48, расположенного на станине со стороны гідростанції (на разветвительной планке). Давление масла в системе розвантаження определяется демпфером 49.





Указание по монтажу і експлуатации

Гідростанція подключается к верстату гибкими рукавами. На каждом рукаве закреплена бирка з обозначением номера присоединения. Номера приз'єднань наклеймены на присоединительных планках верстата і гідростанції.

Перед пуском верстати залить в резервуар 1 через заливную горловину 8 чистое масло марки «Турбинное-22» ГОСТ 32—53 до уровня верхнего маслоуказателя 9. Емкость резервуара 160 л. После пуска верстата і заполнения гідросистемы долить масло в резервуар до нормы.

После пуска верстата проверить рабочее давление по манометру 4. Давление в системе приводу стола проверяется при поднятом флажке крана 5 і должно быть 10—12 кгс/см2; давление в системе приводу остальных движений проверяется при опущенном флажке і должно быть 12 —14 кгс/см2.

Гідропривід верстата поставляется полностью отрегулированным для нормальной роботи. Поетому регулировка клапанов і дросселей, кроме органів оперативного керування, не рекомендуется.

Давление в системе приводу стола регулируется винтом напорного золотника 11 при включенном перемещении стола. Регулювання давления в системе приводу остальных движений производится з помощью золотника 10.

Во время роботи верстата контролировать уровень масла по маслоуказателю 9. Раз в смену проворачивать рукоятки пластинчатых фильтров 7(1) і 7(2) на 2 — 3 оборота. Не реже чем через 3 месяца роботи снимать і очищать магнитные патроны і сапун заливной горловины. Промывать резервуар і заменять масло через каждые 6 месяцев роботи верстата.

Список возможных неисправностей в работе гідросистемы приведен в табл. 6.


Регулювання верстата

Регулювання підшибників шпинделя шлифовальной бабки (см. рис. 7).

Отрегулированные на заводе-изготовителе підшипники шлифовальной бабки обеспечивают длительное время нормальную работу верстата. К их регулировке следует прибегать только в случаях крайней необходимости. Работа по регулированию підшибників должна выполняться слесарем високою квалификации.

Регулировку производить після разогрева бабки обкаткой в течение 2—3 часов і выполнять быстро, до її охлаждения.

Необходимый инструмент для регулировки:

  1. Ключ =55 мм для поворачивания шпинделя.
  2. Гаечный ключ s =36 мм.
  3. Ключи для винтов з внутренним шестигранником s =7 мм і s =12 мм.

Выполнить подготовительные роботи:

  1. Снять шлифовальный круг з фланцем.
  2. Снять кожух шлифовального круга і кожух шкивов.
  3. Снять ремни і шкив шпинделя.
  4. Проверить диаметральный зазор между шпинделями і вкладышами підшибників, который должен быть 0,015 мм.

При значительном отклонении зазору следует отрегулировать верхние вкладыши в следующем порядке:

После регулювання підшибників шпиндель должен вращаться свободно.

К регулированию нижних вкладышей следует прибегать только в случае крайней необходимости, когда ось шпинделя непараллельна направлению стола в вертикальной плоскости. В случае отклонений от допустимого (см. Свидетельство о приемке) післядовательность регулювання нижних вкладышей такая же, как в верхних.

После регулювання следует проверить параллельность шпинделя направлению переміщення стола.

Регулювання упорного підшипника шпинделя шлифовальной бабки (см. рис. 7).

Регулювання должно производиться также після обкатки бабки і выполняться быстро, до її охлаждения.

Порядок роботи по регулировке:

  1. Снять крышку шлифовальной бабки вместе з механізмом поперечных подач і пристрійм для внутреннего шлифования.
  2. Проверить осевой зазор в упорном подшипнике, который должен быть в пределах 0,020 — 0,025 мм.
  3. Отпустить контргайку і корончатую гайку 4.
  4. Отрегулировать зазор і затянуть контргайку.
  5. Установить крышку шлифовальной бабки з механізмом поперечных подач і пристрійм для внутреннего шлифования. При етом следует прокручивать маховик механізма поперечных подач, чтобы совпали шлицы втулки і вала механізма швидкого подвода.

Регулювання упорного підшипника следует приурочить к ремонту верстата.

Регулювання підшибників шпинделя передньої бабки (см. рис. 9 і 11)

Для выборки зазору в підшипниках их внутренние кольца поджимаются гайками на конусные шейки шпинделя. При етом наружный диаметр внутренних колец увеличивается.

При регулировке переднего підшипника снимается крышка на задньої стенке бабки і подшипник поджимается гайкой 12. Для избежания чрезмерной затяжки при етом следует проворачивать шпиндель. Гайка стопорится винтом, который нужно ослаблять при регулировке.

Задний подшипник регулируется гайкой 10. Положение упорной втулки заднего підшипника регулируется гайкой 11.

Регулювання осьового натяга в узле винт-гайка качения (рис. 18, 19).

Регулювання осьового натяга в гайке производится на заводе-изготовителе і расчитано на продолжительное время експлуатации верстата. К нему надо прибегать только тогда, когда будет установлено, что плохое качество шлифования вызвано уменьшением осьового натяга в данном узле.

Регулювання осьового натяга производить в следующем порядке:





Особливості разборки і сборки верстатів при ремонтi

Перед разборкой верстата необходимо:

Разборка і сборка столов выполняется в следующей післядовательности:

После етого нижний стол може быть свободно снят з направляючих станины.

При установці нижнего стола на направляющие станины, следует осторожно ввести в зацепление шестерню механізма ручного переміщення стола з рейкой, медленно поворачивая маховик ручного переміщення стола. Не соблюдая ету предосторожность, можно согнуть вал механізма ручного переміщення стола или повредить зубья шестерни і рейки. При разборке і сборке столов не допускать повреждения направляючих стола і станины, влияющих на точность верстата.

Порядок снятия шлифовальной бабки і механізма швидкого подвода описан в указаниях по регулировке осьового натяга в узле гвинта-гайка качения.

При разборке других складових частин верстата следует руководствоваться рисунками етих складових частин, приведенными в настоящем руководстве.

Схема розположення підшибників (рис. 37).

Список підшибників качения (табл. 11 і 12).





3У143 Верстат круглошлифовальный універсальний напівавтомат. Відеоролик.




Технічні характеристики верстата 3У143

Наименование параметра 3У142 3У143 3У144
Основні параметри
Класс точності по ГОСТ 11654—65 П/В П/В П/В
Наибольший диаметр обрабатываемого вироби, мм 400 400 400
Наибольшая длина обрабатываемого вироби, мм 1000 1400 2000
Наибольший диаметр шлифования без люнета, мм 400 400 400
Наибольший диаметр шлифования в люнете, мм 80 80 80
Наименьший диаметр шлифования при изношенном круге, мм 50 50 50
Наибольшая длина шлифования, мм 1000 1400 2000
Расстояние от оси шпинделя передньої бабки до зеркала стола - высота центров, мм 240 240 240
Наибольшая масса обрабатываемого вироби, кг 200 200 200
Станина і столы верстата
Наибольшее продольное перемещение стола, мм 1000 1400 2000
Наименьший ход стола между упорами, мм 4 4 4
Ручное перемещение стола за один оборот маховика, мм 3,1; 20,5 3,1; 20,5 3,1; 20,5
Скорость переміщення стола от гідросистемы (Б/с), м/мин 0,05..5 0,05..4,5 0,07..4,5
Наибольший угол поворота верхнего стола по часовий стрелке, град
Наибольший угол поворота верхнего стола против часовий стрелки, град
Цена деления шкалы поворота верхнего стола, град 0°20′ 0°20′ 0°20′
Цена деления шкалы поворота верхнего стола (конусность), мм/м 10 10 10
Шлифовальная бабка
Диаметр шлифовального круга - наибольший/ наименьший, мм 600/ 450 600/ 450 600/ 450
Диаметр шлифовального круга - посадочный, мм 305 305 305
Наибольшая высота устанавливаемого круга, мм 63 63 63
Частота обертання шпинделя шлифовальной бабки (круг = Ø525мм), об/мин 1272 1272 1272
Частота обертання шпинделя шлифовальной бабки (круг = Ø600мм), об/мин 1112 1112 1112
Механізм поперечных подач шлифовальной бабки
Наибольшее перемещение шлифовальной бабки по винту, мм 290 290 290
Величина швидкого подвода шлифовальной бабки от гідропривода, мм 50 50 50
Время швидкого подвода шлифовальной бабки, с 2,5 2,5 2,5
Подача на один оборот маховика, мм 0,5 0,5 0,5
Цена деления лимба поперечної толчковой подачі, мм 0,005 0,005 0,005
Периодическая подача во время реверсирования стола (Толчковая подача), мм 0,0025..0,025 0,0025..0,025 0,0025..0,025
Цена деления лимба тонкой толчковой подачі, мм 0,001 0,001 0,001
Величина врезной подачі на диаметр вироби, мм 0,9 0,9
Непрерывная подача для врезного шлифования (бесступенчатое регулювання), мм/мин 0,1..1 0,1..1
Величина поперечного переміщення шлифовальной бабки за один оборот маховика, мм 0,5 0,5 0,5
Скорость швидкого установочного переміщення шлифовальной бабки, мм/мин 240 240 240
Приспособление для внутреннего шлифования
Наибольший диаметр заготовки, устанавливаемой в патроне, мм 250 250 250
Наибольшая длина шлифуемого отверстия, мм 125 125 125
Диаметр шлифуемого отверстия, мм 30..200 30..200 30..200
Диаметр шлифовального круга, мм 25..80 25..80 25..80
Диаметр внутиришлифовальной головки, мм 100; 80 100; 80 100; 80
Число оборотів внутришлифовального шпинделя 1690 1690 1690
Передня бабка
Частота обертання вироби (бесступенчатое регулювання), об/мин 30..300 30..300 30..300
Конус центра по ГОСТ 13214-67 Морзе 5 Морзе 5 Морзе 5
Наибольший угол поворота передньої бабки, град 90° 90° 90°
Задня бабка
Величина відведення пиноли задньої бабки от руки, мм 35 35 35
Конус центра по ГОСТ 13214-67 Морзе 5 Морзе 5 Морзе 5
Привід і електрообладнання верстата
Количество електродвигателей на станке 11 11 11
Електродвигун шпинделя шлифовальной бабки, кВт 7,5 7,5 7,5
Електродвигун переміщення шлифовальной бабки, кВт 0,18 0,18 0,18
Електродвигун внутришлифовального шпинделя, кВт 1,1 1,1 1,1
Електродвигун приводу вироби, кВт 0,75 0,75 0,75
Електродвигун насоса гідросистемы, кВт 2,2 2,2 2,2
Електродвигун насоса системы змазки шпинделя, кВт 0,27 0,27 0,27
Електродвигун насоса системы змазки направляючих стола, кВт 0,08 0,08 0,08
Електродвигун насоса системы охлаждения, кВт 0,15 0,15 0,15
Електродвигун магнитного сепаратора, кВт 0,12 0,12 0,12
Електродвигун вентилятора гідроагрегата, кВт 0,12 0,12 0,12
Електродвигун фильтра-транспортера, кВт 0,12 0,12 0,12
Габаритные розміри і масса верстата
Габаритные розміри верстата (длина х ширина х высота), мм 5900 х 2585 х 1982 5900 х 2585 х 1982 6450 х 2585 х 1982
Масса верстата з електрообладнанням і охолодженням, кг 7530 8650 10000

    Список литературы:

  1. Верстати круглошлифовальные универсальные моделей 3У131, 3У131В, 3У132, 3У132В, 3У142, 3У142В, 3У143, 3У144. Руководство по експлуатации, 1974
  2. Верстати круглошлифовальные универсальные моделей 3У131, 3У131В, 3У132, 3У132В, 3У142, 3У142В, 3У143, 3У144. Руководство по експлуатации, 1981
  3. Верстати круглошлифовальные универсальные моделей 3У131, 3У131В, 3У132, 3У132В, 3У142, 3У142В, 3У143, 3У144. Руководство по експлуатации,. Електроустаткування 1976
  4. Верстат універсальний круглошлифовальный 3У131ВМ, 3У13ВМ, 3У133МВ. Руководство по експлуатации. Електроустаткування, 1990

  5. Альперович Т.А., Константинов К.Н., Шапиро А.Я. Конструкція шлифовальных верстатів, 1989
  6. Альперович Т.А., Константинов К.Н., Шапиро А.Я. Наладка і експлуатация шлифовальных верстатів, 1989
  7. Дибнер Л.Г., Цофин Э.Е. Заточные автоматы і напівавтоматы, 1978
  8. Генис Б.М., Доктор Л.Ш., Терган В.С. Шлифование на круглошлифовальных верстатах, 1965
  9. Кащук В.А., Верещагин А.Б. Справочник шлифовщика, 1988
  10. Куликов С.И. Хонингование, 1973
  11. Лисовой А.И. Пристрій, наладка і експлуатация металлорежущих верстатів, 1971
  12. Лоскутов В.В. Шлифование металлов, 1985
  13. Лоскутов В.В. Шлифовальные верстати, 1988
  14. Лурье Г.Б. Шлифовальные верстати і их наладка,1972
  15. Лурье Г.Б. Пристрій шлифовальных верстатів,1983
  16. Меницкий И.Д. Універсально-заточные верстати ,1968
  17. Муцянко В.И. Братчиков А.Я. Бесцентровое шлифование, 1986
  18. Наерман М.С., Наерман Я.М. Руководство для подготовки шлифовщиков. Учебное пособие для ПТУ, 1989
  19. Попов С.А. Шлифовальные роботи, 1987
  20. Терган В.С. Шлифование на круглошлифовальных верстатах, 1972
  21. Шамов Б.П. Типы і конструкції основних вузлів шлифовальных верстатів, 1965