metalinstryment.com
Довідник по металорізальних верстатів та пресовому обладнанні

53А30П Верстат зубофрезерный вертикальний напівавтомат
схеми, опис, характеристики

53А30П Загальний вигляд  зубофрезерного верстата







Відомості про виробника вертикального зубофрезерного напівавтомату 53А30П

Производитель вертикального зубофрезерного напівавтомату 53А30П - Витебский станкостроительный завод имени Коминтерна, основанный в 1877 году.

Более 40 лет из более чем вековой истории завод специализировался на выпуске зубообрабатывающего оборудования для обробки зубьев цилиндрических зубчатых колес.





Продукция Витебского станкостроительного завода имени Коминтерна


53А30П Верстат вертикальний зубофрезерный напівавтомат. Назначение і область применения

Верстат зубофрезерный 53А30П выпускался з 1983 года і заменил зубофрезерный верстат моделі 5В312 і был заменен на более совершенную модель 53В30П.

Універсальный зубофрезерный верстат напівавтомат 53А30П предназначен для нарізання (фрезерування) цилиндрических прямозубых, косозубых і червячных колес в условиях единичного і серийного производства. Нарезание зубчатых колес производится по способу обкатки червячной фрезы і обрабатываемой заготовки попутным или встречным методами фрезерування. Верстат работает по замкнутому напівавтоматическому циклу і по циклу налагодження. Наличие циклов радиальной, тангенциальной і диагональной подачі значительно расширяет технологические возможности напівавтоматов.

Полуавтомат 53А30П имеет широкие технологические возможности, обеспечивая обработку ею встречной, попутной, радиальной і тангенциальной подачами, выхаживанием після радиального врізання, автоматическим осевым переміщенням фрезы після каждого цикла.

При обработке колес со спиральными зубьями шпиндель стола получает дополнительный поворот от ланцюги диференціала.

В стандартном виконанні (53А30П.00.000-01) напівавтомат изготовляется з механізмом радиальных подач і суппортом «шифтинг» (с шаговой передвижкой), в специальном виконанні (53А30П. 00.000-11) з механізмом тангенциальных подач і тангенциальным суппортом.

Оснащенный автоматическим загрузочно-разгрузочным пристрійм напівавтомат 53А30П може быть использован индивидуально или встраиваться в автоматическую линию з различными транспортными системами.

Полуавтомат выполнен з вертикальной осью вироби на подвижном столе, движущемся по горизонтальным направляющим станины. Осевая подача осуществляется переміщенням салазок суппорта з закрепленным на них суппортом по вертикальным направляющим передньої стойки. В целях повышения крутильной жесткости і точності кинематических ланцюгів главный електродвигатель установлен на передньої стойке, диференціал выполнен из цилиндрических колос, делительная пара имеет увеличенное число зубьев; шпиндели вироби і инструмента установлены на прецизионных підшипниках качения. В качестве подпятника шпинделя вироби служит высокоточный упорный шарикоподшипник.

Полуавтомат 53А30П имеет централизованную систему змазки, систему охлаждения для подачі СОЖ в зону різання, магнитный транспортер стружки з редуктором для очистки смазочно-охлаждающей жидкости і удаления стружки из ниши станины в ящик бака охлаждения, приставляемого к напівавтомату.

При зубофрезеровании з диагональной подачей фреза перемещается вдоль нарезаемого зуба і одновременно вдоль собственной оси, что значительно повышает її стойкость.

Конструкція верстата передбачає возможность радиального врізання фрезы в заготовку, что сокращает машинное время обробки.

Большая универсальность верстатів і высокая степень автоматизации обеспечивает работу верстатів как в однопроходном, так і в двухпроходном автоматических циклах. При двухпроходном автоматическом цикле происходит автоматическая смена режимов обробки. Полуавтомат имеет бесступенчатый привід вертикальной і радиальной подачі.

Значительная мощность електродвигуна приводу фрезы, высокие скорости і достаточная загальна жесткость верстатів позволяет производить обработку на повышенных режимах со скоростями до 60…70 м/мин.

Верстат 53А30П работает по напівавтоматическому циклу.

К напівавтомату 53А30П при помощи штепсельных разъемов подключаются електродвигатель магнитного транспортера стружки і електронасос, смонтированные на баке охлаждения.

Класс точності напівавтомату П по ГОСТ 8—77.


Зубофрезерные верстати, работающие по методу огибания

Зубофрезерные верстати, работающие по методу огибания

Рис. 1. Зубофрезерные верстати, работающие по методу огибания

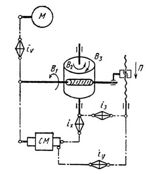
Принципиальная схема налаштування зубофрезерного верстата

Рис. 2. Принципиальная схема налаштування зубофрезерного верстата

Структурна схема зубофрезерного верстата

Рис. 3. Структурна схема зубофрезерного верстата

Зубофрезерные верстати, работающие по методу огибания, предназначены для обробки цилиндрических колес з прямыми і косыми зубьями, а также червячных колес (см. рис. 3).

При нарезании зубьев обертання фрезы і заготовки должны быть согласованы между собой. Чтобы обеспечить ето условие, в станке имеется специальная ланцюг, принципова схема налаштування которой показана на рис. 2. Если колесо имеет z зубьев і совершит пк оборотів, а фреза за ето время сделает nф оборотів, то передаточное отношение ix между числом оборотів колеса і фрезы.

Рассмотрим формообразующие руху верстата для образования профиля зубьев, для чего обратимся к структурной схеме верстата (рис. 3). При нарезании прямозубого цилиндрического колеса необходимо осуществить главное вращательное рух фрезы В1. регулируемое органом налаштування iv вращение заготовки B2, согласованное з вращением фрезы Вх; перемещение суппорта з фрезой параллельно оси стола П, настраиваемое органом i3. Суппорт може перемещаться или сверху вниз, или знизу вверх. При перемещении суппорта сверху вниз осуществляется встречное фрезерование, В етом случае при вращении фрезы зубья движутся навстречу срезаемому слою металла. При перемещении суппорта знизу вверх происходит попутное фрезерование. В етом случае зубья фрезы движутся попутно со срезаемым слоем металла. При попутном фрезеровании допускается увеличение скорости різання на 20—25% по сравнению со встречным методом.

При нарезании косозубых колес к рассмотренным выше формообразующим рухум добавляется рух для образования винтовой линии (диференціальная ланцюг). Это рух состоит из обертання заготовки В3 і поступательного переміщення П фрезы. Следовательно, одно исполнительное звено — стол верстата — должно мати два обертання В2 і В3 з независимыми скоростями, что возможно при наличии суммирующего механізма.


Основні технические данные зубофрезерного верстата 53а30п:

Разработчик - Витебское СКБ зубообрабатывающих, шлифовальных і заточных станкорв.

Изготовитель - Витебский станкостроительный завод.

Верстат 53А30П выпускался з 1983 года і заменил зубофрезерный верстат моделі 53А30 і 5702В.

Основні технические данные по ГОСТ 659-89 Верстати зубофрезерные вертикальные для цилиндрических колес. Основні параметри і розміри. Нормы точності.





53А30П Габарити робочого простору зубофрезерного напівавтомату

53А30П Верстат зубофрезерный. Габарити робочого простору

Габарити робочого простору напівавтомату 53а30п


Посадочные і присоединительные базы инструмента верстата 53А30П

53А30П Посадочные і присоединительные базы зубофрезерного напівавтомату 53А30П

Посадочные і присоединительные базы верстата 53а30п


53А30П Загальний вигляд і общее пристрій зубофрезерного верстата

Загальний вигляд  і общее пристрій зубофрезерного верстата напівавтомату 53А30П

Загальний вигляд зубофрезерного верстата 53а30п


53А30П напівавтомат зубофрезерный. Загальний вигляд

Фото зубофрезерного верстата 53а30п

53А30П напівавтомат зубофрезерный. Загальний вигляд

Фото зубофрезерного верстата 53а30п

53А30П напівавтомат зубофрезерный. Загальний вигляд

Фото зубофрезерного верстата 53а30п


53А30П Розташування складових частин зубофрезерного напівавтомату

53А30П Розташування складових частин зубофрезерного напівавтомату 53А30П

Розташування складових частин верстата 53а30п


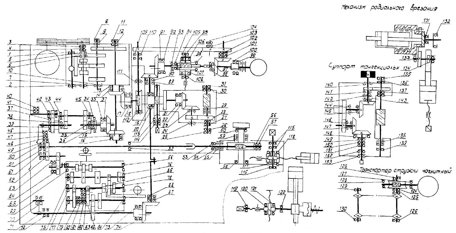
Схема кінематична зубофрезерного верстата 53А30П

Схема кінематична зубофрезерного верстата 53А30П

Кінематична схема зубофрезерного верстата 53а30п

Схема кінематична зубофрезерного верстата 53А30П. Дивитись у збільшеному масштабі





53А30П Верстат зубофрезерный вертикальний напівавтомат. Відеоролик.




Технічні характеристики зубофрезерного верстата 53А30П

Наименование параметра 53В30П 53А30П 53А50 53А80
Основні параметри верстата
Класс точності верстата по ГОСТ 8-82 і ГОСТ 659-78 П П П П
Наибольший модуль нарезаемого колеса, мм 6 6 8 10
Наибольший диаметр нарезаемых цилиндрических прямозубых колес (0°) з задньої стойкой (с контрподдержкой), мм 320 320 500 800
Наибольший диаметр нарезаемых цилиндрических косозубых колес (30°), мм 400 500
Наибольший диаметр нарезаемых цилиндрических косозубых колес (45°), мм 300 350
Наибольшая длина зуба нарезаемых цилиндрических прямозубых колес (0°), мм 220 220 350 350
Наибольшая длина зуба нарезаемых цилиндрических прямозубых колес (30°), мм 230 230
Наибольшая длина зуба нарезаемых цилиндрических косозубых колес (45°), мм 180 180
Наибольшая длина зуба нарезаемых цилиндрических косозубых колес (60°), мм 130 130
Наибольший угол наклона нарезаемых зубьев, град 60° 60° 60° 60°
Наименьшее число нарезаемых зубьев 12 12
Стол
Диаметр стола, мм 250 250 560 630
Расстояние между осями стола і фрезы, мм 30..250 30..250 60..350 80..500
Расстояние от плоскости стола і оси фрезы, мм 160..410 160..410 195..595 195..595
Ускоренное перемещение стола, мм/мин есть есть 200 200
Ручное перемещение стола за один оборот лимба, мм 0,5 0,5
Наибольшая длина горизонтального переміщення стола (шпинделя вироби), мм 220 220
Суппорт фрезерный
Наибольшее вертикальное перемещение фрезерного суппорта, мм 250 250 400 400
Ускоренное перемещение каретки суппорта, мм/мин 660 660
Наибольший диаметр режущего инструмента (червячной фрезы), мм 160 160 180 200
Наибольшая длина режущего инструмента (червячной фрезы), мм 160 160 200 200
Диаметры фрезерных оправок, мм 32, 40 32, 40
Ускоренное перемещение шпинделя вдоль оси, мм/мин 43 43
Расстояние от оси шпинделя до торца стола, мм 160..410 160..410
Поворот суппорта на одно деление шкалы линейки, град
Поворот суппорта на одно деление шкалы нониуса, мин 5` 5`
Конусное отверстие шпинделя (по ГОСТ 25557-82) Морзе 5 АТ7 Морзе 5 АТ7 Морзе 5 Морзе 5
Наибольшее осевое перемещение фрезы (каретки тангенциального суппорта вдоль оси фрезы), мм 100 100 200 200
Наибольшая величина вертикального переміщення суппорта при угле наклона 0°, мм 250 250 410 410
Наибольший угол поворота суппорта (наклона зубьев, обрабатываемых колес), град ±60 ±60 ±60 ±60
Скорость переміщення ползушки (салазок суппорта), мм/мин 300 230 230
Автоматический возврат инструмента есть есть есть есть
Предохранитель от перегрузки есть есть есть есть
Механіка верстата
Пределы оборотів фрезы, об/мин 50..500 52..400 40..405 40..405
Число ступеней оборотів фрезы 10 11 11
Пределы продольных (вертикальних) подач, мм/об 0,63..7,3 0,67..7,3 0,75..7,5 0,75..7,5
Пределы радиальных подач, мм/об 1,0..16,0 б/с 1,0..16,0 б/с 0,2..2,25 0,2..2,25
Пределы тангенциальных (осевых) подач, мм/об 0,26..2,3 0,2..2,3 0,13..2,6 0,13..2,6
Число ступеней подач 12 16 16
Привід і електрообладнання верстата
Количество електродвигателей, установленных на станке 5 6 6
Електродвигун головного привода, кВт 3,2/ 4,2/ 7,5 3,2/ 4,2/ 7,5 8/ 10/ 12,5 8/ 10/ 12,5
Електродвигун быстрых перемещений, кВт 2,2 3 3
Електродвигун приводу гідронасоса, кВт 1,5 1,1 1,1
Електродвигун насоса охлаждения, кВт 0,15 0,75 0,75
Електродвигун насоса змазки, кВт - 0,25 0,25
Електродвигун транспортера стружки, кВт 0,37 0,4 0,4
Суммарная мощность електродвигателей, кВт 8,42/ 11,72 17,85 17,85
Габаритные розміри і масса верстата
Габаритные розміри верстата (длина х ширина х высота), мм 2300 х 1300 х 1950 2300 х 1100 х 1950 2670 х 1810 х 2250 2897 х 1810 х 2250
Масса верстата з електрообладнанням і охолодженням, кг 5100 6200 10000 10800

    Список литературы

  1. Верстат універсальний зубофрезерный 53А30П. Руководство по експлуатации 53А30П.00.000 РЭ, 1981.

  2. Гальперин Е.И. Наладка зуборезных верстатів, 1960.
  3. Козлов Д.Н. Зуборезные роботи, 1971.
  4. Лоскутов В.В., Ничков А.Г. Зубообрабатывающие верстати, 1978.
  5. Малахов Я.А. Зубообрабатывающие і резьбофрезерные верстати і их наладка, 1972.
  6. Мильштейн М.З. Нарезание зубчатых колес, 1972.
  7. Овумян Г.Г., Адам А.И. Справочник зубореза, 1983.
  8. Птицин Г.А., Кокичев В.Н. Зуборезные верстати, 1957.
  9. Сильвестров Б.Н., Захаров И.Д. Конструкція і наладка зуборезных і резьбофрезерных верстатів, 1979.
  10. Шавлюга Н.И. Расчет і примеры наладок зубофрезерных і зубодолбежных верстатів, 1978.
  11. Руководящий материал для конструкторов, проектирующих технологическую оснастку. Основні данные і посадочные места металлорежущих верстатів. НИИМАШ, 1968.









Заказать

Кто владеет информацией - тот владеет миром.

Натан Ротшильд