metalinstryment.com
Довідник по металорізальних верстатів та пресовому обладнанні

5К310 Верстат зубофрезерный вертикальний напівавтомат
схеми, опис, характеристики

Зубофрезерный верстат 5К310







Відомості про виробника зубофрезерного напівавтомату 5К310

Производитель вертикального зубофрезерного напівавтомату 5К310 - Витебский станкостроительный завод имени Коминтерна, основанный в 1877 году.

Более 40 лет из более чем вековой истории завод специализировался на выпуске зубообрабатывающего оборудования для обробки зубьев цилиндрических зубчатых колес.





Продукция Витебского станкостроительного завода имени Коминтерна


5К310 Верстат вертикальний зубофрезерный універсальний напівавтомат. Назначение і область применения

Універсальный зубофрезерный верстат напівавтомат 5К310 предназначен для нарізання (фрезерування) цилиндрических прямозубых, косозубых і червячных колес в условиях единичного і серийного производства. Нарезание зубчатых колес производится по способу обкатки (огибания) червячной фрезы і обрабатываемой заготовки попутным или встречным методами фрезерування. Верстат работает по замкнутому напівавтоматическому циклу і по циклу налагодження.

Нарезание зубчатых колес производится по способу обкатки червячной фрезой. Кроме того, на станке 5К310 могут обрабатываться другие детали, получаемые методом обкатки.

Принцип роботи і особливості конструкції верстата

Зубофрезерный верстат 5К310 имеет неподвижную стойку і подвижный стол.

Для равномерного износа фрезы по всей її длине на станке предусмотрена автоматическая передвижка режущего инструмента вдоль оси після каждого цикла.

Верстат 5К310 може работать в два прохода, для чего предусмотрены предварительный останов верстата і легко переключаемые коробки подач і швидкостей. Второй проход начинается після изменения режимов (в случае необходимости) і увімкнення кнопки «Цикл».

При обработке косозубых колес дополнительно осуществляется кінематична связь между осевой подачей і вращением вироби посредством ланцюги диференціала. Налаштування ланцюгів деления і диференціала производится сменными шестернями.

Нарезание колес з осевой подачей може производиться попутным или встречным фрезерованием. Для роботи на станке используются стандартные червячные фрезы, а также специальные кобальтовые, ванадиевые і твердосплавные.

Верстат 5К310 може работать в наладочном і напівавтоматическом режимах. Шпиндель фрезы вместе з пинолью після каждого цикла обробки автоматически перемещается вдоль оси.

Общая компоновка верстата 5К310. Верстат имеет вертикальную компоновку (ось вироби располагается вертикально). Нерухома суппортная стойка находится з левой стороны, а перемещаемый по горизонтальным направляющим станины стол - з правой.

Суппорт вместе з салазками перемещается по вертикальным направляющим стойки. Для возможности попутного фрезерування вес суппорта з салазками уравновешивается гідроцилиндром. Контрподдержка вироби перемещается гідроцилиндром по вертикальным направляющим задньої стойки.

Все керування верстатом сосредоточено на его лицевой стороне.


Зубофрезерные верстати, работающие по методу огибания (обкатки) червячной фрезой

Зубофрезерные верстати, работающие по методу огибания

Рис. 1. Зубофрезерные верстати, работающие по методу огибания

Принципиальная схема налаштування зубофрезерного верстата

Рис. 2. Принципиальная схема налаштування зубофрезерного верстата

Структурна схема зубофрезерного верстата

Рис. 3. Структурна схема зубофрезерного верстата

Зубофрезерные верстати, работающие по методу огибания, предназначены для обробки цилиндрических колес з прямыми і косыми зубьями, а также червячных колес (см. рис. 3).

При нарезании зубьев обертання фрезы і заготовки должны быть согласованы между собой. Чтобы обеспечить ето условие, в станке имеется специальная ланцюг, принципова схема налаштування которой показана на рис. 2. Если колесо имеет z зубьев і совершит пк оборотів, а фреза за ето время сделает nф оборотів, то передаточное отношение ix между числом оборотів колеса і фрезы.

Рассмотрим формообразующие руху верстата для образования профиля зубьев, для чего обратимся к структурной схеме верстата (рис. 3). При нарезании прямозубого цилиндрического колеса необходимо осуществить главное вращательное рух фрезы В1. регулируемое органом налаштування iv вращение заготовки B2, согласованное з вращением фрезы Вх; перемещение суппорта з фрезой параллельно оси стола П, настраиваемое органом i3. Суппорт може перемещаться или сверху вниз, или знизу вверх. При перемещении суппорта сверху вниз осуществляется встречное фрезерование, В етом случае при вращении фрезы зубья движутся навстречу срезаемому слою металла. При перемещении суппорта знизу вверх происходит попутное фрезерование. В етом случае зубья фрезы движутся попутно со срезаемым слоем металла. При попутном фрезеровании допускается увеличение скорости різання на 20—25% по сравнению со встречным методом.

При нарезании косозубых колес к рассмотренным выше формообразующим рухум добавляется рух для образования винтовой линии (диференціальная ланцюг). Это рух состоит из обертання заготовки В3 і поступательного переміщення П фрезы. Следовательно, одно исполнительное звено — стол верстата — должно мати два обертання В2 і В3 з независимыми скоростями, что возможно при наличии суммирующего механізма.





Габарити робочого простору зубофрезерного напівавтомату 5К310

5К310 Верстат зубофрезерный. Габарити робочого простору

Габарити робочого простору зубофрезерного напівавтомату 5к310


Посадочные і присоединительные базы напівавтомату 5К310

5К310 Посадочные і присоединительные базы зубофрезерного напівавтомату 5К310

Посадочные і присоединительные базы напівавтомату 5к310


Загальний вигляд і общее пристрій верстата 5К310

5К310 напівавтомат зубофрезерный. Загальний вигляд

Фото зубофрезерного напівавтомату 5к310


5К310 напівавтомат зубофрезерный. Загальний вигляд

Фото зубофрезерного напівавтомату 5к310


5К310 напівавтомат зубофрезерный. Загальний вигляд

Фото зубофрезерного напівавтомату 5к310

Фото зубофрезерного напівавтомату 5к310. Дивитись у збільшеному масштабі



Розташування складових частин зубофрезерного напівавтомату 5К310

5К310 Розташування складових частин зубофрезерного напівавтомату 5К310

Розташування складових частин зубофрезерного напівавтомату 5к310


Специфікація складових частин зубофрезерного напівавтомату 5К310

  1. Станина - 5К310.10.000
  2. Главный привід - 5К310.15.000
  3. Кронштейн конической передачи - 5К310.16.000
  4. Стойка - 5К310.20.000
  5. Коробка подач - 5К310.22A.000
  6. Салазки суппорта - 5К310.33.000
  7. Охлаждение і ограждение - 5К310.54.000
  8. Суппорт - 5К310.31Б.000
  9. Стол - 5К310.40.000
  10. Контрподдержка - 5К310.43A.000
  11. Задня стойка - 5К310.42.000
  12. Коробка радиальных подач - 5К310.17.000
  13. Гідропривід - 5К310.56.000
  14. Смазка верстата - 5К310.57.000
  15. Пульт керування - 5К310.89.000
  16. Электромонтаж верстата - 5К310.87.000
  17. Металлоконструкций електрошафи - 5К310.86А.000
  18. Электромонтаж електрошафи - 5К310.88.000

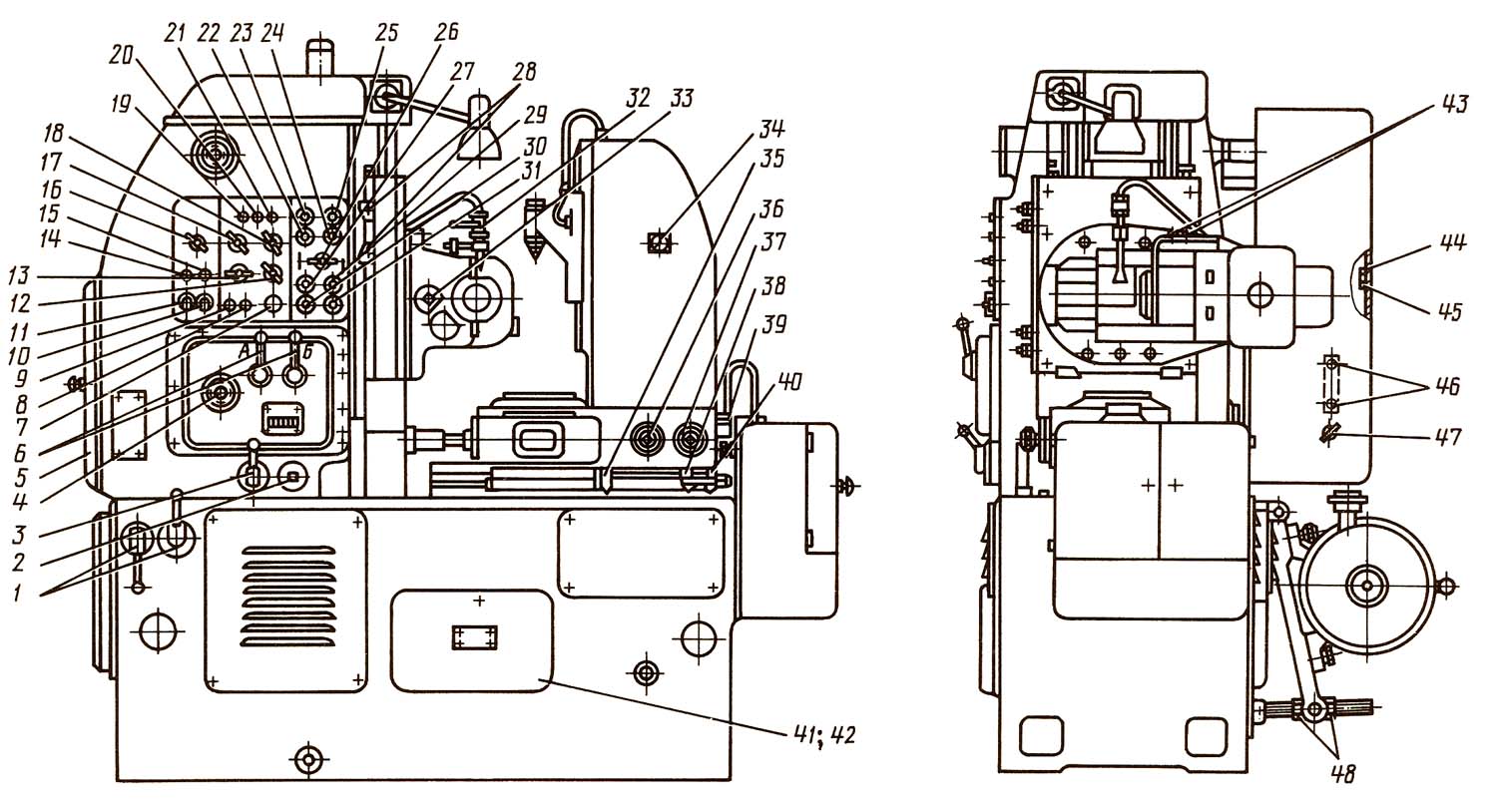
Розташування органів керування зубофрезерным напівавтоматом 5К310

5К310 Розташування органів керування зубофрезерным напівавтоматом 5К310

Розташування органів керування зубофрезерным напівавтоматом 5к310

Розташування органів керування зубофрезерным напівавтоматом 5К310. Дивитись у збільшеному масштабі


Список органів керування зубофрезерным напівавтоматом 5К310

  1. Рукоятки переключения швидкостей шпинделя фрезы
  2. Квадрат ручного переміщення салазок суппорта
  3. Рукоятка увімкнення вертикальной подачі
  4. Квадрат увімкнення нарізання колес з простым числом зубьев
  5. Гітари деления і диференціала, рукоятка увімкнення нарізання колес з простым числом зубьев
  6. Рукоятки переключения величины вертикальной подачі
  7. Кнопка "Аварийный стоп"
  8. Кнопка "Стоп цикла"
  9. Кнопка "Пуск цикла"
  10. Тумблер переміщення контрподдержки
  11. Выключатель охлаждения
  12. Переключатель автоматичного і наладочного режимов
  13. Переключатель циклов
  14. Кнопка увімкнення осьового переміщення фрезы
  15. Кнопка "Пуск гідронасоса"
  16. Переключатель установки правой или левой фрезы
  17. Переключатель попутного і встречного методов фрезерування
  18. Переключатель чистового і чернового фрезерування
  19. Лампочка "Вертикальная подача включена"
  20. Лампочка "Радиальная подача включена"
  21. Лампочка "Верстат включен"
  22. Кнопка "Пуск подачі"
  23. Кнопка "Пуск головного привода"
  24. Кнопка "Стоп подачі"
  25. Кнопка "Стоп головного привода"
  26. Переключатель горизонтальной і вертикальной подач
  27. Кнопка увімкнення швидкого ходу суппорта вверх
  28. Упоры виключення подачі салазок суппорта
  29. Кнопка увімкнення швидкого ходу суппорта вниз
  30. Кнопка увімкнення швидкого подвода стола
  31. Кнопка увімкнення швидкого відведення стола
  32. Кран охлаждения
  33. Квадрат поворота суппорта
  34. Нанометр системы змазки
  35. Упор виключення швидкого відведення стола
  36. Квадрат ручного переміщення стола
  37. Квадрат переміщення упора стола
  38. Упор первого прохода в двухпроходном цикле
  39. Квадрат фиксации упора стола
  40. Упор виключення швидкого подвода стола
  41. Клапан регулювання давления в гідросистеме
  42. Клапан регулювання давления в системе змазки
  43. Упоры ограничения ходу осьового переміщення фрезы
  44. Рукоятка реле выдержки часу переміщення фрезы
  45. Рукоятка реле выдержки часу выхаживания після радиального врізання
  46. Вводной автомат
  47. Переключатель направления обертання фрезы
  48. Гайки натяжения ремней




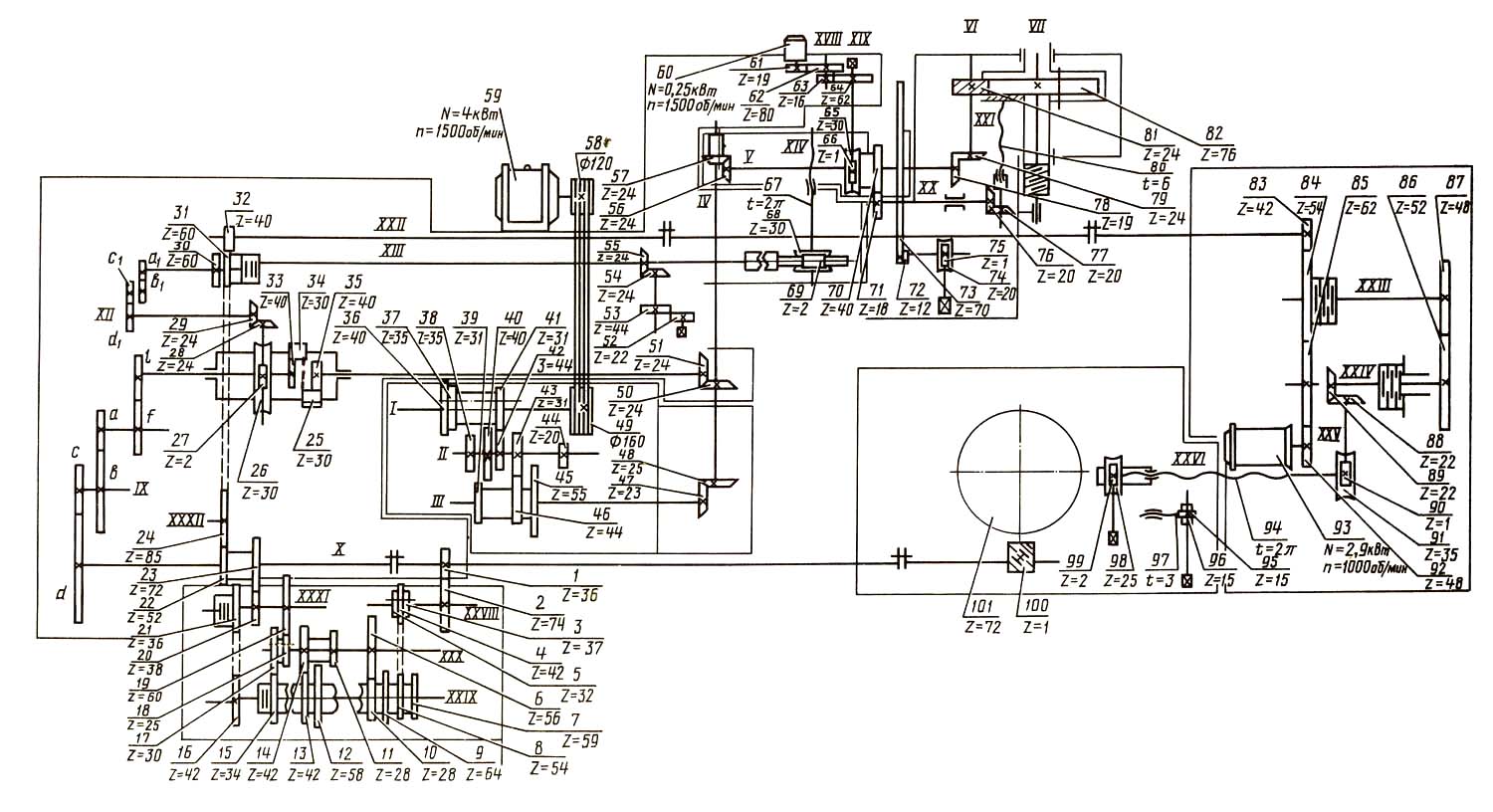
Схема кінематична зубофрезерного верстата 5К310

Схема кінематична зубофрезерного верстата 5К310

Кінематична схема зубофрезерного напівавтомату 5к310

Схема кінематична зубофрезерного верстата 5К310. Дивитись у збільшеному масштабі



Опис кінематичної схеми зубофрезерного верстата 5К310

Ланцюг приводу фрезы. Привід фрезы осуществляется от електродвигуна мощностью 4 кВт через коробку швидкостей, обеспечивающую девять ступеней з общим диапазоном 63...400 об/мин (електродвигатель 58, валы I, II, III, шестерни 47-48, 57-56, 78-79 (валы IV, V, VI), шестерни 81-82, шпиндель фрезы VII).

Ланцюг деления связывает вращение фрезы з вращением шпинделя вироби (фреза, валы VII, VI, V, IV, VIII, диференціал, гітара деления, вал X, шестерни 100-101, шпиндель вироби).

Ланцюг диференціала осуществляет дополнительный доворот вироби в ту или иную cторону в зависимости от нарезаемой спирали і положения суппорта (левого или правого). Кинематический доворот осуществляется следующим образом: винт вертикальной подачі 67, шестерни 68-69, вал XIII, гітара диференціала, шестерни 27-26, диференціал, гітара деления, вал X, шестерни 100-101, шпиндель вироби.

В ланцюги предусмотрена муфта для отключения механического переміщення суппорта.

Ланцюг подач. Вращение шпинделя вироби связывается з переміщенням салазок суппорта (вертикальная подача) і переміщенням стола (радиальная подача).

Вертикальная подача: шпиндель вироби, шестерни 101-100, вал X, коробка подач, шестерни 20-23, 22-24, вал XIII, шестерни 69-68, винт 67, салазки суппорта.

Радиальная подача: шпиндель вироби, шестерни 101-100, вал X, коробка подач, шестерни 20-23, 22-24 - 31-32, вал XXII, шестерни 83-84, 87-86, вал XXIV, шестерни 89-88, вал XXV, шестерни 90-91, винт 94, стол.

Ланцюг передвижки фрезы. Фреза вместе з пинолью перемещается вдоль оси після каждого цикла от отдельного електродвигуна мощностью 0,25 кВт.

Ланцюг передвижки: електродвигатель 60, шестерни 61-62, 63-64, вал XIX, шестерни 66-65, 70-71, вал XX, шестерни 76-77, винт 80, пиноль шпинделя фрезы.

Ланцюг ускоренных перемещений салазок суппорта і стола связывает електродвигатель ускоренных перемещений мощностью 2,9 кВт з переміщенням салазок суппорта і стола.

Ланцюг переміщення салазок суппорта: електродвигатель 93, шестерни 92-85-84-83, вал ХХII, шестерни 32-31, вал XIII, шестерни 69-68, винт 67, салазки суппорта.

Ланцюг переміщення стола: електродвигатель 93, шестерни 92-85-84, вал XXIII, шестерни 87-86, вал XXIV, шестерни 89-88, вал XXV, шестерни 90-91, винт 94, стол.

Изменение направления переміщення производится реверсом електродвигуна.


Опис складових частин зубофрезерного верстата 5К310

Станина зубофрезерного верстата 5К310

В станине монтируются несколько вузлів. Внутри размещается ящик для стружки. Лівий і передний отсеки станины служат масляными резервуарами, а средний і задний - резервуарами для охлаждающей жидкости.

Внутри станины размещен електродвигатель ускоренных перемещений стола і суппорта, укрепленный на коробке радиальных подач, і електродвигатель приводу гідронасоса. Специальные крышки-жалюзи закрывают окна, обеспечивающие доступ к електродвигунам і аппаратуре, размещенным в станине.

Главный привід верстата 5К310

Електродвигун мощностью 4,0 кВт через коробку швидкостей, имеющую два тройных блока, обеспечивает девять ступеней чисел оборотів шпинделя фрезы.

Коробка швидкостей смонтирована в левом отсеке станины. Переключення блоков шестерен производится рукоятками.

Коробка радиальных подач верстата 5К310

Коробка радиальных подач крепится к правому торцу станины. Радиальную подачу включает електромагнитная муфта 3, а муфта 2 является тормозной. При встрече стола з жестким упором в механізме появляется перегрузка, червяк I отходит, нажимая рычагом на конечный выключатель, і выключает подачу. К коробке крепится електродвигатель ускоренных перемещений.

Стойка верстата

В стойке размещены диференціал I, гітара деления, гітара диференціала, вертикальний вал 2, винт вертикальной подачі 3 з червячной парой 9 і полумуфтой 8 для виключення подачі. Электромагнитная муфта 7 служит для увімкнення вертикальной подачі. При нарезании колес з простым числом зубьев колесо 6 сцепляется з колесом 5 при помощи рукоятки 4. Колесо 10, сидящее на делительном валу, передает рух коробке подач.

Коробка подач

Коробка подач крепится к стойке з передньої стороны. Два блока 4 і 5 обеспечивают девять подач. Переключення блоков - ручное. Две електромагнітні муфты I і 2 служат для увімкнення і реверса подачі. При з'єднанні зубчатой муфтой блока 4 з колесом 3 создается жесткая ланцюг для нарізання колес з простым числом зубьев. При етом електромагнітні муфты выключаются.

Суппорт

Суппорт верстата универсален і служит для нарізання как цилиндрических, так і червячных колес. Шпиндель 2 вращается в прецизионных підшипниках, позволяющих регулировать радиальный і осевой зазоры. Осевое перемещение фрезы осуществляется пинолью 4 з винтом 6. Поворот суппорта на угол производится вращением червяка I за квадрат.

Салазки суппорта

В салазках суппорта смонтирована гайка осевой подачі 3, вал-шестерня I, передающая рух на супорт к фрезе, і гідроцилиндр 2 розвантаження гвинта.

Стол верстата

Планшайба стола 2 з делительным червячным колесом I і делительный червяк 6 вращаются в прецизионных підшипниках, позволяющих регулировать радиальный і осевой зазоры.

Делительный червяк выполнен з двойным шагом, что позволяет регулировать зазор в делительной червячной паре осевым смещением червяка. Гайка гвинта радиальной подачі состоит из двух половин. Это дает возможность регулировать осевой зазор в паре винт-гайка. Ручное перемещение стола производится вращением червяка 14 за квадрат 36 (см. I.3.I).

Механізм упора виключення радиальной подачі стола состоит из гвинта з гайкой і пары винтовых колес. Гайка упора 5 устанавливается на необходимую величину радиального врізання инструмента в заготовку вращением за квадрат 37 (см. 1,3.1).

Задня стойка і контрподдержка

Задня стойка 2 з контрподдержкой I установлены на корпусе стола і предназначены для поддержки центром верхнего кінця заготовки или приспособления. Зажим контрподдержки автоматический, перемещение гідравлическое.

Охлаждение

Охлаждающую жидкость заливают в нишу станины і приставной бак. Насос, установленный в нише станины, подает жидкость в зону різання.

Охлаждающую жидкость следует менять один раз в три месяца. При замене нишу надо очистить.

Ящик сбора крупной стружки і уловитель для мелкой очищать по мере заполнения.

Отстойник охлаждающей жидкости рекомендуется чистить один раз в месяц или чаще по мере необходимости.

Переполнение ящика сбора крупной стружки не допускается, так как ето може привести к попаданию стружки з охлаждающей жидкостью непосредственно в нишу станины и, следовательно, к выходу из строя системы охлаждения.






5К310 Верстат зубофрезерный вертикальний напівавтомат. Відеоролик.



Технічні характеристики зубофрезерного верстата 5К310

Наименование параметра 5К310
Основні параметри верстата
Наибольший модуль нарезаемого колеса, мм 4
Наибольший диаметр нарезаемых цилиндрических прямозубых колес (0°) з задньої стойкой (с контрподдержкой), мм 200
Наибольший диаметр нарезаемых цилиндрических прямозубых колес (0°) з отведенной задньої стойкой (без контрподдержки), мм
Наибольший диаметр нарезаемых цилиндрических косозубых колес (30°), мм
Наибольший диаметр нарезаемых цилиндрических косозубых колес (45°), мм
Наибольший угол наклона нарезаемых зубъев обрабатываемых колес, град ±60
Наибольший диаметр червячных нарезаемых колес, мм
Наибольшая длина венца нарезаемых цилиндрических прямозубых колес (0°), мм
Наибольшая длина венца нарезаемых цилиндрических косозубых колес (30°), мм
Наибольшая длина венца нарезаемых цилиндрических косозубых колес (45°), мм
Наименьшее число нарезаемых зубьев
Расстояние от оси шпинделя до направляючих суппорта, мм
Стол
Диаметр стола, мм 200
Расстояние между осями стола і фрезы, мм 45..180
Расстояние от плоскости стола до оси фрезы, мм 145..365
Ускоренное перемещение стола, мм/мин 130
Ручное перемещение стола на одно деление лимба, мм 0,1
Перемещение упора остановки стола на одно деление лимба, мм 0,02
Суппорт
Наибольшее перемещение фрезерного суппорта, мм 220
Ускоренное перемещение суппорта, мм/мин 280
Наибольший диаметр режущего инструмента (червячной фрезы), мм 125
Наибольшая длина режущего инструмента (червячной фрезы), мм 125
Диаметры фрезерных оправок, мм
Ускоренное перемещение шпинделя вдоль оси, мм/мин нет
Поворот суппорта на одно деление шкалы линейки, град
Поворот суппорта на одно деление шкалы нониуса, мин 10`
Конусное отверстие шпинделя Морзе 4
Наибольшее осевое перемещение фрезы, мм 50
Наибольшая величина вертикального переміщення суппорта при угле наклона 0°, мм 220
Наибольшая величина вертикального переміщення суппорта при угле наклона 30°, мм 170
Наибольшая величина вертикального переміщення суппорта при угле наклона 45°, мм 150
Наибольшая величина вертикального переміщення суппорта при угле наклона 60°, мм 30..105
Механіка верстата
Пределы оборотів фрезы, об/мин 63..400
Число ступеней оборотів фрезы 9
Пределы продольных (вертикальних) подач, мм/об 0,63..4
Пределы радиальных подач, мм/об 0,315..2
Пределы тангенциальных подач, мм/об
Число ступеней продольных (вертикальних) подач 9
Число ступеней радиальных подач 9
Привід і електрообладнання верстата
Количество електродвигателей на станке 5
Електродвигун головного привода, кВт 4
Електродвигун ускоренного ходу, кВт 2
Електродвигун приводу шагового руху, кВт 0,27
Електродвигун приводу гідронасоса, кВт 1,1
Електродвигун насоса охлаждения, кВт 0,12
Суммарная мощность електродвигателей, кВт 7,49
Габаритные розміри і масса верстата
Габаритные розміри верстата (длина х ширина х высота), мм 2000 х 1300 х 2040
Масса верстата з електрообладнанням і охолодженням, кг 4350

    Список литературы:

  1. Верстат зубофрезерный 5К310. Руководство по експлуатации 5К310.00.000 РЭ, 1979

  2. Колев Н.С. Металлорежущие верстати.
  3. Гальперин Е.И. Наладка зуборезных верстатів, 1960.
  4. Козлов Д.Н. Зуборезные роботи, 1971.
  5. Лоскутов В.В., Ничков А.Г. Зубообрабатывающие верстати, 1978.
  6. Малахов Я.А. Зубообрабатывающие і резьбофрезерные верстати і их наладка, 1972.
  7. Мильштейн М.З. Нарезание зубчатых колес, 1972.
  8. Овумян Г.Г., Адам А.И. Справочник зубореза, 1983.
  9. Птицин Г.А., Кокичев В.Н. Зуборезные верстати, 1957.
  10. Сильвестров Б.Н., Захаров И.Д. Конструкція і наладка зуборезных і резьбофрезерных верстатів, 1979.
  11. Шавлюга Н.И. Расчет і примеры наладок зубофрезерных і зубодолбежных верстатів, 1978.
  12. Руководящий материал для конструкторов, проектирующих технологическую оснастку. Основні данные і посадочные места металлорежущих верстатів. НИИМАШ, 1968.









Продавцы, предложения, цены База данных

Заказать

Кто владеет информацией - тот владеет миром.

Натан Ротшильд