metalinstryment.com
Довідник по металорізальних верстатів та пресовому обладнанні

8535 Верстат ленточнопильный отрезной
Схеми, опис, характеристики

8535 Верстат ленточнопильный отрезной







Відомості про виробника ленточнопильного верстата моделі 8535

Производителем ленточнопильного верстата 8535 является ПАО «Кувандыкский завод КПО «Долина» г. Кувандык Оренбургская обл..





Машины, выпускаемые Кувандыкским заводом кузнечно-прессового оборудования


8535 Верстат ленточнопильный отрезной двостоєчний. Назначение, область применения

Верстат ленточнопильный отрезной 8535 применяется для резки ленточным полотном круглого проката до Ø 20..350 мм, прямоугольного до 350х500 мм, труб, швеллеров, уголков, квадратной і полосовой стали из стали, чугуна і цветных металлов. в заготовительных цехах предприятий металлоконструкций, машиностроительных і ремонтных заводах при експлуатации в климатических районах з умеренным і холодным климатом - виконання УХЛ, категории розміщення 4 по ГОСТ 15150-2000.

Предусмотрена возможность резки не только окремих заготовок, но і пакетов.

Ленточнопильный верстат по металлу моделі ЛПС 8535 можно использовать в двухсменном режиме, а высокий запас прочности позволяет работать кратковременно і при трехсменном режиме.

Стандартная комплектация і особливості конструкції верстата 8535

Дополнительные опции за дополнительную плату:





Пристрій і робота верстата ЛПС 8535 і его складових частин

Пильная рама верстата

Пильная рама – ето пристрій, которое фактически совершает резание заготовки:

Назначение сборочной единицы - передавать рух от мотор-редуктора к исполнительному механізму верстата.

Привід пилы

Привід пилы состоит из колеса приводного 1, колеса 2 і мотор-редуктора 3.

Механізм натяжения (рис.7) предназначен для натяжения ленты пилы і состоит из корпуса 1, ползуна 2, направляючих 7, натяжителя гідравлічного 3. В процессе роботи необходимо регулярно проверять натяжение ленты пилы. Кроме того, проверка необходима при замене полотна пилы. Натяжение ленточного полотна определяется при помощи тензиометра, максимально допустимое усилие 200 Н/мм2

Заводом изготовителем установлено допустимое значение натяжения пильного полотна 100-120 bar і определяется по манометру гідроцилиндра натяжения полотна.

Внимание!

Не допускается перенатяжение пильного полотна больше допустимого значения манометра. Чтобы не допустить перенатяжение пилы, натяжение производите в толчковом режиме.

Механізм реза

Механізм реза (рис.8) состоит из рамы 1, кронштейна 5, направляющей 4 і зажиму 6.

Тиски

Тиски (рис. 9) ето пристрій, которое зажимает материал в процессе різання. Данный верстат оборудован гідравлическими тисками. Тиски состоят из прижима нерухомого 1, прижима подвижного 2, опори 6 і зажиму 5.


Модифікації ленточнопильного верстата по металлу 8535






Загальний вигляд механической ножовки 8535

фото ленточнопильного верстата 8535

Фото ленточнопильного верстата 8535



фото ленточнопильного верстата 8535

Фото ленточнопильного верстата 8535



фото ленточнопильного верстата 8535

Фото ленточнопильного верстата 8535



фото ленточнопильного верстата 8535

Фото ленточнопильного верстата 8535

Фото ленточнопильного верстата 8535. Дивитись у збільшеному масштабі



фото ленточнопильного верстата 8535

Фото ленточнопильного верстата 8535

Фото ленточнопильного верстата 8535. Дивитись у збільшеному масштабі



фото ленточнопильного верстата 8535

Фото ленточнопильного верстата 8535

Фото ленточнопильного верстата 8535. Дивитись у збільшеному масштабі



фото ленточнопильного верстата 8535

Фото ленточнопильного верстата 8535

Фото ленточнопильного верстата 8535. Дивитись у збільшеному масштабі



фото ленточнопильного верстата 8535

Фото ленточнопильного верстата 8535

Фото ленточнопильного верстата 8535. Дивитись у збільшеному масштабі



фото ленточнопильного верстата 8535

Фото ленточнопильного верстата 8535

Фото ленточнопильного верстата 8535. Дивитись у збільшеному масштабі



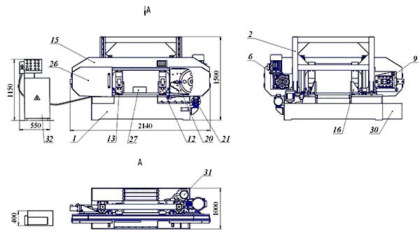
8535 Розташування основних вузлів верстата для резки металла

Розташування основних вузлів верстата для резки металла 8535

Розташування основних вузлів ленточнопильного верстата 8535

Розташування основних вузлів ленточнопильного верстата 8535. Дивитись у збільшеному масштабі



Список основних вузлів верстата для резки металла 8535

Загальний вигляд верстата з обозначением складових частин показан на рис. 1.





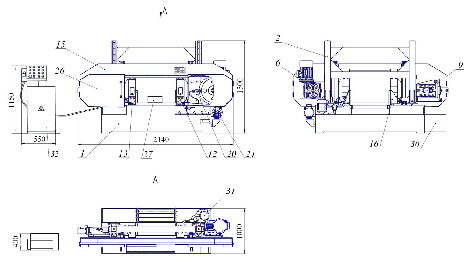
8535 Розташування органів керування верстатом для резки металла

Розташування органів керування ленточнопильным верстатом 8535

Розташування органів керування ленточнопильным верстатом 8535

Розташування органів керування ленточнопильным верстатом 8535. Дивитись у збільшеному масштабі



Список органів керування




Технічні характеристики ленточнопильного верстата 8535

Наименование параметра 8535
Основні параметри верстата
Наибольшие розміри сечения круглой заготовки, мм 20..350
Наибольшие розміри сечения квадратной заготовки, мм 350
Наибольшие розміри сечения прямоугольной заготовки, мм 350х500
Скорость руху пилы (б/с регулювання), м/мин 20..100
Розміри сечения биметаллической ленточной пилы, мм 34х1,1
Длина ленточной пилы, мм 4260
Режим роботи електросхеми ручной/ автомат
Електроустаткування верстата
Електродвигун головного привода, кВт (об/мин) 3 (1500)
Електродвигун гідронасоса (входит в состав насосной станції РГ), кВт (об/мин) 1,1 (1500)
Електродвигун насоса охлаждения, кВт (об/мин) 0,2
Габарит і масса пресс-ножниц
Габарит верстата (длна х ширина х высота), мм 2300 х 1390 х 1800
Масса верстата, кг 1500

    Список литературы:

  1. Верстат ленточнопильный моделі 8535. Руководство по експлуатации 8535-00-001 РЭ

  2. Веселовский С.И. Разрезка материалов, 1973
  3. Дроздов Ф., Лебедевич В., Рубежин В. Справочное пособие по отрезным верстатам, 1967