metalinstryment.com
Довідник по металорізальних верстатів та пресовому обладнанні

Н5222А Пресс-ножницы комбинированные
Схеми, опис, характеристики

Н5222А пресс-ножницы (комбинированные) з наклонным ножом для обробки листового металла







Відомості про виробника пресс-ножниц Н5222А

Изготовителем і разработчиком пресс-ножниц Н5222А является Кувандыкский завод кузнечно-прессового оборудования «Долина», основанный в 1941 году.






Пресс-ножницы комбинированные Н5222А. Назначение, область применения

Пресс-ножницы комбинированные Н5222А предназначены для резки листового і сортового проката, пробивки отверстий і выполнения зарубок в листовом і сортовом прокате. Пресс-ножницы комбинированные представляют собой машину, выполняющую операции листовых і сортовых ножниц, дыропробивного пресса і зарубочного пристроя. Все механізмы смонтированы на одной станине і имеют общий привод.

Пресс-ножницы комбинированные Н5222А могут найти применение на машиностроительных, ремонтных і других заводах, при експлуатации в климатических зонах з умеренным і холодным климатом виконання УХЛ, сухим і влажным тропическим климатом - виконання О, категория розміщення 4 по ГОСТ15150-69.

Принцип роботи і особливості конструкції верстата

Станина сварная одностоечная состоит из основного листа, усиленного накладками, ребрами і задньої крышкой. Между основным листом і задньої крышкой помещаются ползун і балансир. Основной лист имеет два продольных паза для прохода листовой стали при обрезке кромок і разрезке.

Привід от индивидуального електродвигуна через ременную передачу, маховик і одноступенчатую зубчатую передачу к ексцентриковому валу. Маховик ременной передачи выполнен без ручьев под ремни. Ползун сортовых і листовых ножниц, а также зарубочного пристроя приводится в рух через шатун.

В средней частини ползуна имеется вырез, в котором крепится подвижная ножевая плита, а справа в нижней частини — гнезда для крепления ножей листовых ножниц і зарубочного пристроя. Ползун качается на оси между направляющими вкладышами, регулируемыми болтами. Ползун в исходное положение возвращается і удерживается в нем пружиной і тягой.

Ползун дыропробивного пресса прямоугольной формы. В нижней частини ползуна к пуансонодержателю крепится пуансон. На столе дыропробивного пресса крепится стойка, в которую устанавливается матрица.

Конструкція пресс-ножниц позволяет резать угловой металл под углом 45°. Для резки двутавровых балок і швеллеров, а также уголков машина снабжена специальными ножами, которые поставляются по особому заказу. При резке под углом материал закрепляется з помощью упора, устанавливаемого на определенный угол.

Листовые і сортовые ножницы снабжены винтовыми прижимами для предотобертання отдачи разрезаемого материала.

На пресс-ножницах для точной пробивки отверстий предусмотрен механізм центрирования, который позволяет точно опускать ползун з пуансоном на намеченное место.

Увімкнення листовых і сортовых ножниц, а также зарубочного пристроя производится одновременно, дыропробивного пресса — отдельно.

Електросхема обеспечивает работу ножниц как на одиночных, так і на непрерывных ходух.

Механізм керування плунжером листовых ножниц і зарубочного пристроя — рычажный, керування дыропробивным прессом — рычажное і педальное.

Смазка комбинированная.

Пресс-ножницы изготовляются з основними параметрами по ГОСТу.


Н5222А Рабочие зоны комбинированных пресс-ножниц

нг-5224 Рабочие зоны комбинированных пресс-ножниц

Рабочие зоны комбинированных пресс-ножниц Н5222А

Н5222А Виды операций комбинированных пресс-ножниц

нг-5224 Виды операций комбинированных пресс-ножниц

Пресс-ножницы комбинированные Н5222А з четырьмя рабочими зонами позволяют выполнять на одной машине несколько типов операций без предварительной переналаштування ножниц, в любой післядовательности і без смены инструмента, что обеспечивает гибкую і економичную обработку проката, как в крупном машиностроительном производстве, так і в любой ремонтной мастерской.

  1. Секция резки сортового проката - отрезка уголка, круга, швеллера, двутавра, шахтного профиля. Отрезка проката без разметки до 1000 мм по упору
  2. Секция резки полосы, листа - отрезка полосы осуществляется под различными углами
  3. Секция пробивки отверстий - пробивка отверстий круглой, прямоугольной, квадратной і любой другой формы в листовом і фасонном прокате
  4. Секция вырубки пазов - пробивка открытых пазов треугольной і прямоугольной формы

Конструкція пресс-ножниц і множество варіантівдополнительной оснастки позволяют использовать пресс-ножницы для обробки проката различного профиля і разных параметров.

Для облегчения переміщення полосового, сортового і фасонного проката при подаче их в рабочую зону ножниц возможно использование модуль-рольганга приводного моделі МРП.





Н5222А Загальний вигляд комбинированных пресс-ножниц

Загальний вигляд  комбинированных пресс-ножниц Н5222А

Загальний вигляд комбинированных пресс-ножниц Н5222А

Загальний вигляд комбинированных пресс-ножниц Н5222А. Дивитись у збільшеному масштабі



Фото комбинированных пресс-ножниц Н5222А

Фото комбинированных пресс-ножниц Н5222А



Фото комбинированных пресс-ножниц Н5222А

Фото комбинированных пресс-ножниц Н5222А



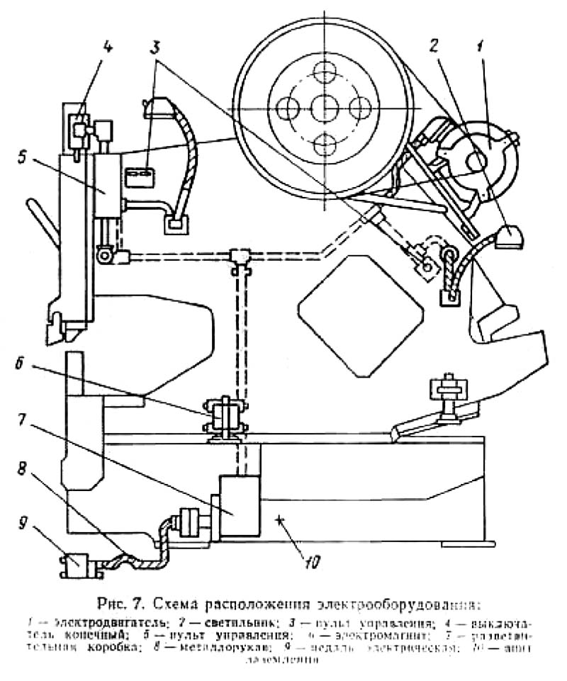
Розташування основних вузлів комбинированных пресс-ножниц Н5222А

Розташування основних вузлів комбинированных пресс-ножниц Н5222А

Розташування основних вузлів комбинированных пресс-ножниц Н5222А



  1. Станина - Н5222-11-001
  2. Привід - Н5222-22А-001
  3. Ограждение - Н5222-71-001
  4. Узел змазки - Н5222А-81 -001
  5. Керування ползуном - Н5222-41-001
  6. Подвижная нож-плита - Н5222-62-001 СБ
  7. Подвижные ножи для резки швеллера і двутавра - Н5222-64-001
  8. Подвижная нож-плита - Н5222-66-001
  9. Нерухома нож-плита - Н5222-61-001 СБ
  10. Неподвижные ножи для резки швеллера і двутавра - Н5222-63-001
  11. Нерухома нож-плита - Н5222-65-00l
  12. Ползун Н5222-31-001
  13. Упор для резки пол углом - Н5222-48-001
  14. Прижим листовых ножниц - Н5222-45-001
  15. Електроустаткування - Н5222А-95-001
  16. Педаль електрична - Н5222-99-001
  17. Керування дыропробивным прессом - Н5222А-42В-001
  18. Механізм центрирования - Н5222-47-001
  19. Дыропробивной пресс - Н5222-35-001
  20. Прижим сортовых ножниц - Н5222-46-001
  21. Задний упор - Н5222-43-001

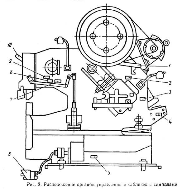
Розташування органів керування комбинированными пресс-ножницами Н5222А

Розташування органів керування комбинированными пресс-ножницами Н5222А

Розташування органів керування комбинированными пресс-ножницами Н5222А

Розташування органів керування комбинированными пресс-ножницами Н5222А. Дивитись у збільшеному масштабі