metalinstryment.com
Довідник по металорізальних верстатів та пресовому обладнанні

НБ5224 Пресс-ножницы комбинированные
Схеми, опис, характеристики

НБ5224 пресс-ножницы комбинированные







Відомості про виробника пресс-ножниц НБ5224

Изготовителем і разработчиком пресс-ножниц НБ5224 является Кувандыкский завод кузнечно-прессового оборудования «Долина», основанный в 1941 году.





Машины, выпускаемые Кувандыкским заводом кузнечно-прессового оборудования


Пресс-ножницы комбинированные НБ5224. Назначение, область применения

Пресс-ножницы комбинированные НБ5224 предназначены для резки листового і сортового проката, пробивки отверстий і выполнения зарубок в листовом і сортовом прокате. Пресс-ножницы комбинированные представляют собой машину, выполняющую операции листовых і сортовых ножниц, дыропробивного пресса і зарубочного пристроя. Все механізмы смонтированы на одной станине і имеют общий привод. Конструкція ножниц позволяет производить резку углового і таврового проката под углом 45°.

Пресс-ножницы комбинированные представляют собой машину, выполняющую операции листовых і сортовых ножниц і дыропробивного пресса. Все три механізма смонтированы на одной станине і имеют общий привод.

Пресс-ножницы комбинированные НБ5224 могут найти применение на машиностроительных, ремонтных і других заводах, при експлуатации в климатических зонах з умеренным і холодным климатом виконання УХЛ, сухим і влажным тропическим климатом - виконання О, категория розміщення 4 по ГОСТ15150-69.

Принцип роботи і особливості конструкції верстата

Станина сварная одностоечная состоит из основного листа, усиленного накладками, ребрами і задньої крышкой. Между основным листом і задньої крышкой помещаются ползун і балансир. Основной лист имеет два продольных паза для прохода листовой стали при обрезке кромок і разрезке.

Привід от индивидуального електродвигуна через ременную передачу, маховик і одноступенчатую зубчатую передачу к ексцентриковому валу. Маховик ременной передачи выполнен без ручьев под ремни. Ползун сортовых і листовых ножниц, а также зарубочного пристроя приводится в рух через шатун.

В средней частини ползуна имеется вырез, в котором крепится подвижная ножевая плита, а справа в нижней частини — гнезда для крепления ножей листовых ножниц і зарубочного пристроя. Ползун качается на оси между направляющими вкладышами, регулируемыми болтами. Ползун в исходное положение возвращается і удерживается в нем пружиной і тягой.

Ползун дыропробивного пресса прямоугольной формы. В нижней частини ползуна к пуансонодержателю крепится пуансон. На столе дыропробивного пресса крепится стойка, в которую устанавливается матрица.

Ползун дыропробивного пресса приводится в рух через шатун і качающийся балансир.

Зарубочное пристрій ножниц представляет собой вырубной штамп гильотинного типа.

Конструкція пресс-ножниц позволяет резать угловой металл под углом 45°. Для резки двутавровых балок і швеллеров, а также уголков машина снабжена специальными ножами, которые поставляются по особому заказу. При резке под углом материал закрепляется з помощью упора, устанавливаемого на определенный угол.

Листовые і сортовые ножницы снабжены винтовыми прижимами для предотобертання отдачи разрезаемого материала.

На пресс-ножницах для точной пробивки отверстий предусмотрен механізм центрирования, который позволяет точно опускать ползун з пуансоном на намеченное место.

Увімкнення листовых і сортовых ножниц, а также зарубочного пристроя производится одновременно, дыропробивного пресса — отдельно.

Електросхема обеспечивает работу ножниц как на одиночных, так і на непрерывных ходух.

Механізм керування плунжером листовых ножниц і зарубочного пристроя — рычажный, керування дыропробивным прессом — рычажное і педальное.

Смазка комбинированная.

Пресс-ножницы изготовляются з основними параметрами по ГОСТу.


НБ5224 Рабочие зоны комбинированных пресс-ножниц

нг-5224 Рабочие зоны комбинированных пресс-ножниц

Рабочие зоны комбинированных пресс-ножниц НБ5224

НБ5224 Виды операций комбинированных пресс-ножниц

нг-5224 Виды операций комбинированных пресс-ножниц

Пресс-ножницы комбинированные НБ5224 з четырьмя рабочими зонами позволяют выполнять на одной машине несколько типов операций без предварительной переналаштування ножниц, в любой післядовательности і без смены инструмента, что обеспечивает гибкую і економичную обработку проката, как в крупном машиностроительном производстве, так і в любой ремонтной мастерской.

  1. Секция резки сортового проката - отрезка уголка, круга, швеллера, двутавра, шахтного профиля. Отрезка проката без разметки до 1000 мм по упору
  2. Секция резки полосы, листа - отрезка полосы осуществляется под различными углами
  3. Секция пробивки отверстий - пробивка отверстий круглой, прямоугольной, квадратной і любой другой формы в листовом і фасонном прокате
  4. Секция вырубки пазов - пробивка открытых пазов треугольной і прямоугольной формы

Конструкція пресс-ножниц і множество варіантівдополнительной оснастки позволяют использовать пресс-ножницы для обробки проката различного профиля і разных параметров.

Для облегчения переміщення полосового, сортового і фасонного проката при подаче их в рабочую зону ножниц возможно использование модуль-рольганга приводного моделі МРП.





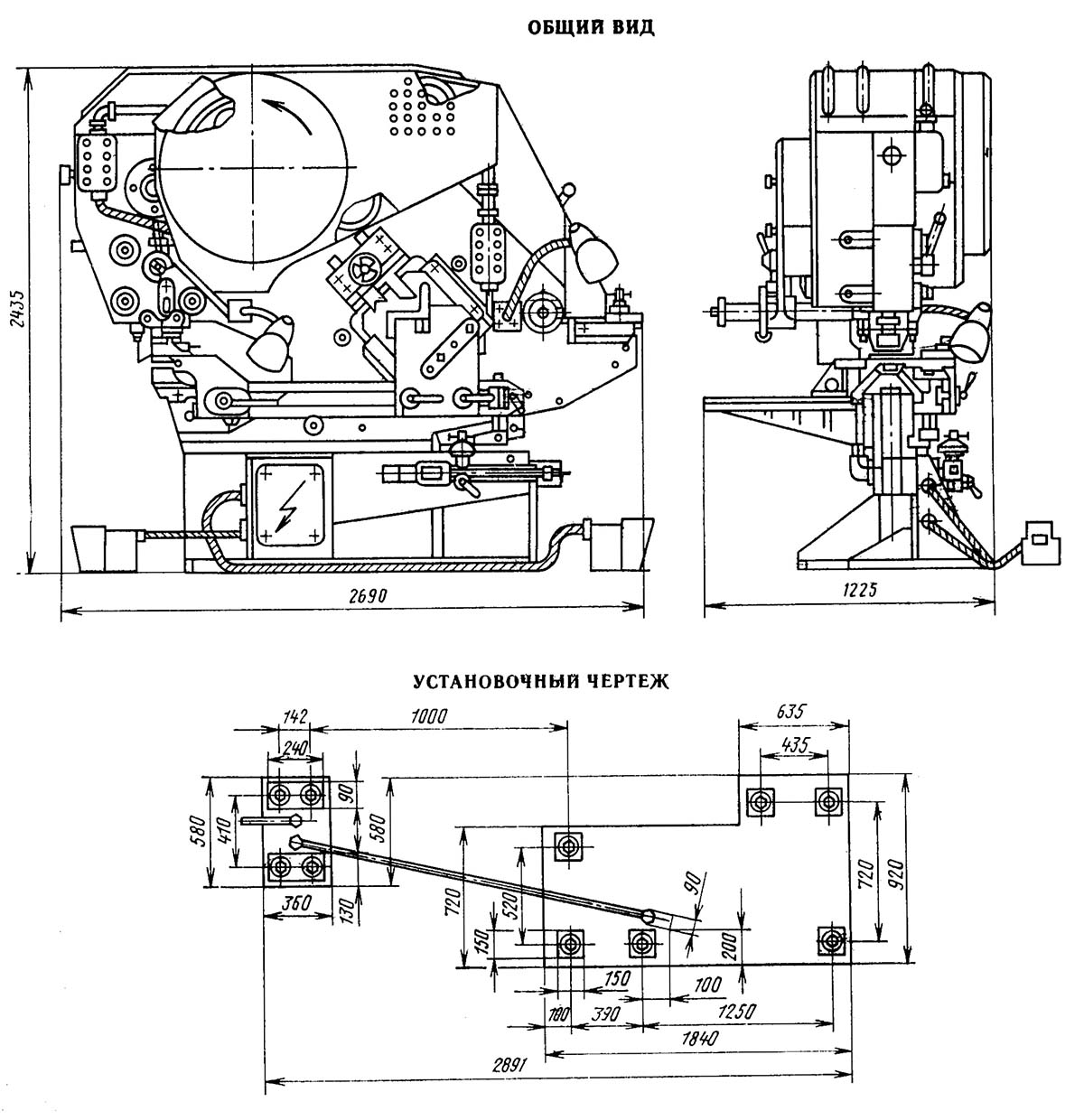
НБ5224 Загальний вигляд комбинированных пресс-ножниц

Загальний вигляд  комбинированных пресс-ножниц НБ5224

Загальний вигляд комбинированных пресс-ножниц НБ5224

Загальний вигляд комбинированных пресс-ножниц НБ5224. Дивитись у збільшеному масштабі



Фото комбинированных пресс-ножниц НБ5224

Фото комбинированных пресс-ножниц НБ5224



Фото комбинированных пресс-ножниц НБ5224

Фото комбинированных пресс-ножниц НБ5224

Фото комбинированных пресс-ножниц НБ5224. Дивитись у збільшеному масштабі



Розташування основних вузлів комбинированных пресс-ножниц НБ5224

Розташування основних вузлів комбинированных пресс-ножниц НБ5224

Розташування основних вузлів комбинированных пресс-ножниц НБ5224

Розташування основних вузлів комбинированных пресс-ножниц НБ5224. Дивитись у збільшеному масштабі



  1. Станина — 11-001
  2. Упор полосы — 52-001
  3. Автоприжим і упор сортовой секции — 57-001
  4. Инструмент реза уголка, круга і квадрата — 61-001
  5. Инструмент реза двутавра і швеллера — 64-001
  6. Специальный инструмент реза уголка — 65-001
  7. Ползун сорто-листовой секции — 31-001
  8. Упор дыропробивной — 55-001
  9. Приспособление дыропробивное — 54-001
  10. Ползун дыропробивной секции — 32-001
  11. Механізм центрирования — 42-001
  12. Привід дыропробивной секции — 24-001
  13. Валы приводные — 22-001
  14. Привід сорто-листовой секции — 23-001
  15. Привід — 21-001
  16. Електроустаткування — 90-001
  17. Пульт керування — 94-001
  18. Насос для змазки — 81-001
  19. Приспособление зарубочное — 53-001
  20. Ограждение — 71А-001
  21. Электромагнит — 41А-001
  22. Инструмент листовой і зарубочный — 62-001
  23. Специальный инструмент реза полосы — 66-001
  24. Шаловый упор — 55-001
  25. Инструмент дыропробивной круглый — 63-001
  26. Инструмент дыропробивной квадратный — 66-001
  27. Инструмент для пробивки отверстий треугольной формы — 68А-001
  28. Упор для резки мерных заготовок - 51-001
  29. Автоприжим листовой секции - 45-001

Розташування органів керування комбинированными пресс-ножницами НБ5224

Розташування органів керування комбинированными пресс-ножницами НБ5224

Розташування органів керування комбинированными пресс-ножницами НБ5224

Розташування органів керування комбинированными пресс-ножницами НБ5224. Дивитись у збільшеному масштабі






Кінематична схема комбинированных пресс-ножниц НБ5224

Кінематична схема комбинированных пресс-ножниц НБ5224

Кінематична схема комбинированных пресс-ножниц НБ5224


Крутящий момент от електродвигуна через клиноременную і зубчатую передачи (рис. 3, см. также таблицы 2 і 3) передається на зубчасті колеса 3, подвижно насаженные на ступицы ексцентриковых валов. Связь зубчатых колес 3 со ступицами осуществляется при помощи поворотных шпонок. Мотылевые шейки ексцентриковых валов несут на себе шатуны, сочлененные з ползунами сортолистовой і дыропробивной секций. Рычаг зарубочного пристроя связан при помощи тяги з ползуном сортолистовой секции.


Крепление инструмента комбинированных пресс-ножниц НБ5224

Крепление инструмента комбинированных пресс-ножниц НБ5224

Крепление инструмента комбинированных пресс-ножниц НБ5224

Крепление инструмента комбинированных пресс-ножниц НБ5224. Дивитись у збільшеному масштабі



Крепление инструмента комбинированных пресс-ножниц НБ5224

Крепление инструмента комбинированных пресс-ножниц НБ5224

Крепление инструмента комбинированных пресс-ножниц НБ5224. Дивитись у збільшеному масштабі



Опис конструкції основних вузлів верстата

Станина — сварная металлическая конструкция, состоящая из переднего 1 (рис.4) і заднего 2 листов, приваренных к основанию 4 і сваренных между собой при помощи проставок 3. В станине выполнены четыре расточки для установки приводных валов і приводов секций. Крышка 14 стакана приводного вала маховика соединяется со станиной шпильками. В станине имеются четыре расточки для крепления направляючих дыропробивного ползуна і две для осей качения ползуна сорто-листовой секции і рычага зарубки В верхней частини станины находятся отверстия для монтажа под моторной плиты і пристроя натяжения клиновых ремней в стенках станины выполнено наклоненное под углом 45° окно в которое заводятся неподвижные инструментальные плиты Плиты крепятся прижимами 13 і гвинтами 6, завернутыми в сухари 5 Кронштейн 7 зарубочного пристроя монтируется на специальном выступе станины з помощью винтов 8.

Шпильками 12 крепятся корпуса ексцентриковых валов приводов секции. Винтами 9 фиксируется в специальном гнезде нож листовой секции. В зоне зева дыропробивной секции на специальной площадке устанавливается і крепится к станине з помощью гвинта 16 і шпильки 15 кронштейн з инструментом для пробивки отверстий. К стенке станины привернута гвинтами линейка 11, по которой передвигаются упоры. Над листовым ножом установлен прижим10 В основании станины выполнен прямой паз 17, служащий для направления заготовки при роспуске листа.

Привід состоит из ексцентрикового вала 2 (рис 5), один конец которого установлен в буксе станины, а другой в буксе 3. На вал 2 напрессован тормозной барабан 5 з кулачком 4. Тормозной барабан охватывается пружинным ленточным тормозом 1, который включается і отключается роликом 6 з помощью кулачка 4.

На вал 2 при помощи шпонок жестко насажены ступица 7 і кольца 8, по которым на підшипниках ковзання 10 обкатывается зубчатое колесо 9, жестко связанное з втулкой 12. Кольцо 8 і ступица 7 имеют цилиндрическую полурасточку, в которую заведена поворотная шпонка 11. На втулке 12 имеется три такие же полурасточки. Ось 15 совместно з амортизатором 17, упором 16 і кулачком 19, взаимодействующим при работе з конечным выключателем 20, установлена в корпусе 3. Упор 16 включается коромыслом 18 Одно плечо коромысла подпружинено і служит для возврата упора, а второе плечо связано з якорем електромагнита. Коромысло 18 связано з осью 15 через шлицы ручки 14 переключения Ручка 14 при установці режима роботи секции вращается з осью 15 і имеет два фиксированных положения. Флажок 13 жестко связан з поворотной шпонкой 11 і при работе приводу взаимодействует з выступами упора 16. Инструмент для пробивки отверстий различных конфигураций в листовом і фасонном прокате закрепляется в дыропробивном ползуне который совершает возвратно-поступательное рух ползун 7 дыропробивной секции (рис. 6) устанавливается в направляючих 8, которые крепятся к станине при помощи втулок 1 і ексцентриковых пальцев 2. Ползун имеет пружинный уравновешиватель 4. В расточку ползуна запрессовано полукольцо 6, охватывающее головку шатуна 5. Шатун скользит по бронзовой втулке 3, сидящей на мотылевой шейке вала. В торцовой поверхности ползуна 7 имеется точное отверстие, куда устанавливается пуансонодержатель 9, удерживаемый пружинами 10. Овальное отверстие на боковой поверхности ползуна служит для розміщення кулачка механізма центрирования.

Механізм центрирования предназначен для выполнения наметки переміщенням з помощью рукоятки 6 (рис.7) пуансонодержателя з пуансоном. Рукоятка ввернута в закрепленную на валике 9 ступицу 5. Ступица установлена в корпус 8, который прикреплен к станине. На другом кінці валика 9 имеется кулачок 10, взаимодействующий з торцом пуансонодержателя. Для возврата рукоятки 6 в исходное положение служит пружина 7. При перемещении ступицы 5 происходит поворот рычага 4 вокруг осп 11. В паз рычага 4 заведен выступ 2, связанный з поворотной шпонкой 3. Для ограничения руху рукоятки 6 служат сухарик 12 і штифты 13.


Механізм центрирования комбинированных пресс-ножниц НБ5224

Механізм центрирования комбинированных пресс-ножниц НБ5224

Механізм центрирования комбинированных пресс-ножниц НБ5224. Дивитись у збільшеному масштабі



Возврат поворотной шпонки 3 в исходное положение производится пружиной 1.

Инструмент реза уголка, круга, квадрата показан на рис. 8. Инструмент листовой і зарубочный представлен тремя группами: первая группа — гильотинные ножи 1 і 2 (рис.9) для реза листового проката; вторая — прямоугольный подвижный нож 3 і три неподвижных ножа 4,5,6 для прямоугольной зарубки; третья — угловой подвижный нож 7 і два неподвижных ножа 8 і 9 угловой зарубки.

Инструмент дыропробивной круглый дан на рис. 10.

Инструмент реза швеллера і двутавра состоит из подвижной і нерухомою плит (рис. 11). Подвижная плита оснащена тремя вставными ножами, к нерухомою плите прикреплены три ноже-вые вставки. Для реза швеллера достаточно в нерухомою плите заменить ножевую вставку 8 на нож 9.

Специальный инструмент реза уголка показан на рис. 12, полосы на рис. 13. При работе на пресс-ножницах качество реза будет зависеть от необходимого зазору между подвижным і нерухомим режущим инструментом.

Смазка пресс-ножниц

Для змазки пресс-ножниц применяются консистентные змазки (табл. 7). Важнейшие точки смазываются централизованно от ручного насоса (рис. 17).

Порядок роботи

Для пуска машины включите вводный автоматический выключатель QF1. Переключатель нужной секции машины установите в положение необходимого режима роботи. Ручку механического переключателя режимов роботи на приводе нужной секции установите в положение, соответствующее положению переключателей. Кнопкой ПУСК включите електродвигатель привода. Переключателем включите нужную для роботи секцию.

После етого в зависимости от выбранного режима можно работать от кнопки или педали в режиме ОДИНОЧНЫЙ ХОД, от кнопок—только в режиме НЕПРЕРЫВНЫЕ ХОДЫ.

Увімкненням кнопки или електропедали подается питание на електромагнит тянущего типа, который перемещает коромысло, сочлененное з поворотным упором. Уходя из-под флажка поворотной шпонки, поворотный упор освобождает поворотную шпонку, которая под действием пружины поворачивается в соответствующем гнезде ступицы і замыкает зубчатое колесо со ступицей ексцентрикового вала. Эксцентриковый вал поворачивается, мотылевая шейка вала заставляет перемещаться шатун, который перемещает ползун.

Вернувшийся в исходное положение поворотный упор воздействует на флажок поворотной шпонки. Поворотная шпонка размыкает зубчатое колесо і ступицу ексцентрикового вала, кулачок тормоза воздействует на тягу ленточного тормоза, который, срабатывая, останавливает ексцентриковый вал в верхней мертвой точке.




Регулювання пресс-ножниц

Если ремни проскальзывают, натяните их. Для етого снимите крышку ограждения приводу і регулировочным винтом установите нормальное натяжение ремней.

Зазор между направляющими і ползуном сортолистовой секции регулируйте тремя регулировочными гвинтами, расположенными на задньої стенке станины. Одновременно направляющими ползуна можно регулировать зазор листовых ножей.

Зазор между ножевыми плитами сортовой секции регулируйте набором прокладок, установленных под Г-образными прижимами.

Дыропробивной ползун пресса регулируйте з помощью трех ексцентриковых осей, на которых установлены V-образные направляющие. Для етого открутите контргайки осей, выньте зубчатую рейку і поверните оси на нужный угол.

Перпендикулярность ходу ползуна регулируйте правой нижней осью, а требуемый зазор в направляючих — двумя левыми осями.

Техническое обслуговування

Ежедневно осматривайте і протирайте машину, проверяйте надежность крепления инструмента, проверяйте состояние режущих кромок инструмента і смазывайте машину.

По окончании роботи обесточьте машину, осмотрите її і оботрите, обратив особое внимание на инструментальные зоны.

Раз в неделю продувайте сжатым воздухом внутреннюю полость станины под сортолистовым ползуном для удаления окалины.





Електроустаткування комбинированных пресс-ножниц НБ5224

Схема електрична принципова комбинированных пресс-ножниц НБ5224

Електрична схема пресс-ножниц НБ5224

Схема електрична принципова комбинированных пресс-ножниц НБ5224. Дивитись у збільшеному масштабі



Електросхема пресс-ножниц состоит из следующих ланцюгів (рис 14 спецификация в таблице 4):

Ланцюги керування переменного тока, местного освещения і сигнализации получают питание от трансформатора ТС1. В схеме предусмотрены наступні виды защиты:

В схеме предусмотрены блокировки:

Горящие лампочки системы сигнализации показывают:

До первоначального пуска пресс-ножниц осмотрите их і убедитесь в надежности заземления і качестве монтажа електроустаткування. После етого подключите в електрошкафу цеховую електросеть к клеммным зажимам А, В, С, отключите от клемм провода живлення електродвигуна. При помощи вводного автоматичного выключателя QF1 подключите електросхему пресс-ножниц к цеховой сети. При етом на шкафу загорается лампочка HL1. Проверьте действие блокировок і сигнализации. При помощи кнопок і переключателей проверьте четкость срабатывания магнитных пускачів і реле.

При подготовке к работе:

Електросхема передбачає индивидуальное керування муфтами секций, обеспечивающее возможность одновременной независимой роботи всех секций при условии, что суммарная нагрузка на електродвигатель не должна превышать допустимую.

Все секции могут работать на следующих режимах:

Режим роботи секций устанавливается переключателями SA1 SA2 которые блокируются конечными выключателями SQ2, SQ3. Диаграммы переключателей режимов приведены в табл. 5, графічні символы — в табл. 6. Схема з'єднань, расположенных на електропанелі, показана на рис. 15, в електрошкафу — на рис. 16.

Режим ОДИНОЧНЫЙ ХОД. При управлении педалью выведите рукоятку механического переключения режимов в положение ОДИНОЧНЫМ ХОД. При етом выключаются конечные выключатели SQ2, SQ3. Далее один из переключателей SA1, SA2 установите в первое положение (ОДИНОЧНЫЙ ХОД з керуванням педалью), при етом на пульті загорается соответствующая лампочка. Включите двигатель. Затем для увімкнення електромагнита муфты нажмите педаль. Ползун совершит одиночный ход. Для повторения ходу снова нажмите педаль.

При управлении кнопкой один из переключателей режимов SA1, SA2 установите во второе положение ОДИНОЧНЫЙ ХОД з керуванням кнопкой. При етом загорается соответствующая режиму сигнальная лампа. Увімкнення електромагнита муфты осуществляется кнопками SB5, SB7 з пульта керування.

Режим НЕПРЕРЫВНЫЕ ХОДЫ. Выключите електродвигатель, нажав на кнопки SB1, SB2 ОБЩИЙ СТОП. Выведите рукоятку механического переключателя режимов в положение НЕПРЕРЫВНЫЕ ХОДЫ. Включаются конечные выключатели SQ2 или SQ3, обеспечивающие работу данной секции в режиме НЕПРЕРЫВНЫЕ ХОДЫ. Поставьте один из переключателей режимов SA1 или SA2 в третье положение (НЕПРЕРЫВНЫЕ ХОДЫ), при етом на пульті керування загорается соответствующая лампочка. Включите двигатель. Увімкнення електромагнита муфты осуществляется так же, как в режиме ОДИНОЧНЫЙ ХОД кнопками SB5, SB7 на пульті керування. Відключення муфты производится кнопками SB4, SB6 либо кнопками SB1, SB2 ОБЩИЙ СТОП.

При установці пресс-ножницы заземлите. Для етой цели в шкафу керування і на передньої частини станины имеются клемма і болт заземления.

Ежегодно осматривайте і испытывайте защитное заземление, изоляцию електроустаткування і коммутационной проводки.




НГ5222 пресс-ножницы комбинированные. Відеоролик.




Технічні характеристики комбинированных пресс-ножниц НБ5224

Наименование параметра НБ5222 НБ5224
Основні параметри листовых ножниц
Допускаемое усилие листовых ножниц, тс 38 62
Наибольшие розміри разрезаемой полосы (сечение), мм 18 х 190 28 х 200
Толщина листа, мм 16 25
Длина ножей листовых ножниц, мм 320 450
Частота ходу ползуна, 1/мин 53 45
Параметри дыропробивного пресса
Номинальное усилие дыропробивного пресса, тс 63 125
Диаметр пробиваемого отверстия, мм Ø 32 Ø 40
Наибольшая толщина материала, мм 16 25
Ход ползуна дыропробивного пресса, мм 30 35
Вылет дыропробивного пресса, мм 500 600
Сортовые ножницы
Номинальное усилие сортовых ножниц, тс 68 1290
Наибольшие розміри круга (диаметр), мм Ø 50 Ø 67
Сторона квадрата, мм 45 58
Наибольшие розміри уголка под 90°, мм 125 х 14 160 х 20
Наибольшие розміри уголка под 45°, мм 100 х 10 125 х 14
Наибольшие розміри швеллера, номер профиля № 18а № 30
Наибольшие розміри двутавра, номер профиля № 18а № 30а
Зарубочное пристрій
Номинальное усилие зарубочного пристроя, тс 30 50
Електроустаткування, електропривод
Електродвигун головного привода, кВт (об/мин) 6,8 (2760) 11,8 (2760)
Габарит і масса пресс-ножниц
Габарит пресс-ножниц (длина х ширина х высота), мм 2185 х 1080 х 1880 2690 х 1225 х 2435
Масса пресс-ножниц, кг 3100 6800

    Список литературы:

  1. Пресс-ножницы комбинированные НБ5220, НБ5221, НБ5224, НБ5223, НБ5224, НБ5225. Паспорт і инструкция по експлуатации, 1968

  2. Банкетов А.Н., Бочаров Ю.А., Добринский Н.С. і др. Кузнечно-прессовое обладнання, 1970
  3. Бочаров Ю.А., Прокофьев В, Н. Гідропривід кузнечно-прессовых машин, 1969
  4. Белов А.Ф., Розанов Б. В., Линц В. П. Объемная штамповка на гідравлических прессах, 1971
  5. Живов Л.И. Кузнечно-штамповочное обладнання, 2006
  6. Кузьминцев В.Н. Ковка на молотах і прессах, 1979
  7. Розанов Б.В. Гідравлические прессы, 1959
  8. Титов Ю.А. Обладнання кузнечно-прессовых цехов, 2001
  9. Щеглов В.Ф. Кузнечно-прессовые машины, 1989
  10. Берлет Разработка чертежей поковок, 2001
  11. Рудман Л.И. Справочник по оборудованию для листовой штамповки, 1989
  12. Романовский В.П. Справочник по холодной штамповке, 1965
  13. Охрименко Я.М. Технология кузнечно-штамповочного производства, 1966
  14. Кузьминцев В.Н. Ковка на молотах і прессах, 1979
  15. Мещерин В.Т. Листовая штамповка. Атлас схем, 1975