Виробником горизонтально-розточувальних верстатів моделей 262г є Ленінградський верстатобудівний завод ім. Свердлова , заснований у 1868 році.
З 1949 року підприємство важкого верстатобудування. Почав випуск металорізальних верстатів власної конструкції (горизонтально-розточувальних, координатно-розточувальних, копіювально-фрезерних, типу «обробний центр» та ін.)
У 1962 на базі заводу створено Ленінградське верстатобудівне виробниче об'єднання.
Об'єднання має замкнутий технологічний цикл, має ливарне, заготівельне, гальванічне виробництва, всі види механічної обробки, стендове складання верстатів, малярські та пакувальні ділянки.
Горизонтально-розточувальний верстат 262Г - перша модель власної розробки, освоєна Ленінградським верстатобудівним заводом у серійному виробництві. У 1957 році верстат 262Г був замінений більш досконалою моделлю 2620, 2620А .
Горизонтально-розточувальні верстати 262Г призначені для комплексної механічної обробки корпусних деталей масою до 8 т шляхом проведення наступних технологічних операцій:
Оброблювана деталь закріплюється безпосередньо на столі верстата або у відповідному пристрої. Ріжучі інструменти встановлюються на шпинделі на планшайбі або радіальному супорті.
При розточуванні коротких отворів подача повідомляється шпинделем; при обробці довгих та співвісних отворів за допомогою борштанги, другий кінець якої вводиться у втулку опорного підшипника люнета, подача, як правило, повідомляється столу в поздовжньому напрямку. У разі нарізування різьблення шпинделю повідомляється за один його оборот осьове поступальне переміщення, що дорівнює кроці різьби, що нарізається.
При фрезеруванні рух подачі повідомляється столу у поперечному напрямку або шпиндельної бабці у вертикальному напрямку.
При підрізанні торців та розточуванні канавок рух різання повідомляється планшайбе з радіальним супортом, яке переміщення в радіальному напрямі є подачею.
Універсальний розточувальний верстат 262Г має горизонтальний шпиндель, змонтований у бабці, яка переміщається вгору та вниз по передній стійці та робочий стіл.
Верстат 262г має горизонтальний висувний шпиндель Ø 85 мм, змонтований у бабці, яка переміщується вгору та вниз по передній стійці, столом, що переміщається у двох взаємно перпендикулярних напрямках.
Шпиндельний вузол, що забезпечує верстату широку універсальність, складається з порожнистого шпинделя, що несе планшайбу з розточним різцем (головний рух), і внутрішнього шпинделя (висувного шпинделя), що переміщається в осьовому напрямку (рух подачі). Наявність мають роздільні приводи планшайби з радіальним супортом та внутрішнього шпинделя, використання різних пристроїв значно розширюють технологічні можливості верстата (наприклад, суміщення переходів).
Радіальний супорт на планШайбі дає перевагу при обрабатці отворів великих діаметрів та торцевих поверхонь великих розмірів.
Застосоване преселективне одно-рукояткове керування коробками швидкостей та подач. Встановлено привід швидких переміщень робочих органів верстата. Є спеціальний механізм точних ручних переміщень робочих органів верстата.
На базі верстата 262Г створено конструкції ряду інших універсальних та спеціальних розточувальних верстатів моделей 262Д, 2621, 2630, 2А61.

Габарит робочого простору горизонтально-розточувального верстата 262г

Фото розточувального верстата 262г

Розташування основних вузлів горизонтально-розточувального верстата 262г

Кінематична схема горизонтально-расточного верстата 262г
1. Кінематична схема горизонтально-расточного верстата 262г. Дивитись у збільшеному масштабі
2. Кінематична схема горизонтально-расточного верстата 262г. Дивитись у збільшеному масштабі
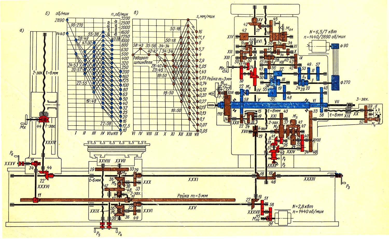
Шпиндель і планшайба верстата приводятся в рух двухскоростным електродвигуном мощностью 6,5/7 кВт (рис. 64. а) через клиноременную передачу 90—270 і коробку швидкостей. Последняя имеет два тройных блока шестерен Б1 і Б2, обеспечивающих девять передач, что в совокупности з двухскоростным електродвигуном позволяет сообщить шпинделю VII через колеса 43—58 восемнадцать различных чисел оборотів в минуту (рис. 64. б).
Наибольшее число оборотів шпинделя nmax в минуту з учетом упругого ковзання ремня опеределяется из выражения:
nmax = 2890·(90/270)·0,985(28·47·55·43)/(49·30·35·58) = 1000 об/мин
Для планшайби nmin определяется из выражения:
nmin = 1440·(90/270)·0,985((20·22·19·22)/(57·55·48·58)) = 10 об/мин
Эти руху заимствуются от вала IV. Вращение передається через шестерни 35—56, вал VIII, колеса 42—42, вал IX, блок шестерен Б3. вал X, блок шестерен Б4, вал XI, блок шестерен Б3, полый вал XII, блок шестерен Б6 і вал XIV. От вала XIV через предохранительную муфту Мп , цилиндрические шестерни 39—45 і конические колеса 21—42 приводится во вращение вертикальний вал XVI. Структура коробки подач видна из графика (рис. 64, в).
Осевая подача шпинделя осуществляется от вала XVI через червячную передачу 4—29, вал XVII, конічний реверс 47—47— 47 з муфтой М3, шестерни 33—24, вал XVIII, колеса 48—33, вал XIX, муфту М6, шестерни 50—69 і трехзаходный винт XX, гайка которого соединена поводком со шпинделем. Максимальная осевая подача шпинделя sш mах определяется из выражения:
sш mах = 1 (58·35·42·34·34·50·50·50·39·21·4·33·48·50) / (43·56·42·34·34·18·18·42·45·42·29·24·33·69)·3·8 = 16 мм/об
При налаштуванні верстата для нарізання різьби муфта М6 снимается, а вал XIX соединяется з ходовым винтом XX гітарою сменных колес а, Ь, з і d.
Вертикальная подача шпиндельной бабки, а также продольная і поперечная подачі стола осуществляются от вертикального вала XVI, вращение от которого через конические шестерни 19—27, вал XXV, колеса 22—44, вал XXVI і конічний реверс 36—36—36 з муфтой М4 передається валу XXVII. При сцеплении кулачковой муфты М5 з колесом 36 вращение через конические колеса 36—36, вал XXX, шестерни 33—29 сообщается валу XXXI. Последний приводит в рух з одинаковой скоростью шпиндельную бабку і люнет задньої стойки. Шпиндельная бабка получает рух от вала XXXI через конические колеса 18—48 і двухзаходный винт XXXII з шагом 8 мм. Опорному люнету рух сообщается от вала XXXI конической передачей 22—44 і двухзаходным винтом XXXIV з шагом 6 мм.
Для увімкнення поздовжньої подачі муфта М5 сцепляется з шестерней 48; при етом через червячную передачу 2—52 получает вращение реечная шестерня 11, сцепляющаяся з косозубой рейкой, которая закреплена на станине верстата.
Для увімкнення поперечної подачі муфта М5 устанавливается в нейтральное положение, а муфта M7 включается, вследствие чего от вала XXVII приводится в рух пара цилиндрических шестерен 33—29 і поперечний ходовой винт XXVIII з шагом 6 мм.
Радиальная подача суппорта планшайби заимствуется от гильзы V планшайби і осуществляется через диференціальный механізм. С одной стороны корпус диференціала получает вращение непосредственно от гильзы V через шестерни 58—22. С другой стороны солнечная шестерня 20 диференціала приводится в рух от гильзы V через шестерни 55—22, кулачковую муфту М1, вал IV, шестерни 35—56, коробку подач, вертикальний вал XVI, червячную передачу 4—29, вал XVII, кулачковую муфту М2, шестерни 57—43 і вал XXI. Диференціал, суммируя оба ети руху, сообщает вращение валу XXII і далее через шестерни 24—116—22, червячную передачу 1—22 і реечную передачу 16 радиальному суппорту планшайби.
Быстрые переміщення всех рабочих органів верстата осуществляются от отдельного електродвигуна мощностью 2,8 кВт, вращение от которого через предохранительную муфту Мп2, і редуктор з колесами 31—55 і 45—51 передається валу XXV і далее по ранее рассмотренным кинематическим цепям к рабочим органам верстата.
Для ручного переміщення шпиндельной бабки і опорного люнета задньої стойки служит рукоятка Рз, установленная на кінці вала ХХХIII.
Ручное перемещение стола в продольном направлении производится рукояткой Р4, установленной на валу XXIX, при нейтральном положении муфты M5. через шестерни 42—48, червячную передачу 2—52 і косозубую реечную передачу.
Задня стойка перемещается в продольном направлении рукояткой Р6, установленной на валу XXXV, через винтовые колеса 11—34, вал XXXVI і реечную передачу.
Точная установка опорного люнета для обеспечения его строгой соосности со шпинделем производится маховичком Мх через червячную передачу 1—44.

Вузли горизонтально-расточного верстата 262г
Вузли горизонтально-расточного верстата 262г. Дивитись у збільшеному масштабі
Ручні переміщення і керування механическими подачами радиального суппорта выполняются рукояткой 24 (рис. 65, а). Рукоятками 1 осуществляются керування механическими подачами шпинделя і одновременно его ручні быстрые переміщення.
Рукоятка 24 при повороте относительно оси 25 своей секторной частью зацепляется з круглой рейкой а штанги 26 і перемещает післяднюю вдоль її оси. На правом кінці штанги 26 нарезана рейка г, находящаяся в зацеплении з шестерней z3, изготовленной за одно целое з валом 20 і шестерней z4. Перемещение штанги 26 вызывает вращение вала 20 з шестернями z3 і z4. Шестерня z3, находясь в зацеплении з круглой рейкой д штанги 8. перемещает її вдоль оси і управляет выдвижной шпонкой 11. Когда шпонка 8 занимает среднее положение (как показано па рисунке), хвостовик выдвижной шпонки 11 находится в углублении ж штанги 8, а шпонка иод действием пружины 13 входит в шпоночный паз 3 ступицы колеса 10, связывая післяднее з полым валом 12.
Смещение штанги 8 из среднего положения в том или ином направлении выводит выдвижную шпонку из паза шестерни 10. расцепляя его з полым валом 12. Колесо 10 находится в постоянном зацеплении з шестерней 57 на валу XVII (рис. 64, а), связанной з кінематичної ланцюгю подач радиального суппорта планшайби.
В то же время шестерня z4 вала 20 (рис. 65, а) через сектор 17 і сухарь 14 управляет положением шестерни 57 на валу XVII (рис. 64, а). При нейтральном положении рукоятки 24 выдвижная шпонка 11 включена, а шестерня 57 на валу XVII (рис. 64, а) находится в среднем положении. В етом случае вращением рукоятки 24 (рис. 65, а) относительно оси О производится ручное перемещение радиального суппорта. Поворотом рукоятки 24 относительно оси 25 на себя или от себя выключается выдвижная, шпонка //и одновременно включается подача суппорта к центру или от центра планшайби.
Поворотом рукояток 1 относительно осей 22 через полую штангу 4 з рейками б і в, вал 23 з шестернями z1 і z2, сектор 27 і вилку 19 производится включение, вимкнення і реверсирование подачі шпинделя. Вилка 19 перемещает шестерню 33 на валу XVII (рис. 64, а). Одновременно шестерня z1 (рис. 65, а) посредством штанги 7 з круглой рейкой е включает і выключает выдвижную шпонку 16.
В среднем положении рукояток 1 выдвижная шпонка 16 входит в шпоночный паз шестерни 15, соединяя її з полым валом 18. Механическая подача шпинделя в етот момент выключена. В етом положении рукояток 1 путем их обертання относительно оси О производится ручное перемещение шпинделя. Вращение от рукояток 1 передається через втулку 3, коническую передачу 5—21, полый вал 18, выдвижную шпонку 16, шестерню 15 і остальные елементы кінематичної ланцюги подачі шпинделя.
Шпиндельная бабка закрепляется на направляючих стойки двумя прижимами А і Б (рис. 65, б). Зажим производится рукояткой 1, насаженной на втулку 23, имеющую торцовые кулачки а, которыми втулка зацепляется з кулачковой полумуфтой 22. Последняя закреплена на валу-винте 21. При вращении рукоятки 1 винтовая часть вала 21 перемешает тягу 19, которая при помощи пальца 18 связана з двуплечим рычагом 13. Перемещение тяги 19 вызывает поворот рычага 13 относительно оси зажима. Второй конец рычага 13 соединен пальцем 12 з коромыслом 11. Пальцы 10 і 14 связывают коромысло з рычагами 9 і 17 зажимов А і Б. Поетому попорот рычага 13 вызывает одновременный поворот рычагов 9 і 17.
Рычаг 9, поворачиваясь на резьбовой полой оси 4, одновременно перемещается вниз, увлекая за собой зубчатый диск 8, грибок 7, толкатель 5 і прижим 3, воздействующий на клин 2.
Действие прижима Б аналогично, только рычаг 17 воздействует не непосредственно на зубчатый диск, а через полый шлицевый цилиндр 16. Втулка 20, насаженная на вал 21, упираясь в торец тяги 19, фиксирует окончание зажиму бабки. Сила затягивания прижимов регулируется зубчатыми дисками 8. Для етого снимают фиксаторные планки 15 і шлицевые кольца 6, а затем подвинчивают зубчасті диски 8.
Поперечные салазки 2 (рис. 65, в) закрепляются на направляючих продольных салазок 1 в четырех точках зажимами А, Б, В, Г.
Каждый из зажимов состоит из рычага 11, шлицевого валика 12, имеющего на обоих концах резьбу, прижимной планки 13 і регулировочных гаек 10. При повороте рычага 11 вращается шлицевый валик 12 и, ввинчиваясь в прижимную планку 13, прижимает поперечные салазки к направляющим продольных салазок.
Зажим салазок производится рукояткой, надеваемой на конец вала 26. Последний коническими шестернями 25—24 связан з валом 23, который смонтирован на двух упорных шарикопідшипниках 22 і 6 в поперечине 5; післядняя пальцами 4 і 19 связана з рычагами 3 і 20 зажимов А і Г. Между упорными підшипниками установлена пружина 21. Втулка 7 навинчена на резьбовой конец вилки 17, связанной пальцем 16 з косынкой 15. Косынка соединена тягами 8 і 14 з рычагами 9 і 11 прижимов Б і В.
Поворотный стол 3 (рис. 65, г) закрепляется на поперечных салазках 2 в трех точках з помощью клиновых колодок. Поворотом рукоятки 1 вилки 4, 6 і 7, связанные одной центральной косынкой 5, стягивают в радиальном направлении одновременно все три колодки 8. Зазор между колодками і поясками а і б регулируется гайками 9.
| Наименование параметра | 2620 | 262г | 262д |
|---|---|---|---|
| Основні параметри верстата | |||
| Диаметр выдвижного расточного шпинделя, мм | 90 | 85 | 110 |
| Высота оси шпинделя над столом, мм | 45..800 | 45..800 | |
| Наибольший диаметр расточки шпинделем, мм | 320 | 240 | |
| Наибольшая длина расточки шпинделем, мм | 600 | ||
| Наибольший диаметр расточки суппортом планшайби, мм | 600 | 450 | - |
| Наибольшая длина расточки і обточки суппортом планшайби, мм | 550 | 400 | - |
| Наибольший диаметр сверла (по конусу), мм | 65 | 65 | |
| Шпиндельная бабка. Шпиндель. ПланШайба | |||
| Наибольшее горизонтальное (осевое) перемещение шпинделя, мм | 710 | 600 | 600 |
| Частота обертання выдвижного расточного шпинделя, об/мин | 12,5...2000 | 20..1000 | 20..1000 |
| Количество швидкостей шпинделя | 23 | 18 | 18 |
| Пределы рабочих подач шпинделя, мм/об | 2,2...1760 | 0,05..16 | 0,05..16 |
| Пределы рабочих подач радиального суппорта, мм/об | 0,88...700 | 0,025..8 | - |
| Пределы рабочих подач шпиндельной бабки, мм/об | 1,4...1110 | 0,025..8 | 0,025..8 |
| Наибольшее вертикальное перемещение шпиндельной бабки (установочное), мм | 1000 | ||
| Скорость быстрых перемещений шпиндельной бабки, м/мин | 2,2 | ||
| Скорость быстрых перемещений шпинделя, м/мин | 3,48 | ||
| Скорость обертання планшайби, об/мин | 8...200 | 10..200 | 20..1000 |
| Количество швидкостей планшайби | 15 | 15 | 18 |
| Возможность отключения обертання планшайби | есть | ||
| Возможность одновременной подачі суппорта і шпинделя | есть | ||
| Наибольшее перемещение радиального суппорта планшайби, мм | 170 | 170 | - |
| Скорость быстрых перемещений радиального суппорта, м/мин | 1,39 | ||
| Внутренний конус шпинделя | Морзе 5 | Морзе 5 | |
| Наибольший крутящий момент на шпинделе, кгс*м | 495 | 220 | 220 |
| Наибольший крутящий момент на планшайбе, кгс*м | 780 | ||
| Наибольшее усиление подачі шпинделя, кгс | 1500 | ||
| Наибольшее усилие подачі суппорта, кгс | 700 | ||
| Наибольшее усиление подачі бабки, кгс | 2000 | ||
| Нарезаемая метрическая резьба, мм | 1...10 | 1...10 | 1...10 |
| Нарезаемая дюймовая резьба, число ниток на 1" | 4...20 | 4...20 | |
| Стол | |||
| Рабочая поверхность стола, мм | 900 х 1120 | 800 х 1000 | |
| Наибольшая масса обрабатываемого вироби, кг | 2000 | 2000 | |
| Наибольшее перемещение стола (вдоль х поперек), мм | 1150 х 1000 | 1140 х 850 | 1225 х 1850 |
| Пределы рабочих подач стола (вдоль і поперек), мм/об | 1,4...1110 | 0,05..16 | 0,05..16 |
| Наибольшее усиление подачі стола (вдоль і поперек), кгс | 2000 | 1300 | 1300 |
| Деление шкалы лимба, мм | 0,025 | ||
| Деление шкалы лимба поворота стола, град | 0,5 | ||
| Выключающие упоры | есть | ||
| Скорость быстрых перемещений, м/мин | 2,2 | ||
| Скорость быстрых установочных круговых перемещений, об/мин | 2,8 | ||
| Привод | |||
| Количество електродвигателей на станке | |||
| Електродвигун приводу головного руху Мощность, кВт (об/мин) | 10 (3000) | 6,5/ 7 | 6,5/ 7 |
| Електродвигун приводу подачі, кВт | 1,52 | ||
| Привід поворота стола, кВт | 1,7 | ||
| Габарити і масса верстата | |||
| Габарити верстата, включая ход стола і салазок, мм | 5510 х 3200 х 3012 | 5070 х 2250 х 2755 | 5070 х 2250 х 2755 |
| Масса верстата, кг | 12000 | 11750 | 11350 |
Будь-яка робота потребує більше часу, ніж ви думаєте.
Закон Мерфі