Виробник горизонтально-розточувальних верстатів 2а622ф1 Ленінградський верстатобудівний завод ім. Свердлова , заснований у 1868 році.
З 1949 року підприємство важкого верстатобудування. Почав випуск металорізальних верстатів власної конструкції (горизонтально-розточувальних, координатно-розточувальних, копіювально-фрезерних, типу «обробний центр» та ін.)
У 1962 на базі заводу створено Ленінградське верстатобудівне виробниче об'єднання.
Об'єднання має замкнутий технологічний цикл, має ливарне, заготівельне, гальванічне виробництва, всі види механічної обробки, стендове складання верстатів, малярські та пакувальні ділянки.
У 2004 р – банкрутство заводу. Торгова марка продана підприємству Кіров-Станкомаш, ТОВ
Горизонтально-розточувальний верстат 2А622Ф1 сконструйований на основі базової моделі 2А622 з високим ступенем уніфікації функціональних вузлів та деталей.
Горизонтально-розточувальні верстати 2А622Ф1 призначені для консольної обробки різних великих корпусних деталей масою до 4000 кг, що мають точні отвори, осі яких пов'язані між собою точними розмірами.
Верстати 2А622Ф1 забезпечені нерухомою передньою стойкою та вбудованим поворотним столом, що має поздовжнє та поперечне переміщення щодо осі шпинделя.
На верстатах 2А622Ф1 можна проводити свердління, зенкерування, розточування та розгортання точних отворів за точними координатами, фрезерування та нарізування різьблення.
Конструкція верстатів 2А622Ф1 дозволяє проводити фрезерування по восьмикутному контуру з двома подачами: поперечної - столу та вертикальної - шпиндельної бабки, а також фрезерування з круговою подачею столу.
Верстати 2А622Ф1 можуть бути оснащені різними системами числового програмного керування як вітчизняного, і зарубіжного виробництва.
Верстати моделей 2А622, 2А622Ф1, 2А622Ф2 з висувним шпинделем діаметром 110 мм та нерухомою плитою на торцевій стінці шпиндельної бабки відрізняються підвищеною жорсткістю та вібростійкістю шпиндельної системи та рекомендуються для високопродуктивної консольної обробки. За допомогою знімної планшайби можна обточувати торцеві поверхні, розточувати великі отвори.
2А622, 2А622Ф1-1 - горизонтально-розточувальні верстати виробництва верстатобудівного заводу "Свердлов"
2А622-2, 2А622Ф1-2 - горизонтально-розточувальні верстати виробництва Чаренцаванського верстатобудівного заводу
Верстат моделі 2А622ПФ1 відрізняється підвищеною точністю. У комплект верстата входить холодильна фреонова машина для зниження теплових деформацій.
У 1975 р. верстатам моделей 2А622-1, 2А622Ф1-1 присвоєно «Знак якості».

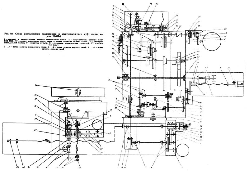
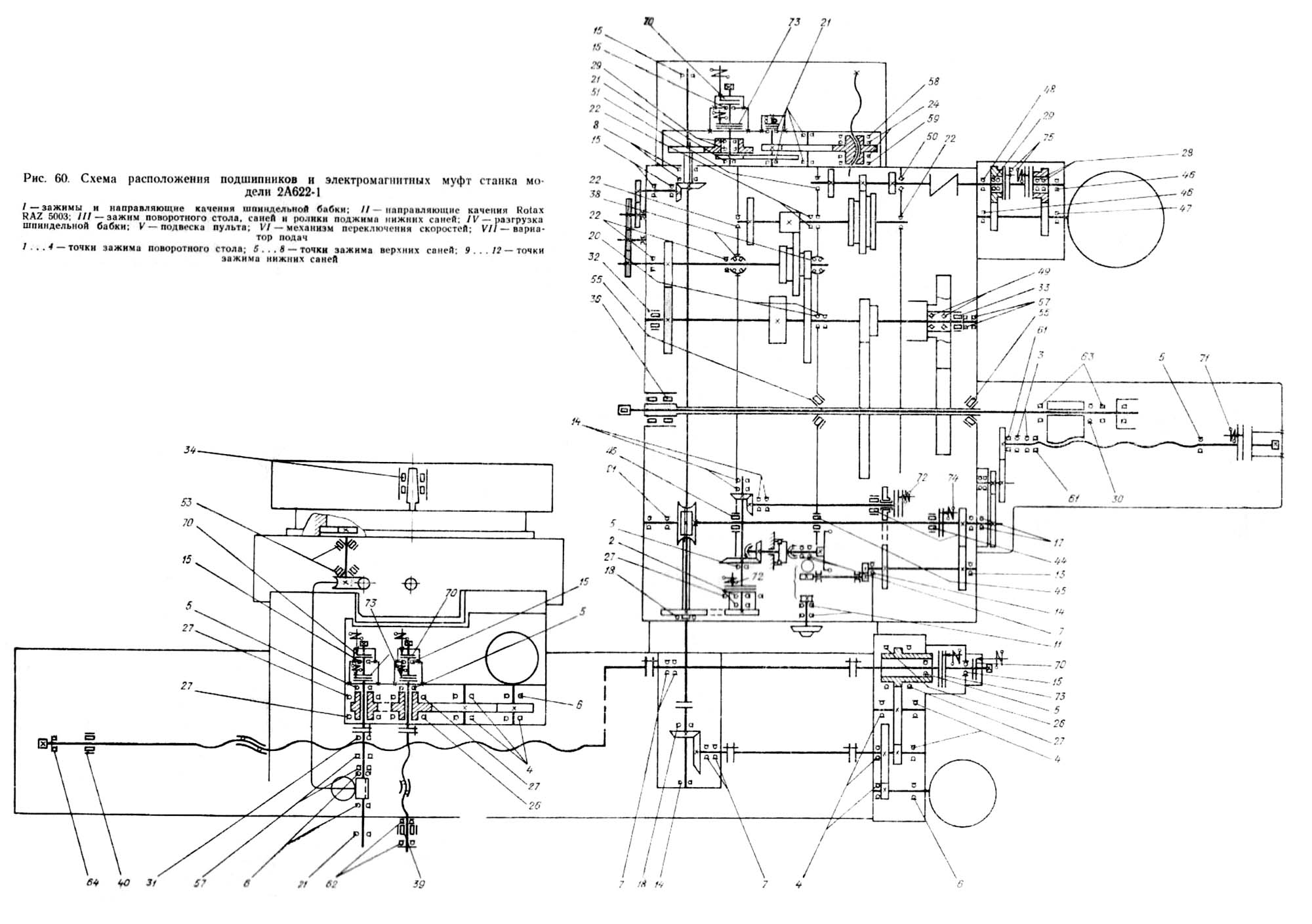
Посадочні та приєднувальні бази розточувального верстата 2а622ф1

Фото горизонтально-розточувального верстата 2а622ф1
Фото горизонтально-розточувального верстата 2а622ф1. Завантажити у збільшеному масштабі

Фото горизонтально-розточувального верстата 2а622ф1

Фото горизонтально-розточувального верстата 2а622ф1

Розташування складових частинин верстата 2а622ф1

Розташування органів керування горизонтально-розточувальним 2а622ф1
На головному пульті зосереджено всі основні пускові органи керування. Крім головного пульта, на верстаті є ще кілька місць оперативного керування верстатом:
Опис пульта керування цифрової індикації та пульта пристрою числового програмного керування дано по другій частинині посібника з експлуатації.
Виборець призначений для вибору робочого органу і є кнопковим перемикачем.
При виборі органу натисканням кнопки орган, що відповідає раніше натиснутій кнопці, затискається.
При натисканні на кнопку відбувається підготовка електричної схеми приводу обраного органу до включення та віджимання обраного органу.
Оператор призначений для керування установочними переміщеннями рухомих органів верстата.
Оператор виконує такі функції:
Переключатель имеет восемь положений і предназначен для изменения направления непрерывной подачі при фрезеровании плоскостей торцовыми фрезами. Фрезерование плоскостей торцовыми фрезами з непрерывным вращением шпинделя і непрерывной подачей способствует повышению качества обработанной поверхности.
Переключатель позволяет осуществлять фрезерование плоскости:
Механізм расположен на шпиндельной бабке і предназначен для выбора і переключения скорости шпинделя посредством одной рукоятки 180 (рис. 9 і 10).
Варіатор подачі предназначен для выбора величины подачі в миллиметрах на оборот шпинделя і изменения величины подачі в процессе різання (рис. 11).
Штурвал предназначен для переміщення от руки шпинделя, радиального суппорта, шпиндельной бабки і стола продольно (рис. 12).
На пульті под штурвалом расположены:
На нижних санях верстата расположен доводочный оператор — електрический штурвал для тонкого переміщення подвижных вузлів.
Станина з четырьмя направляющими имеет замкнутое коробчатое сечение со стенками, усиленными системой продольных і поперечных ребер жесткости. Три ряда башмаков позволяют быстро і легко выверять направляющие станины з требуемой точностью.
При виконанні верстатів з увеличенным поперечным ходом стола з двух сторон основной станины расположены две дополнительные боковые направляющие, установленные на башмаках (рис. 13).
Станина имеет широкие плоские шлифованные направляющие з телескопической защитой, обеспечивающей длительное сохранение первоначальной точності.
На торце станины размещен редуктор з електродвигуном приводу переміщення шпиндельной бабки, шпинделя, радиального суппорта і стола продольно.
Распределение движений производится посредством електромагнітних муфт.
Передня стойка, несущая шпиндельную бабку, жестко закреплена на плоскости станины і имеет высокую жесткость і виброустойчивость.
Передние направляющие стойки — плоские, шлифованные; боковые направляющие представляют собой закаленные накладные стальные планки, по которым на роликах качения перемещается шпиндельна бабка.
Шпиндельная бабка представляет собой узел, состоящий из связанных между собой механізмов, смонтированных внутри і снаружи корпуса бабки: приводу механізма головного руху, шпиндельного пристроя, механізмов переміщення шпиндельной бабки, расточного шпинделя, радиального суппорта планшайби (для верстатів 2А620-1, 2А620Ф1-1 і 2А620Ф2-1), хвостовой частини, механізмов керування і отсчета перемещений расточного шпинделя і радиального суппорта планшайби.
Привід механізма головного руху шпиндельной бабки осуществляется от фланцевого односкоростного електродвигуна трехфазного тока при помощи пружинной муфты переменной жесткости через промежуточный редуктор з двумя електромагнитными муфтами, расположенный на боковой стенке корпуса шпиндельной бабки.
Шпиндельное пристрій состоит из расточного і полого фрезерного шпинделей.
Расточный шпиндель из азотированной стали перемещается внутри термически обработанных втулок, запрессованных во фрезерном шпинделе.
Фрезерный шпиндель смонтирован в прецизионных цилиндрическом і коническом роликовых підшипниках.
Передний конец фрезерного шпинделя снабжен фланцем, имеющим посадочную цилиндрическую поверхность, торцовый шпоночный паз і резьбовые отверстия для закрепления инструмента і пристосувань.
Планшайба з радиальным суппортом монтируется на своем шпинделе.
Механізми переміщення шпиндельной бабки, шпинделя і радиального суппорта кинематически связаны з електродвигуном постоянного тока через редуктор, расположенный на правом торце станины, і вертикальний вал.
Подача всех подвижных органів осуществляется при помощи електродвигателей постоянного тока з приводом широкого диапазона.
Варіатор величин подач подвижных органів расположен на шпиндельной бабке рядом з механізмом переключения швидкостей і представляет собой двухрядный многоступенчатый переключатель со шкалой величин подач в миллиметрах на один оборот. Величина подачі подвижного органа може быть изменена в процессе різання. При изменении чисел оборотів шпинделя автоматически сохраняется постоянство величины подачі в миллиметрах на оборот при фактическом изменении величины подачі в миллиметрах в минуту.
Поворотный стол верстата имеет продольное і поперечное перемещение і центрируется в опоре з прецизионным цилиндро-роликовым подшипником.
При виконанні верстатів з увеличенным поперечным ходом стола 1600 мм на нижних салазках стола установлены отъемные боковые опори, перемещающиеся по двум дополнительным боковым направляющим,
Боковые направляющие нижних салазок стола представляют собой закаленные стальные планки, по которым на роликах качения перемещаются верхние салазки стола.
Продольное перемещение стола осуществляется от електродвигуна постоянного тока через редуктор, расположенный па правом торце станины. Поперечное перемещение і поворот стола—от електродвигуна постоянного тока через редуктор, расположенный на заднем торце нижних салазок. Распределение руху производится електромагнитными муфтами.

Кінематична схема горизонтально-расточного верстата 2а622ф1
Схема кінематична горизонтально-расточного 2а622ф1. Скачать в увеличенном масштабе
Привід обертання шпинделя і планшайби осуществляется посредством двухступінчастого агрегата швидкостей з електромагнитными муфтами, монтируемого на шпиндельной бабке. Кинематические схеми верстатів показаны на рис. 14, 15 і в табл. 2.
Для защиты от динамического воздействия в механізме головного приводу имеется упругая муфта (рис. 16).
Передача руху на шпиндель осуществляется двумя парами зубчатых колес 63, 64 (100) і 65, 66 (69) (рис. 17, 18, 19). Большее колесо 64 (100) приводит во вращение шпиндель в нижнем диапазоне швидкостей з большими моментами, а другое, меньшее колесо 66 (99) — в верхнем диапазоне швидкостей з меньшими моментами. Передача руху на планшайбу осуществляется парой колес 36, 35. Для увімкнення обертання планшайби имеется специальная рукоятка.
Осевое перемещение шпинделя, радиальное перемещение суппорта планшайби (рис. 20), вертикальное перемещение шпиндельной бабки і продольное перемещение стола осуществляются от общего електродвигуна постоянного тока через редуктор, который размещен на станине верстата (рис. 21).
Распределение руху в ланцюги переміщення шпинделя, шпиндельной бабки, радиального суппорта і стола продольно производится посредством електромагнітних муфт.
В кінематичної ланцюги приводу радиального суппорта имеется планетарный механізм з сателлитами 26 і 71, обеспечивающий возможность переміщення суппорта во время обертання планшайби (рис. 22).
Осевое перемещение расточного шпинделя осуществляется шарико-винтовой передачей 86 і 84, расположенной в хвостовой частини шпиндельной бабки (рис. 23).
Вертикальное перемещение шпиндельной бабки осуществляется посредством вращающейся гайки, расположенной в редукторе на шпиндельной бабке, і нерухомого шарикового гвинта, закрепленного на стойке (рис. 24).
На верстатах смонтирован механізм предотобертання падения шпиндельной бабки при обрыве троса противовеса (рис. 25).
При подвешенном противовесе шпиндельной бабки деталь 243, соединенная з тросом противовеса, находится в верхнем положении, сжимая пакет тарельчатых пружин 244. При етом шарик 245, упираясь в бурт детали 243, через систему рычагов фиксирует смонтированную в редукторе шпиндельной бабки деталь 248 в верхнем положении.
При обрыве троса противовеса деталь 243 под воздействием пакета тарельчатых пружин 244 переместится вниз, освобождая шарик 245 і через систему рычагов деталь 248. Деталь 248 под воздействием пружины 249 переместится в нижнее положение і заланцюгится з деталью 247, фиксирующей вал 246 от проворота. При етом шпиндельна бабка надежно фиксируется от падения.
Поперечное перемещение стола і поворот стола осуществляются от общего електродвигуна постоянного тока через редуктор, который размещен на заднем торце нижних саней.
Распределение руху к ланцюги поперечного переміщення і поворота стола производится посредством електромагнітних муфт в редукторе (рис. 26).
Верстат позволяет нарезать метрическую і дюймовую резьбу (см. „Таблиця набора сменных шестерен для нарізання різьби").
Нарезание різьби производится выдвижным шпинделем при его осевом перемещении или радиальным суппортом планшайби при продольном перемещении стола.
Для нарізання різьби ланцюг подачі шпинделя соединяется з приводом обертання шпинделя посредством гітари з набором сменных зубчатых колес, расположенной па переднем торце шпиндельной бабки.
Для нарізання левых різьб па гітарі устанавливается паразитная шестерня.
Для переміщення суппорта планшайби от штурвала при нарезании різьби подачей стола следует включить рукоятку, расположенную на крышке шпиндельной бабки.
На шпиндельной бабке имеется штурвальное пристрій для переміщення от руки шпинделя, радиального суппорта, шпиндельной бабки і продольного переміщення стола.
турвал позволяет осуществлять тонкое перемещение подвижного органа і быстрое перемещение выдвижного шпинделя.
Увімкнення штурвала осуществляется кнопкой з пульта на шпиндельной бабке.
| Наименование параметра | 2а620ф1 | 2а622ф1 |
|---|---|---|
| Основні параметри верстата | ||
| Диаметр выдвижного расточного шпинделя, мм | 90 | 110 |
| Наибольший диаметр расточки шпинделем, мм | 240 | 320 |
| Наибольший диаметр расточки суппортом планшайби, мм | - | |
| Наибольшая длина расточки і обточки суппортом планшайби, мм | - | |
| Точность установки координат, мм | 0,025 | 0,025 |
| Точность установки поворотного стола, сек | 3 | 3 |
| Наибольший диаметр сверла (по конусу), мм | ||
| Стол | ||
| Рабочая поверхность стола, мм | 1120 х 1250 | 1120 х 1250 |
| Наибольшая масса обрабатываемого вироби, кг | 4000 | 4000 |
| Наибольшее перемещение стола, мм | 1000 х 1250 | 1000 х 1250 |
| Пределы рабочих подач стола (вдоль і поперек), мм/мин | 1,25...1250 | 1,25...1250 |
| Наибольшее усиление подачі стола (вдоль і поперек), кгс | 2000 | 2000 |
| Деление шкалы лимба, мм | 0,025 | |
| Деление шкалы лимба поворота стола, град | 0,5 | 1 |
| Выключающие упоры | есть | есть |
| Скорость быстрых продольных перемещений, м/мин | 6,0 | 6,0 |
| Скорость быстрых поперечных перемещений, м/мин | 5,0 | 5,0 |
| Скорость быстрых установочных круговых перемещений, об/мин | 2,8 | |
| Шпиндель | ||
| Наибольшее горизонтальное (осевое) перемещение шпинделя, мм | 710 | 710 |
| Частота обертання шпинделя, об/мин | 10...1600 | 10...1250 |
| Количество швидкостей шпинделя | 23 | 22 |
| Пределы рабочих подач шпинделя, мм/мин | 2...2000 | 2...2000 |
| Пределы рабочих подач радиального суппорта, мм/мин | 0,8...800 | - |
| Пределы рабочих подач шпиндельной бабки, мм/мин | 1,4...1110 | 1,4...1110 |
| Наибольшее вертикальное перемещение шпиндельной бабки (установочное), мм | 1000 | 1000 |
| Скорость быстрых перемещений шпиндельной бабки, м/мин | 6,0 | 6,0 |
| Скорость быстрых перемещений шпинделя, м/мин | 4,0 | 4,0 |
| Скорость обертання планшайби, об/мин | 6,3...160 | - |
| Количество швидкостей планшайби | 13 | 13 |
| Возможность отключения обертання планшайби | есть | есть |
| Возможность одновременной подачі суппорта і шпинделя | есть | есть |
| Наибольшее перемещение радиального суппорта планшайби, мм | 160 | - |
| Скорость быстрых перемещений радиального суппорта, м/мин | 1,39 | - |
| Наибольший крутящий момент на шпинделе, кгс*м | 140 | 180 |
| Наибольший крутящий момент на планшайбе, кгс*м | 250 | - |
| Наибольшее усиление подачі шпинделя, кгс | ||
| Наибольшее усиление подачі суппорта, кгс | ||
| Наибольшее усиление подачі бабки, кгс | ||
| Нарезаемая метрическая резьба, мм | 1...10 | 1...10 |
| Нарезаемая дюймовая резьба, число ниток на 1" | 4...20 | 4...20 |
| Привод | ||
| Пристрій цифровой индикации (УЦИ) | Ф5147 | Ф5147 |
| Пристрій программного керування (УЧПУ) | 2П62-3И | 2П62-3И |
| Количество електродвигателей на станке | ||
| Електродвигун приводу головного руху Мощность, кВт | 11 | 11 |
| Електродвигун приводу поздовжньої подачі стола і шпинделя, кВт | 3,8 | 3,8 |
| Електродвигун приводу поперечної подачі і поворота стола, кВт | 3,8 | 3,8 |
| Суммарная мощность електродвигателей, кВт | 25 | 25 |
| Габарити і масса верстата | ||
| Габарити верстата, включая ход стола і салазок, мм | 6070 х 3970 х 3220 | 6070 х 3970 х 3220 |
| Масса верстата, кг | 18300 | 17800 |
Будь-яка робота потребує більше часу, ніж ви думаєте.
Закон Мерфі