Виробник координатно-розточувального верстата 2А450 Московський завод координатно-розточувальних верстатів МЗКРЗ , заснований в 1942 році і Куйбишевський завод координатно-розточувальних верстатів (Куйбишівське верстатобудівне об'єднання).
Свою історію Куйбишевський завод координатно-розточувальних верстатів веде з 1963 року, коли було запроваджено першу чергу цього підприємства. Молодий колектив заводу за короткий термін освоїв виробництво верстатів високої точності і вже 1966 року випустив їх кілька сотень.
Завод припинив своє існування у 1991 році, і на його виробничих площах відкрилося кілька верстатобудівних підприємств, які продовжують випускати координатно-розточувальні верстати, займаються їх ремонтом та модернізацією: Завод координатно-розточувальних верстатів «Стан-Самара» ЗАТ ; Самарське НВП координатно-розточувальних верстатів, ТОВ "НВП ВРХ"; «Станкосервіс» ТОВ та ін.
Початок серійного виробництва координатно-розточувального верстата 2А450А – 1977 рік.
Координатно-розточувальний верстат 2А450 призначений для обробки отворів з точним розташуванням осей, розміри між якими задані у прямокутній системі координат.
На верстаті 2А450 можна виконувати свердління, легке (чистове) фрезерування, розмітку та перевірку лінійних розмірів, зокрема міжцентрових відстаней. Верстат забезпечений поворотними столами, що дає можливість проводити обробку отворів, заданих в системі полярної координат, похилих і взаємно перпендикулярних отворів і проточку торцевих площин.
Верстат 2А450 використовується для робіт в інструментальних цехах (обробка кондукторів та пристроїв) та у виробничих цехах для точної обробки деталей без спеціального оснащення.
Координатно-розточувальний верстат 2А450 має ту особливість, що на ньому можна робити попередній набір координат під час обробки попереднього отвору; це значно скорочує допоміжний час.
Розточувальний верстат 2А450 оснащений оптичною системою координат: оцифровані ризики скляної штрихової лінійки проектуються на нерухомий растр, за допомогою якого можна безпосередньо, в одному місці, відраховувати всі десяткові знаки встановлюваної координати.
На верстаті можна свердлити отвори діаметром до 40 мм, розмічати точні шаблони, перевіряти лінійні розміри та міжцентрові відстані. Також можна виконувати на ньому дрібні фрезерні роботи.
Верстат 2А450 використовується в інструментальних, машинобудівних та приладобудівних цехах для обробки заготовок деталей як одиничного, так і серійного виробництва.
Верстат 2А450 обладнаний оптичними екранними відліковими пристроями, що дозволяють відраховувати цілу та дробову частинини координатного розміру. В умовах нормальної експлуатації верстат забезпечує точність встановлення міжцентрових відстаней у прямокутній системі координат – 0,004 мм.
Точне встановлення столу на задану координату проводиться вручну, маховичком. Верстат забезпечений пристроєм цифрової індикації, що дає можливість оператору здійснювати встановлення координат з дискретністю 0,001 мм.
Обертання шпинделя здійснюється від регульованого електроприводу змінного струму через триступінчасту коробку швидкостей. Подачі шпинделя здійснюються безступінчасто за допомогою фрикційного варіатора. Є механізм автоматичного вимкнення подачі шпинделя на заданій глибині.
У верстаті передбачені механічні затискачі столу, санок та ручний затискач шпиндельної бабки.
Клас точності верстата А за ГОСТ 8-71.

Габарит робочого простору координатно-розточувального верстата 2а450
Габарит робочого простору координатно-розточувального 2А450. Дивитись у збільшеному масштабі

Фото координатно-розточувального верстата 2а450

Фото координатно-розточувального верстата 2а450

Фото координатно-розточувального верстата 2а450

Фото координатно-розточувального верстата 2а450

Фото пульта керування координатно-розточувального верстата 2а450

Загальний вигляд координатно-розточувального верстата 2а450
Загальний вигляд та компонування верстата показані на рис. 34 а.
Верстат складається з наступних основних вузлів: станини 1, стійки 9, шпиндельної бабки 5, столу 3, санок 2.
Для точного відліку переміщень столу та санок у верстаті застосовано оптичну систему.

Розташування органів керування верстатом 2А450А
Питание ланцюгів електроустаткування осуществляется следующими напряжениями:
Електроустаткування верстата предназначено для подключения к трехфазной сети переменного тока з глухозаземленным или изолированным нейтральным проводом.
На станке установлены електродвигатели:

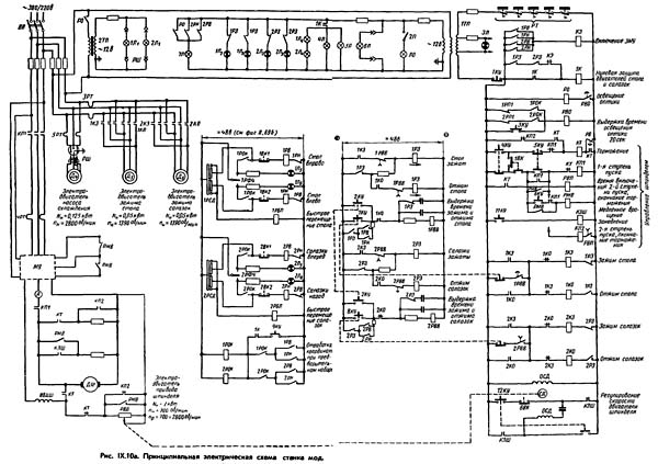
Електрична схема координатно-расточного верстата 2а450
Електрична схема координатно-расточного верстата 2А450. Дивитись у збільшеному масштабі
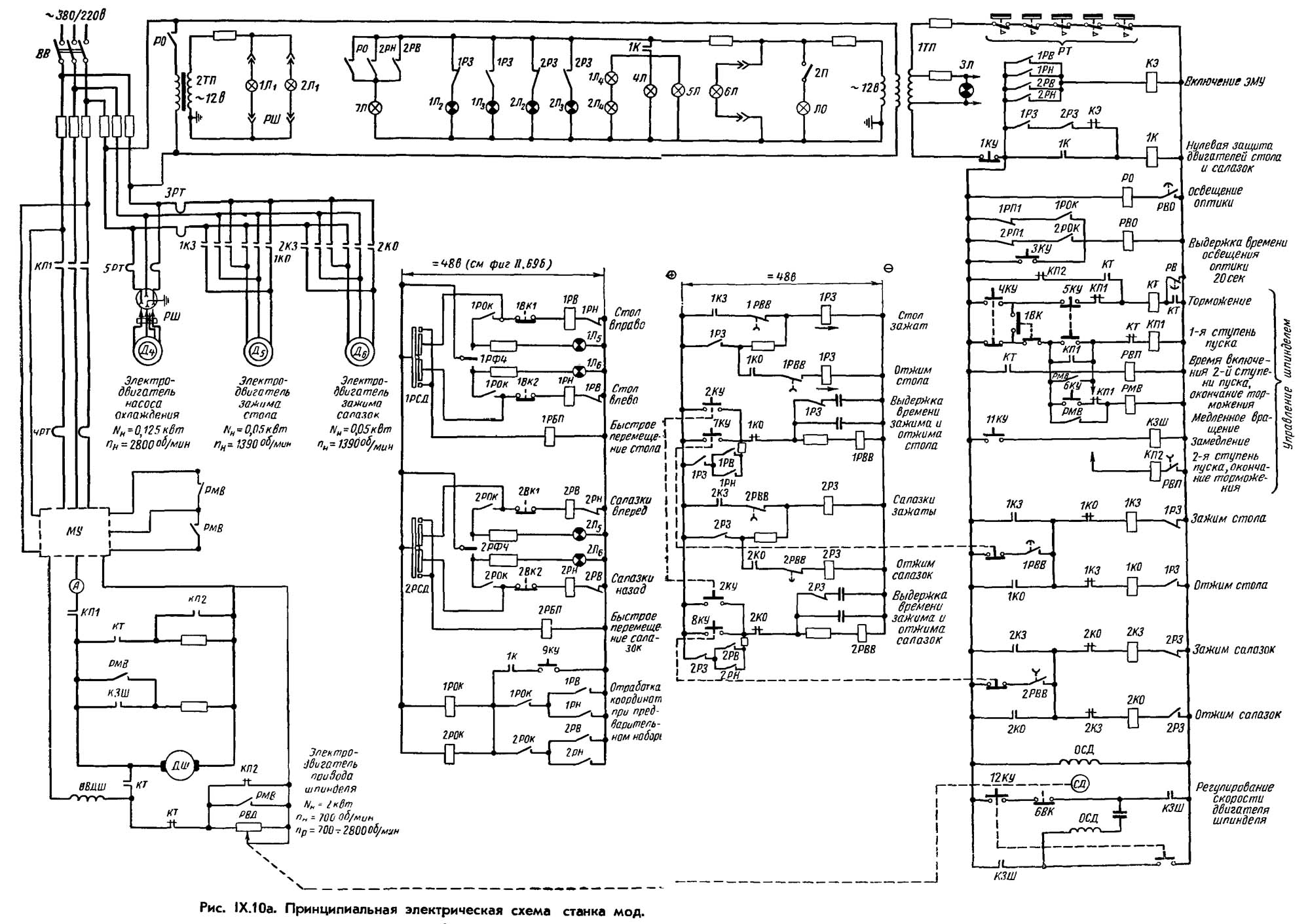
Електрична схема верстата (рис. IX.10 і IX.11) включает в себя електроприводы шпинделя, стола і салазок, механізмов зажима, охлаждения і обеспечивает освещение оптики верстата, блокировку і защиту її агрегатов при различных режимах роботи.
Вращение расточного шпинделя, переміщення стола і салазок производятся от двигателей постоянного тока, а зажим стола і салазок і привід насоса охлаждения — от асинхронных електродвигателей. Для живлення електродвигателей постоянного тока имеются усилители магнитный і електромашинные.
Електрична схема обеспечивает увімкнення обертання шпинделя (рис. IX.10, а), его відключення з торможением, бесступенчатое изменение числа оборотів, а также медленное вращение з «ползучей» скоростью.
Пуск шпинделя производится в две ступени при помощи магнитных пускачів і контролируется реле часу. Медленное вращение шпинделя може быть включено лишь після его останова. Нагрузка шпинделя контролируется амперметром. Величина ходу шпинделя ограничивается конечным выключателем.
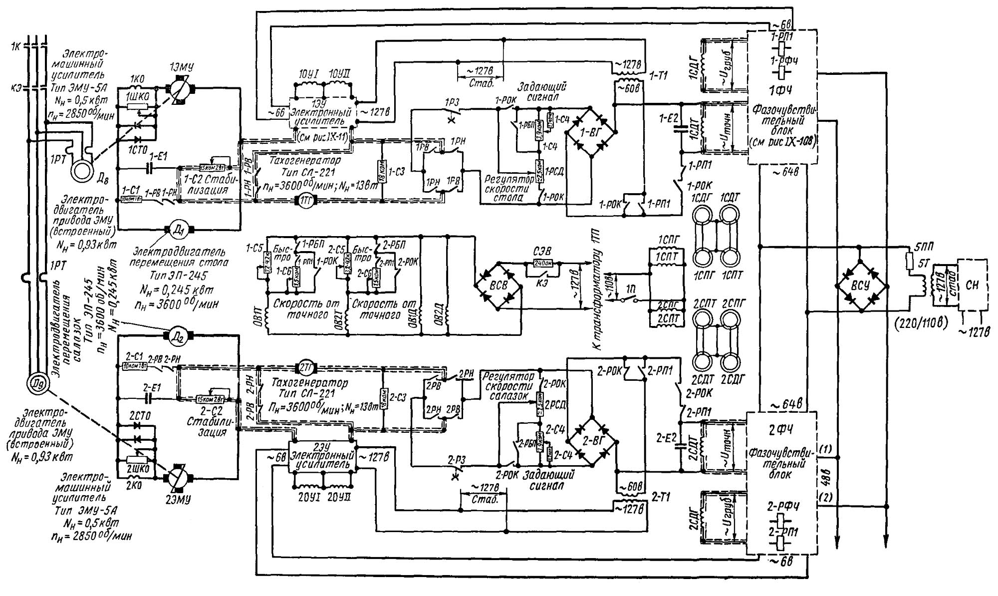
Электроприводы стола і салазок. Электрической схемой верстата обеспечиваются наступні режими роботи: предварительный набор координат от постоянной базы; набор координат оператором (без предварительного набора); рабочая подача стола і салазок при фрезеровании і быстрые их переміщення.
Перемещение стола і салазок може происходить одновременно, благодаря наличию двух совершенно одинаковых схем з дублированием апаратури.
Требуемый режим роботи верстата устанавливается переключателями на пульті керування. Система задания координат обеспечивает перемещение стола і салазок на величину, предварительно установленную по лимбам механізма предварительного набора координат (см. рис. IX.12). При етом в зависимости от направления устанавливаемой координаты — «Вправо» или «Влево», «Вперед» или «Назад» — включаются соответствующие реле і загораются сигнальные лампочки.
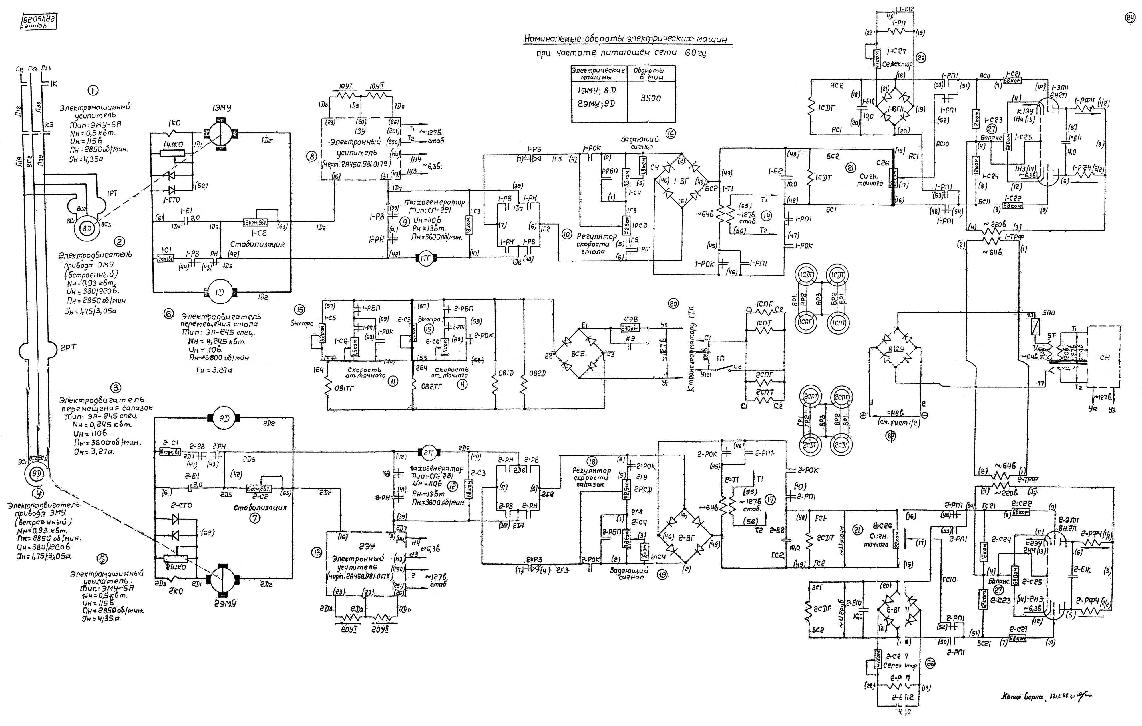
Система отсчета координат выполнена на основе следящей системы, где в качестве измерителей рассогласования между угловыми положениями исходного (задающего) і конечного звена применены бесконтактные сельсины, работающие в трансформаторном режиме.

Електрична схема керування переміщеннями стола і салазок верстата 2а450
Електрична схема координатно-расточного верстата 2А450. Дивитись у збільшеному масштабі
Следящая система выполнена здесь двухканальной, т. е. имеются два сельсина-датчика і два сельсина-приемника для набора каждой из координат (рис. IX.12, в і IX.13). Однако пара сельсинов (датчик і приемник) включена в систему з передаточным отношением 1 : 1 і образует точный отсчет ТО системы, служащий для обеспечения согласования при малых углах рассогласования. Другая пара сельсинов включена в систему через редукторы і образует грубый отсчет ГО, обеспечивающий согласование при больших углах рассогласования. Сельсины ГО имеют только одно устойчивое согласованное положение при угле рассогласования до 180°.
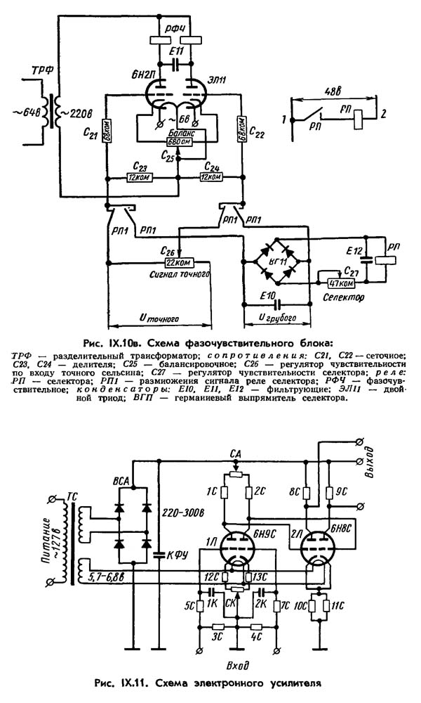
Подавать на вход усилителя напряжения ошибки ТО і ГО одновременно нельзя, так как они будут искажать друг друга і при определенных значениях могут находиться в противофазе. Для исключения возможности етого в схему введен релейный селектор грубого і точного отсчетов, который состоит из выпрямителя ВГ11 (см. рис. IX.10B), поляризованного реле РП і реле РП1.
При больших углах рассогласования керування идет в функции напряжения грубого сельсина СПГ (рис. IX. 10б), а при малых — в функции точного сельсина СПТ. На вход селектора подается напряжение сельсинов грубого отсчета, регулируемое сопротивлением С27 (рис. IХ.10в). При уменьшении етого напряжения реле РП размыкает свои контакты, которые отключают реле РП1. Контакты РП1 отключают сигнал швидкого переміщення і подключают ланцюг точных сельсинов. При етом на вход фазочувствительного пристроя вместо напряжения грубого сельсина будет подаваться напряжение точного сельсина.
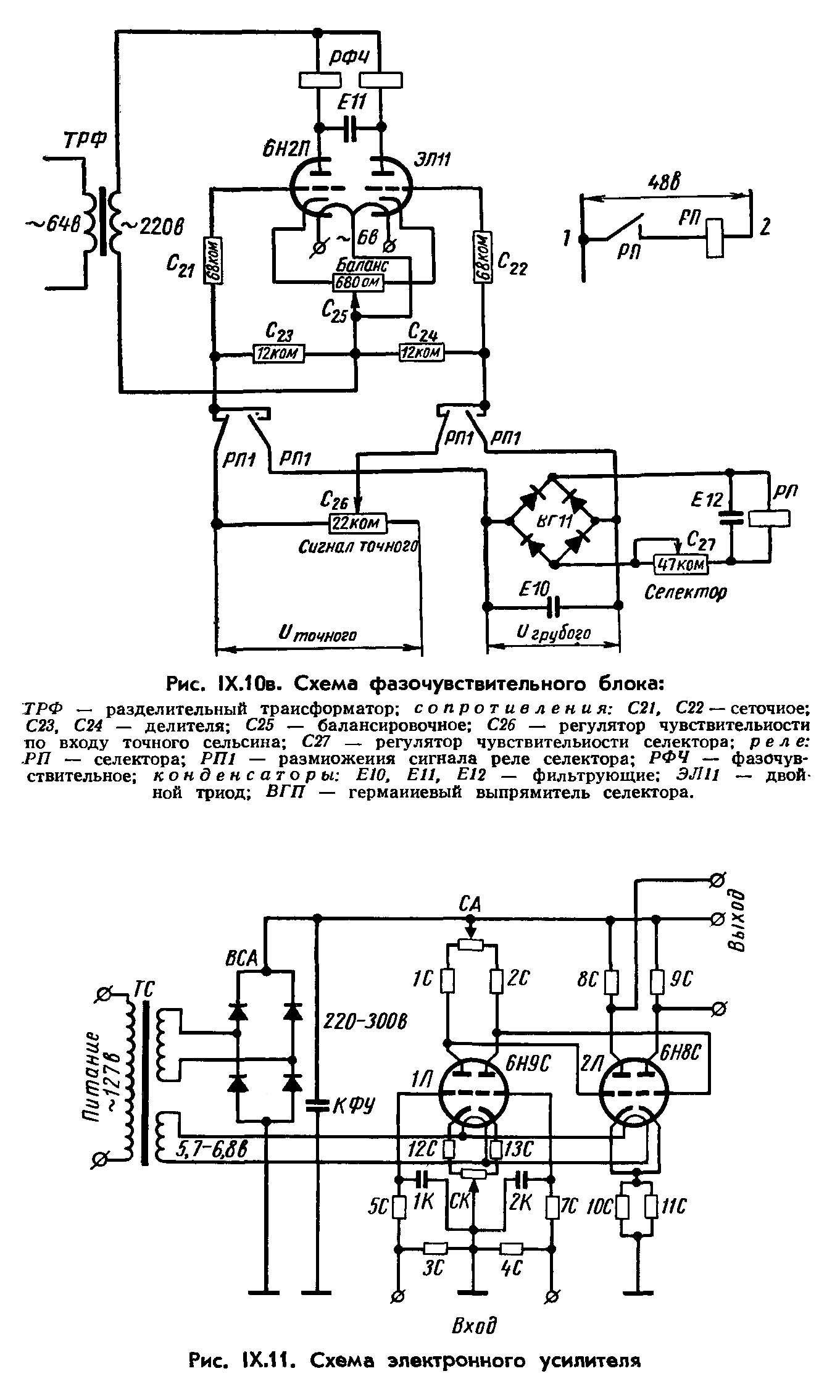
Для усиления сигнала ошибки слежения, а также сигнала от стабилизирующих устройств, как по напряжению, так і по мощности до величин, необходимых для роботи исполнительного двигуна, применен електронный усилитель 1ЭУ (рис. IX.10б і 11) і електромашинный усилитель 1ЭМУ (рис. IX.106).
На выходе електронного усилителя включены обмотки керування 10У1 і 10УП електромашинного усилителя 1ЭМУ, питающего обмотку якоря електродвигуна Д1 приводу стола.
На вход електронного усилителя 1ЭУ при наличии углов рассогласования подается разность напряжения задающего сигнала, снимаемого з обмотки сельсина-датчика 1СДТ или трансформатора 1Т1, і напряжения тахогенератора 1T Г.
При возрастании напряжения задающего сигнала возрастает напряжение на входе 1ЭУ, повышается возбуждение і напряжение 1ЭМУ, вследствие чего число оборотів електродвигуна Д1 увеличивается. При уменьшении задающего сигнала число оборотів електродвигуна Д1 соответственно снижается.
При постоянной величине задающего сигнала, в результате увеличения нагрузки і т. п., число оборотів електродвигуна будет уменьшаться; ето снижает напряжение тахогенератора і увеличивает напряжение на входе 1ЭУ, вследствие чего возбуждение ЮМУ і напряжение возрастают, і скорость електродвигуна будет восстановлена.
Так поддерживается постоянная скорость переміщення стола.
Питание обмоток возбуждения електродвигуна Д1 — ОВ1Д і тахогенератора OB1T осуществляется напряжением селенового выпрямителя ВСВ.
Для уменьшения нагрева електродвигателей при их отключении, післядовательно з обмотками возбуждения вводится сопротивление СЭВ.
Питание електронных усилителей производится стабилизированным напряжением.
Для значительного увеличения скорости двигуна Д1 післядовательно з обмоткой возбуждения тахогенератора включается сопротивление 1С5, а для некоторого увеличения скорости при работе от точного сельсина сопротивление 1С6.
Направление переміщення стола или салазок при работе з предварительным набором координат определяется знаком угла рассогласования, т. е. направлением поворота роторов задающих сельсинов 1СДТ, 1СДГ. При повороте оператором етих сельсинов на их обмотках возникает напряжение рассогласования, которое поступает на вход фазочувствительного блока (рис. IX.10B).
В зависимости от положения реле РП і РП1 то или другое напряжение подается на сетку лампы 6Н2П. Анодная ланцюг лампы 6Н2П питается стабилизированным напряжением переменного тока. При включении на її сетки различного характера напряжений рассогласования (совпадающего по фазе з напряжением анодной ланцюги или сдвинутого на 180°) замыкается тот или другой контакт фазочувствительного реле 1РФЧ (рис. IX.10, б, в). Реле 1РВЧ подготавливает ланцюг катушки реле 1РВ (рис. IX.10, б) для осуществления руху стола вправо или ланцюг катушки реле 1РН — влево.
Направление руху указывается лампами сигнализации. Электрической схемой предусмотрена возможность увімкнення електродвигателей стола і салазок лишь після того, как они будут отжаты. Зажим і отжим происходят при нажатии кнопки на пульті керування.
При помощи пристроя для предварительного набора координат отсчет перемещений при установці координат задается з точностью до 0,1 мм. Отработка производится в точку, лежащую в пределах 0,5 мм до заданной координаты. Точная же установка требует ручного переміщення з контролем по екранам.
При ручном управлении приводом переміщення стола і салазок оператор пользуется регулятором 1РСД (рис. IX.10, б). Для швидкого переміщення стола регулятор 1РСД ставят в крайнее положение, что приводит к уменьшению напряжения тахогенератора, а следовательно, і к увеличению скорости обертання електродвигуна Д1. В крайних положениях ход стола ограничивается конечными выключателями.

Схема фазочувсвительного блока і електронного усилителя верстата 2а450
Електрична схема координатно-расточного верстата 2А450. Дивитись у збільшеному масштабі

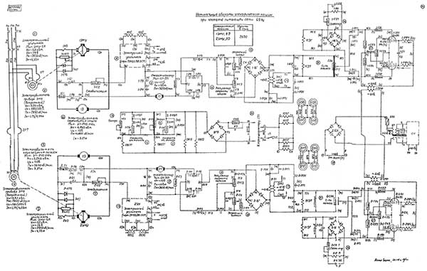
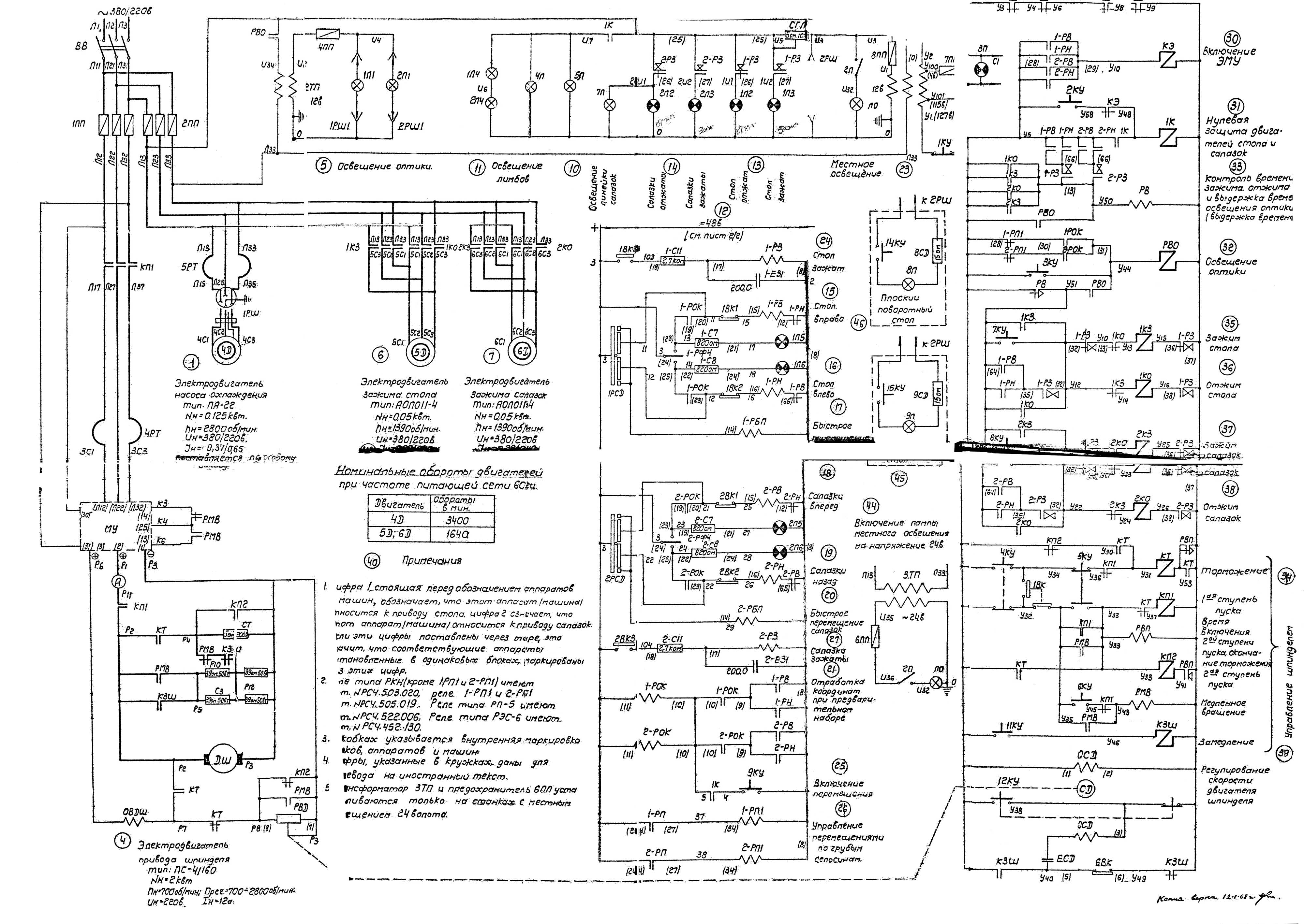
Схема електрична координатно-расточного верстата 2А450
Схема електрична координатно-расточного верстата 2А450. Дивитись у збільшеному масштабі

Схема електрична координатно-расточного верстата 2А450
Схема електрична координатно-расточного верстата 2А450. Дивитись у збільшеному масштабі

Схема електрична координатно-расточного верстата 2А450
Схема електрична координатно-расточного верстата 2А450. Дивитись у збільшеному масштабі

Схема електрична координатно-расточного верстата 2А450
Схема електрична координатно-расточного верстата 2А450. Дивитись у збільшеному масштабі

Схема електрична координатно-расточного верстата 2А450
Схема електрична координатно-расточного верстата 2А450. Дивитись у збільшеному масштабі

Схема електрична координатно-расточного верстата 2А450
Схема електрична координатно-расточного верстата 2А450. Дивитись у збільшеному масштабі
| Наименование параметра | 2А450 | 2450 |
|---|---|---|
| Основні параметри верстата | ||
| Рабочая поверхность стола, мм | 1100 х 630 | 1100 х 630 |
| Наибольшая масса обрабатываемого вироби, кг | 600 | |
| Наибольший диаметр сверления в стали 45, мм | 30 | 40 |
| Наибольший диаметр расточки в стали 45, мм | 250 | 250 |
| Наименьшее і наибольшее расстояние от торца шпинделя до стола, мм | 250...750 | 250...750 |
| Наибольшее перемещение стола, мм | 1000 х 630 | 1000 х 630 |
| Точность установки стола по координатам, мм | ±0,01 | |
| Наибольшее вертикальное (ход) перемещение шпинделя (ручное, механическое), мм | 250 | 250 |
| Наибольшее вертикальное перемещение шпиндельной коробки (установочное), мм | 250 | 250 |
| Расстояние от оси шпинделя до стойки (вылет шпинделя), мм | 710 | 700 |
| Внутрішній конус шпинделя | Спеціальний | |
| Найбільший конус інструменту, що закріплюється. | Морзе 4 | |
| Закріплення шпиндельної коробки на направляючих | ручне | |
| Запобігання перевантаженню механізму подач | є | |
| Число Т-подібних пазів на столі | 7 | |
| Розмір прискореного переміщення столу, мм/хв. | 1200 | |
| Межі робочих подач при фрезеруванні, мм/хв. | 30..200 | |
| Ціна поділу растрової сітки установки координат, мм | 0,002 | |
| Частота обертання шпинделя (б/с регулювання), об/хв | 50..2000 | 50..1900 |
| Межі робочих подач на один оборот шпинделя (б/с регулювання), мм | 0,03..0,16 | 0,04..0,16 |
| Швидкість швидких переміщень столу в поздовжньому та поперечному напрямках, мм/хв. | 1000 | |
| Привід | ||
| Кількість електродвигунів на верстаті | 6 | |
| Електродвигун приводу головного руху, кВт | 4,5 (1800) | 2 |
| Привід переміщення столу, кВт | 0,245 (3600) | 0,4 |
| Привід переміщення санок (3600), кВт | 0,245 | |
| Привід затискача віджиму столу, кВт | 0,05 (1390) | |
| Привід затискання віджиму санчат, кВт | 0,05 (1390) | |
| Електронасос охолоджувальної рідини | ПА-22 | |
| Стендовий калібр | ||
| Габарити верстата, включаючи хід столу та санок, мм | 2670 х 3305 х 2660 | |
| Маса верстата, кг | 7300 |
Загальновідомо, що людина може завжди дивитися на три речі: як горить вогонь, як тече вода і як працює інша людина.