Виробник координатно-розточувальних верстатів 2Е450АФ1 Московський завод координатно-розточувальних верстатів «МЗКРЗ» .
Московський завод координатно-розточувальних верстатів, одне з найстаріших підприємств верстатоінструментальної галузі, був заснований у 1942 році, як перший у вітчизняній промисловості завод з виробництва прецизійних внутрішньошліфувальних, координатно-розточувальних та спеціальних верстатів.
Серійне виробництво координатно-розточувального верстата 2Е450АФ1 почалося 1980 року. Модель 2Е450АФ1 прийшла на зміну верстату 2Д450 .
Координатно-розточувальний верстат 2Е450АФ1 (2Е450АФ1-1) призначений для обробки отворів з точним розташуванням осей, розміри між якими задані в прямокутній системі координат чистового та напівчистового фрезерування площин, розташованих уздовж осей X і У торцевими та кінцевими фрезами.
Поворотні столи, що поставляються зі верстатом, дозволяють проводити обробку отворів, заданих в полярній системі координат, а також взаємно перпендикулярних і розташованих під різними кутами отворів і площин.
На верстаті 2Е450АФ1 (2Е450АФ1-1) також можуть виконуватися: нарізання різьблення, розмітка та перевірка лінійних розмірів на деталях, зокрема міжцентрових відстаней.
На верстаті можна виконувати свердління, легке (чистове) фрезерування, розмітку та перевірку лінійних розмірів. Верстат забезпечений поворотними столами, що дає можливість проводити обробку отворів, заданих у полярній системі координат, похилих та взаємно перпендикулярних отворів та проточку торцевих площин.
Верстат 2Е450АФ1 (2Е450АФ1-1) використовується для робіт в інструментальних цехах (обробка кондукторів та пристроїв) та у виробничих цехах для точної обробки деталей без спеціального оснащення.
Верстат обладнаний оптичними екранними відліковими пристроями, що дозволяють відраховувати цілу та дрібну частинини координатного розміру. В умовах нормальної експлуатації верстат забезпечує точність встановлення міжцентрових відстаней у прямокутній системі координат – 0,004 мм та у полярній системі – 5 кутових секунд. Точність відстаней між осями отворів, оброблених у нормальних для координатного розточування умовах, 0,006 мм.
Встановлення осі отвору на виробі щодо осі шпинделя на необхідну координату здійснюється рухом столу або санок, переміщення яких контролюється спеціальним оптичним пристроєм. Останнє базується на точних лінійках, що закріплюються в одному випадку на столі (рухлива лінійка), в іншому – на станині (нерухома лінійка). Лінійка столу має 1000 високоточних поділів через 1 мм, лінійка станини - 630 поділів. Штрихи поділів проектуються на матовий екран із 75-кратним збільшенням. Для оцінки сотих часток одного інтервалу лінійки на поверхні екрана є шкала зі 100 поділами. Для отримання великої точності відліку на екрані є додаткова шкала, що дозволяє робити відлік до 0,001 мм.
Обертання шпинделя здійснюється від регульованого електроприводу змінного струму через триступінчасту коробку швидкостей. Подачі шпинделя здійснюються безступінчасто за допомогою фрикційного варіатора. Є механізм автоматичного вимкнення подачі шпинделя на заданій глибині.
У верстаті 2Е450АФ1 передбачені ручний затискач столу, санчат і шпиндельної бабки.
Верстат забезпечений пристроєм попереднього набору координат . Фрезерування можна проводити як при ручному керуванні верстатом, так і з використанням попереднього пристрою набору координат.
Коригований рівень звукової потужності LpA не повинен перевищувати 93 дБа.
Клас точності верстата А за ГОСТ 8-71.
Верстат відповідає найвищій категорії якості.
Проектна організація - Московський завод координатно-розточувальних верстатів.
Рік прийняття верстата до серійного виробництва - 1980.

Робочі приєднувальні бази розточувального верстата 2е450аф1

Фото координатно-розточувального верстата 2е450аф1

Фото координатно-розточувального верстата 2е450аф1

Розташування основних вузлів верстата 2е450аф1

Розташування органів керування координатно-розточувальним верстатом 2е450аф1

Пульт керування координатно-розточувальним верстатом 2е450аф1

Список графических символів, применяемых на станке 2е450аф1
Основанием верстата служит литая станина I (рис.2), опирающаяся на фундамент одной нерегулируемой опорой, расположенной под задньої частью станины, і двумя регулируемыми опорами, находящимися под передньої частью станины.
По двум плоским і одной средней призматической направляющим станины на роликах, заключенных в сепараторах, перемещаются салазки 2.
Стол 3 перемещается по плоской і призматической направляющим салазок также на роликах.
Стол і салазки перемещаются при помощи шариковых винтов, которые приводятся во вращение от електродвигателей постоянного тока.
На передньої стенке салазок смонтированы екраны продольного і поперечного ходов і пульт керування. Оптические пристроя расположены внутри салазок, а стеклянные масштабные линейки закреплены одна на станине, а другая на столе.
На станине установлена вертикальная стойка 7 з укрепленным на ней блоком 4 направляючих. По двум вертикальным призматическим направляющим блока перемещается шпиндельна коробка II.
На блоке направляючих сверху закреплены двухступенчатая коробка швидкостей 6 і редуктор 5 подачі гильзы і шпиндельной коробки. Коробка швидкостей і редуктор соединены со шпиндельной коробкой шлицевыми валами.
Електродвигун приводу шпинделя расположен на стойке сзади і соединен з коробкой швидкостей клиноременной передачей.
Електродвигун приводу подачі гильзы і переміщення шпиндельной коробки расположен рядом з коробкой швидкостей і соединен з редуктором клиноременной передачей.
Внутри блока, 4 направляючих расположены два пневмоцилиндра зажиму шпиндельной коробки.
В шпиндельной коробке II перемещается шпиндель 10. Перемещение шпинделя може производиться при помощи рукояток швидкого переміщення или маховиком тонкой подачі вручную или механически. В шпиндельной коробке имеется пристрій для отключения подачі на заданной глубине.
Установка отключения на заданной глубине производится при помощи лимба 10 (см. рис.3). Для более точной установки служит пристрій, показанное на рис.20.
Индикатор 8 (рис.20) закрепляется на гильзе. На шпиндельной коробке винтом 7 закрепляется стержень 9 з откидной лапкой 10.
Между мерительным штифтом индикатора і плоскостью лапки устанавливается набор кінцівых мер, соответствующий заданному размеру.
При фрезеровании плоскостей і подрезке торцев, гильза шпинделя должна быть закреплена. Для етой цели служит хомут, стягиваемый винтом і расположенный в месте выхода гильзы из корпуса шпиндельной коробки.
Внимание! Не забывайте освободить гильзу шпинделя по окончании фрезерных работ.
Уравновешивание шпиндельной коробки і гильзы осуществляется двумя грузами, расположенными в стойке верстата.
Содержание
Верстат имеет наступні електроприводы:
Все ети двигатели питаются от тиристорных преобразователей, их скорость регулируется в широком диапазоне.
Двигатели переміщення стола і салазок питаются от преобразователей ТНП1Н-11 фирмы "Арепа" (ПНР)
Двигатель планшайби плоского поворотного стола (ЭП110/245, 3600 об/мин, 110 В), комплектующего верстат, питается от преобразователя БУ3509-11-1У4.
Універсальный поворотный стол і насос охлаждения снабжены приводами з асинхронными двигунами.
Зажимы стола, салазок і шпиндельной коробки имеют електропневматическое керування - клапаны П-ЭПК, 24В, 10Вт. постоянного тока.
К двигателю П-51 пристроен тахогенератор СП-221.
Верстат имеет наступні сервоприводы:
Верстат снабжен пристрійм предварительного набора координат стола і салазок (ПНК) "Размер 2М-1104"
В качестве датчиков положения используются бесконтактные сельсины БС-155А.
Точное позиционирование обеспечивается фотоелектрическим пристрійм, связанным з отсчетной оптической системой верстата.
Питание верстата осуществляется от трехфазной сети переменного тока 380В,50Гц.
Асинхронные електродвигатели і тиристорные преобразователи питаются сетевым напряжением
Пристрій ПНК питается стабилизированным напряжением 220В
Ланцюги керування - переменным напряжением 110В і выпрямленным 48В.
Электромагнитные муфты і пневмоклапаны - выпрямленным напряжением 24В
Сигнальные лампы - переменным напряжением 22В і 110В.
Выходные реле пристроя ПНК питаются выпрямленным напряжением 24В
Местное освещение верстата і електрошафи - 24В
Местное освещение електрошафи отключается независимо от вводного автоматичного выключателя і може работать при отсутствии напряжения во всех остальных цепях.
Регуляторы скорости переміщення стола і салазок должны быть установлены в нейтральное положение.
Пробный пуск следует произвести в режиме "Ручное керування".
В начале проверки автоматические выключатели, защищающие ланцюги керування следует поставить в положение "Выключено».
Все регуляторы скорости перед началом проверки следует установить в нейтральное положение (стол і салазки) или в положение минимальной скорости (шпиндель, гильза), Особое внимание следует обратить на правильность подключения двигателей стола і салазок, снимаемых при транспортировке верстата.
На приводах ЭТУ-3601 і ЭТ3 должна быть соблюдена правильность фазировки. Фазировка считается правильной когда ярко горит индикаторная лампа в приводе ЭТЗ. В случае тусклого горения етой лампы, необходимо переключить две фазы на вводном клеммнике електрошафи.
Принципиальная схема електроустаткування верстата для облегчения пользования разбита по функциональному признаку следующим образом:
Индексация елементів выполнена по следующим правилам:
Обозначение елементів схеми і номера точок, относящиеся к приводу стола, начинаются з индекса "X" относящиеся к приводу салазок - з индекса "Y". Индекс "XY" имеют точки, относящиеся к обоим приводам.
Наряду з общей маркировкой на принципиальных схемах в скобках указана внутренняя маркировка фотоусилителей і входных ланцюгів покупных изделий (преобразователи приводов, пристрій ПНК).
Для пояснения роботи схеми, в некоторых случаях пунктиром изображены входные ланцюги преобразователей.
В окремих случаях в описании (раздел "Блокировки... і др") для облегчения нахождения цепочек в схемах к их нумерации добавляется индекс схеми.
Полные принципиальные схеми і схеми з'єднань покупных изделий (тиристорных приводов, ПНК) прилагаются к виробим заводами - изготовителями.
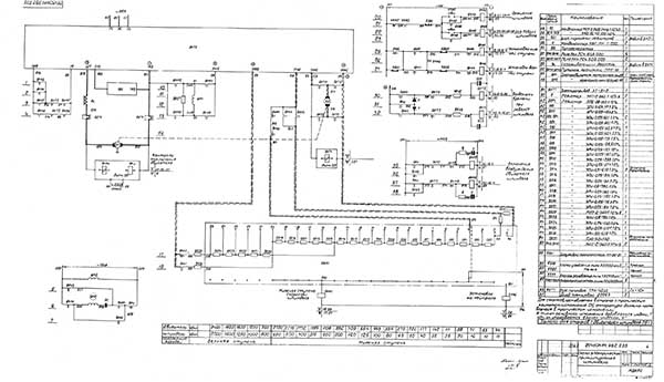
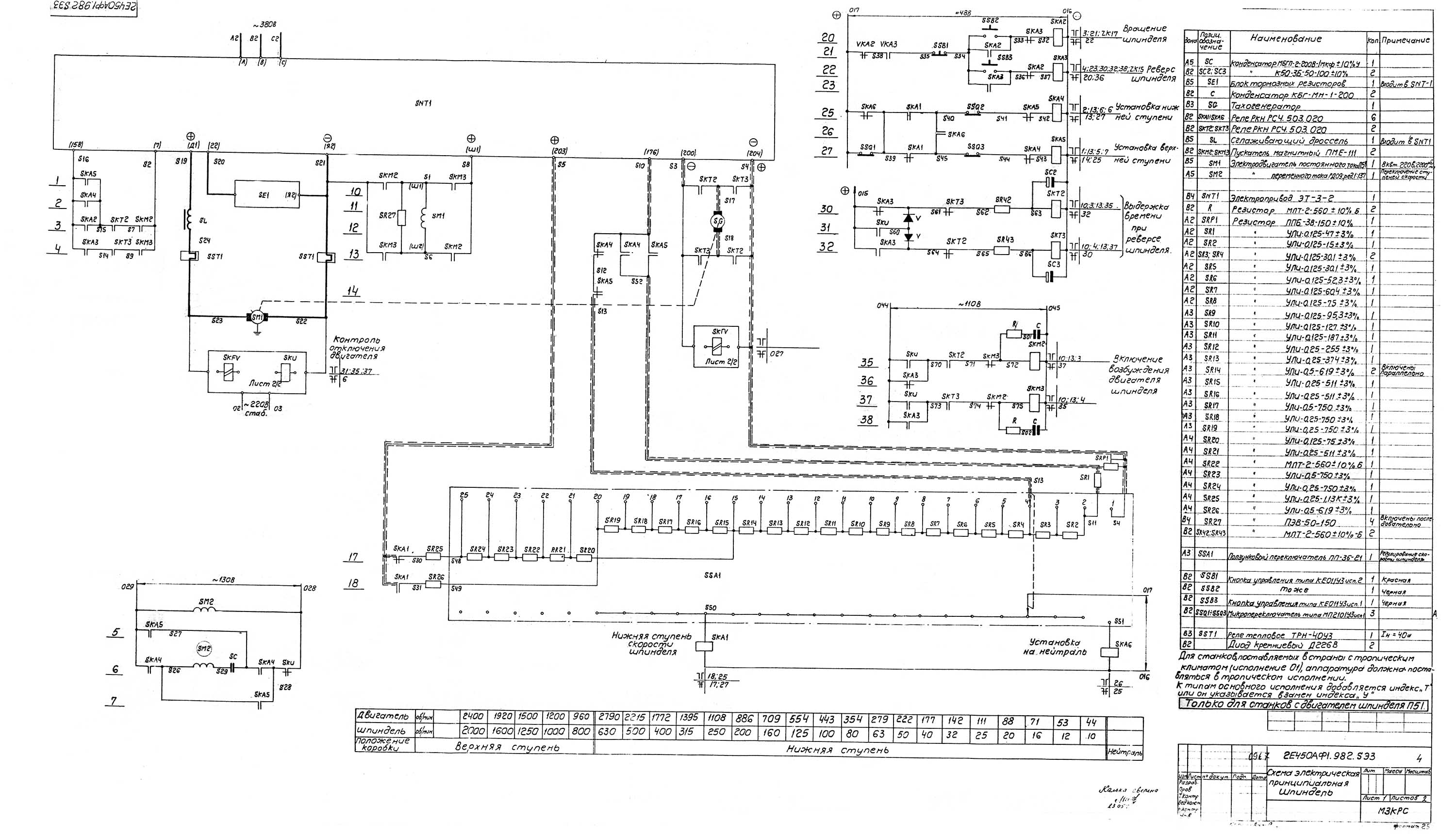
Електродвигун приводу шпинделя SM1 питается от тиристорного преобразователя SNT.
Регулювання скорости обертання осуществляется ступенчато з помощью переключателя SSA, подключающего на вход преобразователя напряжение, снимаемое з задающих резисторов SR1...SR24.
Кроме того, переключателем SSA осуществляется выбор верхней или нижней ступени скорости шпинделя і установка коробки швидкостей на нейтраль.
Увімкнення обертання шпинделя осуществляется кнопкой SSВ2; при етом включается по ланцюги 22 і становится на самопитание реле SKA2, которое своим контактом в ланцюги 3 включает вращение двигуна шпинделя SM1 со скоростью, соответствующей положению регулятора SSA.
Увімкнення реверса шпинделя кнопкой SSВ3 без предварительного нажатия кнопки SSВ1 "Стоп" і торможения двигуна шпинделя SM1 недопустимо. Поетому сначала нажатием кнопки SSВ1 отключается реле SKA2, двигатель SM1 останавливается, реле SKU теряет питание. При нажатии кнопки SSВ3 по ланцюги 20 включается і становится на самопитание реле SKA3.
При етом:
Останов обертання осуществляется Кнопкой SSB1.
В зоне верхней ступени (скорости 800...2000 об/мин) реле SКА1 включено, в зоне нижней ступени - выключено.
Для установки коробки на нейтраль переключатель SSA следует повернуть в крайнее положение против часовий стрелки і включить вращение шпинделя. При етом включается реле SKA6, SKA5 (SKA4) і двигатель переключения швидкостей SM2.
Когда шестерни в коробке швидкостей будут расцеплены, нажмется путевой выключатель SS01 і отключит реле і двигатель SM2. После етого следует нажать кнопку "Cтoп" SSB1.
При установці переключателя SSA в зону "Нижня ступень скорости" (10...630 об/мин) реле SKА6 отключится, реле SKA1 отключено. Если было включено вращение шпинделя, то по ланцюги 25 получит питание реле SKA4. Контакты реле SKA4 в ланцюги 13 переключат задающий сигнал приводу на минимальную скорость. Двигатель шпинделя SM1 тормозится, напряжение на якоре снижается, отключается реле SKU, і по ланцюги 6 включается двигатель переключения швидкостей SМ2. Происходит переключение скорости, нажимается микро -переключатель SSQ2; отключается реле SKA4 і двигатель SM2. По ланцюги 13 на вход приводу подключается ползушка регулятора SSA, задающий сигнал увеличивается і двигатель SM1 набирает скорость, соответствующую положению регулятора SSA.
При установці регулятора SSA в зону верхней ступени скорости, реле SKA1 включается і своим контактом в ланцюги 27 включает реле SKA5, которое в цепях 13, 14 отключит ползушку регулятора SSA. Задающий сигнал снижается, двигатель шпинделя SМ1 тормозится, снижается напряжение на якоре, отключается реле SKUI включается двигатель переключения швидкостей SМ2. Происходит переключение скорости. В кінці нажимается микропереключатель SSQ3. По ланцюги 27 отключается реле SKA5, і двигатель SM2. На вход приводу подключается ползушка регулятора SSA , задающий сигнал увеличивается і двигатель SM1 набирает скорость, соответствующую положению регулятора SSA. Если изменение положения регулятора SSA, связанное з переключением коробки произведено при выключенном вращении шпинделя, то переключение ступени скорости произойдет при включении его обертання одновременно з реле SKA2 получит питание SKA4 (или SKA5 - в зависимости от направления переключения).
После окончания переключения і отключения реле SKA4 (SKA5) начнется вращение з установленной скоростью.
В приводах стола і салазок применены высокомоментные двигатели і преобразователи, обеспечивающие диапазон регулювання скорости 1 : 10000
Двигатели имеют встроенные тормозные муфты включающиеся при исчезновении питающего напряжения
Предусмотрены наступні режими роботи:
Выбор режима осуществляется переключателем SA1 "Выбор режима".
В режиме 1 возможны переміщення з нормальной или пониженной скоростью в зависимости от положения переключателя SA3.
В первом случае регулювання скорости осуществляется в диапазоне 2...7000 мм/мин.
Во втором случае все скорости снижаются нa 20%.
В общей сложности имеется 32 ступени скорости.
Выбор направления переміщення і величины скорости в режиме 1 осуществляется для стола регулятором XSA (ланцюг 64) для салазок - регулятором YSА (ланцюг 74).
Точное позиционирование производится з помощью таходатчика XYG (ланцюг 84).
Пользование переключателем SА3 во время руху стола или салазок не рекомендуется.
В режимах 2 і З выбор направления руху і ступенчатое снижение скорости производится пристрійм ПНК.
В режиме 4 выбор направления производится пристрійм ПНК, а скорость подачі задается регулятором скорости XSA или YSA.
В кінці переміщення скорость ступенчато снижается
Для предотобертання "дрейфа" двигуна (медленного обертання при отсутствии задающего сигнала) входная ланцюг преобразователя при зажиме стола разрывается контактом реле ХКА0 (ланцюг 140). При приближении стола (салазок) к одному из крайних положений на ускоренном ходу срабатывают микропереключатели XSQ2/ YSQ2) или XSQ3 (YSQ3) уменьшающие величину задающего сигнала і рух продолжается на сниженной скорости (ланцюг 89). В крайних положениях стола (салазок) срабатывают микропереключатели XSQ4 (YSQ4) или XSQ5 (YSQ5), включенные непосредственно на вход npeобразователей (см.лист 5/5). Для отключения в крайних положениях переміщення каретки стола (салазок) служат микропереключатели XSQ1 (YSQ1) uлu XSQ8 (YSQ8) - при их нажатии двигатель XM2 (YM2) теряет питание.
Переключатель SA1 устанавливается в положение - „Ручное керування" при етом включается реле КМ6;
Керування переміщеннями стола производится -регулятором XSA, задающим направление переміщення включением реле ХКА5 или XKA6) і скорости ( подключение на вход преобразователя резисторов R6... R20.
Поворотом регулятора XSA из нейтрального положения включается по ланцюги 63 реле ХКА5, включающее по ланцюги 20 пускатель отжима стопа ХКМ который включает по ланцюги 40 золотник отжима стола ХYА.
После окончания отжима срабатывает микропереключатель контроля отжима XSQ6, который своими контактами:
При етом включается задающий сигнал на вход приводу і начинается перемещение стола со cкopocmью, определяемой положением регулятора XSA.
Если включен переключатель SA3 то на вход приводу подается напряжение уменьшенное на 20% (ланцюг 5) і скорость соответственно снижена.
При возвращении регулятора XSA в нейтральное положение:
Для точной установки стола вручную регулятор XSA устанавливается в положение, ближайшее к нейтральному (справа или cлeвa). При етом включается реле ХКА8 і подключает таходатчик XYG на вход приводу стола (ланцюг 84), Одновременно по ланцюги 22 включается пускатель отжима ХКМ і стол отжимается.
При вращении таходатчика генерируется напряжение, поступающее на вход привода.
Величина переміщення стола пропорциональна углу поворота, а направление (полярность сигнала) определяется направлением обертання таходатчика.
После окончания точного позиционирования регулятор ХSА ставится в нейтральное положение і стол зажимается.
Для установки салазок аналогичные операции производятся з помощью регулятора YSA При работе таходатчиком возможен "дрейф" стола і салазок.
Питание пристроя ПНК включается автоматом AQF7, установленным на боковой стенке шкафа.
Переключатель режимов SA1 устанавливается в положение "Грубое позиционирование" На пульті ПНК набирается требуемая координата з точностью до 0,01 мм.
Перемещение стола (салазок) включается кнопкой XSВ (YSВ) в цепях 35 і PI8 (Р20), при етом:
Скорость переміщення определяется величиной заданной координаты. По мере приближения к точке останова пристрійм ПНК поочередно включаются реле XKA18, ХКА19, XKA20 і XKA21 і срабатывают их контакты в ланцюги 87. Скорость двигуна стола ступенчато снижается.
В точке останова реле XКА15 (XKA16) u XKA21 отключаются, отключается реле ХКА5 (ХКА6), При етом пропадает задающий сигнал на преобразователе і двигатель ХМ1 тормозится.
Отключается пускатель отжима ХКМ, происходит останов і зажим стола (аналогично описанному в режиме ручного керування.
Переключатель режимов SA1 устанавливается в положение "Точное позиционирование". При етом получает питание реле КМ4 і фотоусилители (ланцюг 07).
Своим контактом в ланцюги 79 оно подготавливает увімкнення реле контроля окончания позиционирования КАЗ.
При наборе на контравepce пристроя ПНК дробной частини размера (Xт) включается реле направления XKA15 (ХКА16). При етом включается по ланцюги 123 пускатель КА8 і пускатель ХКА11.
На вход преобразователя XYNT подается задающий сигнал, подключается резистор максимальной скорости ходу каретки (RP6) Происходит перемещение каретки стола, причем скорость ступенчато снижается при післядовательном включении реле XKA18 ..XKA21. При етот задающий сигнал післядовательно снимается (по ланцюги 104)с резисторов RP7...RP9. Когда каретка стола закончит перемещение, реле XKA15 (XKA16) отключается, отключается пускатель КA8, пропадает задающий сигнал на преобразователе ХУNТ, двигатель каретки стола XМ2 останавливается.
Установка целой частини размера происходит также, как і в режиме "Грубое позиционирование", но при етом включается по ланцюги 45 і становится на самопитание реле XKA1, которое своими контактами:
Рух стола продолжается на малой скорости. При получении одновременной команды от двух рисок фотодатчика (увімкнення реле МКА1Х і МКАЗХ) по ланцюги 50 включится і станет на самопитание реле ХКА3, которое размыканием своего контакта в ланцюги 60 подготавливает окончание переміщення. Затем, в точке точного останова реле МКА1Х отключается. При етом: - теряет питание по ланцюги 61 реле ХКА5, рух стола прекращается. - отключается пускатель ХКМ, происходит зажим стола, отключается КМ1 по ланцюги 37 -теряет питание по ланцюги 79 реле КA3, отключая своим контактом в ланцюги 50 реле ХКАЗ. После зажиму стола положение его вновь контролируется: если изображение вспомогательной риски находится в зоне дії фоторезистора MR42X то реле МКА2Х останется включенным, подтверждая, правильность установки координаты. По ланцюги 46 рвется ланцюг саможивлення реле ХКА1. При етом: - по ланцюги 045 гаснет сигнальная лампа АНL1 "Ошибка позиционирования" - по ланцюги 029 отключается подсветка оптики стола.
Если при зажиме стол сместился і вспомогательная риска линейки вышла за пределы зоны контролируемой фоторезистором MR42Х, реле МКА2Х отключится і реле ХКА1 останется включенным по ланцюги 46. При етом сигнальная лампа АНL1 не погаснет, указывая на ошибку позиционирования
Фрезерование може производиться как в режиме ручного керування, так і з использованием пристроя ПНК.
В первом случае схема работает аналогично описанному в режиме "Ручное керування".
При фрезеровании з использованием ПНК переключатель режимов SА1 устанавливается в положение "Фрезерование".
При етом получает питание реле КМ5. Набор координаты і увімкнення переміщення осуществляется также, как в режиме "Грубое позиционирование". Но при етом задатчиком скорости является регулятор ХSА, задающий сигнал з которого подается на вход преобразователя по ланцюги 85. Направление переміщення определяется пристрійм ПНК т.к. реле ХКА5 (ХКАб) отключено от регулятора ХSА. В кінці переміщення, при включении реле ХКА20 і ХКА19 задающий сигнал снижается за счет увімкнення післядовательно c задатчиком резисторов R26 і R25 (по ланцюги 89) в точке останова отключается реле XKA15 (XKA16) стол останавливается і зажимается. Реле ХКА21 останется включенным на самопитании (по ланцюги 8Р) до отключения пускателя КМ1. Это необходимо для предотобертання броска скорости в момент отключения реле ХКА21. В режиме "Фрезерование" возможен только двухсторонний подход к координате, что обеспечивается раз-мыкающим контактом реле КМ5 в ланцюги P25. Керування переміщеннями салазок полностью аналогично управлению переміщеннями стола. Поскольку точность при фрезеровании ниже чем при позиционировании, допустима ошибка в пределах 0,005 мм, индикатируемая на екране ПНК. При скорости фрезерування свыше 500 мм/МИН. Возможен перебег точки останова.
фотоелектрический микроскоп предназначен для фиксации положения проекции рисок измерительной линейки і выдачи команд, обеспечивающих точный останов стола і салазок. Поскольку схеми получения точного останова стола і салазок одинаковы. Ниже рассматривается одна из них. Фотоелектрический микроскоп состоит из следующих основних вузлів:

Сигналы на выходе фотоусилителя координатно-расточного верстата 2Е450АФ1

Положение проекции рисок координатно-расточного верстата 2Е450АФ1
Положение проекции рисок координатно-расточного верстата 2Е450АФ11. Скачать в увеличенном масштабе

Зоны увімкнення выходных реле координатно-расточного верстата 2Е450АФ1
Фоторезистор реагирует на изменение освещенности, возникающее при прохождении через него проекции риски.
Амплитуда сигнала, снимаемого з фоторезистора, зависит от качества проекции риски.
Так как плотность і толщина рисок не одинаковы, величина етого сигнала може изменяться в широких пределах.
Фоторезисторы MR41X, MR42X расположены на якоре вибратора таким образом, что расстояние между их осями составляет ~75 мкм в масштабе верстата (т.к. увеличение оптической системы верстата равно 75, фактическое расстояние между ними составляет 0,075 мм х 75 = 5,6 мм. Фоторезисторы приводятся в колебательное рух з частотой 50 Гц вибратором МИ1, катушки которого включены через вентили ВП1, ВП2 і обтекаются током поочередно, колебательное рух фотодатчиков позволяет в момент попадания изображения риски в их полe зрения получить сигнал, не зависящий от скорости переміщення риски. Эта скорость може быть равна нулю. Для регулювання амплитуды колебаний модулятора служит резистор R1-M, расположенный в фотоусилителе.
Фотоусилитель предназначен для усиления сигналов, поступающих от фоторезисторов і выявления их фазы, т.е определения положения риски относительно оси фоторезистора. Он расположен в непосредственной близости к фотодатчику.
Выходные реле і сигнальные лампы расположены в блоках електрошафи.
Схема работает следующим образом: після того как установка стола (салазок) по сельсинам закончена (в точке ~0,05 мм до заданной координаты) керування движением производится фотоелектрическим микроскопом.
При етом:
При отсутствии изображения риски в поле зрения фоторезистора на выходе фотоусилителя наблюдается синусоидальный сигнал з частотой 100 Гц, вызываемый пульсацией светового потока лампы подсветки оптики. При появлении риски в поле зрения фоторезистора в сигнале появляется составляющая з частотой 50 Гц . При перемещении риски амплитуда етой составляющей сперва растет, достигает максимума, а затем резко спадает до нуля в тот момент, когда риска располагается симметрично относительно оси колебаний фоторезистора.

Выходной сигнал фотоусилителя координатно-расточного верстата 2Е450АФ1
После прохождения риской оси сигнал меняет фазу, резко возрастает, а затем постепенно уменьшается. На рис.1 показана кривая напряжения на выходе фотoдатчика в функции пути риски
Проверка роботи фотoдатчиков производится в режиме "Точное позиционирование", при включенных лампах подсветки оптики і отжатом столе.
Проверка производится методом медленного переміщення стола вручную з помощью таходатчика точной установи XYG.
Напряжение на фоторезисторах регулируется переменными резисторами R2 і R3 і устанавливается равным 13 В
Резисторы 1-R15 і 2-R15 в фomoусилителе выставляются так, чтобы максимальное напряжение фазочувствительного моста было примерно одинаковым при нахождении проекции риски слева і справа от оси фоторезистора:
Порядок увімкнення сигнальных ламп при работе фотодатчика (смещении риски) следующий:
Для смещения фоторезистора при наладке необходимо освободить крепежные винты і регулировать его расположение гвинтами, расположенными з торца модулятора.
Перемещения гильзы і шпиндельной коробки осуществляются двигателем M1, выбор перемещаемого вузла (гильза или коробка) - муфтами ZYC1 і ZYC2. Скорость подачі гильзы выбирается регулятором SA10 в пределах 1,2...1000 мм/мин. Коробка перемещается з постоянной скоростью.
Увімкнення переміщення гильзы (вверх/ вниз) производится кнопкой ZSB2 (ZSB3) по ланцюги 13 (17), останов - кнопкой ZSB1- no ланцюги 12.
Цикл смены инструмента включается кнопкой ZSB4. При етом по ланцюги 22 включается і становится на самопитание реле VKA2 по ланцюги 16 включается реле KА10 і гильза идет вверх на максимальной скорости до срабатывания путевого выключателя ZSQ6 (ланцюг 22), отключающего пускатели VKA2 і KA10.
Инструмент разжат.
После смены инструмента, производимой вручную повторно нажимается кнопка ZSВ4. Включается і становится на самопитание по ланцюги 20 реле VKA1 по ланцюги 19, включается реле КА11 і гильза идет быстро вниз до срабатывания (отключения) путевого выключателя ZSQ2. При етом включается реле VКАЗ і отключает VKA1 (ланцюг 20).
Инструмент зажат.
Перемещение коробки вверх (вниз) включается кнопкой KSB1 (KSB2) . При етом включается по ланцюги 8 реле ККА, по ланцюги 27отключается муфта гильзы ZYC2, включается муфта коробки ZYC1 і електромагнит отжима коробки ZYA1 по ланцюги 25 Коробка отжимается і срабатывают микропереключатели KS01 і KS02 (ланцюги 9 і 12)
После етого по ланцюги 9 включается пускатель КА10 (KA11) і начинается перемещение коробки. Перемещение осуществляется до тех пор, пока нажата кнопка. Когда кнопка будет отпущена, коробка останавливается і зажимается т.к. теряет питание пускатель KKA. Во время руху гильзы увімкнення ходу коробки не допускается.
Верстат комплектуется плоским і универсальным съемными поворотными столами, производства Каунасского станкозавода, имеющими индуктивную отсчетную систему і електродвигатели поворота планшайби.
В електросхеме верстата имеются источники живлення для индуктивных датчиков і пускатели для керування асинхронным двигателем універсального поворотного стола.
Двигатель постоянного тока приводу плоского поворотного стола подключается к преобразователю, питающему двигатели кареток стопа і салазок. При включении вилки поворотного стола в разъем Х8 включается пускатель NKM1.
При етом на вход преобразователя XYNT подключаются задатчик скорости і тахогенератор имеющиеся на поворотном столе.
Опис роботи електроустаткування смотри в сопроводительной документации поворотных столов.
В схеме верстата имеются наступні блокировки:
а станке имеется сигналізація:
Лампы, сигнализирующие работу выходных реле фотоусилителей расположены в електрошкафу і включаются одновременно з лампой местного освещения шкафа. Они используются только при проверке роботи фотоусилителем.
Захист електросхеми осуществляется автоматическими выключателями і тепловыми реле контролирующими нагрузку електродвигателей. Электродвигатели стола і салазок имеют встроенную тепловую защиту, воздействующую непосредственно на преобразователь, питающий данный двигатель.
Внимание! При подключенном поворотном столе одновременное перемещение стола і салазок, а также увімкнення предварительного набора координат не допускается.
Внимание! В первый момент при отжиме стола і салазок возможны скачки до нескольких микрон.
Внимание! При частых пусках і остановах шпинделя (более З..4 включений подряд) возможен перегрев тормозных резисторов.
Увімкнення переміщення стола і салазок при использовании ПНК должно производится після набора требуемых координат на контраверзах пульта.
Усунення нарушений в работе тиристорных приводов і пристроя ПНК производится согласно прилагаемым к ним руководствам.
В схеме верстата наибольшую сложность представляет обнаружение і усунення неисправностей фотоелектрического отсчетного пристроя.
Причиной отказа в его работе може быть недостаточная освещенность фоторезисторов, их загрязнение или выход из строя
Для проверки роботи фoторезисторов і фотоусилителя следует пользоваться сигнальными лампами, расположенными в шкафу і осциллографом.
Когда изображение риски находится в зоне, сканируемой фотодатчиком, частота возникающего на нем сигнала - 50 Гц. Двойная амплитуда сигнала на фоторезисторе должна быть не менее 300 мВ, на емиттере транзистора 1-T1 (2-Т1) - 80..100 мВ, на емиттере, транзистора 1-Т3 (2-Т3) - 6..7В.
В момент совпадения оси риски з осью колебаний фоторезистора составляющая напряжения з частотой 50 Гц. исчезает. На фоторезисторе при етом появляется, напряжение з частотой 100 Гц двойной амплитудой 150..200 мВ. При отсутствии изображения риски напряжение на фomopeзисторе 30..60 тВ при частоте 100 Гц,.
Для облегчения проверки схеми фотоусилитепя ниже приведенных значения напряжений в контрольных точках схеми.
Выставление плавающих нулей кареток производится при наладке верстата на заводе-изготовителе і в дальнейшем не должно изменяться. В случае, если по какой -либо причине плавающий нуль кapeтoк был смещен, то каретка фотодатчика и, следовательно, дробная часть размера будут устанавливаться з ошибкой. Выставление плавающих нулей производится після запуска верстата на ручном управлении і проверки роботи верстата в режиме цифровой индикации і ПНК з ценой деления 0,01 мм.
Далее необходимо произвести наступні операции:
Если по какой либо причине датчик положения стола (салазок) был расцеплен з ходовым винтом і стол смещен, требуется согласовать положения стола і датчика.
Порядок операции при етом следующий

Електрична схема координатно-расточного верстата 2Е450АФ1
Електрична схема координатно-расточного верстата 2Е450АФ11. Скачать в увеличенном масштабе

Електрична схема координатно-расточного верстата 2Е450АФ1
Електрична схема координатно-расточного верстата 2Е450АФ11. Скачать в увеличенном масштабе

Електрична схема координатно-расточного верстата 2Е450АФ1
Електрична схема координатно-расточного верстата 2Е450АФ11. Скачать в увеличенном масштабе

Монтажная схема координатно-расточного верстата 2Е450АФ1
Монтажная схема координатно-расточного верстата 2Е450АФ11. Скачать в увеличенном масштабе

Монтажная схема координатно-расточного верстата 2Е450АФ1
Монтажная схема координатно-расточного верстата 2Е450АФ11. Скачать в увеличенном масштабе
| Наименование параметра | 2Е450А | 2Е450АФ1 |
|---|---|---|
| Основні параметри верстата | ||
| Наибольший диаметр сверления в стали 45, мм | 30 | 30 |
| Наибольший диаметр расточки в стали 45, мм | 10..250 | 10..250 |
| Наименьшее і наибольшее расстояние от торца шпинделя до стола, мм | 200..770 | 200..770 |
| Расстояние от оси шпинделя до стойки (вылет шпинделя), мм | 710 | 710 |
| Рабочий стол і салазки | ||
| Рабочая поверхность стола, мм | 1120 х 630 | 1120 х 630 |
| Наибольшая масса обрабатываемого вироби, кг | 600 | 600 |
| Наибольшее перемещение стола, мм | 1000 х 630 | 1000 х 630 |
| Скорость переміщення стола і салазок, мм/мин | 1,6..7000 | 1,6..7000 |
| Число швидкостей переміщення стола і салазок | 32 | 32 |
| Число Т- образных пазов на столе | 7 | 7 |
| Выключающие упоры стола і салазок | имеются | имеются |
| Шпиндель. Шпиндельная коробка | ||
| Частота обертання шпинделя (б/с регулювання), об/мин | 10..2000 | 10..2000 |
| Число швидкостей шпинделя, об/мин | 24 | 24 |
| Диаметр передньої опори шпинделя, мм | 80 | 80 |
| Наибольшее вертикальное (ход) перемещение гильзы шпинделя (ручное, механическое), мм | 260 | 260 |
| Наибольшее вертикальное перемещение шпиндельной коробки (установочное), мм | 310 | 310 |
| Пределы рабочих подач шпинделя, мм/мин | 1,2..1000 | 1,2..1000 |
| Число рабочих подач шпинделя | 30 | 30 |
| Внутренний конус шпинделя | 7:24 | 7:24 |
| Наибольший конус закрепляемого инструмента | Морзе 4 | Морзе 4 |
| Закрепление шпиндельной коробки на направляючих | Пневмо | Пневмо |
| Предохранение от перегрузки механізма подач | есть | есть |
| Скорость переміщення шпиндельной коробки, мм/мин | 3150 | 3150 |
| Показатели точності верстата | ||
| Способ отсчета координат і размеров по екрану | оптический | оптический |
| Ціна поділу растрової сітки установки координат, мм | 0,001 | 0,001 |
| Точність лінійних координатних переміщень столу та санок, мм | 0,006 | 0,006 |
| Точність міжосьових відстаней отворів зразка після чистової обробки, мм | 0,01 | 0,01 |
| Точність геометричної форми отвору: постійність діаметра в поперечному перерізі, мм | 0,004 | 0,004 |
| Точність геометричної форми отвору: у будь-якому перерізі, мм | 0,006 | 0,006 |
| Точність геометричної форми отвору: у будь-якому перерізі, мм | 0,006 | 0,006 |
| Шорсткість обробленої поверхні, мм | Ra 1,25 | Ra 1,25 |
| Точність механізму попереднього набору координат у режимі "Грубо", мм | - | 0,01 |
| Точність механізму попереднього набору координат у режимі "Точно", мм | - | 0,001 |
| Установка координат із застосуванням УЦІ в режимі "Грубо" з підходом з одного боку, мм | - | 0,08 |
| Установка координат із застосуванням УЦІ в режимі "Точно" з підходом з одного боку, мм | - | 0,008 |
| Привід | ||
| Кількість електродвигунів на верстаті | 6 | 6 |
| Електродвигун приводу головного руху, кВт | 7,2 | 7,2 |
| Електродвигун приводу переміщення гільзи шпинделя та шпиндельної коробки, кВт | 0,75 | 0,75 |
| Електродвигун приводу переміщення столу та санок, кВт | 1,0 | 1,0 |
| Електродвигун приводу каретки фотодатчика, кВт | 0,013 | 0,013 |
| Електродвигун мастила та механізму перемикання швидкостей, кВт | 0,01 | 0,01 |
| Електронасос охолоджувальної рідини | 0,125 | 0,125 |
| Стендовий калібр | ||
| Габарити верстата, включаючи хід столу та санок (довжина х ширина х висота), мм | 3600 х 3000 х 3000 | 3600 х 3000 х 3000 |
| Маса верстата, кг | 9200 | 9200 |