Виробник плоскошліфувального верстата 3701 Оршанський верстатобудівний завод «Червоний борець» , заснований у 1900 році.
У 1959 році на заводі почалося виробництво плоскошліфувальних верстатів високої та особливо високої точності.
Плоскошліфувальний верстат 3701 - перший в СРСР металорізальний верстат особливо високої точності (А за ГОСТ 8-71), був випущений у 1968 році. Верстат випускався за ТУ2-024-1027-68, затвердженим у 1968 році. В 1973 Верстат був замінений моделлю 3Е711.
Шліфувальний верстат 3701 із горизонтальним шпинделем призначений для шліфування плоских поверхонь високоточних деталей периферією кола.
Верстат 3701 може використовуватися в інструментальних та механічних цехах заводів.
Вироби, що шліфуються в залежності від матеріалу, форми і розмірів кріпляться на магнітній плиті або безпосередньо на робочій поверхні столу.
Поздовжнє переміщення столу здійснюється за допомогою гідроприводу з безступінчастиним регулюванням швидкості.
Поперечна подача столу - електромеханічна та ручна; вертикальна подача шліфувальної бабки - гідромеханічна та ручна.
На верстаті передбачено прискорене переміщення шліфувальної бабки та хрестового супорта.
При застосуванні різних пристосувань для редагування шліфувального кола і кріплення деталей на верстаті можна проводити шліфування фасонних поверхонь різного профілю.
Верстат забезпечений механізмом виправлення шліфувального кола з безступінчастиним регулюванням швидкості редагування.
Клас точності верстата А.
Шорсткість обробленої поверхні при шліфуванні периферією кола V11.

Креслення робочого простору верстата 3701

Фото плоскошліфувального верстата 3701
Фото плоскошліфувального верстата 3701. Дивитись у збільшеному масштабі

Фото плоскошліфувального верстата 3701
Фото плоскошліфувального верстата 3701. Дивитись у збільшеному масштабі

Фото плоскошліфувального верстата 3701
Фото плоскошліфувального верстата 3701. Дивитись у збільшеному масштабі

Пульт плоскошліфувального верстата 3701

Розташування органів керування шліфувальним верстатом 3701
Розташування органів керування плоскошліфувальним верстатом 3701. Дивитись у збільшеному масштабі

Розташування органів керування шліфувальним верстатом 3701
Розташування органів керування плоскошліфувальним верстатом 3701. Дивитись у збільшеному масштабі

Кінематична схема плоскошліфувального верстата 3701
Кінематична схема плоскошліфувального верстата 3701. Дивитись у збільшеному масштабі
Шпиндель шліфувального кола отримує обертання електродвигуна Ел. I змінного струму через ременную передачу.
Натяг ременя проводиться за рахунок опускання електродвигуна гвинтом 34 разом із плитою.
Прискорене переміщення шліфувальної головки здійснюється зі швидкістю 0,40 м/хв від електродвигуна Ел. II, через клинопасову передачу, шестерні 3-4 і черв'ячну передачу 5-6.
На гвинті 32 закріплено черв'ячне колесо 6 через яке гвинт отримує обертання.
Вертикальне ручне подання здійснюється від маховика, закріпленого на валу XIII. через шестірні 33-21 і черв'ячну пару 9-10. При цьому заслінка регулювання величини автоматичної вертикальної подачі рукояткою на валу XV повинна бути поставлена в таке положення при якому собачка буде виведена з зачеплення з храповим колесом 24.
За 1 оберт маховика шліфувальна головка переміститься на 0,25 мм.
Вертикальна точна ручна подача здійснюється кнопкою, яка сидить на залі XII, через шестірні 25-26. За один оберт кнопки шліфувальна головка переміститься на 0,05 мм. Вертикальна автоматична подача здійснюється від лопатевого гідроциліндра, через колесо хропіння 24, шестерні 23-22 і черв'ячну пару 9-10.
Величина подачі регулюється поворотом заслінки, внаслідок чого на певному вугіллі повороту собачка може ковзати по заслінці, не зачіпляючись з храповим колесом.
При цьому необхідно стежити, щоб кнопка з валом XII була встановлена в переднє положення, тобто шестерня 25 була виведена з зачеплення.
Гідросхема та електросхема забезпечують роботу гідроциліндра як у момент поперечного, так і в момент поздовжнього реверсу столу. Поперечна подача здійснюється від маховика, що сидить на валу VIII, через шестерні 16-15 і гвинт 27. За один оборот маховика хрестовий супорт переміщається на 2,5 мм. При ручній подачі маховик повинен бути з'єднаний з валом VIII за допомогою трьох фрикційних пальців і центрального ггвинта.
Поперечна тонка подача здійснюється від маховичка, що сидить на одній осі з шестернею 19, що зачіпається з колесом 20. При цьому маховичок повинен бути в положенні "Від себе".
За один оберт рукоятки хрестовий супорт переміститься 0,5 мм.
Поперечна автоматична подача здійснюється від електродвигуна Ел. III, який з'єднаний жорсткою муфтою з валом X.
Обертання від електродвигуна передається через шестерні 18-17-16-15 гвинту 27.
При цьому електромагнітна муфта знаходиться у відключеному стані.
Маховик ручної подачі повинен бути від'єднаний від валу та вільно обертатися на валу VIII.
На момент реверсу столу електродвигун Ел. ІІІ отримує короткочасний імпульс струму, внаслідок чого відбувається подача. Величина подачі регулюється зміною часу імпульсу у вигляді перемикача, встановленого на пульті керування.
Крім того, електросхема забезпечує безперервну подачу електричного струму в ланцюг електродвигуна Ел. IV. Швидкість безперервного переміщення хрестового супорта 1,7 м/хв.
Механічна правка здійснюється від електродвигуна Ел. IV через ременную передачу, черв'ячну пару 11-12 і шестерні 18-7-16-15. За допомогою електродвигуна швидкість редагування можна змінити в діапазоні 1:10, внаслідок чого отримуємо швидкість переміщення супорта від 2 до 0,02 мм на оборот шліфувального круга.
Ручне переміщення столу здійснюється через шестерні 29 і рейку 30, яка закріплена на столі, при цьому спочатку необхідно до маховика докласти осьове зусилля для введення шестерні 29 зачеплення.
Компанівка верстата 3701 забезпечує високу жорсткість, технологічність конструкції та складання верстата.
Верстат складається з основних вузлів, що позначені на загальному вигляді (рис. 5 і 6), специфікація яких наведена на стор. 25.
На твердій литій станині у двох взаємно перпендикулярних площинах кріпляться напрямні. По горизонтальним напрямним переміщається в поперечному напрямку хрестовий супорт, по вертикальним напрямним - санки, що несуть шліфувальну головку.
До санок закріплений гвинт вертикальної подачі, гайка якого розташована в редукторі, встановленому на кронштейні на задній стінці станини між вертикальними напрямними.
Всередині станини з лівого боку змонтовано гідропанель, що забезпечує безступінчасте регулювання швидкості столу та реверсування.
У центральній частинині передньої стінки станини змонтовано механізм поперечної подачі, гвинт якого проходить над станиною. У правій стороні внутрішньої порожнини станини розташований механізм вертикального подавання, з'єднаний валом і редуктором подачі.
Між верхніми напрямними хрестового супорта кріпиться гідроциліндр. З'єднання механізму вертикальної подачі з гідроагрегатом і гідроциліндра з панеллю зроблена мідними трубами та гнучкими шлангами, розташованими всередині станини.
Електродвигун редагування кола встановлений на плиті, закріпленій усередині станини до її нижньої стінки.
Гідробак встановлений поруч із верстатом з лівого боку, бак охолодження з магнітним сепаратором та електрошафою - з правої.
Всі вузли в верстатах мають конструктивну подобу та велику міру уніфікації.
Вузли 22, 24, 32. 33, 60, 71, 81Б, 83Г, 84Б, 85А, 86А, 87А, 88 у верстатах 3701 та 3701 повністю уніфіковані.
Станіна представляє жорстку коробчасту виливку. Задня стінка має вертикальне поглиблення, в якому пригорнуті дві V-подібні сталеві гартовані напрямні 1. По направляючих на роликах розміром 6,5 х 16 мм переміщуються у вертикальному напрямку санки. Між направляючими до задньої стінки привернути кронштейн 2, на якому встановлюється редуктор вертикальної подачі. Кріплення редуктора проводиться спеціальним ключем через вікна в частинині станини, що виступає вгору.
На верхній стінці станини кріпляться дві плоскі гартовані сталеві напрямні 3, якими на роликах розміром Ø 6,5x16 мм переміщається хрестовий супорт, і середня направляюча 4, що оберігає супорт від бічного зміщення. Зазор у середній напрямній вибирається клином 5.
Направляючі санчат притискаються до направляючих станини шістьма роликами 6 на ексцентричних осях. Поворотом осей 7 роликів забезпечується необхідний натяг направляючих.
З лівого боку в передній стінці зроблено нішу, в якій кріпиться гідропанель.
До зовнішнього платика на передній стінці кріпляться механізми поперечної та вертикальної подач.
Усередині станини на плиті, що коливається, розташований електродвигун приводу поперечного переміщення супорта при правці шліфувального круга.
Санки являють собою жорстку коробчасту виливку, що забезпечує вертикальне переміщення шліфувальної головки.
До бічних стінок корпусу 1 кріпляться дві сталеві гартовані V-подібні напрямні 2 для вертикального переміщення санок із закріпленою на їх верхній частинині шліфувальною головкою.
Між напрямними монтується гвинт вертикального подавання 3.
До задньої стінки в нижній її частинині привернути кронштейн 4 з електродвигуном приводу шпинделя 5. Електродвигун зі шпинделем з'єднаний плоским ременем 6. Натяг ременя здійснюється опусканням кронштейна з гвинтом електродвигуном 7.
У верхній частинині санчат є приплив, в ніші якого змонтований черв'ячний редуктор прискореного переміщення шліфувальної головки. Рух від електродвигуна закріпленого на шліфувальній головці, передається клиновим ременем через шків 8 9, зубчасті колеса 10 і 11, Черв'як 12 і черв'ячне колесо 13. сидить на гвинті нерухомо.
Напрямні у верхній частинині захищені кожух станини (див. рис. 20).
Для обмеження прискореного переміщення санчат вгору на задній стінці їх закріплений кінцевий вимикач.
Для захисту від абразивного пилу механізмів, розташованих у санках і верхній частинині станини, кріпиться кожух. До передньої стінки кожуха кріпляться дві 1 планки з пазами, в яких переміщаються захисні щитки.
У кронштейні 2, пригорнутому до шліфувальної головки встановлюється індикатор 3, що дозволяє за допомогою мірних плиток робити точне вертикальне переміщення шліфувальної головки. Мірні плити встановлюються на обмежувач 4, який може переміщатися в направляючу пазу 5 і кріпитися в потрібному положенні.
За допомогою хрестового супорта здійснюється поперечне переміщення столу. До нижньої частинини хрестового супорта прилита середня направляюча, що утримує супорт від бічного зміщення, а до нижніх платиків привернуті сталеві гартовані плоскі напрямні, за якими на роликах хрестовий супорт переміщається в поперечному напрямку. Для поздовжнього переміщення столу до верхньої частинини супорта пригорнуті дві напрямні, одна плоска 1, друга призматична 2. Стіл переміщається на роликах розміром 6,5x16.
Для запобігання направляючих від абразивного пилу з обох боків кожної напрямної притягнуті захисні щитки 3. Середня напрямна і гвинт поперечної подачі захищається гармошкою 4, закріпленої до супорту та станині.
До передньої стінки супорта закріплена гайка 5 ггвинта поперечної подачі, що складається з 2-х половин, що стискаються пружинами 6, що дозволяє усунути осьовий зазор.
На лівому виступі супорта є вал-шестерня 7 з маховиком 8 ручного переміщення столу.
Щоб ввести шестерню в зачеплення з рейкою стола, потрібно стиснути пружину 9. Фіксація шестерні в зачепленні проводиться кнопкою 10. При повороті кнопки штифт 11 проходить в паз планки 12 і пружина 13 переміщає стрижень 14 вниз.
Для безпеки роботи передбачено блокування ручного та гідравлічного переміщення столу. Для цієї мети в супорті встановлений мікроперемикач 15. Коли вал-шестерня 7 знаходиться в зачепленні з рейкою, наконечник мікроперемикача 16 заходить в кільцеву проточку валу і розмикає ланцюг живить електродвигун гідросистеми.
Перш ніж зняти супорт, потрібно:
У верхній частинині стіл має робочу поверхню 1 з Т-подібним пазом біля верстата мод. 3701 та з трьома Т-подібними пазами у верстата моделі 3701.
До нижньої частинини столу притягнуті сталеві гартовані напрямні 2 і 3 для поздовжнього переміщення. До торців стола пригорнуті крила 4, на яких встановлені щитки 5 і 6, що оберігають від розбризкування охолоджувальної рідини. До нижньої частинини крил привернути кронштейни 7 для кріплення штока циліндра.
Спереду та ззаду столу також встановлені захисні щитки 8 та 9.
Для поздовжнього ручного переміщення до нижньої частинини столу привернута рейка 10.
Механізм поперечної подачі забезпечує:
Автоматична поперечна подача здійснюється в момент реверсу столу за рахунок подачі імпульсу струму на електродвигун подачі 1, з'єднаний жорсткою муфтою 2 і зубчастиними колесами 3, 4, 5, 6 і гвинтом 7 поперечної подачі. Зміна величини подачі здійснюється поворотом ручки перемикача на пульті керування.
Відхилення подачі проводиться тумблером на пульті керування.
При роботі на верстаті необхідно пам'ятати, що при включеній автоматичній поперечній подачі маховик 8, що сидить на валу 9 повинен бути роз'єднаний з шестернею гвинтом 10 і не повинен обертатися. При відвертанні ггвинта штифти 11 втопляться і звільнять шестірню.
При ручній подачі необхідно з'єднати маховик з шестернею, а маховик 12 тонкої поперечної подачі потягнути на себе, щоб вивести з зачеплення шестерню 13, пов'язану із зубчастиним колесом 14. При тонкій ручній подачі цей маховичок повинен знаходитися в положенні "Від себе"
Для забезпечення редагування кола з регульованою швидкістю цей механізм з'єднаний клиновим ременем 15 через шків 16, черв'як 17 і черв'ячну шестерню 18 з електродвигуном, що забезпечує регулювання чисел оборотів в межах 1:10. Це дозволяє у великих межах вибирати найвигідніші режими редагування кола.
Регулювання чисел оборотів електродвигуна забезпечується електросхемою.
Зважаючи на те, що обидва електродвигуни передають рух на гвинт по одному кінематичному ланцюгу, у вузол вбудована електромагнітна муфта 19, яка включається тільки при включенні електродвигуна правки кола.
При роботі електродвигуна поперечної подачі електромагнітна муфта відключена і черв'ячна шестерня разом з гільзою 20 напівмуфтою залишається нерухомою.
Гвинт поперечної подачі разом з опорою і шестернею в монтується на сферичну опорну поверхню для можливості виставки його паралельно напрямним супорта у вертикальній та горизонтальній площинах. Мастило шестерень, підшипників і пластин муфти проводиться розбризкувальним кільцем 21.
Механізм поздовжнього реверсу столу є системою важелів, що забезпечують перемикання золотника реверсу гідропанелі при крайніх положеннях столу.
Так як важіль 1 переміщається разом з супортом, а гідропанель залишається нерухомою в станині, то введений проміжний важіль 2, що переміщається валиком 3, встановленому на супорті;
На кінці валика 4 закріплена алюмінієва пластина 5, що перетинає при повороті електромагнітне поле кінцевого безконтактного перемикача 6, закріпленого на станині, в результаті чого подається команда на поперечну або вертикальну подачу.
Для забезпечення ручного реверсу на валик 7 одягнена рукоятка 8.
У передній стінці столу Т-подібному пазу кріпляться упори 9, що обмежують поздовжній хід столу. Стіл можна відвести в крайнє праве становище, не пересуваючи упору. Для цього на лівому упорі зроблена рукоятка, за яку його можна повернути і провести під штифтом важеля 1.
ПРИМІТКА. На рис. 24 зображено механізм поздовжнього реверсу верстата моделі 3701. Механізм реверсу верстата 3701 має незначні конструктивні зміни.
Механізм здійснює автоматичне та ручне реверсування столу в поперечному напрямку.
Величина поперечного ходу встановлюється кулачками I. які під час руху супорта переміщують хомут 2 і пов'язаний З ним важіль кінцевого вимикача 3.
Для ручного переміщення передбачено тягу 4 З рукояткою 5.

Шпиндель плоскошліфувального верстата 3701
Шліфувальна головка є одним з відповідальних вузлів верстата, тому що від її роботи безпосередньо залежить якість оброблюваних деталей
Шпиндель 1 обертається в 2-х тривкладишних підшипниках рідинного тертя, що мають можливість самовстановлюватися в напрямку обертання і вздовж осі шпинделя.
Вкладиші підшипника, що мають сферичну опорну лунку, виконану на певній відстані від вихідної кромки, спираються на штирі 3 зі сферичною опорною поверхнею. Штирі мають дрібне різьблення і дозволяють регулювати величину радіального зазору в межах 0,005..0,01 мм з вивіркою положення осі шпинделя щодо направляючих станини
Вкладиші підшипників знаходяться у масляній ванні, утвореній стінками корпусу 4 та ущільненнями з обох боків. Ущільнення є бронзові кільця 5, притерті по шпинделю і чавунному кільцю 6, запресованого в корпус.
Мастило вкладишів примусове, під тиском 0,6..0,5 атмосфери. Олія ретельно фільтрується. Для мастила необхідно застосовувати олію марки Л (велосит), що має кінематичну в'язкість при 50°С 4..5.
Для забезпечення стійкості шпинделя в осьовому напрямку в передній частинині на шпинделі є бурт 7, який притискається до бронзового кільця 8. з другого боку має сферичну поверхню, що забезпечує прилягання кільця до бурта шпинделя по всій поверхні.
На задньому кінці шпинделя посаджений радіально-упорний шарикопідшипник 9 з вільно сидить зовнішнім кільцем, навантаженим осьовим навантаженням за допомогою пружин 10, внаслідок чого шпиндель притиснутий буртом до бронзового кільця.
Шпиндель наводиться в обертання від електродвигуна через плоскочасну передачу, причому шків шпинделя 11 балансується динамічно.
Для балансування шліфувального кола у фланці 12 передбачений паз який встановлюються балансувальні вантажі 13.
Редуктор вертикальної подачі включає черв'ячне колесо 1 і черв'як 2, що передають обертання від механізму вертикальної подачі гайці 3. Гайка жорстко замкнена в осьовому напрямку і спирається через підшипники на корпус 4.
Для вибору радіального зазору в зачепленні гайка монтується в ексцентричній втулці 5 і фланці ексцентричному 6, поворотом яких можна регулювати радіальний зазор. Щоб зняти санки необхідно спочатку відкрутити болти, що кріплять корпус редуктора до кронштейна. Болти відвертаються спеціальним ключем через через вікно виступаючої частинини станини. Змащування редуктора проводиться солідолом при складанні і через маслянку рідким мастилом у процесі експлуатації.
Навантаження, що передається вагою санок через гвинт, сприймається корпусом.
Механізм вертикальної подачі забезпечує:
Ручна груба подача здійснюється від маховика i через пару шестерень 2 і 3. При цьому кнопка 4 тонкої вертикальної подачі повинна бути у вимкненому положенні. Точна ручна подача здійснюється обертанням кнопки.
Для здійснення автоматичної вертикальної подачі у вузлі передбачений лопатевий гідроциліндр 5, що працює від гідроприводу в момент поперечного або поздовжнього реверсу.
На прапорець 6 гідроциліндра посаджений важіль 7 несучий собачку, що зачіпляється з храповим колесом 8. Храпове колесо скріплено з шестернею 9. зачіпається з шестернею 10. сидить на валу 11, який шліцевим з'єднанням передає рух через порожнистий рал.
Для регулювання величини вертикальної подачі на вісь 13 посаджена заслінка 14, що перекриває зуби храпового колеса. Один кінець осі виведений назовні і з'єднаний з лімбом 15. Поворот лімба з заслінною можна робити тільки проти годинникової стрілки, інакше заслінка впрет я в собачку і остання не зможе бути виведена з зачеплення з храповим колесом
Охолодження встановлюється з правого боку верстата і включає бак охолодження з насосом, магнітний сепаратор встановлюється на баку і систему, що підводить.
Бак охолодження забезпечує відстоювання рідини, що охолоджує, в процесі якого осідають абразивні частининки, а магнітний сепаратор очищає її від металевого шламу. Привід насоса охолодження та магнітного сепаратора виробляється від окремих електродвигунів.
Відпрацьована рідина за жолобом столу потрапляє в лоток хрестового супорта, звідки в лоток станини, до якого приєднаний трубопровід магнітного сепаратора.
При роботі необхідно стежити за тим, щоб при зносі кола сопло не виявилося нижче за утворююче коло і було надійно закріплено.
Опис роботи та конструкції магнітного сепаратора викладено в документації, що додається до нього.
Гідроциліндр призначений для передачі столу зворотно-поступального руху. Кріпиться циліндр до хрестового супорту двома хомутами 1, причому в одному з них може переміщатися в осьовому напрямку. Таке кріплення дозволяє виключити вплив теплових деформацій на хрестовий супорт.
Зовнішня частинина циліндра закрита жерстяним кожухом 2 між стінками якого і циліндром укладена азбестова набивка 3 для запобігання нагрівання хрестового супорта і столу.
Для запобігання впливу теплових деформацій штока 4 на стіл він виконаний із двох частинин.
Гумові кільця 5 служать поршнем циліндра та кріпляться до штока гайками 6.
Ущільнюється шток гумовими кільцями 7 гайками 8, що затягуються.
Кріпиться шток гайками 9 до кронштейнів столу.
Гумові кільця 10 є амортизаторами, що пом'якшують удари при реверсі.

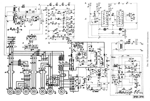
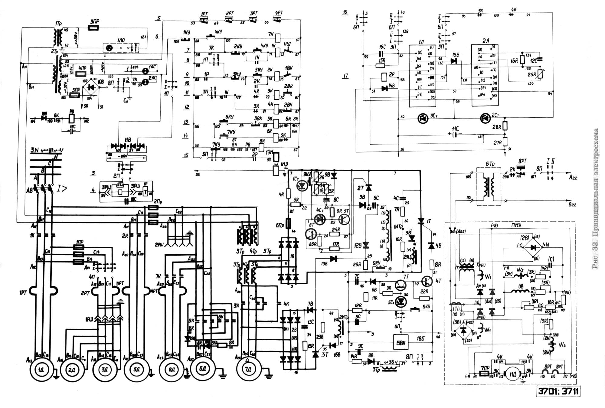
Електрична схема плоскошліфувального верстата 3701
Схема електрична плоскошліфувального верстата 3701. Дивитись у збільшеному масштабі

Гідравлічна схема плоскошліфувального верстата 3701
Схема гідравлічна плоскошліфувального верстата 3701. Дивитись у збільшеному масштабі

Технічні характеристики плоскошліфувального верстата 3701
Технічні характеристики плоскошліфувального верстата 3701. Дивитись у збільшеному масштабі
Загальновідомо, що людина може вічно дивитися на три речі: як горить вогонь, як тече вода і як працює інша людина.