Виробником настільного токарного верстата 1Д601 є Кіроваканський завод прецизійних верстатів м. Кіровокан (сьогодні м. Ванадзор), Вірменія.
Основним призначенням верстата було навчання токарній справі у школах, профтехучилищах, технікумах, що широко використовуються в лабораторіях, навчальних та ремонтних майстернях.
На даний час випуск верстатів припинено.
Настільний токарний верстат 1Д601 призначається для різних токарних робіт з дерева, пластмас і металу, що виконуються в патроні та центрах.
Область застосування токарного верстата 1Д601 - шкільні та похідні майстерні технічні училища, лабораторії, а також у домашніх умовах для любителів токарної справи та конструкторів-моделістів, що допоможе використати дозвілля для розвитку трудових навичок та винахідливості.
Настільний токарний верстат 1Д601 дозволяє проводити наступні види робіт:
Шпиндель верстата 1д601 отримує 3 швидкості обертання від асинхронного електродвигуна через 3-ступінчастиний шків.
Передній кінець шпинделя має різьблення М27х3 для встановлення проміжного фланця з токарним патроном
Виробник: Кіроваканський завод прецизійних верстатів, м. Кіровокан (сьогодні м. Ванадзор).
Токарний верстат 1Д601 вироблявся в 1971-1976 за ГОСТ 7599-72.

Фото токарного настільного верстата 1д601

Фото токарного настільного верстата 1д601

Фото токарного настільного верстата 1д601

Фото токарного настільного верстата 1д601

Фото токарного настільного верстата 1д601

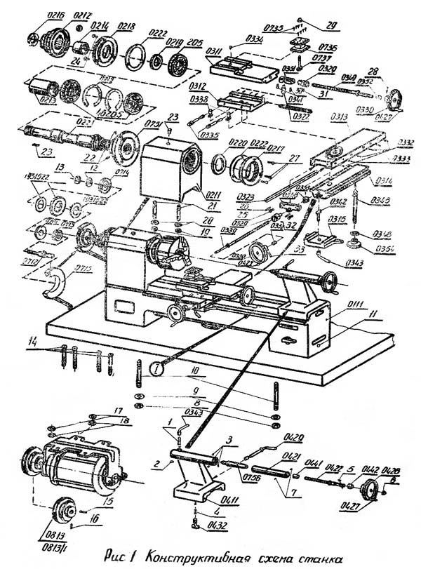
Конструкція токарного настільного верстата 1д601
Конструкція токарного верстата 1Д601. Дивитись у збільшеному масштабі
Станіна (дит. 0111) є виливком з призматичними напрямними. У лівій частинині станини є два отвори для кріплення передньої бабки, а в нижній площині 2 отвори M10 для кріплення верстата до столу Т-подібний паз у станині служить для закріплення задньої бабки в потрібному положенні
Призматичні напрямні станини забезпечують збіг осі шпинделя передньої бабки з віссю пінолі задньої бабки. Вертикальна напрямна (місце I) служить для встановлення супорта.
Передня бабка (вузол 02-00) кріпиться на направляючих станини за допомогою 2-х шпильок і гайок (дет. 21 і 19). Як передня опора шпинделя застосовані два радіальних упорних шарикопідшипника № 46205. Задня опора являє собою радіальний шарикопідшипник № 205. Складання деталей передньої бабки проводиться в корпусі (дит. 0211) і затягується гайкою (діт 0216).
З 2-х сторін корпус закривається кришками (дет. 0217 і 0218) з кільцями ущільнювачів (дет. 0219 і 0220) і прокладками (дит. 0222), що запобігають витіканню змащувального масла з корпусу.
3-ступінчастиний шків (дет. 0212) встановлений консольно на кінці шпинделя і передає обертання шпинделю від електродвигуна через синтетичний плоский ремінь. Передній внутрішній конус шпинделя під центр виконаний конусом Морзе КМ2, а задній конус для оправлення заточувального пристрою - під кутом 40 ° з посадковим діаметром 10А.
На передній кінець шпинделя надівається шайба патрона (дет. 0751) по різьбленню шпинделя М27 х 3 до упору в буртик шпинделя і стопориться трьома ггвинтами (дет. 22). Шпиндель передньої бабки має наскрізний отвір Ø 10,2, що дозволяє обробляти прутки діаметром до 10 мм.
Розбирання передньої бабки у разі потреби слід починати з відгвинчування гайки (дет 0216) за годинниковою стрілкою, якщо дивитися з боку шківа. Різьблення гайки ліве. Далі знімається шків і випресовується шпиндель. Складання слід проводити за рис. 1.
Супорт хрестовий (вузол 05-00) встановлюється і кріпиться за допомогою болта та гайки (дит 0345 і 0354) на станині верстата. Переміщення нижніх і верхніх санчат супорта (дет. 0311 і 0313) проводиться за допомогою ходових гвинтів (дет 0339 і 0340) і бронзових гайок (дет 0351 і 0353) по направляючих підстав (дит. 0312 і 0314) типу.
Різьблення поздовжнього та поперечного ходових гвинтів М6 х 1 дає можливість на порівняно малому діаметрі лімбів отримати ціну поділу 0,05 мм.
На верхніх санках (дит. 0311) є Т-подібні пази для кріплення різцетримача. Для обробки конусних поверхонь необхідно поворотну частинину супорта встановити на потрібний кут. Для цього слід послабити сухарики (дет 0338) поворотом ексцентриків (дет 0335) і повернути верхню основу на кут поєднанням ризику верхньої основи з ризиком шкали на нижніх санках і знову затягнути сухарики ексцентриками. Ціна поділу шкали нижніх санок 4°.
При установці супорта на станині необхідно вперти планку супорта (дет. 0315) у вузький приплив станини (місце 1 на станині) і потім затягнути гайку (дет. 0354). Цим забезпечується паралельність поздовжнього та перпендикулярність поперечного переміщень щодо осі шпинделя. Планку (дет. 0315) можна переставляти, послабивши рукояткою (дет. 0343) кріплення планки. Цим забезпечується можливість обробки на верстаті різних діаметрів.
Задня бабка служить для обробки деталей у центрах, упором при обробці довгих деталей у патроні та свердління отворів за допомогою свердлильного патрона та свердлів.
Піноль задньої бабки (дит. 0421) переміщується гвинтом М6 Х 1 (дит. 0422) від маховичка (дит. 0426) Конус пінолі виконаний коном сом Морзе КМ 1 під центр та оправлення для свердлильного патрона.
Для затискання пінолі передньої частинини корпусу (дет. 0411) є розріз із затискною рукояткою (дет 0343) Закріплення задньої бабки на станині верстата в потрібному положенні проводиться за допомогою сухарика (дет 0432) та ексцентрика з рукояткою (дет 0429). Пружина (дет. 4) під сухариком служить виштовхування сухарика під час перестановки задньої бабки.
Верстат встановлюється на стіл і кріпиться двома шпильками, шайбами та гайками (дет. 10, 9 та 8). Для приводу шпинделя застосовується однофазний електродвигун марки ABE-071-4 потужністю 180 Вт оборотами 1400 об/хв. Електродвигун, на валу якого закріплений 3-ступінчастиний шків (дет. 0813).
Натяг ременя здійснюється перестановкою двигуна. При цьому потрібно послабити гайки, натягнути ремінь та знову затягнути гайки. Перекиданням ременя з одного ступеня шківів на іншу можна отримати на шпинделі три швидкості 700, 1400 та 2800 об/хв.

Електрична схема токарного верстата 1д601
| Найменування параметру | 1D601 | 16T02P | 16T02A |
|---|---|---|---|
| Основні параметри верстата | |||
| Клас точності | Н | П | А |
| Найбільший діаметр заготовки над станиною, мм | 125 | 125 | 125 |
| Найбільший діаметр заготовки над супортом, мм | 75 | 75 | 75 |
| Висота центрів над плоскими напрямними станини, мм | 68 | 68 | |
| Найбільша довжина заготовки у центрах (РМЦ), мм | 180 | 250 | 250 |
| Найбільша довжина оброблюваної заготовки без переустановки супорта, мм | 55 | 65 | 65 |
| Найбільша висота різця, мм | 8 х 8 | 8 х 8 | |
| Шпиндель | |||
| Діаметр наскрізного отвору в шпинделі, мм | 10,2 | 10,2 | 10,2 |
| Конус Морзе шпинделя | Морзе 2 | Морзе 0 | Морзе 0 |
| Число ступенів частот прямого обертання шпинделя | 3 | 6 | 6 |
| Частота прямого обертання шпинделя, об/хв | 700, 1400, 2800 | 400, 630, 1000, 1250, 2500, 4000 | 400, 630, 1000, 1250, 2500, 4000 |
| Супорт. Подання | |||
| Поздовжнє переміщення супорта | Ручне | Ручне | Ручне |
| Найбільше поперечне переміщення супорта, мм | 60 | 60 | |
| Переміщення супорта поперечне на один поділ лімба, мм | 0,05 | 0,01 | 0,01 |
| Найбільше переміщення верхніх (різцевих) санчат, мм | 65 | 65 | |
| Переміщення різцевих санок на один поділ лімба, мм | 0,05 | 0,01 | 0,01 |
| Кут повороту верхньої каретки супорта, град | ±30 | ±30 | |
| Задня бабка | |||
| Конус Морзе задньої бабки | Морзе 1 | Морзе 0 | Морзе 0 |
| Найбільше переміщення пінолі, мм | 35 | 40 | 40 |
| Електроустаткування | |||
| Електродвигун головного приводу, кВт (об/хв) | 0,180 (1400) | 0,25 | 0,25 |
| Габарити та маса верстата | |||
| Габарити верстата (довжина ширина висота), мм | 680 х 200 х 220 | 695 х 520 х 300 | 695 х 520 х 300 |
| Маса верстата, кг | 30 | 35 | 35 |