metalinstryment.com
Довідник по металорізальних верстатів та пресовому обладнанні

3451 Електроустаткування верстата
Електросхема верстата

Верстат шлицешлифовальный універсальний напівавтомат 3451







Відомості про виробника шлицешлифовального верстата 3451

Производитель шлицешлифовального верстата 3451 Московский станкостроительный завод шлифовальных верстатів, МСЗ, основанный в 1879 году.





Верстати, выпускаемые Московским станкостроительным заводом шлифовальных верстатів, МСЗ


3451 Верстат шлицешлифовальный універсальний напівавтомат з цикловым программным керуванням підвищеної точності. Назначение і область применения

Гамма шлицешлифовальных верстатів серии 3451, 3451б, 3451в, 3451г запущена в серийное производство в 1965 году

Шлицешлифовальные верстати гаммы 3451 предназначены для шлифования прямобочных, треугольных шлицевых валов, а также для шлифования боковых сторон евольвентных шлицевых валов по радиусу, приближенному к евольвенте

Верстати 3451 предназначены для шлифования шлицевых валов в серийном производстве.

Принцип роботи і особливості конструкції верстата 3451

Шлифование изделий производится однимкругом или блоком кругов. Боковые стороны шлица і центрирующий внутренний диаметр обрабатываются одновременно. На станке возможно также раздельное шлифование центрирующего диаметра і боковых сторон шлица.

Механізми верстатів обеспечивают автоматическое деление на один зуб за двойной ход стола, автоматическую вертикальную подачу шлифовального круга за один оборот вироби, правку круга з керуванням от кнопки і автоматическую правку.

Верстат 3451 гідрофицирован. При помощи гідроприводу осуществляются возвратно-поступательные переміщення стола, вертикальная подача шлифовального круга, правка круга і смазка направляючих стола.

Одновременная автоматическая правка круга тремя алмазами і автоматическая компенсация правки, автоматическая подача круга на врезанием быстрое вертикальное перемещение шлифовальной головки сокращают вспомогательное время на обслуговування верстатів.

Смазка направляючих станины і каретки осуществляется автоматически. Надежная защита направляючих от пыли і абразивных частиниц і применение роликовых направляючих качения обеспечивают стабильность автоматичною вертикальной подачі і долговечность службы направляючих.

Выделение гідросистемы з резервуаром для масла в отдельный агрегат і применение охлаждения масла значительно уменьшает тепловые деформации верстатів.

Шпиндель шлифовального круга смонтирован на підшипниках качения класса точності С і получает вращение от индивидуального електродвигуна через плоскоременную передачу.

Изменение чисел оборотів шлифовального круга осуществляется сменой шкивов.

Электроаппаратура верстата размещена в підвісному шкафу і непосредственно на станке.

Защитные і блокировочные пристроя обеспечивают надежную і безопасную работу на станке.

Точность обробки соответствует нормам точності шлицешлифовальных верстатів класса П по ГОСТ 13134—67. Чистота обробки V 7 (ГОСТ 2789—59).

По особому заказу со верстатами поставляется необходимое количество делительных дисков і оснастка для обробки изделий з различным количеством шлицев.

Гамма шлицешлифовальных верстатів серии 3451

Гамма шлицешлифовальных верстатів серии 3451 состоит из 4-х моделей, которые отличаются длиной шлифуемых изделий:

  1. 3451 - верстат шлицешлифовальный Ø 200 х 500 мм
  2. 3451Б - верстат шлицешлифовальный Ø 200 х 1000 мм
  3. 3451В - верстат шлицешлифовальный Ø 200 х 1500 мм
  4. 3451Г - верстат шлицешлифовальный Ø 200 х 2000 мм

Разработчик — Московский завод шлифовальных верстатів.





Посадочные і присоединительные базы шлицешлифовального верстата 3451

3451 Посадочные і присоединительные базы шлицешлифовального верстата

Посадочные і присоединительные базы шлицешлифовального верстата 3451

Посадочные і присоединительные базы верстата 3451. Дивитись у збільшеному масштабі



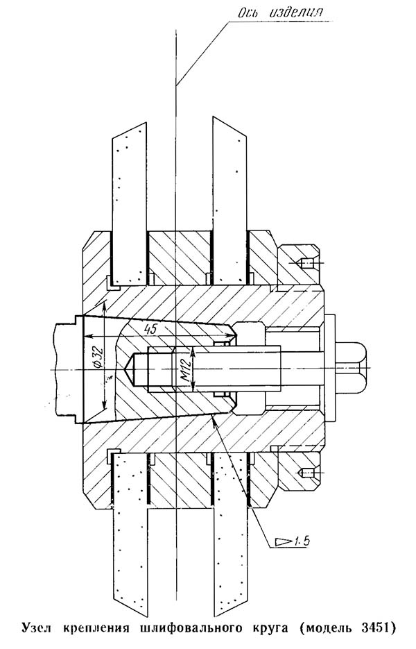
Узел крепления шлифовального круга верстата 3451

Узел крепления шлифовального круга верстата 3451

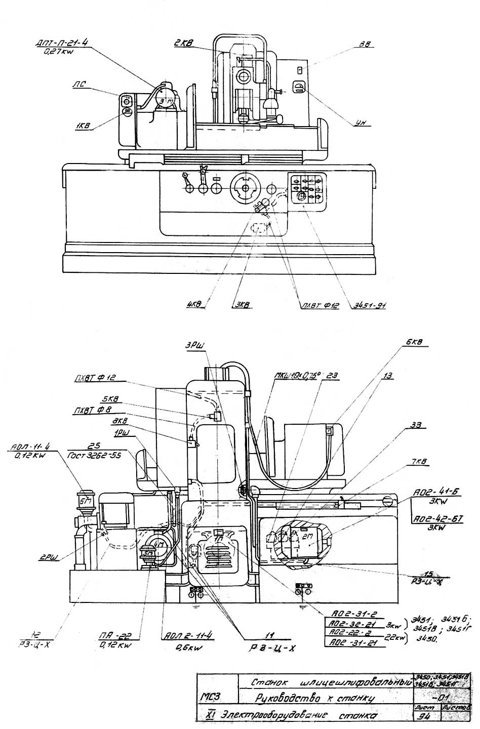
Загальний вигляд і общее пристрій верстата 3451

3451 універсальний шлицешлифовальный. Фото

Фото шлицешлифовального верстата 3451


3451 універсальний шлицешлифовальный. Фото

Фото шлицешлифовального верстата 3451


3451 універсальний шлицешлифовальный. Фото

Фото шлицешлифовального верстата 3451


3451 універсальний шлицешлифовальный. Загальний вигляд

Фото шлицешлифовального верстата 3451

Фото шлицешлифовального верстата 3451. Дивитись у збільшеному масштабі



3451 універсальний шлицешлифовальный. Загальний вигляд

Фото шлицешлифовального верстата 3451

Фото шлицешлифовального верстата 3451. Дивитись у збільшеному масштабі



3451 універсальний шлицешлифовальный. Загальний вигляд

Фото шлицешлифовального верстата 3451

Фото шлицешлифовального верстата 3451. Дивитись у збільшеному масштабі




Розташування органів керування шлицешлифовальным верстатом 3451

Розташування органів керування шлицешлифовальным верстатом 3451

Розташування органів керування шлицешлифовальным верстатом 3451

Розташування органів керування шлицешлифовальным верстатом 3451. Дивитись у збільшеному масштабі



Специфікація органів керування шлицешлифовальным верстатом 3451

  1. Кнопка загальна "Стоп"
  2. Рукоятка закрепления лимба
  3. Кнопка "Пуск" охлаждения
  4. Кнопка "Пуск" гідравлики
  5. Кнопка "Стоп" гідравлики
  6. Кнопка "Пуск" механізма деления
  7. Кнопка "Стоп" механізма деления
  8. Кнопка "Пуск" шлифовального круга
  9. Кнопка правки шлифовального круга
  10. Кнопка "Вверх" шлифовального круга
  11. Кнопка "Вниз" шлифовального круга
  12. Вводный выключатель
  13. Переключатель циклов роботи
  14. Рукоятка зажиму заднего центра
  15. Рукоятка відведення заднего центра
  16. Рукоятка увімкнення манометров гідростанції
  17. Кран компенсации правки
  18. Кнопка установки скорости правки
  19. Грибок установки угла правки
  20. Рукоятка реверса руху алмазов
  21. Рукоятка "Пуск"-"Стоп" стола
  22. Рукоятка ручного реверса стола
  23. Грибок установки скорости стола
  24. Грибок установки величины подачі
  25. Маховик ручной вертикальной подачішлифовального круга
  26. Рукоятка подготовки увімкнення ускоренного вертикального переміщення шлифовальной головки
  27. Винт поперечного переміщення шлифовальной головки
  28. Рукоятка переміщення алмазов
  29. Кран установа ручного і кнопочного керування правки
  30. Рычажок "Толчковый" для вертикальной подачі шлифовальной головки на шаг 0,005 мм
  31. Вентиль охлаждения
  32. Кнопка увімкнення механізма деления вручную
  33. Рукоятка ручной подачі прибора правки
  34. Винт для выставки заднего центра по вертикали
  35. Винт для поперечної выставки заднего центра
  36. Рукоятка установочного шаблона
  37. Маховик вертикального переміщенняприбора правки (кнопку "38" установить на "0")
  38. Кнопка установки глубины правки
  39. Винт жесткого упора
  40. Жесткий упор
  41. Упоры реверса стола





Електроустаткування шлицешлифовального верстата 3451. 1968 год

Питание ланцюгів електроустаткування осуществляется следующими напряжениями:

Електроустаткування верстата предназначено для подключения к трехфазной сети переменного тока з глухозаземленным или изолированным нейтральным проводом.


На станке установлены електродвигатели переменного тока з короткозамкнутым ротором:


Електромагніти


Конечные выключатели


Електричнааппаратура размещена в підвісному електрошкафу і непосредственно на станке.

Электрическое керування механізмами верстата осуществляется з пульта керування, расположенного на общей панелі керування верстата. На станке предусмотрено местное освещение з лампой МО-36-40.

Для контроля нагрузки електродвигуна шлифовального круга предусмотрен указатель нагрузки "УН".

Верстат работает по циклу 1 з подачей на первом пазе і правкой от кнопки і по циклу 2 з подачей на первом пазе і правкой.

Рух алмазов при правке круга осуществляется от кнопки 7КУ.

Электродвигатели електронасоса, магнитного сепаратора і електрообладнання, расположенное на гідробаке, подключаются штепсельными розетками.


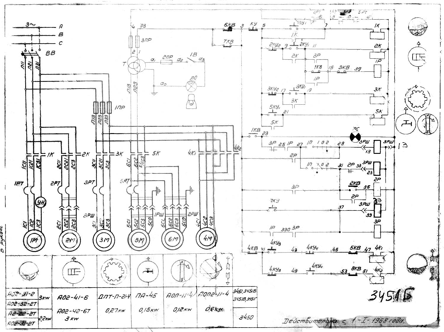
Схема електрична шлицешлифовального верстата 3451

Схема електрична шлицешлифовального верстата 3451

Електрична схема шлицешлифовального верстата 3451

1. Схема електрична шлицешлифовального верстата 3451. Дивитись у збільшеному масштабі

2. Схема електрична шлицешлифовального верстата 3451. Дивитись у збільшеному масштабі




Опис електрической схеми шлицешлифовального верстата 3451

Поворотом рукоятки вводного выключателя "ВВ" в положение "Включено" подается напряжение в схему електрического керування верстата.

Увімкнення і відключення лампы местного освещения "ЛО" производим выключателем "1B".

а) Увімкнення і відключення електродвигуна шлифовального круга

Нажатием кнопки "1КУ", включаем контактор "1К" который становится на самопитание і включает електродвигатель "1М".

б) Увімкнення і відключення електродвигуна гідронасосной установки

Нажатием кнопки "2КУ", Включаем контактор "2К", который ставится на сапопитание і включает електродвигатель "2М".

в) Увімкнення електронасоса охлаждения, електродвигуна магнитного сепаратора

Нажатием кнопки "5КУ", включаем контактор "5К", который ставится на самопитание і при включенных штепсельных розетках "1РШ" включается електронасос "5М" і "2РШ"- електродвигатель "6М " магнитного сепаратора.

г) Увімкнення і відключення електродвигуна механізма деления

Нажатием кнопки "3КУ", включаем контактор "3К", который становится на самопитание і включает електродвигатель "ЗМ". Відключення електродвигуна "ЗМ" производится кнопкой "3КУ2".

д) Увімкнення ускоренного переміщення шлифовальной бабки

Увімкнення електродвигуна "4М" ускоренного переміщення шлифовальной бабки производится от нажатия толчковых кнопок "4КУ3" - вверх і "4КУ4" - вниз, при етом соответственно включаются контакторы "4К" или "4К2". Конечный выключатель "4КВ" управляется рукояткой, переключающей кинематическую ланцюг на ускоренное перемещение.

Перемещение "вверх" ограничено конечным выключателем "5КВ".

Перемещение "Вниз" ограничивается конечным выключателем ВКВ. Для общего отключения всех електродвигателей верстата служит грибковая кнопка "КУ" общий "Стоп".


А. Цикл 1

Подача на первом пазе і правка только от кнопки з компенсацией износа круга.

Исходное положение

Переключатель "1П" устанавливается в положение 1 при етом контакты 27-29 замкнуты, а 27-31 разомкнуты.

Конечный выключатель "1КВ" в механізме деления нажат, при етом контакты 11-15 разомкнуты, 3-23 замкнуты.

Сигнальная лампа "ЛС" - "Первый паз" горит. Стол верстата находится В исходном левом положении. Увімкнення електродвигателей производится выше описанным способом.

После увімкнення електродвигуна гідравлики - "2М" стол перемещается из исходного левого положения в зону шлифования, где совершает возвратно-поступательное движение, реверсируясь от упоров стола.

При движении, стола налево нажимается откидной упор механізма деления і включается однооборотная муфта. Изделие поворачивается на один шлиц. Конечный выключатель "1КВ" освобождается. Лампа "ЛС" - " Первый паз" - гаснет. Реле "1Р" В точках 11-15 включается і становится на самопитание.

При каждом делении нажимается конечный выключатель 6КВ. Если произошло неполное деление, то конечный выключатель 6КВ остается нажатым.

Контакты его в точках 03-3 размыкаются. При движении стола из исходного положения в зону шлифования нажимается конечный выключатель 7КВ, контакты его в точках 03-3 размыкаются - верстат отключается.

а) Увімкнення електромагнита подачі

Подача производится автоматически на 1-м пазе, причем на первом обороте круг подводится до искры вручную і автоматичною подачі нет.

На первом пазе, второго і післядующих оборотів вироби, замыкаются контакты 3-23 конечного выключателя "1КВ", включается електромагнит подачі 1Э по ланцюги 1-3-23-25-27-29-4-2 і загорается сигнальная лампа "ЛС" - первый паз. В кінці подачі нажимается конечный выключатель ЗКВ, реле 1P отключается і в точках 25-27 отключает електромагнит подачі.

б) Увімкнення правки

Нажатием кнопки "7КУ" включается електромагнит "3Э" - подготовки подачі, компенсирующий износ круга, і реле "ЗР". Реле "ЗР" Включая реле "1P" , становится на самопитание і в точках 3-31 включает електромагнит "2Э"- правки круга.

Алмазы правят круг при движении в одну сторону. В кінці ходу алмазов нажимается конечный выключатель "2КВ", который включает реле "2Р" Реле "2Р", встав на самопитание в точках 31-33, отключает електромагнит правки "2Э" алмазы правят круг при движении в обратную сторону. В точках 3-29 реле "2Р" Включает електромагнит подачі "1Э" - происходит подача, компенсирующая износ круга. В кінці подачі, нажимается конечный выключатель "3КВ" . Реле "1Р", "2Р", "ЗР" і електромагниты "1Э" і "3Э" отключаются.


Б. Цикл 2

Подача і правка на первом пазе

Исходное положение

Переключатель "1П" устанавливаем в положение 2 "Подача і правка" при етом контакты в точках 27-31 замкнуты, a 27-29 разомкнуты.

Конечный выключатель "1КВ" в механізме деления нажат, при етом контакты 11-15 разомкнуты , 3-23 - замкнуты.

Сигнальная лампа "ЛС" - "Первый паз" горит. Стол верстата находится в исходном левом положении.

Увімкнення електродвигателей производится вышеописанным способом.

После увімкнення електродвигуна гідравлики "2М" стол перемещается из исходного левого положения в зону шлифования, где совершает возвратно-поступательное движение, реверсируясь от упоров стола.

При движении стола налево нажимается откидной упор механізма деления і включается однооборотная муфта. Изделие поворачивается на один шлиц, конечный выключатель "1КВ" освобождается, лампа "ЛС" , "Первый паз" - гаснет. Реле "1Р" в точках 11-15 включается і становится на самопитание.

а) Увімкнення електромагнита правки і електромагнита подачі

Подача і правка производится автоматически на 1-м пазе, причем на первом обороте круг подводится до искры вручную і автоматичною подачі і правки нет.

На первом пазе второго і післядующих оборотів вироби замыкаются контакты 3-23 конечного выключателя "1КВ", включается електромагнит правки "2Э" по ланцюги 1-3-23-25-27-31-33-4-2 і загорается сигнальная лампа "ЛС" - первый паз.

Алмазы правят круг при движении в одну сторону. В кінці ходу алмазов нажимается конечный выключатель "2КВ" который включает реле "2Р". Реле "2Р", встав на самопитание в точках 31-33, отключает електромагнит правки "2Э", алмазы правят круг при движении в обратную сторону. В точках 3-29 "2Р" включает електромагнит подачі "2Э" происходит подача. В кінці подачі нажимается конечный выключатель "3КВ". Реле "1Р" отключается і в точках 25-27 отключает Реле "2Р", которое в точках 3-29 отключает електромагнит "1Э".

На втором пазе сигнальная лампа "ЛС" отключается конечным выключателем "1КВ", а реле "1Р" становится на самовключение.

б) Увімкнення правки

Увімкнення правки описано выше см. пункт "б" цикл. 1.


Порядок керування електроприводом

  1. Включить вводный отключатель "ВВ"
  2. Включить лампу местного освещения выключателем "1В"
  3. При необходимости ускоренного переміщення шлифовального круга нажать кнопку "4КУ3 - вверх" или "4КУ4" - Вниз
  4. Кнопкой "1КУ" включить електродвигатель шлифовального круга
  5. Кнопкой "3КУ" включить електронасос охлаждения і магнитный сепаратор
  6. Кнопкой, "3КУ" включить електродвигатель механізма деления
  7. Кнопкой "2КУ" включить електродвигатель гідронасосной установки
  8. Для разовой правки круга нажать кнопку "7КУ"

Для общего отключения всех електродвигателей верстата нажать кнопку "КУ"- общий "стоп"


Захист електроустаткування шлицешлифовального верстата 3451


Блокировки

Список елементів шлицешлифовального верстата 3451

Список елементів шлицешлифовального верстата 3451

Список елементів шлицешлифовального верстата 3451. Дивитись у збільшеному масштабі



Список елементів шлицешлифовального верстата 3451

Список елементів шлицешлифовального верстата 3451

Список елементів шлицешлифовального верстата 3451. Дивитись у збільшеному масштабі



Список елементів шлицешлифовального верстата 3451

Список елементів шлицешлифовального верстата 3451

Список елементів шлицешлифовального верстата 3451. Дивитись у збільшеному масштабі



Список елементів шлицешлифовального верстата 3451

Список елементів шлицешлифовального верстата 3451

Список елементів шлицешлифовального верстата 3451. Дивитись у збільшеному масштабі



Список елементів шлицешлифовального верстата 3451

Список елементів шлицешлифовального верстата 3451

Список елементів шлицешлифовального верстата 3451. Дивитись у збільшеному масштабі



Список елементів шлицешлифовального верстата 3451

Список елементів шлицешлифовального верстата 3451

Список елементів шлицешлифовального верстата 3451. Дивитись у збільшеному масштабі



Список елементів шлицешлифовального верстата 3451

Список елементів шлицешлифовального верстата 3451

Список елементів шлицешлифовального верстата 3451. Дивитись у збільшеному масштабі



Фото електрошафи шлицешлифовального верстата 3451

Фото електрошафи шлицешлифовального верстата 3451

Фото електрошафи шлицешлифовального верстата 3451. Дивитись у збільшеному масштабі



Схема розположення електроустаткування шлицешлифовального верстата 3451

Схема розположення електроустаткування верстата 3451

Схема розположення електроустаткування шлицешлифовального верстата 3451. Дивитись у збільшеному масштабі






3451 Верстат шлицешлифовальный універсальний напівавтомат. Відеоролик.




Технічні характеристики шлицешлифовального верстата 3451

Наименование параметра 3451 3451Б 3451В 3451Г
Основні параметри верстата
Высота центров над столом, мм 180 180 180 180
Расстояние от оси шпинделя до линии центров, мм 32..182 32..182 32..182 32..182
Длина устанавливаемых шлифуемых изделий, мм 200..500 200..1000 200..1500 200..2000
Диаметр шлифуемых изделий, мм 25..125 25..125 25..125 25..125
Наибольшая длина шлифуемых шлицев, мм 350 850 1350 1850
Количество шлифуемых шлиц 3..48 3..48 3..48 3..48
Вес обрабатываемого вироби (шлифовать з люнетом, если вес вироби превышает 40 кг), кг 40 80 120 200
Стол
Розміри рабочей поверхности стола, мм 1345 х 250 1845 х 250 2345 х 250 2845 х 250
Продольное перемещение от гідропривода, мм 200..620 200..1120 200..1620 200..2120
Скорость продольного переміщення стола от гідравлики (регулювання бесступенчатое), м/мин 1..15 1..15 1..15 1..15
Шлифовальная головка
Скорость шлифовального круга (регулируется сменой шкивов), об/мин 2880, 4550, 6300 2880, 4550, 6300 2880, 4550, 6300 2880, 4550, 6300
Наибольшее вертикальное перемещение шлифовальная головки, мм 150 150 150 150
Наибольшее поперечное (установочное) перемещение шлифовальная головки, мм 150 150 150 150
Вертикальное перемещение шлифовальной головки за один оборот лимба, мм 0,5 0,5 0,5 0,5
Вертикальное перемещение шлифовальной головки на одно деление лимба, мм 0,005 0,005 0,005 0,005
Вертикальное перемещение шлифовальной головки на одну толчковую подачу, мм 0,005 0,005 0,005 0,005
Автоматическая вертикальная подача шлифовальной головки, мм 0,005..0,07 0,005..0,07 0,005..0,07 0,005..0,07
Быстрое перемещение шлифовальной головки, мм/мин 462 462 462 462
Диаметр шлифовального круга наружный, мм 90..200 90..200 90..200 90..200
Ширина шлифовального круга наибольшая, мм 32 32 32 32
Диаметр посадочного отверстия шлифовального круга, мм 32..50 32..50 32..50 32..50
Делительный механізм
Конусное отверстие в шпинделе вироби Морзе 6 Морзе 6 Морзе 6 Морзе 6
Центр шпинделя вироби Морзе 4 Морзе 4 Морзе 4 Морзе 4
Задня бабка
Конусное отверстие в салазках Морзе 4 Морзе 4 Морзе 4 Морзе 4
Продольное перемещение салазок, мм 30 30 30 30
Прибор правки круга
Конусное отверстие в шпинделе радиальной правки Морзе 2 Морзе 2 Морзе 2 Морзе 2
Наибольшее вертикальное перемещение, мм 100 100 100 100
Перемещение боковых алмазов, мм 20 20 20 20
Угол поворота радиусного алмаза, град ±60° ±60° ±60° ±60°
Глубина правки без компенсации износа круга, мм 0,01..0,05 0,01..0,05 0,01..0,05 0,01..0,05
Глубина правки з автоматичною компенсацией износа круга, мм 0,01..0,02 0,01..0,02 0,01..0,02 0,01..0,02
Скорость переміщення алмазов при правке, м/мин 0,05..0,5 0,05..0,5 0,05..0,5 0,05..0,5
Привід і електрообладнання верстата
Електродвигун головного приводу - шлифовального шпинделя, кВт (об/мин) 3 (3000) 3 (3000) 3 (3000) 3 (3000)
Електродвигун насоса гідравлики, кВт (об/мин) 3 (1000) 3 (1000) 3 (1000) 3 (1000)
Електродвигун приводу механізма деления, кВт (об/мин) 0,27 (1500) 0,27 (1500) 0,27 (1500) 0,27 (1500)
Електродвигун механізма ускоренного вертикального переміщення каретки шлифовальной головки, кВт (об/мин) 0,6 (1350) 0,6 (1350) 0,6 (1350) 0,6 (1350)
Електродвигун системы охлаждения, кВт (об/мин) 0,12 (2800) 0,12 (2800) 0,12 (2800) 0,12 (2800)
Габаритные розміри і масса верстата
Габаритные розміри верстата (длина х ширина х высота), мм 2600 х 1513 х 1900 3450 х 1513 х 1900 4450 х 1513 х 1900 5250 х 1513 х 1900
Масса верстата з електрообладнанням і охолодженням, кг 3900 4900 6200 6820









Заказать

Кто владеет информацией - тот владеет миром.

Натан Ротшильд