metalinstryment.com
Довідник по металорізальних верстатів та пресовому обладнанні

5Е283 Верстат зубострогальный напівавтомат для нарізання прямозубых конических колес
схеми, опис, характеристики

5Е283 Загальний вигляд  зубострогального верстата







Відомості про виробника зубострогального напівавтомату 5Е283

Производитель зубострогального напівавтомату 5Е283 Саратовский завод тяжелых зуборезных верстатів, СЗТЗС, основанный в 1947 году.





Верстати, выпускаемые Саратовским заводом тяжелых зуборезных верстатів, СЗТС


5Е283 Верстат зубострогальный для прямозубых конических колес напівавтомат. Назначение і область применения

Зубострогальный верстат напівавтомат 5Е283 предназначен для чернового і чистового нарізання крупных прямозубых конических колес в условиях индивидуального і серийного производства. Начало серийного производства напівавтомату - 1977 год

Полуавтомат 5Е283 работает по методу копирования.

Принцип роботи верстата 5Е283

Кинематические ланцюги головного руху, подачі і деления имеют раздельный привод.

Специальный механізм обеспечивает возможность нарізання бочкообразных зубьев для локализации пятна контакта.

Наладочные переміщення бабки вироби і плиты могут производиться как механически, так і вручную.

Средний уровень звука LA не превышает 87 дБА.

Класс точності напівавтомату Н по ГОСТ 8—77.

Год принятия напівавтомату к серийному производству — 1977.

Проектная организация — Саратовское специальное конструкторское бюро зубообрабатывающих верстатів (СКБЗС).


Кинематическая ланцюг зубострогального верстата, работающего по методу обката


Рис. 59. Принципиальная кінематична схема зубострогального верстата, работающего по методу обката

Рис. 59. Кінематична схема зубострогального верстата, работающего по методу обката


Кинематическая ланцюг зубострогального верстата содержит люльку Л, червячное колесо 1, червяк 2, сменные зубчасті колеса а, Ь, з і d, гітари обката, механізм единичного деления Д, предназначенный для поворота нарезаемого зубчатого колеса на один или несколько zi зубьев во время перехода от обробки одного зуба к другому, сменные зубчасті колеса е, f, g і j гітари деления, червяк 11, червячное колесо 12, шпиндель III, несущий заготовку вироби И.

Червячные передачи (1—2, 11—12) называют делительными передачами; они выполняются з високою точностью.

Числа зубьев сменных колес обеих гітар рассчитываются і подбираются при налаштуванні верстата.

Вращение указанной кінематичної ланцюги осуществляется от приводу М (обычно електродвигатель) через вал VII, приводную коробку ПК і вал VIII, который соединяется зубчатыми колесами (на рис. 59 не показаны) з валом IV.

Приводная коробка ПК предназначена для изменения направления обертання вала VIII то в одну, то в другую сторону, а следовательно, і всей кінематичної ланцюги.

Во время роботи верстата происходит чередование двух процессов: процесса деления і процесса різання, первый из которых называется холостым ходом, а второй — рабочим. Холостой ход осуществляется в то время, когда резцы P1, P2 выведены из впадины обрабатываемого колеса И за счет відведення бабки 5 вироби (см. рис. 58) или инструментальной бабки 3 (см. рис. 58).

Во время холостого ходу осуществляется процесс деления, т. е. изделие И поворачивается по отношению производящего колеса С (М) так, что резцы, обрабатывающие впадину зуба, к моменту начала робочого ходу оказываются против соседней впадины.





5Е283 Загальний вигляд зубострогального верстата

5Е283 напівавтомат зубострогальный. Загальний вигляд

Фото зубострогального верстата 5Е283


5Е283 напівавтомат зубострогальный. Загальний вигляд

Фото зубострогального верстата 5Е283


5Е283 напівавтомат зубострогальный. Загальний вигляд

Фото зубострогального верстата 5Е283


Розташування складових частин зубострогального верстата 5Е283

Розташування складових частин зубострогального верстата 5Е283

Розташування основних вузлів зубострогального верстата 5Е283

Розташування основних вузлів зубострогального верстата 5Е283. Дивитись у збільшеному масштабі



Розташування складових частин зубострогального верстата 5Е283

Розташування основних вузлів зубострогального верстата 5Е283

Розташування основних вузлів зубострогального верстата 5Е283. Дивитись у збільшеному масштабі



  1. Станина - 5Е283.11.000
  2. Тумба - 5Е283.16.000
  3. Бабка резцовая - 5Е283.31.000 з главный приводом
  4. Кронштейн - 5Е283.38А.000 С противовесом
  5. Суппорт верхний - 5Е283.34.000
  6. Суппорт нижний - 5Е283.35.000
  7. Резцедержатель верхний - 5Е283.36.000
  8. Резцедержатель нижний - 5Е283.37.000
  9. Механізм бочкообразования - 5Е283.39.000 Поставляется по особому заказу
  10. Бабка вироби - 5Е283.41.000
  11. Плита - 5Е283.42.000
  12. Механізм деления - 5Е283.53.000
  13. Люнет - 5Е283.73.000 Поставляется по особому заказу
  14. Коробка подач - 5Е283.55.000
  15. Стойка копиров - 5Е283.57.000
  16. Гідропривід - 5Е283.61.000
  17. Охлаждение - 5Е283.12.000
  18. Электрошкаф - 5Е283.83.000




Розташування органів керування зубострогальным верстатом 5Е283

Розташування органів керування зубострогальным верстатом 5Е283

Розташування органів керування зубострогальным верстатом 5Е283

Розташування органів керування зубострогальным верстатом 5Е283. Дивитись у збільшеному масштабі



Розташування органів керування зубострогальным верстатом 5Е283

Розташування органів керування зубострогальным верстатом 5Е283

Розташування органів керування зубострогальным верстатом 5Е283. Дивитись у збільшеному масштабі



Розташування органів керування зубострогальным верстатом 5Е283

Розташування органів керування зубострогальным верстатом 5Е283



Основні органы керування верстатом.

  1. Рукоятки переключения швидкостей подачі
  2. Пульт керування основной
  3. Маховик ручного переміщення супортів
  4. Пульт перемещений бабки вироби і плиты
  5. Упор автоматичного останова верстата
  6. Квадрат ручного обертання шпинделя вироби
  7. Рукоятка переключения перемещений бабки вироби і плиты
  8. Квадрат ручных перемещений бабки вироби і плиты
  9. Шкала і нониус угловой установки бабки вироби
  10. Шала і нониус осевой установки бабки вироби
  11. Квадрат переміщення призмы люнета
  12. Клапан редукционный налаштування давления змазки суппорта
  13. Клапан предохранительный налаштування давления гідросистемы
  14. Золотник увімкнення манометра
  15. Манометр контроля давления гідросистемы
  16. Шкала і нониус угла поворота резцовой бабки
  17. Упоры диска керування
  18. Пульт обертання шпинделя вироби
  19. Пульт керування дублирующий
  20. Квадрат ручного переміщення резцовой бабки
  21. Упоры диска керування
  22. Переключатель направления обертання електродвигуна головного руху (в електрошкафе)

Схема кінематична зубострогального верстата 5Е283

Схема кінематична зубострогального верстата 5Е283

Кінематична схема зубострогального верстата 5Е283

1. Кінематична схема зубострогального верстата 5Е283. Дивитись у збільшеному масштабі



Схема розположення підшибників зубострогального верстата 5Е283

Схема розположення підшибників зубострогального верстата 5Е283

Схема розположення підшибників зубострогального верстата 5Е283. Дивитись у збільшеному масштабі



Схема нарізання зубъев методом копирования

Схема нарізання зубъев методом копирования



Схема съема припуска при различных способах обробки

Схема съема припуска при различных способах обробки



Гідравлічна схема зубострогального верстата 5Е283

Гідравлічна схема зубострогального верстата 5Е283

Гідравлічна схема зубострогального верстата 5Е283. Дивитись у збільшеному масштабі



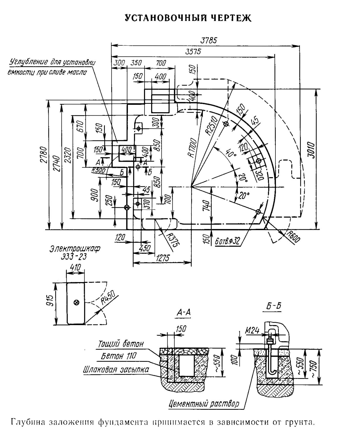
Настановне креслення зубострогального верстата 5Е283

Настановне креслення зубострогального верстата 5Е283

Настановне креслення зубострогального верстата 5Е283. Дивитись у збільшеному масштабі






5Е283 Верстат зубострогальный напівавтомат. Відеоролик.



Технічні характеристики зубострогального верстата 5Е283

Наименование параметра 5Е283 526 5а26
Основні параметри верстата
Наибольший диаметр нарезаемых колес при передаточном отношении пары 10:1, мм 1600 610 610
Наибольший окружной модуль нарезаемого колеса, мм 30 1..8 1..8
Внешнее конусное расстояние (длина образующей делительного конуса) обрабатываемых зубчатых колес, мм 800 0..300
Наибольшее число нарезаемых зубьев 10..300 10..200 10..200
Наибольшая длина зуба нарезаемого колеса (Наибольшая ширина зубчатого венца), мм 270 90 90
Режущий инструмент 2-а резца 2-а резца
Наибольшая высота нарезаемого зуба, мм 66
Наибольший угол установки супортів, град
Расстояние от торца шпинделя бабки вироби до центра напівавтомату, мм
Угол внутреннего делительного конуса нарезаемых зубчатых колес (установочный угол бабки вироби), град 5°42`..84° 5°42`..105°
Люлька
Наибольший угол качания люльки от центрального положения вверх і вниз, град
Поворот люльки при наладке, град
Цена деления окружной шкалы поворота люльки при наладке, град
Суппорты
Число двойных ходов резца в минуту, мин-1 17..127 54..470
Наибольший угол установки супортів, град
Поворот суппорта на одно деление шкалы линейки/ нониуса, мин
Наибольший ход резца при любом угле установки супортів, мм 320
Необходимый выход резца из вироби з тонкого кінця зуба, мм
Необходимый выход резца из вироби з толстого кінця зуба, мм
Тип зубострогальных резцов по ГОСТ 9392-75
Скорость обкатки - время робочого ходу при нарезании одного зуба (бесступенчатое регулювання), с/зуб
Бабка вироби
Кінець шпинделя бабки вироби по ГОСТ 17547-72
Расстояние от торца шпинделя бабки вироби до центра напівавтомату, мм 200..950
Угол установки бабки вироби, град 5..90°
Привід і електрообладнання верстата
Количество електродвигателей, установленных на станке
Електродвигун головного привода, кВт 7,5 (1460) 2,8
Електродвигун приводу подач, кВт 1,1 (950)
Електродвигун приводу гідронасоса, кВт
Суммарная мощность електродвигателей, кВт
Габаритные розміри і масса верстата
Габаритные розміри верстата (длина х ширина х высота), мм 3785 х 2780 х 2405
Масса верстата з електрообладнанням і охолодженням, кг 19000

    Список литературы по зубообработке

  1. Полуавтомат зубострогальный 5Е283. Инструкция по експлуатации, 1977

  2. Ачеркан Н.С. Металлорежущие верстати, Том 1, 1965.
  3. Гальперин Е.И. Наладка зуборезных верстатів, 1960.
  4. Козлов Д.Н. Зуборезные роботи, 1971.
  5. Кучер А.М., Киватицкий М.М., Покровский А.А., Металлорежущие верстати (Альбом общих видов, кинематических схем і вузлів), 1972.
  6. Лоскутов В.В., Ничков А.Г. Зубообрабатывающие верстати, 1978.
  7. Малахов Я.А. Зубообрабатывающие і резьбофрезерные верстати і их наладка, 1972.
  8. Мильштейн М.З. Нарезание зубчатых колес, 1972.
  9. Овумян Г.Г., Адам А.И. Справочник зубореза, 1983.
  10. Птицин Г.А., Кокичев В.Н. Зуборезные верстати, 1957.
  11. Шавлюга Н.И. Расчет і примеры наладок зубофрезерных і зубодолбежных верстатів, 1978.
  12. Руководящий материал для конструкторов, проектирующих технологическую оснастку. Основні данные і посадочные места металлорежущих верстатів. НИИМАШ, 1968.








Заказать

Кто владеет информацией - тот владеет миром.

Натан Ротшильд