Виробник токарно-гвинторізного верстата 95ТС-1 (ІС1-1) - Іжевський верстатобудівний завод Іжмаш , заснований у 1807 році.
Історія верстатобудування на Іжевському машинобудівному заводі "Іжмаш" починається 28 липня 1930 р. після виходу наказу №181 про створення верстатобудівного відділу.
Першою продукцією верстатобудівного виробництва на заводі став токарний верстат фірми "Леве" із зовнішньою трансмісією.
Найбільш масовими моделями універсальних токарних верстатів, випущеними в різний час, стали ІЖ-250, 1І611П, 1ІС611В, 95ТС, 250ІТВМ, 250ІТВМФ1 та токарні верстати з ЧПУ ІТ42.
Токарний верстат 95ТС-1 підвищеної точності виготовлений на базі верстата 1І611П.
Універсальний токарно-гвинторізний верстат 95ТС-1 підвищеної точності інструментальної групи призначений для виконання найрізноманітніших робіт у центрах, цангових або кулачкових патронах по чорних та кольорових металах, включаючи точення конусів, а також для нарізування метричних, модульних, дюймових різьблень.
Верстат 95ТС-1 застосовується для чистових та напівчистових робіт у одиничному та дрібносерійному виробництві. Верстати призначені для експлуатації переважно у багатоповерхових будинках, а також у рухомих ремонтних майстернях та судах.
Токарно-гвинторізний верстат 95ТС-1 забезпечує:
Головна відмінність від багатьох інших токарних верстатів - коробка швидкостей, конструктивно схожа з коробкою швидкостей фрезерних верстатів 675-676 і рукоятка включення поздовжньої - поперечної подачі.
Верстат вироблявся із середини 60-х років. На відміну від сучасних верстатів має закруглені кути на передній бабці.
Всі верстати цієї серії мають розжарювальні напрямні. Досить надійні та точні. Має автономну систему мастила, що працює від електричної гідростанції.
Старі моделі, на вторинному ринку є рясно. Це масовий виріб. Ціни коливаються від 25000руб до 130000руб і більше.
Особливості конструкції верстата

Габаритні розміри робочого простору верстата 95ТС-1 (ІС1-1)

Габаритні розміри робочого простору верстата 95ТС-1 (ІС1-1)

Фото верстата токарно-гвинторізного 95ТС-1 (ИС1-1)

Фото верстата токарно-гвинторізного 95ТС-1 (ИС1-1)

Фото верстата токарно-гвинторізного 95ТС-1 (ИС1-1)
Фото верстата токарно-гвинторізного 95ТС-1 (ІС1-1). Дивитись у збільшеному масштабі

Фото верстата токарно-гвинторізного 95ТС-1 (ИС1-1)
Фото верстата токарно-гвинторізного 95ТС-1 (ІС1-1). Дивитись у збільшеному масштабі
Фото верстата токарно-гвинторізного 95ТС-1 (ІС1-1). Дивитись у збільшеному масштабі

Фото верстата токарно-гвинторізного 95ТС-1 (ИС1-1)
Фото верстата токарно-гвинторізного 95ТС-1 (ІС1-1). Дивитись у збільшеному масштабі
Фото верстата токарно-гвинторізного 95ТС-1 (ІС1-1). Дивитись у збільшеному масштабі

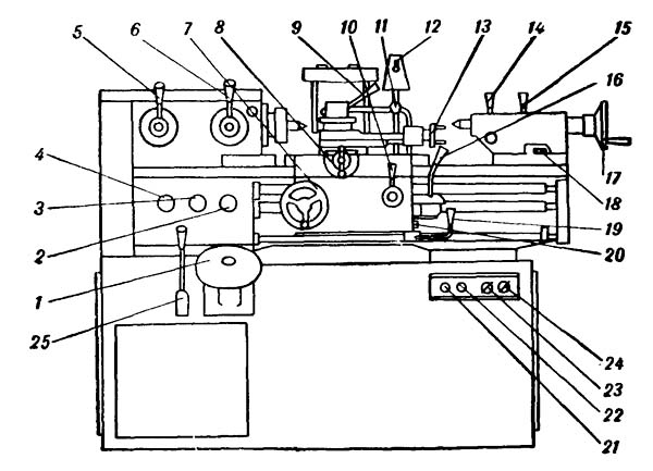
Розташування органів керування токарно-гвинторізним верстатом 95ТС-1 (ІС1-1)

Кінематична схема токарно-гвинторізного верстата 95ТС-1
Схема кінематична токарно-гвинторізного верстата 95ТС-1. Дивитись у збільшеному масштабі
Станина верстата твердої конструкції з додатковими П-подібними ребрами встановлюється на монолітній тумбі. Станіна має дві рівнобокі призматичні та дві плоскі напрямні. Передня призма продовжена до лівого торця станини і є базою для встановлення передньої бабки. На передній стороні станини передбачена полиця для захисту ходового ггвинта від стружки та емульсії, на ній встановлюється поздовжній жорсткий упор.
Усередині тумби верстата змонтовані редуктор з головним двигуном, вузол мастила та установка для охолодження. У правій частинині тумби у спеціальній ніші встановлено панель електроустаткування. Резервуар для збору рідини, що охолоджує, виконаний разом з тумбою.
Редуктор , встановлений у лівій частинині тумби, є чотиривісною коробкою швидкостей з приводом від фланцевого електродвигуна. Редуктор має плоскі напрямні для переміщення напрямними тумби при натягу ремінної передачі і закріплюється за допомогою плит кріпильними болтами.
Изменение чисел оборотів осуществляется преселективным пристрійм, позволяющим производить выбор чисел оборотів во время роботи верстата. Выбор чисел оборотів производится посредством маховика, поворотом которого в двух дисках создается определенная комбинация отверстий под фиксирующие пальцы рычагов, переключающих блоки шестерен.
Переключення швидкостей производится следующим образом: предварительно маховиком устанавливают требуемое число оборотів шпинделя, в нужный момент увімкнення осуществляют з помощью рукоятки в два етапа: вначале рукоятку оттягивают на себя до появления заметного зусилля, удерживая рукоятку в етом положении, выжидают, пока не снизится число оборотів шпинделя (не выше 100 об/мин.); 3aтем рукоятку оттягивают до отказа, производя, таким образом, увімкнення установленной скорости.
При работе на низких скоростях шпинделя (ниже 100 об/мин.) увімкнення може быть произведено сразу движением рукоятки до отказа. В случае, если по каким-либо причинам (остановился двигатель і т. д.) після первой попытки переключение не произошло, необходимо отпустить рукоятку і произвести переключение снова или повторить переключение при нажатии конечника ВК3 (фиг. 17).
Передня бабка. В середине бабки на гильзе находится шкив. Рух на шпиндель от редуктора передається четырьмя клиновыми ремнями. Шпиндель верстата получает 12 чисел оборотів от приемного шкива напрямую через зубчатую муфту і 12 — через перебор 1:8. На передньої стенке бабки (справа) находится рукоятка переключения ше-i стерен перебора і зубчатой муфты. Керування перебором і зубчатой муфтой сблокировано так, что одновременное их увімкнення невозможно. Чтобы не смять торцы шестерен, переключение перебора на ходу не рекомендуется.
В корпусе передньої бабки имеется звено увеличения шага (8:1) і трензель, з которого вращение через гітару передається на коробку подач.
Коробка подач закрытого типа позволяет нарезать метрические різьби всех стандартных шагов от 0,2 до 48 мм, дюймовые різьби з числом ниток на дюйм от 24 до 0,5, модульные з модулем от 0,2 до 30 мм і получать подачі в пределах от 0,01 до 3 мм/об. Поперечные подачі равны половине продольных.
В пределах каждой системы (метрической, дюймовой или модульной) різьби во всем диапазоне нарезаются без изменения налаштування сменных шестерен.
Для нарізання різьб підвищеної точності механізм подач позволяет произвести прямое соединение ходового гвинта з гитарой, минуя механізм подач. При етом каждый шаг подбирается только сменными шестернями гітари.
Гітара крепится на левом торце коробки подач. Общее передаточное отношение ланцюги подач от шпинделя до 1-го ведущего вала гітари 1 : 2.
Передаточное отношение гітари 5:8 соответствует налаштуванні на метрическую резьбу. Для случая нарізання модульных, дюймовых різьб і різьб підвищеної точності (минуя механізм коробки подач) на гітарі предусмотрена возможность установки сменных шестерен.
В руководстве приводятся данные для налаштування верстата на нарезание різьб підвищеної точності, а также специальных резьб, не указанных в таблице налаштування механізма подач.
Задня бабка жесткой конструкції, закрепляется на станине одной рукояткой через ексцентрик і тягу. Для более надежного зажиму предусмотрен дополнительный болт. Для обточки небольших конусов корпус задньої бабки може смещаться з линии центров в пределах ± 10 мм гвинтами.
Для выверки осей передньої і задньої бабки в горизонтальной плоскости необходимо совместить платики на корпусе і поддоне.
Положение пиноли фиксируется рукояткой, установленной в передньої частини бабки.
Фартук закрытого типа обеспечивает получение продольных і поперечных подач суппорта вручную, механически — от коробки подач через ходовой валик, а также нарезание різьб при помощи ходового гвинта. Фартук имеет четыре муфты, позволяющие осуществить прямую і обратную подачі в продольном і поперечном направлениях. Керування подачей осуществляется одной рукояткой 16 (см. схему керування).
Перемещение рукоятки при включении того или иного руху совпадает з направлением переміщення суппорта при левом вращении ходового валика, независимо от направления обертання шпинделя.
Для автоматичного отключения подач при перегрузках фартук имеет механізм, который можно регулировать винтом 20 (рис. 7). Этот же механізм используется і как пристрій для автоматичного останова суппорта в продольном і поперечном направлениях з точностью ±0,01 мм, независимо от величины подачі. При срабатывании механізма рукоятка 16 автоматически в нейтральное положение не возвращается і її переключение необходимо произвести вручную. В некоторых случаях робота механізма сопровождается незначительным треском, что не является признаком его неисправности.
Наличие блокировочного пристроя исключает возможность одновременного увімкнення ходового гвинта і ходового валика. С левой стороны фартук имеет маховик для ручного " переміщення суппорта. На оси маховика установлен лимб продольных подач з ценой деления 0,1 мм. С правой стороны на зеркале фартука расположена рукоятка для увімкнення гайки ходового гвинта. Верхнее положение рукоятки соответствует выключенному положению гайки, нижнее — включенному.
Суппорт крестовой конструкції имеет ручное і механическое продольное перемещение по направляющим станины і поперечное перемещение по направляющим каретки.
Кроме того, верхняя часть суппорта, несущая на себе 4-резцо-вую головку, имеет независимое ручное перемещение по направляющим средней поворотной частини і може поворачиваться на 70° в сторону робочого і на 90° — от робочого.
Осевое усилие гвинта поперечної подачі воспринимается упорными шарикопідшипниками.
Лимб поперечної подачі имеет цену деления 0,02 мм на радиус, лимб подачі верхней частини суппорта выполнен з ценой деления 0,05 мм.
Освещение. Сзади, на правом кінці каретки, укреплена осветительная арматура, увімкнення лампочки производится выключателем.
Охлаждение. Подача охлаждающей жидкости из емульсионного бака, расположенного в нише правой частини тумбы, в рабочую зону инструмента осуществляется електронасосом производительностью 22 литра в минуту.
Патроны. Верстат снабжен самоцентрирующим трехкулачковым патроном диаметром 160 мм і поводковым патроном. Быстросъемные патроны устанавливаются на конус шпинделя і прижимаются к фланцу четырьмя гайками.
Упоры. К верстату прикладываются продольный і поперечний жесткие упоры, по которым возможна робота з автоматическим вимкненням подач. Кроме етого, прикладывается поперечний индикаторный упор, позволяющий производить обработку з более високою точностью за счет устранения влияния зазоров в механізмах поперечної подачі.

Принципиальная електрична схема токарно-гвинторізного верстата 95ТС-1
Схема електрична принципова токарно-гвинторізного верстата 95ТС-1. Дивитись у збільшеному масштабі

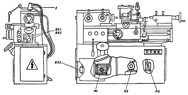
Схема розміщення електроустаткування на станке 95ТС-1
На станке установлены три трехфазных асинхронных електродвигуна:
Электродвигатели і аппаратура рассчитаны на увімкнення в сеть напряжением 380 В і частотой 50 Гц.
Напряжение местного освещения 24 В і ланцюги керування 110 В.
Для динамического торможения исппользуется напряжение 60 В постоянного тока.
Подключение електрической частини верстата к сети осуществляется выключателем ВС. При нажатии кнопки Кн2 происходит увімкнення магнитного пускателя КМ, которым включается електродвигатель змазки М2.
Затем переводом в верхнее положение рукоятки валика керування нажимается выключатель ВК1, включая пускатель КВ (вперед). Последний включит електродвигатель М1 головного привода.
При переводе рукоятки валика в нижнее положение нажимается выключатель ВК2, который включит пускатель КН (назад), при етом електродвигателю М1 будет обеспечено обратное вращение.
При установці валика керування из верхнего или нижнего положения в нейтральное через нормально закрытые контакты 3-21, 21-23, 23—25, 25—27 включится реле часу РВ. Реле часу своим нормально открытым контактом включит пускатель тормоза КТ, а другой закрытый контакт РВ з выдержкой часу разомкнет ланцюг етого пускателя. Величина выдержки настраивается на время, необходимое для полного останова електродвигуна головного приводу Ml, но не более 2,5 сек., так как налаштування на более длительное время може привести к выходу из строя селенового выпрямителя і трансформатора. Электродинамическое торможение происходит путем подачі постоянного тока от селенового выпрямителя СВ в обмотку статора електродвигуна. Конечный выключатель ВК3 служит для притормаживания електродвигуна М1 в момент переключения шестерен редуктора на ходу. Увімкнення електронасоса охлаждения производится выключателем ВН при работающем електродвигателе змазки М2. Увімкнення освещения осуществляется выключателем ВО.
| Наименование параметра | 95ТС-1 | 250ИТВМ.01 |
|---|---|---|
| Основні параметри | ||
| Класс точності по ГОСТ 8-82 | П | В |
| Наибольший диаметр заготовки над станиной, мм | 250 | 240 |
| Наибольший диаметр заготовки над суппортом, мм | 125 | 168 |
| Наибольшая длина заготовки (РМЦ), мм | 500 | 500 |
| Высота оси центров над плоскими направляющими станины, мм | 130 | |
| Наибольшее расстояние от оси центров до кромки резцедержателя, мм | 130 | |
| Шпидель | ||
| Диаметр сквозного отверстия в шпинделе, мм | 25 | 25 |
| Наибольший диаметр прутка, проходящий через отверстие в шпинделе, мм | 24 | 24 |
| Число ступеней частот прямого обертання шпинделя | 21 | |
| Частота прямого обертання шпинделя, об/мин | 20..2000 | 25..2500 |
| Число ступеней частот обратного обертання шпинделя | 21 | |
| Частота обратного обертання шпинделя, об/мин | 20..2000 | |
| Размер внутреннего конуса в шпинделе, М | Морзе 4 | Морзе 4 |
| Кінець шпинделя по ГОСТ 12593-72 | 4 | 4 |
| Суппорт. Подачи | ||
| Наибольшая длина ходу каретки (наибольшее продольное перемещение суппорта), мм | 500 | 500 |
| Наибольшее поперечное перемещение суппорта, мм | 180 | |
| Цена деления лимба продольного переміщення, мм | 0,1 | |
| Цена деления лимба поперечного переміщення, мм | 0,02 | |
| Число ступеней продольных подач | ||
| Пределы рабочих подач продольных, мм/об | 0,01..1,8 | 0,01..1,8 |
| Число ступеней поперечных подач | ||
| Пределы рабочих подач поперечных, мм/об | 0,005..0,9 | 0,005..0,9 |
| Скорость быстрых продольных перемещений суппорта, м/мин | нет | нет |
| Скорость быстрых поперечных перемещений суппорта, м/мин | нет | нет |
| Количество нарезаемых різьб метрических | ||
| Пределы шагов нарезаемых різьб метрических, мм | 0,2..48 | 0,2..48 |
| Количество нарезаемых різьб дюймовых | ||
| Пределы шагов нарезаемых різьб дюймовых | 24..0,5 | 24..0,5 |
| Количество нарезаемых різьб модульных | ||
| Межі кроків різьблення модульних | 0,2..30 | 0,2..12 |
| Кількість нарізних різьблення питних | ні | ні |
| Межі кроків різьблення питних | ні | ні |
| Найбільше зусилля, яке допускається механізмом подач на різці - поздовжнє, Н | 3000 | |
| Найбільше зусилля, яке допускається механізмом подач на різці - поперечне, Н | 3000 | |
| Різцеві санки | ||
| Найбільша довжина переміщення різцевих санчат, мм | 120 | |
| Переміщення різцевих санок на один поділ лімба, мм | 0,05 | 0,05 |
| Найбільший кут повороту різцевих санок, град | ±80° | |
| Ціна поділу шкали повороту різцевих санчат, град | 1° | 1° |
| Найбільший переріз державки різця, мм | 16 х 16 | |
| Висота від опорної поверхні різця до осі центрів (висота різця), мм | 16 | |
| Число різців у різцевій головці | 4 | 4 |
| Задня бабка | ||
| Діаметр пінолі, мм | ||
| Конус отвору пінолі задньої бабки за ГОСТ 2847-67 | Морзе 3 | |
| Найбільше переміщення пінолі, мм | 85 | |
| Переміщення пінолі на один поділ лімба, мм | 0,05 | |
| Переміщення пінолі на одну лінійку, мм | 1 | |
| Розмір поперечного зміщення корпусу бабки, мм | ±10 | |
| Електроустаткування | ||
| Кількість електродвигунів на верстаті | 3 | 3 |
| Електродвигун головного приводу, кВт | 3 | 3 |
| Електродвигун швидких переміщень, кВт | ні | ні |
| Електродвигун насоса мастила, кВт | 0,08 | |
| Електродвигун насоса охолодження, кВт | 0,05 | |
| Насос охолодження (помпа) | ПА-22 | ПА-22 |
| Габарити та маса верстата | ||
| Габарити верстата (довжина ширина висота), мм | 1770_970_1300 | 1790_810_1400 |
| Маса верстата, кг | 1120 | 1180 |