metalinstryment.com
Довідник по металорізальних верстатів та пресовому обладнанні

514 Верстат зубодолбежный вертикальний напівавтомат
схеми, опис, характеристики

514 Загальний вигляд  зубодолбежного верстата







Відомості про виробника зубодолбежного напівавтомату 514

Производитель вертикального зубодолбежного напівавтомату 514 Егорьевский станкостроительный завод Комсомолец, СЗК, основанный в 1934 году.





Продукция Егорьевского станкостроительного завода Комсомолец, СЗК


514 Верстат зубодолбежный вертикальний механический універсальний напівавтомат. Назначение і область применения

Зубодолбежный напівавтомат 514 является одним их первых зубодолбежных верстатів, разработанных в ЭНИМС в 50-х. Верстат 514 был заменен более совершенной моделью 5м14.

Зубодолбежный верстат 514 предназначен для нарізання цилиндрических колес з прямыми і косыми зубьями как наружного, так і внутреннего зацепления в условиях индивидуального і головним образом серийного производства. Верстат приспособлен для нарізання блоков шестерен. При наличии додаткових пристосувань на станке можно также нарезать рейки. Верстат може быть использован для чернового і чистового нарізання зубьев.

Особливості конструкції і принцип роботи зубодолбежного верстата 514

Установка і снятие обрабатываемого колеса і установочный подвод долбяка к заготовке производится вручную. Все остальные операции цикла обробки автоматизированы.

Принцип роботи. Верстат 514 работает по методу обкатки, воспроизводя зацепление двух цилиндрических колес, одно из которых является режущим инструментом (долбяком), а второе заготовкой. Долбяк закрепляется на конец шпинделя і получает прямолинейное возвратно-поступательное движение. При движении вниз долбяк совершает рабочий ход, снимая стружку з заготовки. Обратный ход долбяка является холостым; в ето время стол з заготовкой отводится на небольшое расстояние от долбяка.

К моменту начала робочого ходу стол возвращается в исходное положение.

Обрабатываемая деталь или комплект одновременно обрабатываемых деталей устанавливается на оправке в шпинделе стола. Соотношение чисел оборотів долбяка і заготовки обратно пропорционально отношению чисел их зубьев, т. е. они вращаются так, как будто действительно находятся в зацеплении.

До начала обробки долбяк подводится вплотную к наружной поверхности заготовки. После етого включается радиальная подача шпиндельной головки для обеспечения врізання долбяка в заготовку на требуемую глубину. По окончании врізання радиальная подача прекращается і заготовка в течение полного оборота нарезается только з круговой подачей.

В зависимости от величины модуля нарезаемого колеса его обработка осуществляется в один, два і три прохода. При многопроходной обработке процесс різання повторяется перед каждым проходом.

При нарезании зубчатых колес з косыми зубьями используют винтовые направляющие і косозубые долбяки. В етом случае долбяк совершает возвратно-винтовое рух в соответствии з углом наклона зубьев нарезаемого колеса. Направление наклона зубьев долбяка должно быть противоположным направлению наклона зубьев нарезаемого колеса.

Верстат 514 работает по напівавтоматическому циклу, для чего служит спеціальний храповой счетный механізм, обеспечивающий автоматическое вимкнення верстата по окончании нарізання зубчатого колеса.


Нарезание цилиндрических колес на зубодолбежных верстатах. Загальні відомості

В зависимости от положения оси обрабатываемого колеса зубодолбежные верстати подразделяются на вертикальные і горизонтальные. Вертикальные верстати работают одним круглым долбяком. В зависимости от конструкції различают: а) верстати, у которых радиальное врезание осуществляется переміщенням суппорта з долбяком, а при холостом ходе заготовка отводится от долбяка; б) верстати, у которых радиальное врезание осуществляется переміщенням стола з заготовкой, а при холостом ходе долбяк отводится от заготовки.

Горизонтальные верстати, как правило, работают двумя спаренными долбяками і предназначены для нарізання цилиндрических колес з шевронными зубьями без канавок.

Отечественные зубодолбежные верстати выпускаются пяти типорозмірів, относящихся к двум группам отнотипным по компоновке:

  1. 5А12, 5В12, 514, 5М14 і др. выполнены з подвижным суппортом шпинделя. Качательное отводное рух во время холостых ходов долбяка осуществляется столом. Однопроходный или двухпроходный цикл осуществляется автоматически, без изменения режимов різання между проходами.
  2. 5140, 5Б150, 5В150 і 5Б161 верстати выполнены з подвижным столом і нерухомою стойкой. Отводное качательное рух осуществляется долбяком. Верстати етих моделей могут работать по автоматическому двухпроходному циклу з изменением режимов різання между проходами.




514 Габаритные розміри робочого простору і присоединительные базы зубодолбежного верстата

Габаритные розміри робочого простору і присоединительные базы зубодолбежного верстата

Габаритные розміри робочого простору верстата 514

Габаритные розміри робочого простору і присоединительные базы зубодолбежного верстата. Дивитись у збільшеному масштабі



514 Загальний вигляд зубодолбежного верстата

514 напівавтомат зубодолбежный. Загальний вигляд

Фото зубодолбежного верстата 514


514 напівавтомат зубодолбежный. Загальний вигляд

Фото зубодолбежного верстата 514


514 напівавтомат зубодолбежный. Загальний вигляд

Фото зубодолбежного верстата 514


514 напівавтомат зубодолбежный. Загальний вигляд

Фото зубодолбежного верстата 514. Вид сзади


514 напівавтомат зубодолбежный. Загальний вигляд

Фото зубодолбежного верстата 514


514 Розташування органів керування зубодолбежным верстатом

514 Розташування органів керування зубодолбежным верстатом напівавтоматом

Розташування органів керування зубодолбежным верстатом 514

Основні вузли верстата 514

Органы керування верстата 514

  1. квадрат для ручного переміщення шпиндельной головки;
  2. квадрат для ручного поворота долбяка і заготовки;
  3. рычаг для изменения направления обертання долбяка і заготовки;
  4. кнопочная станція;
  5. рычаг увімкнення радиальной подачі долбяка;
  6. квадрат для ручного поворота кулачка радиальной подачі долбяка.




Розташування основних вузлів зубодолбежного верстата 514

Розташування основних вузлів зубодолбежного верстата 514

Розташування основних вузлів зубодолбежного верстата 514

Розташування основних вузлів зубодолбежного верстата 514. Дивитись у збільшеному масштабі



Верстат состоит из следующих основних вузлів (рис. 105):

Нижня станина служит основанием верстата. В ней расположены стол і его круговые направляющие, рычаги качания стола, гітара деления (под крышкой 20), електродвигатель і ременная передача швидкого установочного обертання заготовки (под крышкой 19), корпус делительной червячной передачи обертання стола. Под крышкой 21 расположен насос для подачі охлаждающей жидкости.

Верхня станина монтируется на нижней і имеет в передньої частини направляющие 22, по которым перемещается супорт 13. В станине находятся главный електродвигатель, коробка швидкостей 7 з рукояткой переключения 23, механізм круговых подач 12 з гітарою подач под наружной крышкой 9, автомат радиальной подачі (врізання) 15, гітара радиальных подач (под крышкой 16) і шатунный механізм 10 возвратно-поступательного руху шпинделя долбяка.

Квадрат 18 служит для ускоренного подвода суппорта вручную, а рукоятка 17 — для увімкнення начала цикла обробки каждого колеса.

Изменение направления обертання шпинделя долбяка і стола производится квадратом 11.

Вращение шпинделя долбяка вручную производится з помощью квадрата 8.

Суппорт перемещается по направляющим верхней станины в радиальном к заготовке направлении. В нем расположены червячная передача, вращающая верхнюю втулку, і шпиндель.

Перемещение суппорта по направляющим верхней станины производится вручную вращением рукоятки з квадратом 4.

Отсчет величины переміщення осуществляется по лимбу 3.

Панель 6 предназначена для пуска і остановки верстата, панель 14 — для пуска і остановки швидкого обертання стола.





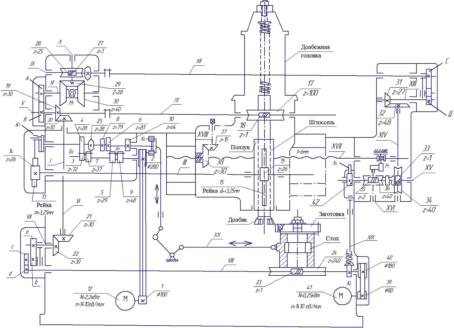
Структурна схема зубодолбежного верстата 514

Структурна схема зубодолбежного верстата 514


Схема кінематична і налаштування зубодолбежного верстата 514

Схема кінематична зубодолбежного верстата 514

Кінематична схема зубодолбежного верстата 514

1. Схема кінематична зубодолбежного верстата 514. Дивитись у збільшеному масштабі

2. Схема кінематична зубодолбежного верстата 514. Дивитись у збільшеному масштабі

3. Схема кінематична зубодолбежного верстата 514. Дивитись у збільшеному масштабі

4. Схема кінематична зубодолбежного верстата 514. Дивитись у збільшеному масштабі



Кінематична схема верстата (рис. 106) обеспечивает наступні основні руху:

  1. Рух різання — главное рух - возвратно-поступательное рух шпинделя долбяка;
  2. Движения подач:
    1. Круговая подача - вращение долбяка относительно своей оси;
    2. Радиальная подача - радиальное рух шпиндельной головки (суппорта) в период врізання долбяка;
    3. Рухм деления і обкатки - вращательное согласованное делительное рух стола з заготовкой;
  3. Вспомогательные руху:
    1. Отвода і подвод стола - качательное рух стола з заготовкой от долбяка в момент его обратного ходу;
    2. Быстрое установочное вращение стола з заготовкой;
    3. Рух счетного механізма для автоматичного виключення верстата.

Ланцюг головного руху (різання)

От електродвигуна M1 (N = 2,2 кВт, n = 1440 об/мин) вращение передається через клиноременную передачу 100—280 валу I коробки швидкостей.

На валу I расположены два двойных подвижных блока 22, 37 і 29, 46.

В зависимости от положения етих блоков вал II може получить четыре различные скорости обертання.

На левом кінці вала II закреплен кривошипный диск з радиальным пазом, в котором установлен подвижный кривошипный палец XXI, связанный з шатуном XX з рейкой, находящейся в зацеплении з шестерней г = 26, сидящей на валу III. На етот же вал III насажена другая шестерня z = 26, находящаяся в зацеплении з рейкой, закрепленной на гильзе шпинделя долбяка. Таким образом шпиндель долбяка получает возвратно-поступательное рух з числом двойных ходов, равным числу оборотів кривошипного диска і вала II.

Расчетные переміщення конечных елементів ланцюги: 1420 об/мин електродвигуна — nдв.ход шпинделя долбяка.

Рівняння кинематического баланса ланцюги головного руху:


1440·(100/280)·0,985·iск = nдв.ход


Формула налаштування коробки швидкостей:


iск = nдв.ход/500


На станке можно получить четыре различных числа двойных ходов долбяка: n = 125; 178; 253 і 359 дв. ходов/мин




Ланцюг вращательного руху (круговой подачі) долбяка

От вала II через звездочки 28—28 вращение передається валу V. Далее через червячную передачу 3—23 приводится во вращение вал VI, конічний реверс 28—42, вал VII гітари круговых подач.

От положения муфты М1 зависит направление обертання долбяка і стола. С помощью сменных колес a2 і b2 гітари круговых подач рух передається на вал VIII, на котором сидит на скользящей шпонке делительный однозаходный червяк, находящийся в зацеплении з червячным колесом z = 100. Внутри червячного колеса закреплена полувтулка з прямолинейными направляющими, касающимися второй полувтулки, закрепленной на шпинделе. Таким образом вращение червячного колеса передається шпинделю.

Так как двойной ход долбяка происходит за каждый оборот вала II, то кінематична ланцюг вращательного руху долбяка должна мати такое передаточное отношение, которое обеспечит за каждый оборот вала II поворот долбяка по дуге делительной окружности на принятую величину круговой подачі sкр.

Расчетное перемещение конечных елементів ланцюги: один оборот вала II — sкр мм/дв. ход долбяка.

Рівняння кинематического баланса ланцюги вращательного руху круговой подачі долбяка:


1·(28/28)·(3/23)·(28/42)·(a2/b2)·(1/100)·π·m·zд = sкр


Формула налаштування гітари круговых подач:


a2/b2 = (366·sкр) / (m·zд)


При использовании стандартного долбяка з диаметром делительной окружности dд = m·zд= 100 мм формула принимает вид:


a2/b2 = 3,6 sкр)


К верстату прилагаются три пары сменных колес, позволяющих установить одну из шести круговых подач долбяка sкр = 0,17; 0,21; 0,24; 0,30; 0,35; 0,44. Так как на расстояние между осями сменных колес неизменно, требуется, чтобы сумма их зубьев всегда была равна 89.

Ланцюг деления

Вращательное делительное рух стола заимствуется от вала VIII і дальше передається через конические шестерни 30—30, вал IX, конические шестерни 30—30, вал X, сменные шестерни гітари деления a/b·c/d, вал XI і червячную передачу 1—240. Для согласованности движений долбяка і заготовки необходимо, чтобы при повороте долбяка на один зуб (на 1/zд оборота) заготовка тоже поворачивалась на один зуб (на 1/z оборота).

Расчетные переміщення конечных елементів ланцюги:


1/zд — оборота долбяка -> 1/z — оборота стола.


Рівняння кинематического баланса ланцюги деления:


1/zд·(100/1)·(30/30)·(30/30)·(a/b)·(c/d)·(1/240) = 1/z


Формула налаштування гітари деления:


(a/b) · (c/d) = 2,4(zд/z)





Ланцюг радиальной подачі долбяка

Радиальная подача долбяка осуществляется переміщенням суппорта от гвинта XVIII, входящего в гайку з конической шестерней 2 = 30, закрепленную в суппорте. На правом кінці гвинта XVIII укреплен ролик, прижимаемый пружиной к профильному кулачку К1. Вращение от вала II через, цепную передачу 28—28, вал V, сменные колеса гітари радиальных подач (a1/b1) · (c1/d1) - передається на вал XIV через конические колеса 24—48 валу XV і червячной передаче 1—40, через муфту М2 червячной передаче 2—40 валу XVII і кулачку радиальной подачі К1. Через ролик Р, катящийся по кулачку, рух передається винту XVIII, а з ним суппорту, несущему шпиндель IV з долбяком. Расчетные переміщення конечных елементів ланцюги:


1 оборот вала II - sрад мм/дв. ход.


Рівняння кинематического баланса ланцюги деления:


1·(28/28)·(a1/b1)·(c1/d1)·(24/48)·(1/40)·(2/40)·Н = sрад


где H — шаг подъема архимедовой спирали кулачка в мм.

Формула налаштування гітари подач:


(a1/b1)·(c1/d1) = 1600 / Н·sрад


Верстат моделі 514 снабжен сменными колесами, осуществляющими наступні радиальные подачі:


sрад = 0,024; 0,048; 0,096 мм/дв. ход.


Профили кулачков врізання зубодолбежного верстата 514

Профили кулачков врізання зубодолбежного верстата 514

На одном валу з червячным колесом етой пары насажен нерухомо кулачок К1 радиальной подачі (врізання), вращающийся вместе з етим колесом. К кулачку прижимается пружиной ролик r1, закрепленный на винте XIV.

При вращении кулачка криволинейный участок его профиля, выполненный по спирали, отжимает ролик r1 вправо і перемещает винт XIV (без обертання) в продольном направлении. Винт ввинчен в гайку зубчатого колеса 15, закрепленного в суппорте; при перемещении гвинта супорт з долбяком придвигаются к заготовке.

Механізм врізання управляется кулачком K1. Кулачки в зависимости от числа проходов при долблении имеют разные профили. К верстату прилагаются три кулачка: для одного (рис. 73, а), двух (рис. 73, б) і трех проходов (рис. 73, в). На станке 514 при однопроходном кулачке за один оборот обрабатываются две заготовки: в первую половину оборота нарезается одна заготовка, во вторую — другая. Двух-и трехпроходные кулачки за один оборот осуществляют соответственно два или три прохода одной заготовки.

Во всех трех кулачках профиль одной четверти окружности построен по кривой — архимедовой спирали. При перемещении ролика по етой спирали (Вр. 90°) происходит врезание на глубину h. Спираль у однопроходного і трехпроходного кулачков начинается от выреза в кулачке, в точке а и, постепенно удаляясь от центра кулачка, оканчивается в точке b; у двухпроходного кулачка спираль начинается в точке а, расположенной под углом 90° от выреза, і оканчивается в точке b. От точки b профили кулачков идут по окружности. У однопроходного кулачка профиль після спирали выполнен по одной окружности, на участке угла 190°; двухпроходного кулачка — по двум окружностям, на участке угла I 90°, каждая спираль (I 90° і II 90°); трехпроходного кулачка — по трем окружностям, на участке угла 90° (I 90°; II 90°; III 90°).

При использовании однопроходного кулачка цикл нарізання одной заготовки заканчивается після полного оборота ее, не считая врізання, при повороте кулачка на 90°. Если колесо нарезается в два или три прохода, то устанавливается соответственно двух- или трехпроходной кулачок і після окончания врізання стол поворачивается на один оборот, а кулачок на 90° при каждом проходе. После первого прохода ролик переходит на следующую окружность кулачка, вследствие чего долбяк углубляется на величину припуска, равную разности радиусов етих окружностей, і стол опять поворачивается на один оборот, а кулачок на 90°. По окончании нарізання ролик попадает во впадину кулачка, з которой началось врезание, винт XIV з суппортом і долбяком под действием пружины отодвигается от зубьев заготовки і верстат автоматически останавливается.


Ланцюг ручного радиального переміщення долбяка

Ручное перемещение долбяка производится съемной рукояткой квадратной головки. За каждый оборот головки гайка 30 перемещается по винту XVIII на 1 (15/30)•6 = 3 мм (шаг гвинта t = 6 мм), цена каждого деления лимба Л равна 0,02 мм.

Отвод і подвод стола происходит за каждый оборот вала II, который одновременно сообщает двойной ход долбяку. На правом кінці вала II закреплен ексцентриковый кулачок К3, по которому катятся два жестко соединенных между собой ролика, помещенные в рамке, соединенной з тягой XXII. При вращении кулачка ролики то поднимаются, то опускаются, а тяга XXII качает рычаг, сидящий вместе з диском на валу XIII. Палец диска з помощью тяги XXIV отводит стол з заготовкой перед началом обратного ходу долбяка і подводит его вновь к началу робочого ходу.





Механізм осуществления автоматичного цикла зубодолбежного верстата 514

Схема механізма осуществления автоматичного цикла зубодолбежного верстата 514

Схема механізма автоматичного цикла зубодолбежного верстата 514

Схема механізма осуществления автоматичного цикла зубодолбежного верстата 514. Дивитись у збільшеному масштабі



Назначение механізма автоматичного цикла

Назначение етого механізма состоит в том, что он управляет механізмом врізання зубьев долбяка в тело нарезаемого колеса на установленную глубину врізання. По достижении требуемой глубины врізання автоматически выключается радиальная подача і включается счетное пристрій, контролирующее число полных оборотів шпинделя. Кроме того, механізм після установленного числа оборотів стола автоматически отводит долбяк от заготовки і выключает верстат.

Кулачок К1 в процессе нарізання зубьев перемещает вправо ролик Р (рис. 107), соединенный з ним винт XVIII і супорт і устанавливает долбяк післядовательно в соответствующие для нарізання положения. Вращение кулачка К1 производится от двух механізмов: механізма радиальной подачі і счетного механізма.

Действие механізма радиальной подачі было описано выше. Увімкнення механізма производится поворотом рычага Р2 вправо і рычаг закрепляется фиксатором Ф. Во время поворота рычага Р2 его вилка через тягу Т включит муфту М2 (сланцюгив червячное колесо 40 з валом XVI). Одновременно тяга Т сместит упор У, который приподнимет собачку С, расланцюгив її з храповым колесом X.

Лівий конец рычага P1 под действием пружины П1 будет опираться на выступ кулачка К1, расположенный на задньої его стороне. При своем вращении кулачок К1 отодвигает вправо ролик Р і соединенный з ним винт XVIII, и, таким образом, происходит врезание долбяка в заготовку. До начала врізання долбяк подводится вручную рукояткой 4 (см. рис. 105) в соприкосновение з поверхностью заготовки. В момент окончания врізання левый конец фиксаторного рычага Р1 (см. рис. 106) соскальзывает з выступа, имеющегося на обратной стороне кулачка К1, а пружина П1 поднимает правый его конец з фиксатором і рычаг Р1 освобождается. Последний под действием пружины П2 поворачивается влево і тягой Т выключает муфту М2, отводит упор У, освободив при етом собачку С, которая под влиянием собственного веса опускается і сцепляется з храповиком X. Кулачок К1 теперь уже приводится в рух валом XI, на котором сидит червяк, вращающий стол XII з заготовкой.

На етом же валу (см. рис. 106) ексцентрично насажен кулачок К2, сообщающий качательное рух через тягу XIX сектору е (рис. 107) з укрепленной на нем собачкой С. При етом за каждый двойной ход собачка захватывает один зуб храпового колеса X. Ролик Р в ето время будет катиться по цилиндрической частини кулачка К1 і поетому радиальной подачі не будет.

С момента окончания врізання долбяка на полную высоту зуба начинается процесс обробки заготовки колеса, который продолжается в течение одного оборота стола з заготовкой. Когда цикл обробки заканчивается, ролик Р попадает во впадину кулачка К1. Винт XVIII вместе з суппортом под действием пружины отойдет влево, выведя долбяк из зацепления з нарезанным колесом. Одновременно упор В нажимает на конечный выключатель KB і останавливает верстат.

Быстрое установочное вращение стола передається от отдельного електродвигуна МП (N = 0,5 кВт, п= 1440 об/мин) через ременную передачу 80—180 на вал XI і делительную червячную передачу 1—240 стола (см. рис. 106).


Вузли зубодолбежного верстата 514

Вузли зубодолбежного верстата 514

Вузли зубодолбежного верстата 514

Вузли зубодолбежного верстата 514. Дивитись у збільшеному масштабі



Кривошипно-шатунный механізм

Кривошипный диск 2 (рис. 135, а) з пальцем 3 жестко закреплен на валу II коробки швидкостей (см. рис. 134). На палец 3 кривошипного диска надет шатун 4, в который ввернут винт 5. имеющий оправа гладкую цилиндрическую шейку. На цилиндрическую часть гвинта 5 надета гильза 7 з нарезанной на ней рейкой. Последняя находится в постоянном зацеплении з реечным колесом 10, насаженным на шлицевый вал 9.

При вращении кривошипного диска 2 шатун 4 вместе з винтом 5 і гильзой-рейкой 7, которая перемещается в качающейся направляющей 6, сообщают реечной шестерне 10 і валу 9 возвратно-вращательное движение. На етом валу (см. вал III на рис. 134) находится реечное колесо, сообщающее шпинделю возвратно-поступательное движение.

Налаштування на требуемую длину ходу шпинделя з долбяком достигается поворотом квадрата а гвинта 1. При повороте етого гвинта изменяется радиус кривошипного пальца 3, что вызывает изменение длины ходу шатуна 4, і рейки 7, которые, в свою очередь, меняют угол поворота реечного колеса 10, обусловливающего длину ходу долбяка.

Установка заданного места ходу долбяка осуществляется поворотом квадрата б при ослабленных гайке 8 і стопоре 11; при етом винт 5 ввинчивается или вывинчивается из резьбового гнезда шатуна 4. Гильза 7 з рейкой поворачивает реечное колесо 10 і вал 9, поднимая или опуская долбяк.

Механізм відведення стола

В момент ходу шпинделя з долбяком вверх ексцентрик 6 (рис. 135, б; см. также Э на рис. 134), укрепленный на валу 5, сообщает возвратно-поступательное рух рамке 4 з двумя роликами, плотно прижатыми к поверхности ексцентрика 6, тяге 3 і хомутику 2. Хомутик 2 связан з коромыслом 1. закрепленным на валике 13. На другом кінці валика 13 укреплен кривошипный диск 12 з пальцем 11, на который надет шатун 10, шарнирно связанный з корпусом 9 стола верстата.

При ходе шпинделя з долбяком вверх ексцентрик 6 перемещает рамку 4 вниз, поворачивая кривошипный диск 12 і отводя стол з заготовкой от долбяка.

Для устранения ударов, могущих возникнуть при износе деталей механізма відведення стола і влияющих на точность нарезаемых зубьев шестерен, служат планка 8 і упор 7.

Механізм подачі і счетно-выключающее пристрій

На рис. 135, в изображен механізм радиальной подачі шпиндельной головки і автоматическое пристрій для виключення верстата по окончании обробки заготовки.

После швидкого ручного подвода долбяка до соприкосновения з поверхностью заготовки поворотом рычага 11 вправо под выступ фиксатора 10 включается радиальная подача шпиндельной головки для врізання инструмента на требуемую глубину.

Фиксатор 10 прикреплен к рычажку 12, который покоится своим левым концом на выступе (на рисунке не виден) тыльной частини кулачка 16, удерживая етим рычаг 11 во включенном положении.

Вместе з рычагом 11 перемещается вправо тяга 21, поводок которой включает торцовую кулачковую муфту М2, связывающую червячное колесо 22 з валом 23. Одновременно при смещении тяги 21 вправо сухарь 18 приподнимает собачку 2 храпового механізма і удерживает її от сцепления з храповым колесом 19.

Врезание осуществляется кулачком 16, который приводится во вращение от вала 5 через сменные колеса 6, коническую передачу 4, червячную передачу 7—22, вал 23, червяк 20 і червячное колесо 3, сидящее на одном валу з кулачком 16. К поверхности кулачка 16 пружиной прижимается ролик 13, укрепленный на правом кінці гвинта 17, связанного со шпиндельной головкой.

В начале робочого цикла ролик 13 находится во впадине кулачка 16. При вращении кулачка ролик катится по его криволинейной поверхности і перемещает винт 17 і шпиндельную головку вправо, осуществляя врезание долбяка в заготовку.

Как только врезание закончится і осевое перемещение гвинта 17 прекратится, выступ на тыльной частини кулачка 16 отходит от левого кінця рычага 12 і післядний под действием пружины 9 приподнимает фиксатор 10, освобождая рычаг 11, который под действием пружины 8 поворачивается влево, смещая влево вал 21. При смещении влево вал 21 выключает муфту М2, освобождая червячное колесо і разъединяя ланцюг обертання кулачка от вала 5. Одновременно смещается влево і сухарь 18, освобождая собачку 2. Собачка под действием собственного веса опускается і входит в зацепление з храповым колесом 19, которое начинает поворачиваться вследствие качания сектора 1, приводимого в рух от кулачка К2, закрепленного на валу X (см. кинематическую схему рис. 134).

При каждом качательном движении сектора 1 і храповой собачки 2 храповое колесо 19 поворачивается на один зуб, приводя в рух через червячную передачу 20—3 кулачок 16; при етом ролик 13 будет скользить по кінцінтричной частини профиля кулачка, вследствие чего радиальной подачі происходить не будет. С етого момента стол з заготовкой должен совершить один поворот для полной обробки заготовки.

По окончании цикла обробки ролик 13 попадает во впадину кулачка 16, винт 17 под действием пружины (на чертеже не показана) перемещается влево и, нажав упором 14 на конечный выключатель 15, выключает верстат.





Методы зубонарізання. Відеоролик.



Технічні характеристики зубодолбежного верстата 514

Наименование параметра 514 5м14
Основні параметри верстата
Наибольший диаметр нарезаемых цилиндрических прямозубых колес, мм 20..500 20..500
Наибольший диаметр нарезаемых колес з внутренним зацеплением, мм 550 550
Наибольший модуль нарезаемого колеса, мм 2..6 2..6
Наибольшая длина зуба наружного зацепления (длина нарезки), мм 105 105
Наибольшая длина зуба (длина нарезки) внутреннего зацепления, мм 75 75
Наибольший угол наклона винтового зуба, град 23° 23°
Наибольшее расстояние от оси долбяка (шпинделя, штосселя) до оси стола (планшайби), мм 0..350 0..350
Расстояние от зеркала стола (планшайби) до торца шпинделя, мм 35..160 45..170
Суппорт. Штоссель (Шпиндель)
Наибольшее продольное перемещение суппорта, мм 500
Наибольший ход штосселя долбяка, мм 125 125
Цена деления шкалы установки глубины долбления зуба, мм 0,02
Наибольший диаметр устанавливаемого долбяка, мм
Пределы чисел двойных ходов долбяка в минуту 125..359 124, 179, 265, 400
Круговая подача инструмента, мм/дв.ход 0,17..0,44 Радиальная подача инструмента, мм/дв.ход Число радиальных подач инструмента Диаметр оправки под долбяк, мм Кінець шпинделя для крепления инструмента Рабочий стол (планшайба) Диаметр фланца робочого стола (планшайби), мм 240 Диаметр отверстия в шпинделе робочого стола, мм Наибольший отход стола от режущей кромки инструмента во время холостого ходу, мм 0,5 Быстрое вращение стола, об/мин Цена деления лимба установки межцентрового расстояния, мм Автоматический подвод Автоматический останов есть Привід і електрообладнання верстата Количество електродвигателей на станке 3 Електродвигун головного привода, кВт 2,8 2,8 Електродвигун приводу швидкого обертання стола, кВт 0,6 Електродвигун насоса охлаждения, кВт 0,12 Суммарная мощность електродвигателей, кВт Габаритные розміри і масса верстата Габаритные розміри верстата (длина х ширина х высота), мм 1800 х 1350 х 2200 Масса верстата з електрообладнанням і охолодженням, кг 3450

    Список литературы по зубообработке

  1. Ачеркан Н.С. Металлорежущие верстати, Том 1, 1965.
  2. Гальперин Е.И. Наладка зуборезных верстатів, 1960.
  3. Козлов Д.Н. Зуборезные роботи, 1971.
  4. Кучер А.М., Киватицкий М.М., Покровский А.А., Металлорежущие верстати (Альбом общих видов, кинематических схем і вузлів), 1972, Стр. 260.
  5. Лоскутов В.В., Ничков А.Г. Зубообрабатывающие верстати, 1978.
  6. Малахов Я.А. Зубообрабатывающие і резьбофрезерные верстати і их наладка, 1972.
  7. Мильштейн М.З. Нарезание зубчатых колес, 1972.
  8. Овумян Г.Г., Адам А.И. Справочник зубореза, 1983.
  9. Птицин Г.А., Кокичев В.Н. Зуборезные верстати, 1957.
  10. Шавлюга Н.И. Расчет і примеры наладок зубофрезерных і зубодолбежных верстатів, 1978.
  11. Руководящий материал для конструкторов, проектирующих технологическую оснастку. Основні данные і посадочные места металлорежущих верстатів. НИИМАШ, 1968.









Заказать

Кто владеет информацией - тот владеет миром.

Натан Ротшильд