metalinstryment.com
Довідник по металорізальних верстатів та пресовому обладнанні

5А12 Верстат зубодолбежный вертикальний напівавтомат
схеми, опис, характеристики

5А12 Загальний вигляд  зубодолбежного верстата







Відомості про виробника зубодолбежного напівавтомату 5А12

Производитель вертикального зубодолбежного напівавтомату 5А12 Егорьевский станкостроительный завод Комсомолец, СЗК, основанный в 1934 году.





Продукция Егорьевского станкостроительного завода Комсомолец, СЗК


5А12 Верстат зубодолбежный вертикальний механический універсальний напівавтомат. Назначение і область применения

Зубодолбежный напівавтомат 5А12 является одним их первых зубодолбежных верстатів, разработанных в ЭНИМС в 50-х годах прошлого века.

Верстат 5А12 предназначен для нарізання цилиндрических колес з прямыми і косыми зубьями как наружного, так і внутреннего зацепления в условиях индивидуального і головним образом серийного производства. Верстат приспособлен для нарізання блоков шестерен. При наличии додаткових пристосувань на станке можно также нарезать рейки. Верстат може быть использован для чернового і чистового нарізання зубьев.

Зубодолбежный верстат 5А12 работает по тому же принципу, что і верстат 5м14, і отличается большей быстроходностью, меньшими размерами і конструкцией ряда вузлів. Так, например, в станке 5А12 привід головного руху выполнен без коробки швидкостей. Налаштування на скорость різання достигается з помощью сменных зубчатых колес. Иначе выполнен кривошипно-шатунный механізм, непосредственно связанный з ползуном. Отсутствует автомат со счетным механізмом, і кулачок врізання вращается непрерывно і з постоянней скоростью. Порядок обробки і наладка верстатів 5А12 і 514 имеют много общего.


Нарезание цилиндрических колес на зубодолбежных верстатах. Загальні відомості

В зависимости от положения оси обрабатываемого колеса зубодолбежные верстати подразделяются на вертикальные і горизонтальные. Вертикальные верстати работают одним круглым долбяком. В зависимости от конструкції различают: а) верстати, у которых радиальное врезание осуществляется переміщенням суппорта з долбяком, а при холостом ходе заготовка отводится от долбяка; б) верстати, у которых радиальное врезание осуществляется переміщенням стола з заготовкой, а при холостом ходе долбяк отводится от заготовки.

Горизонтальные верстати, как правило, работают двумя спаренными долбяками і предназначены для нарізання цилиндрических колес з шевронными зубьями без канавок.

Отечественные зубодолбежные верстати выпускаются пяти типорозмірів, относящихся к двум группам.

К первой группе относятся верстати моделей 5А12, 5В12, 514, 5М14 і др., выполненные з подвижным суппортом шпинделя. Качательное отводное рух во время холостых ходов долбяка осуществляется столом. Однопроходный или двухпроходный цикл осуществляется автоматически, без изменения режимов різання между проходами.

Ко второй группе относятся отнотипные по компоновке верстати моделей 5140, 5Б150, 5В150 і 5Б161, выполненные з подвижным столом і нерухомою стойкой. Отводное качательное рух осуществляется долбяком. Верстати етих моделей могут работать по автоматическому двухпроходному циклу з изменением режимов різання между проходами.





5А12 Габаритные розміри робочого простору і присоединительные базы зубодолбежного верстата

Габаритные розміри робочого простору і присоединительные базы зубодолбежного верстата

Габаритные розміри робочого простору верстата 5а12


Габаритные розміри робочого простору і присоединительные базы зубодолбежного верстата

Габаритные розміри робочого простору верстата 5а12


Габаритные розміри робочого простору і присоединительные базы зубодолбежного верстата

Оправка для крепления вироби верстата 5а12


5А12 Загальний вигляд зубодолбежного верстата

5А12 напівавтомат зубодолбежный. Загальний вигляд

Фото зубодолбежного верстата 5а12

Розташування основних вузлів зубодолбежного верстата 5А12

Розташування основних вузлів зубодолбежного верстата 5А12

Розташування основних вузлів зубодолбежного верстата 5А12


Верстат состоит из следующих основних вузлів:


5А12 Розташування органів керування зубодолбежным верстатом

5А12 Розташування органів керування зубодолбежным верстатом напівавтоматом

Розташування органів керування зубодолбежным верстатом 5а12

Розташування органів керування зубодолбежным верстатом напівавтоматом 5А12. Дивитись у збільшеному масштабі



Органы керування зубодолбежным верстатом 5А12

  1. грибок для изменения направления обертання стола;
  2. винт для закрепления підшипника нижнего червячного вала;
  3. квадрат валика для сцепления і расцепления червяка з червячным колесом стола;
  4. кожух гітари деления;
  5. квадрат валика для обертання долбяка от руки (Р1, фиг. 110);
  6. рукоятка для переключения блока зубчатых колес при смене кулачков різання;
  7. контргруз;
  8. насос для охлаждающей жидкости;
  9. нижняя часть станины;
  10. квадрат валика для обертання стола от руки (Р4, фиг. 110);
  11. стол;
  12. долбяк;
  13. квадрат для рукоятки швидкого переміщення суппорта (Р6. фиг. 110);
  14. коробка привода;
  15. ящик для стружки;
  16. средняя часть станины;
  17. рукоятка для изменения направления обертання долбяка (переключение конического реверса 5, фиг. 110)
  18. маховичок для вертикального переміщення ползуна от руки;
  19. коромысло;
  20. квадрат валика для обертання кулачка врізання от руки (Р7, фиг. 114);
  21. кнопки пуска і остановки верстата;
  22. муфта для увімкнення червяка, вращающего долбяк (М1. фиг. 110);
  23. квадрат валика для точной установки суппорта (Р5, фиг. 110);
  24. суппорт;
  25. рукоятка закрепления установленного положения суппорта;
  26. гайки, закрепляющие положение суппорта относительно ролика на кулаке врізання;
  27. верхняя часть станины;
  28. окно для установки оправки

Особливості конструкції верстата 5а12 і принцип роботи

Станина верстата (фиг. 107) состоит из трех частин, отлитых из чугуна. Нижня часть станины 6 является основанием верстата. Внутри нижней частини станины имеется резервуар для охлаждающей жидкости. Средняя часть станины б установлена на крепежную плоскость нижней частини і притянута к ней болтами. В средней частини станины имеются плоские направляющие, по которым може перемещаться стол 4, возвратно-поступательное рух которого необходимо для відведення заготовки от долбяка при обратном ходе ползуна. В средней частини станины смонтирован і механізм відведення стола.

На верхней частини станины 3 имеются горизонтальные направляющие 2, по которым перемещается супорт долбяка 1. В етой частини станины смонтированы кривошипно-шатунный механізм головного руху, механізм врізання, а также гітара деления і сменные колеса круговой подачі і скорости різання. К задньої стенке верхней станины привернута коробка приводу з фланцевым електродвигуном.


Стол зубодолбежного верстата 5а12

Стол зубодолбежного верстата 5а12


Салазки стола монтируются на плоских направляючих в средней частини станины. В шпинделе стола имеется отверстие з обратным конусом для установки оправки для вироби (фиг. 108).


Суппорт зубодолбежного верстата 5а12

Суппорт зубодолбежного верстата 5а12


В суппорте верстата (фиг. 109) смонтировано коромысло 36, которое приводится в качательное рух шатуном 35. Шатун состоит из двух стянутых болтами частин 35а і 356, что позволяет изменить общую длину шатуна. К коромыслу прикреплен зубчатый сектор 37, находящийся в зацеплении з круговой рейкой на ползуне 38.

Червячное колесо 10, находящееся в зацеплении з червяком, посаженным на вал IV, приводит ползун во вращение. Буферная пружина 48 поглощает толчки і выбирает люфт между сектором 37 і рейкой на ползуне.

Верстат работает напівавтоматически, пуск верстата производится нажатием кнопки «Пуск» кнопочного керування 7 (фиг. 107). По окончании полной обробки електродвигатель автоматически выключается.





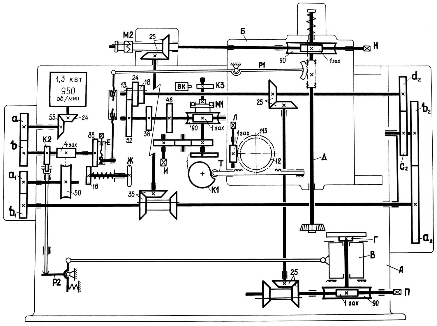
Схема кінематична і налаштування зубодолбежного верстата 5А12

Схема кінематична зубодолбежного верстата 5А12

Кінематична схема зубодолбежного верстата 5а12

1. Схема кінематична зубодолбежного верстата 5А12. Дивитись у збільшеному масштабі

2. Схема кінематична зубодолбежного верстата 5А12. Дивитись у збільшеному масштабі

3. Схема кінематична зубодолбежного верстата 5А12. Дивитись у збільшеному масштабі



Кінематична схема верстата обеспечивает наступні основні руху:

Возвратно-поступательное рух долбяка

От електродвигуна мощностью N = 1,2 кВт при п = 960 об/мин через пару конических колес 1 і 2, сменные колеса скорости А і Б получает вращение вал I. На переднем кінці вала I расположен кривошипный диск-шестерня 33, при вращении которого шатун 35 передает качательные руху коромыслу 36. Зубчатый сектор 37, закрепленный на коромысле, находится в зацеплении з круговой рейкой на ползуне (шпинделе) 38 к сообщает ему возвратно-поступательное движение.

Вращение долбяка

На валу I нарезан четырехзаходный червяк 3, зацепляющийся з червячным колесом 4. При вращении вала I через червячную пару 3—4 і сменные колеса круговой подачі В і Г рух передається на вал II. Далее, через конические колеса 5 і 6 (реверсивный механізм, меняющий направление обертання долбяка) вращается вал III. Коническое колесо 7, закрепленное на валу III, зацепляется з колесом 8, свободно сидящим на валу IV. При включении муфты М1, вращение передається на вал IV через червячную пару 9 10 на ползун. На ползуне і в отверстии червячного колеса закреплены направляющие полувтулки такого же типа, как і на станке 514 (фиг. 94).

Вращение стола

На правом кінці вала II закрепляется сменное зубчатое колесо Д гітари деления, которое через сменные колеса Е, Ж і 3 сообщает вращение валу V. Далее, через конические колеса 11- 12 получает вращение вал VI і через конические колеса 13—14 (реверсивный механізм) — червяк 15 і червячное колесо 16, вращающее стол з заготовкой.

Радиальная подача (врезание)

Так же, как і в станке 514, врезанием управляет кулачок, однако в етом станке кулачок вращается непрерывно і равномерно как во время врізання, так і після того, как врезание прекращается. Одно из трех колес зубчатого блока, сидящего на скользящей шпонке на валу V, вводится в зацепление з соответствующим колесом, закрепленным на валу VI. Таким образом, через колеса 17—18 или 19—20, или 21—22 і далее через червячную пару 23—24 приводится во вращение кулачок врізання K1. Колесо 24 (фиг. 114) сидит свободно на валу кулачка подачі і вращает етот вал при помощи собачки а, зацепляющейся з храповым колесом b, закрепленным на валу. Вращение кулачка К1, вызывает продольное перемещение рейки 28, которая в свою очередь толкает супорт з долбяком в направлении вироби, созагальна тем самым радиальную подачу (врезание). Груз 42, подвешенный к ланцюги, натянутой на звездочку 43, стремится повернуть звездочку, а, вместе з ней і реечное колесо 30 против часовий стрелки. Так как реечное колесо 30 находится в зацеплении з рейкой 31, прикрепленной к суппорту, то супорт всегда стремится переместиться по направляющим верстата влево. Благодаря етому ролик Н, закрепленный в кінці рейки 28, постоянно прижимается к криволинейной поверхности кулачка врізання К1.

Установочное перемещение суппорта

Установочное перемещение суппорта достигается вращением вручную (рукоятка Р5) червяка 25, на оси которого насажен лимб (круговая шкала). При етом вращается червячное колесо 26 і закрепленное з ним на одном валу колесо 27, сцепляющееся з рейкой 28. Рейка остается нерухомою, так как под действием груза її ролик прижат к кулачку врізання, а супорт перемещается по направляющим относительно рейки. Когда червяк 25 неподвижен, супорт относительно рейки не може сместиться, так как червячное колесо 26 тормозится червяком. Известно, что червяки з малым углом подъема называются самотормозящими і какова бы ни была нагрузка на колесо сами по себе не поворачиваются. Для швидкого переміщення суппорта вручную служит квадрат Ро на оси колеса 29. В етом случае нужно червяк 25, препятствующий вращению, вывести из зацепления з колесом 26.

Установочное вращение стола

Установочное вращение стола производится вручную рукояткой Р4 при выключенной муфте M1.

Возвратно-поступательное рух стола, отводящее заготовку при холостом ходе долбяка

Это рух получается от кулачка К2, закрепленного на валу I. Кулачок при помощи толкателя 39 і коленчатого рычага 40 толкает тягу 41, перемещающую стол з заготовкой по направляющим. Величина ходу составляет не более 0,5 мм.





Наладка зубодолбежного верстата 5А12

Последовательность налагодження, а также відомості об установці заготовки і инструмента изложены выше (стр. 138—142).

Установка длины ходу долбяка і ходу относительно заготовки


Кривошипно-шатунный механізм зубодолбежного верстата 5а12

Кривошипно-шатунный механізм зубодолбежного верстата 5а12


Длина ходу долбяка должна быть больше ширины заготовки не менее чем на 4 мм. Установка длины ходу производится вращением гвинта 34 (фиг. 112). Предварительно нужно освободить гайку 44, которую після установки снова туго затянуть. Отсчет длины ходу ведется по линейке, укрепленной сбоку ползуна. После установки длины ходу долбяка нужно проверить правильность верхнего і нижнего положений долбяка относительно заготовки з тем, чтобы обеспечить одинаковый выход по обе стороны. Для етого нужно освободить шесть гаек 45, стягивающих составной шатун. Затем изменить длину шатуна вращением гвинта 46 и, убедившись, что выход долбяка по обе стороны заготовки одинаков, туго затянуть гайки.

Налаштування на скорость різання

Выбор скорости різання і определение потребного числа двойных ходов производятся так же, как і на станке 514 (см. табл. 24). Полученное по формуле (22) значение числа двойных ходов в минуту округляют до ближайшего из имеющихся/на станке (п = 290, 372, 472, і 600) і устанавливают соответственные сменные колеса А і Б (табл. 30 і фиг. 113).




Установка долбяка на глубину врізання


Механізм обертання кулачка врізання зубодолбежного верстата 5а12

Механізм обертання кулачка врізання зубодолбежного верстата 5а12


Радиальная подача, или врезание, производится з помощью кулачка К1 (фиг. 110). В зависимости от выбранного числа проходов устанавливается один из трех имеющихся при станке кулачков: одно-, двух- или трехпроходный. При обработке колес, предварительно нарезанных на другом станке, применяют однопроходный кулачок для модуля не свыше 3 мм, а для больших модулей і при повышенных требованиях в отношении точності — двухпроходные кулачки.

При обработке без предварительного нарізання колес з модулем до 1,5 мм обработка ведется в один проход, з модулем до 3 мм.— в два прохода, з большим модулем — в три прохода.

Установка на глубину врізання производится следующим образом. Вращением рукоятки Р7 (фиг. 114) кулачок подачі приводят в положение, соответствующее близкому окончанию обробки, вслед за которым ролик соскочит во впадину кулачка. Затем подводят долбякдо легкого соприкосновения з заготовкой (фиг. 100). Для швидкого подвода пользуются рукояткой Р6 (фиг. 110) при отпущенных гайках 26 (фиг. 111) і выведенном из зацепления червяке 25 (фиг. 110). Для установки на касание вводят в зацепление червяк і вращают рукоятку Р5. Далее з помощью маховичка Р5 долбяк поднимают в крайнее верхнее положение і вращением рукоятки Р5 перемещают супорт на заготовку на расстояние, равное глубине зуба. Отсчет ведут по лимбу, установленному у рукоятки Р5, полный оборот которого дает перемещение на 1 мм. Цена одного деления лимба 0,01 мм. Наконец, предварительно затянув гайки 26 (фиг. 111), рукояткой Р7 (фиг. 114) вращают кулачок до тех пор, пока ролик, прижатый под действием груза к кулачку, не соскочит во впадину. При етом супорт з долбяком отойдет от заготовки на глубину впадины.

Налаштування гітари деления

Так же, как і в станке 514, поворот заготовки на — должен соответствовать повороту долбяка на 1/zд, где г — число зубьев колеса; zд — число зубьев долбяка.

К гітарі деления придается комплект в 57 сменных колес со следующим числом зубьев: 24, 26, 48, 30, 34, 36, 38, 38, 40, 40, 41, 42, 43, 44, 44, 45, 46, 46, 47, 48, 49, 50, 50, 50, 51, 51, 52, 54, 55, 56, 56, 57, 58, 60, 60, 60, 61, 62, 62, 64, 65, 66, 66, 68, 70, 72, 72, 74, 75, 76, 78, 80, 84, 84, 86, 90 і 96.

Налаштування сменных колес круговой подачі

При выборе подачі можно пользоваться указаниями, приведенными для верстата 514.

Cкладим выражение, связывающее вращение ползуна з кривошипным валом. При етом учтем, что один двойной ход долбяка соответствует одному обороту кривошипного вала I К верстату придается комплект, состоящий из четырех пар сменных зубчатых колес: 38—84, 44-78, 50—72 і 60—62. Неизменное расстояние между осями сменных колес требует, чтобы сумма их зубьев была 122. Ниже приводятся данные для налагодження круговых подач для долбяка dд = 76 мм. При любом ином диаметре делительной окружности долбяка нужно приведенное значение подач разделить на 76 і умножить на фактическое значение dд (табл. 32).

Налаштування на глубину врізання


Кулачки врізання зубодолбежного верстата 5а12

Кулачки врізання зубодолбежного верстата 5а12


В зависимости от выбранного числа проходов устанавливается соответствующий кулачок врізання. Из фиг. 116 следует, что участок врізання тп занимает на всех кулачках угол 90°. Радиус кулачка от точки т до точки п равномерно увеличивается. При етом супорт з долбяком перемещается на заготовку і происходит врезание. В точке п врезание прекращается. С етого момента заготовка должна совершить полный оборот, чтобы по всей її окружности были нарезаны впадины установленной глубины. При однопроходном кулачке після одного оборота заготовки обработка будет закончена. Ролик под действием груза соскочит на глубину выемки кулачка і отведет долбяк. Таким образом, один оборот заготовки должен соответствовать повороту однопроходного кулачка на 360° - 90° =270°, два оборота заготовки— повороту двухпроходного кулачка на 270° і три оборота заготовки — повороту трехпроходного кулачка на 270°. Соответственно изменить передаточное отношение в кінематичної ланцюги, связывающей вращение заготовки і кулачка, можно переключением блока зубчатых колес (17—19—21, фиг. 110). При однопроходном кулачке включаются колеса 19—20, при двухпроходном — 21—22 і при трехпроходном — 17-18. Переключення производится рукояткой 6 (фиг. 111). При обработке в два прохода припуск на второй проход составляет 63,65—63,25 = 0,4 мм (фиг. 116). При обработке в три прохода припуск на второй проход 63,25 — 60,65 = 2,6 мм, на третий проход 63,65 — 63,25 = 0,4 мм.




5А12 Верстат зубодолбежный вертикальний напівавтомат. Відеоролик.




Технічні характеристики зубодолбежного верстата 5А12

Наименование параметра 512 5А12 5В12
Основні параметри верстата
Наибольший диаметр нарезаемых цилиндрических прямозубых колес з углом наклона зубьев до 23°, мм 12..208 12..208 12..208
Наибольший диаметр нарезаемых цилиндрических косозубых колес з углом наклона зубьев 30°,45°, мм 190
Наибольший диаметр нарезаемых колес з внутренним зацеплением, мм 132 210 220
Наибольший модуль нарезаемого колеса, мм 1..4 1..4 1..4
Наибольшая длина зуба наружного зацепления (длина нарезки), мм 50 50 50
Наибольшая длина зуба (длина нарезки) внутреннего зацепления, мм 30 30
Наибольший угол наклона зуба, град 45° 45° 45°
Число нарезаемых зубьев 12..150 12..150 204
Наибольшее расстояние от оси долбяка (шпинделя, штосселя) до оси стола (планшайби) (А), мм 160 145 150
Расстояние от зеркала стола (планшайби) до торца шпинделя (Н), мм 43..98 65..120 70..140
Суппорт. Штоссель (Шпиндель)
Наибольшее продольное перемещение суппорта, мм 260 250
Перемещение суппорта на одно деление шкалы для установки на глубину зуба, мм 0,01 0,01
Наибольший ход штосселя долбяка (ползуна), мм 55 55
Наибольший диаметр устанавливаемого долбяка, мм 75
Пределы чисел двойных ходов долбяка в минуту 290, 372, 472, 600 200, 315, 425, 600
Круговая подача инструмента, мм/дв.ход 0,1; 0,12; 0,15; 0,18; 0,20; 0,22; 0,25; 0,31; 0,38 0,10; 0,12; 0,15; 0,20; 0,24; 0,30; 0,37; 0,46 Радиальная подача инструмента, мм/дв.ход 0,1..0,3 Число радиальных подач инструмента Диаметр оправки под долбяк, мм Кінець шпинделя для крепления инструмента Рабочий стол (планшайба) Диаметр фланца робочого стола (планшайби), мм 140 160 Диаметр отверстия в шпинделе робочого стола, мм 40 65А Наибольший отход стола от режущей кромки инструмента во время холостого ходу, мм 0,5 0,5 Быстрое вращение стола, об/мин Цена деления лимба установки межцентрового расстояния, мм Автоматический подвод Автоматический останов Привід і електрообладнання верстата Количество електродвигателей на станке Електродвигун головного привода, кВт (об/мин) 1,2 (960) 1,7 (950) Електродвигун гідравлики, кВт (об/мин) 0,6 (1410) Електродвигун приводу швидкого обертання стола, кВт (об/мин) Електродвигун насоса охлаждения, кВт (об/мин) 0,125 (2800) Суммарная мощность електродвигателей, кВт Габаритные розміри і масса верстата Габаритные розміри верстата (длина х ширина х высота), мм 1235 х 1025 х 1725 1320 х 940 х 1820 Масса верстата з електрообладнанням і охолодженням, кг 1650 1850

Использованная литература:


    Список литературы по зубообработке

  1. Гальперин Е.И. Наладка зуборезных верстатів, 1960. Стр. 163
  2. Ачеркан Н.С. Металлорежущие верстати, Том 1, 1965.
  3. Козлов Д.Н. Зуборезные роботи, 1971.
  4. Кучер А.М., Киватицкий М.М., Покровский А.А., Металлорежущие верстати (Альбом общих видов, кинематических схем і вузлів), 1972.
  5. Лоскутов В.В., Ничков А.Г. Зубообрабатывающие верстати, 1978.
  6. Малахов Я.А. Зубообрабатывающие і резьбофрезерные верстати і их наладка, 1972.
  7. Мильштейн М.З. Нарезание зубчатых колес, 1972.
  8. Овумян Г.Г., Адам А.И. Справочник зубореза, 1983.
  9. Птицин Г.А., Кокичев В.Н. Зуборезные верстати, 1957.
  10. Шавлюга Н.И. Расчет і примеры наладок зубофрезерных і зубодолбежных верстатів, 1978.
  11. Руководящий материал для конструкторов, проектирующих технологическую оснастку. Основні данные і посадочные места металлорежущих верстатів. НИИМАШ, 1968.







Заказать

Кто владеет информацией - тот владеет миром.

Натан Ротшильд