metalinstryment.com
Довідник по металорізальних верстатів та пресовому обладнанні

5Д32 Верстат зубофрезерный вертикальний напівавтомат для цилиндрических зубчатых колес
схеми, опис, характеристики

5Д32 Загальний вигляд  зубофрезерного верстата







Відомості про виробника вертикального зубофрезерного напівавтомату 5Д32

Производитель вертикального зубофрезерного напівавтомату 5Д32 Егорьевский станкостроительный завод Комсомолец, основанный в 1930 году.

Завод за время своего существования выпустил свыше 60 моделей: зубофрезерных, зубодолбежных, зубошлифовальных, зубозакругляющих і других зубообрабатывающих верстатів.





Продукция Егорьевского станкостроительного завода Комсомолец, СЗК


5Д32 Верстат зубофрезерный вертикальний напівавтомат. Назначение і область применения

Зубофрезерный вертикальний напівавтомат 5Д32 заменил в серийном производстве устаревшую модель 532 і был заменен на более совершенную модель 5Е32.

Верстат 5Д32 вертикальний зубофрезерный напівавтомат предназначен для нарізання цилиндрических зубчатых колес з прямыми і косыми зубьями і для нарізання червячных колес как методом радиальной, так і методом тангенциальной подачі. При наличии специальных пристосувань возможно нарезание шестерен внутреннего зацепления.

Особливості конструкції і принцип роботи

Рухм обкатки і деления является непрерывное вращение стола з заготовкой. Вспомогательные руху — быстрые механические і ручні установочные переміщення фрезерного суппорта і подвижной стойки.

Принцип роботи. Верстат 5Д32 работает по методу обкатки, т. е. механического воспроизводства зацепления червяка (червячной фрезы) з колесом (заготовкой). Червячная фреза соответствующего модуля і диаметра закрепляется на оправке в шпинделе фрезерного суппорта.

Обрабатываемая деталь или комплект одновременно обрабатываемых деталей устанавливается на оправке в шпинделе стола, а при больших размерах колес — непосредственно на столе верстата.

Червячной фрезе і заготовке принудительно сообщают вращательные руху з такими угловыми скоростями, которые они имели бы, находясь в действительном зацеплении.

При нарезании колес з прямыми зубьями ось шпинделя фрезерного суппорта устанавливается под углом к горизонтальной плоскости, равным углу подъема винтовой линии червячной фрезы. Для нарізання колес з косыми зубьями ось шпинделя фрезерной бабки устанавливается под углом, равным сумме или разности углов наклона зубьев колеса і подъема винтовой линии фрезы в зависимости от сочетания направлений винтовых линий зубьев і витков фрезы.

Нарезание цилиндрических колес производится з вертикальной подачей фрезерного суппорта.

Для обеспечения возможности фрезерування колес попутным методом на станке моделі 5Д32 предусмотрено нагрузочное гідравлическое пристрій.

Гідравлическое поджимное пристрій состоит из нерухомого штока з поршнем і цилиндра, связанного з салазками фрезерного суппорта. При фрезеровании попутным методом масло подводится в верхнюю полость цилиндра противовеса і поджимает противовес вместе з фрезерным суппортом вверх, устраняя возможность произвольного переміщення фрезерной бабки под действием зусилля в пределах зазору между резьбой гвинта вертикальной подачі і маточной гайки.

При нарезании червячных колес методом радиальной подачі используются цилиндрические червячные фрезы. Рух подачі сообщают подвижной стойке в радиальном направлении до тех пор, пока расстояние между осями фрезы і заготовками не станет равным межцентровому расстоянию передачи.

В случае нарізання червячных колес методом тангенциальной подачі применяются червячные фрезы з конической заборной частью, которые при налаштуванні верстата устанавливают сразу на заданное межцентровое расстояние; подачу при етом сообщают протяжному суппорту з червячной фрезой вдоль її оси. Этот метод нарізання является более точным.


Зубофрезерные верстати, работающие по методу обкатки (огибания )

Зубофрезерные верстати, работающие по методу обкатки

Рис. 1. Зубофрезерные верстати, работающие по методу обкатки

Принципиальная схема налаштування зубофрезерного верстата

Рис. 2. Принципиальная схема налаштування зубофрезерного верстата

Структурна схема зубофрезерного верстата

Рис. 3. Структурна схема зубофрезерного верстата

Зубофрезерные верстати, работающие по методу обкатки, предназначены для обробки цилиндрических колес з прямыми і косыми зубьями, а также червячных колес (см. рис. 3).

При нарезании зубьев обертання фрезы і заготовки должны быть согласованы между собой. Чтобы обеспечить ето условие, в станке имеется специальная ланцюг, принципова схема налаштування которой показана на рис. 2. Если колесо имеет z зубьев і совершит пк оборотів, а фреза за ето время сделает nф оборотів, то передаточное отношение ix между числом оборотів колеса і фрезы.

Рассмотрим формообразующие руху верстата для образования профиля зубьев, для чего обратимся к структурной схеме верстата (рис. 3). При нарезании прямозубого цилиндрического колеса необходимо осуществить главное вращательное рух фрезы В1. регулируемое органом налаштування iv вращение заготовки B2, согласованное з вращением фрезы Вх; перемещение суппорта з фрезой параллельно оси стола П, настраиваемое органом i3. Суппорт може перемещаться или сверху вниз, или знизу вверх. При перемещении суппорта сверху вниз осуществляется встречное фрезерование, В етом случае при вращении фрезы зубья движутся навстречу срезаемому слою металла. При перемещении суппорта знизу вверх происходит попутное фрезерование. В етом случае зубья фрезы движутся попутно со срезаемым слоем металла. При попутном фрезеровании допускается увеличение скорости різання на 20—25% по сравнению со встречным методом.

При нарезании косозубых колес к рассмотренным выше формообразующим рухум добавляется рух для образования винтовой линии (диференціальная ланцюг). Это рух состоит из обертання заготовки В3 і поступательного переміщення П фрезы. Следовательно, одно исполнительное звено — стол верстата — должно мати два обертання В2 і В3 з независимыми скоростями, что возможно при наличии суммирующего механізма.



Габаритные розміри робочого простору зубофрезерного верстата 5Д32

Габаритные розміри робочого простору зубофрезерного верстата 5Д32

Габаритные розміри робочого простору напівавтомату 5д32


Посадочные і присоединительные базы зубофрезерного верстата 5Д32

Стол напівавтомату 5д32

Стол напівавтомату 5д32


Суппорт напівавтомату 5д32

Суппорт напівавтомату 5д32


Загальний вигляд і общее пристрій зубофрезерного верстата 5Д32

5Д32 напівавтомат зубофрезерный. Загальний вигляд

Фото зубофрезерного напівавтомату 5д32


5Д32 напівавтомат зубофрезерный. Загальний вигляд

Фото зубофрезерного напівавтомату 5д32


5Д32 напівавтомат зубофрезерный. Загальний вигляд

Фото стола зубофрезерного напівавтомату 5д32


Розташування складових частин і органів керування зубофрезерным верстатом - напівавтоматом 5Д32

5Д32 Розташування складових частин зубофрезерного верстата напівавтомату

Розташування складових частин і органів керування верстатом 5д32


Список складових частин напівавтомату 5Д32

Список органів керування верстатом 5Д32

  1. рукоятка увімкнення і виключення рабочих подач;
  2. рукоятка увімкнення подачі при работе з протяжным суппортом;
  3. кнопочная станція;
  4. рукоятка увімкнення вертикальной подачі фрезерного суппорта;
  5. квадрат для ручного вертикального переміщення подвижной стойки;
  6. квадрат для ручного горизонтального переміщення подвижной стойки;
  7. рукоятка увімкнення радиальной подачі подвижной стойки.

Розташування органів керування зубофрезерным верстатом 5Д32

Розташування органів керування зубофрезерным верстатом напівавтоматом 5Д32

Розташування органів керування верстатом 5д32

  1. станина;
  2. стол;
  3. оправка для заготовки;
  4. поворотная головка задньої стойки;
  5. гайка крепления траверсы;
  6. кронштейн;
  7. траверса (поперечина);
  8. упоры автоматичного виключення вертикальной подачі суппорта;
  9. контроль подачі масла в суппортную стойку;
  10. суппортная стойка;
  11. пуск головного електродвигуна;
  12. останов головного електродвигуна;
  13. пуск насоса гідравлики і змазки;
  14. кнопка ускоренного переміщення суппорта вверх;
  15. кнопки ускоренного переміщення суппорта вниз;
  16. увімкнення местного освещения;
  17. рукоятка увімкнення подающего червяка;
  18. квадрат под рукоятку ручного переміщення суппортной стойки;
  19. манометр, указывающий давление в гідравлическом цилиндре;
  20. крышка над гітарою деления;
  21. крышка над гітарою диференціала;
  22. щиток, закрывающий електродвигатель быстрых перемещений;
  23. рукоятка увімкнення рабочей подачі і ускоренного переміщення суппорта;
  24. рукоятка увімкнення і виключення подачі фрезерного суппорта і суппортной стойки;
  25. квадрат под рукоятку переміщення салазок суппорта вручную;
  26. рукоятка увімкнення і виключення вертикальной подачі суппорта;
  27. съемный подшипник суппорта;
  28. оправка инструмента;
  29. рукоятка установки суппорта на угол;
  30. салазки фрезерного суппорта;
  31. електрошкаф;
  32. кнопка подключения верстата к линии;
  33. кнопка реверсирования головного електродвигуна;
  34. кнопка увімкнення і виключення насоса охлаждения.




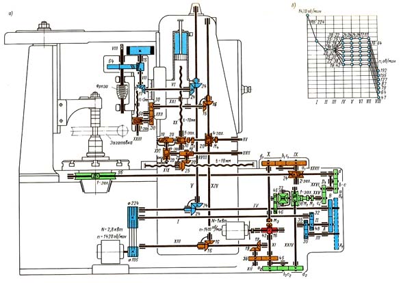
Схема кінематична зубофрезерного верстата 5Д32

Схема кінематична зубофрезерного верстата 5Д32

Кінематична схема зубофрезерного напівавтомату 5д32

1. Схема кінематична зубофрезерного верстата 5Д32. Дивитись у збільшеному масштабі

2. Схема кінематична зубофрезерного верстата 5Д32. Дивитись у збільшеному масштабі

3. Схема кінематична зубофрезерного верстата 5Д32. Дивитись у збільшеному масштабі



Движения в станке:

Кінематична схема (Рис.40) верстата включает в себя шесть кинематических ланцюгів:

На кінематичної схеме (см. Кин.Схему) показано условное і упрощенное изображение механізмов передачи руху з указанием валов, чисел зубьев колес, шагов ходовых винтов, муфт переключения і других характеристик елементів механізма, з помощью которых можно определить, какие руху і з какими скоростями совершают отдельные частини верстата і какова зависимость между ними.

При определении передачи руху между какими-либо частинами механізма рассматривают кинематическую ланцюг. Кінематичної ланцюгю называется післядовательный ряд звеньев механізма, связывающих рух одной его частини з другой. Передаточное отношение кінематичної ланцюги равно отношению чисел оборотів конечного звена к числу оборотів первого звена і выражается произведением отношений чисел зубьев первых колес к числу зубьев вторых всех передач ланцюги в направлении передачи руху.


Схема структурна зубофрезерного верстата 5Д32

Схема структурна зубофрезерного верстата 5Д32

Структурна схема верстата напівавтомату 5д32

Структурна схема механізма (См. Структ.Схему). На етой схеме указаны стрелками направления движений по цепям і изображены звенья етих ланцюгів: кружками з номерами обозначены валы согласно кінематичної схеме, а черточками, соединяющими ети валы, зубчасті или червячные передачи. Над чертой і под ней указаны числа зубьев передачи.

Для определения передаточного отношения числа зубьев записывают в таком порядке: если передача руху рассматривается по направлению стрелок схеми, то в числителе записывают верхнее число зубьев, а в знаменателе нижнее; если передача руху рассматривается в направлении против стрелок, то в числителе записывают нижнее число, а в знаменателе верхнее.

Для изучения роботи механізма і для налагодження верстата необходимо рассмотреть наступні кинематические ланцюги, связывающие отдельные звенья механізма верстата.

Ланцюг I. Вращение фрезы. В ету ланцюг входят сменные зубчасті колеса з передаточным отношением x0. Меняя ети колеса, можно получать различные числа оборотів фрезы.

Ланцюг II. Вращение стола. От вала IV вращение столу передається через передачу 46 : 46, диференціал і гітару деления з передаточным отношением хл. Стол і фреза связаны кінематичної зависимостью по ланцюги II і вращение их согласовывают между собой, для чего рассчитывают передаточное отношение хл сменных зубчатых колес гітари деления.

Ланцюг III. Вертикальная подача суппорта. Рух подачі — от вала XXVII, вращение которого связано со столом, через червячную передачу 2 : 24, вал IX і гітару подач з передаточным отношением хп рух по етой ланцюги передається суппорту. При етом муфта М3 включается і соединяет валы X і XI. Кроме того, необходимо включить муфту М4, соединяющую червячное колесо передачи 4 : 20 з валом XV, і муфту М5, соединяющую червяк передачи 5 : 30 з валом XV. Через передачу 5 : 30 вращение передається винту XX, перемещающему суппорт. Заменяя зубчасті колеса гітари, можно получить разные величины подач.

По окончании різання при вертикальной подаче верстат автоматически останавливается упором автоматичного виключення подачі фрезерного суппорта, установленным в пазу салазок суппорта, который выключает главный електродвигатель. Кроме упора 10, имеется еще два неподвижных конечных упора, которые служат для автоматичного виключення верстата в крайних положениях суппорта: верхнем і нижнем. Эти упоры выключают електродвигатель, если почему-либо не включен упор 10 і супорт перемещается вдоль стойки до своего крайнего предела.

Ланцюг IV. Быстрое вертикальное перемещение суппорта. После нарізання зубьев по всей ширине обода колеса фрезу надо перевести в первоначальное рабочее положение для второго прохода или для обробки следующей заготовки. Для етого супорт быстро перемещают по направляющим суппортной стойки.

Для швидкого его переміщення надо рукоятку увімкнення і виключення рабочей подачі поднять вверх, при етом разъединяется муфта М3 (см. Кин.Схему) і включается пара винтовых колес 16 : 42, передающих рух от електродвигуна Э2 валу XI Потом надо нажимать кнопки 13 (см. рис 39) «Вверх» или 14 «Вниз», в зависимости от требующегося переміщення.

Кнопку надо держать все время нажатой, пока супорт переместится на требующуюся величину: если кнопку отпустить, електродвигатель выключается і рух суппорта приостанавливается.

Ланцюг V. Горизонтальное перемещение суппортной стойки. Рух для переміщення суппортной стойки, необходимое для радиальной подачі при нарезании червячных колес, осуществляется от вала XXVII (см. См. Структ.Схему) і передається через гітару подач валу XV. От вала XV через винтовые колеса 10 : 20 і червячную пару 4 : 20 вращение передається конической паре колес 20 : 25. При вращении колеса 25 етой пары, закрепленной в стойке, оно своей резьбой во втулке навинчивается на винт XIX і перемещает стойку.

Для автоматичного виключення переміщення стойки після врізання фрезы на требуемую величину h на направляючих станины устанавливают жесткий упор А з одной или з другой стороны стойки (рис. 42), который в сочетании з падающим червяком выключает механізм подачі стойки. Когда суппортная стойка дойдет до жесткого упор А, гайка в зубчатом колесе 25 (см. Кин.Схему) не будет перемещаться, її вращение остановится, не будут вращаться і валы XVIII і XVII, а вместе з ними прекратится вращение і червячного колеса 20 в червячной паре 4 : 20. В то же время вал XVI з червяком етой пары будет продолжать вращаться от механізма верстата: червяк будет ввинчиваться относительно нерухомого колеса 20 і смещаться вдоль своей оси, пока не соскочит з защелки і не отключится от него.

Увімкнення червяка производится рукояткой увімкнення подающего червяка, для чего її поворачивают по часовий стрелке (вверх).

Ланцюг VI. Перемещение осьового суппорта. Для нарізання червячных колес з осевой подачей фрезы устанавливают спеціальний суппорт. Рух его осуществляется от вала XIV (см. Кин.Схему, 41). На етот вал надевается коническое зубчатое колесо 16 (кроме пары 16 : 16, связывающей вал XIII з валом XIV), сопрягающееся з таким же коническим колесом 16 на валу XXI осьового суппорта. Далее рух передається осевому суппорту, как указано на кінематичної і структурной схемах, через передачу 30 : 30, червячную пару 1 : 50 і винт XXIII, который перемещает суппорт.

Ланцюг VIII. Диференціал. В кинематических цепях, связывающих вращение стола і фрезы, рух передається через механізм, состоящий из четырех конических зубчатых колес, который называется диференціалом (См. Схему Диференціала). Этот механізм позволяет суммировать два руху, передаваемые столу по двум кинематическим цепям.

На валу XXV свободно насажено водило п0 і два конических зубчатых колеса zх і z3; колесо z1 може свободно вращаться на етом валу, а колесо z3 закреплено на нем неподвижно. На пальцах водила свободно насажены два конических колеса z2, называемые сателлитами, которые находятся в зацеплении з колесами z1 і z3. Конические колеса попарно имеют одинаковое число зубьев z1=z3; z2=z2.





Схема диференціала зубофрезерного верстата 5Д32

Схема диференціала зубофрезерного верстата 5Д32

Схема диференціала зубофрезерного верстата 5д32

На втулке конического колеса zх нерухомо закреплено цилиндрическое колесо 46, связанное механізмом з вращением фрезы.

На втулке водила свободно насажено червячное колесо 30, находящееся в зацеплении з червяком 1, который може получать вращение при помощи вала XXIV от гітари диференціала.

На вал XXV попеременно устанавливают два сменных кулачка М і N. Если поставить кулачок М, закрепляемый на валу, то водило жестко соединяется з валом XXV (См. Схему Диференціала, а); если вместо него поставить кулачок N, насаживаемый на вал свободно то водило соединится з червячным колесом 30 (См. Схему Диференціала, б)

Когда устанавливается кулачок M, то вал XXV, водило n0, колесо z3, сателлиты z2 і колесо z1 соединяются в жесткий узел, они не вращаются друг относительно друга і колесо 46 непосредственно вращает вал XXV. Передаточное отношение диференціала в етом случае будет равно ip=l.

Когда надо сообщить дополнительное вращение столу, то устанавливается кулачок N (См. Схему Диференціала, б) і настраивается гітара диференціала, сообщающая вращение червяку 1 і червячному колесу 30 при помощи вала XXIV. Вал XXV, передающий вращение столу, при етом будет получать два обертання.

Первое вращение от зубчатого колеса 46 і связанного з ним в одно звено колеса z1 передається сателлитам z2, которые, вращаясь вокруг пальцев водила, передают вращение колесу z3 і связанному з ним валу XXV. Колесо 46 і вал XXV в етом случае будут вращаться в разные стороны з одинаковым числом оборотів; передаточное отношение их, являющееся передаточным отношением диференціала в етом движении, равно ir = -1.

Ланцюг VII. Второе, дополнительное, вращение вал XXV будет получать от вала XI через гітару диференціала x0, вал XXIV і червячную передачу 1 : 30 (см. Кин.Схему). Червячное колесо етой передачи вращает водило, которое при помощи пальцев вращает сателлиты z, (см. См. Схему Диференціала) вокруг конического колеса z1 і колесо z3 вместе з валом XXV. Это дополнительное вращение добавляется к тому вращению, которое етот вал имеет от колеса 46. Таким образом, диференціал осуществляет суммирование двух вращений на одном валу XXV.

При обкатывании водилом сателлитов вокруг колеса z1 за один оборот водила вокруг вала XXV зубчатое колесо z3 повернется два раза: один раз вместе з водилом і один раз от обертання сателлитов. Значит, передаточное отношение вала XXV к водилу, т. е. передаточное отношение диференціала при его дополнительном вращении, iг=2.




Методы зубонарізання. Відеоролик.



Технічні характеристики зубофрезерного верстата 5Д32

Наименование параметра 532 5д32 5е32 5к32
Основні параметри верстата
Наибольший модуль нарезаемого колеса по стали, мм 6 2..6 2..6 10
Наибольший диаметр нарезаемых цилиндрических прямозубых колес (0°), мм 750 800 800 800
Наибольший диаметр нарезаемых цилиндрических косозубых колес (30°), мм 500 500 500 500
Наибольший диаметр нарезаемых цилиндрических косозубых колес (45°), мм 350
Наибольший диаметр нарезаемых цилиндрических косозубых колес (60°), мм 190 190 120..250
Наибольший диаметр червячных нарезаемых колес, мм 800
Наибольшая длина венца нарезаемых цилиндрических прямозубых колес (0°), мм 250 350
Наибольшая длина венца нарезаемых цилиндрических косозубых колес (30°), мм 200
Наибольшая длина венца нарезаемых цилиндрических косозубых колес (45°), мм 150
Наибольшая длина венца нарезаемых цилиндрических косозубых колес (60°), мм 130
Наименьшее число нарезаемых зубьев 12
Расстояние между осями стола і фрезы, мм 30..480 30..500 30..480 80..500
Расстояние от плоскости стола до оси фрезы, мм 165..415 200..510 190..525 210..570
Расстояние от оси шпинделя до направляючих суппорта, мм 218 220 319
Стол
Диаметр стола, мм 580 475 475 670
Наибольшее перемещение стола, мм 425 - - 500
Конус в шпинделе стола, мм Морзе 5
Ускоренное перемещение стола, мм/мин - - - 170
Ручное перемещение стола за одно деление лимба, мм 0,1 - - 0,5
Ручное перемещение стола за один оборот лимба, мм 5 - -
Суппортная стойка
Наибольшее перемещение суппортной стойки, мм 470 450 -
Быстрое перемещение суппортной стойки, мм/мин - 50 230 -
Перемещение стойки на одно деление лимба, мм - 0,05 0,02 -
Перемещение стойки на один оборот лимба, мм - 4,0 4,0 -
Блокировка от перегрузки есть есть -
Суппорт
Наибольшее перемещение суппорта, мм 250 335 360
Ускоренное перемещение каретки суппорта, мм/мин 220 550
Наибольший диаметр режущего инструмента - фрезы, мм 120 120 150 200
Наименьшая длина режущего инструмента (фрезы), мм 130 130 200
Диаметры фрезерных оправок, мм 22, 27, 32 32; 40
Ускоренное перемещение шпинделя вдоль оси, мм/мин 130
Наибольший угол поворота суппорта, град 360°
Наибольший угол наклона зубьев нарезаемого колеса, град ±60° ±60°
Поворот суппорта на одно деление шкалы линейки, град
Поворот суппорта на одно деление шкалы нониуса, мин 6` 1`
Конусное отверстие шпинделя Морзе 4 Морзе 5 Морзе 5
Наибольшее осевое перемещение фрезы, мм 80
Механіка верстата
Пределы оборотів фрезы, об/мин 47, 58, 72, 87, 100, 122, 150, 188 47,5..192 53,5..250 5..310
Число ступеней оборотів фрезы 8 8 9
Пределы вертикальних (продольных) подач фрезы, мм/об 0,25..4 (12 шагов) 0,5..3 0,8..5,0
Пределы радиальных подач подвижной стойки, мм/об 0,1..1,0 0,3..1,7
Пределы радиальных подач подвижного стола, мм/об 0,105..1,68 (12 шагов) - -
Пределы тангенциальных (осевых) подач фрезы, мм/об 0,17..3,7
Число ступеней подач 7
Привід і електрообладнання верстата
Електродвигун головного привода, кВт (об/мин) 3,2 (1440) 2,8 4,5 7,5
Електродвигун ускоренного ходу суппорта, кВт (об/мин) 1,0 (1425) 1,0 3,0
Електродвигун приводу осьового руху фрезы, кВт (об/мин) - 0,18 0,4
Електродвигун приводу гідронасоса, кВт (об/мин) - - 1,1
Електродвигун насоса охлаждения, кВт (об/мин) 0,25 (2800) 0,15 0,15 0,15
Габаритные розміри і масса верстата
Габаритные розміри верстата (длина х ширина х высота), мм 1885 х 1158 х 1950 2395 х 1210 х 1975 2390 х 1340 х 2080 2550 х 1510 х 2000
Масса верстата з електрообладнанням і охолодженням, кг 2500 3660 4000 7200

    Список литературы по зубообработке

  1. Ачеркан Н.С. Металлорежущие верстати, Том 1, 1965.
  2. Гальперин Е.И. Наладка зуборезных верстатів, 1960, стр. 66
  3. Козлов Д.Н. Зуборезные роботи, 1971.
  4. Кучер А.М., Киватицкий М.М., Покровский А.А., Металлорежущие верстати (Альбом общих видов, кинематических схем і вузлів), 1972.
  5. Лоскутов В.В., Ничков А.Г. Зубообрабатывающие верстати, 1978.
  6. Малахов Я.А. Зубообрабатывающие і резьбофрезерные верстати і их наладка, 1972.
  7. Мильштейн М.З. Нарезание зубчатых колес, 1972.
  8. Овумян Г.Г., Адам А.И. Справочник зубореза, 1983.
  9. Птицин Г.А., Кокичев В.Н. Зуборезные верстати, 1957.
  10. Шавлюга Н.И. Расчет і примеры наладок зубофрезерных і зубодолбежных верстатів, 1978.
  11. Руководящий материал для конструкторов, проектирующих технологическую оснастку. Основні данные і посадочные места металлорежущих верстатів. НИИМАШ, 1968.









Заказать

Начальник не всегда прав, но он всегда начальник

Закон Мерфи