metalinstryment.com
Довідник по металорізальних верстатів та пресовому обладнанні

5К32 Електроустаткування верстата
Електросхема верстата

5К32 Загальний вигляд  зубофрезерного верстата







Відомості про виробника вертикального зубофрезерного верстата напівавтомату 5К32

Производитель вертикального зубофрезерного напівавтомату 5К32 Егорьевский станкостроительный завод Комсомолец, основанный в 1930 году.

Завод за время своего существования выпустил свыше 60 моделей: зубофрезерных, зубодолбежных, зубошлифовальных, зубозакругляющих і других зубообрабатывающих верстатів.





Продукция Егорьевского станкостроительного завода Комсомолец, СЗК


5К32 Верстат зубофрезерный вертикальний напівавтомат. Назначение і область применения

Верстат зубофрезерный 5К32 заменил в производстве устаревшую модель 5М32 і 5Е32 і был заменен в производстве более совершенной моделью - 53А80.

Верстат зубофрезерный вертикальний 5К32 предназначен для фрезерування цилиндрических прямозубых і косозубых зубчатых колес, а также червячных колес методом радиальной подачі в условиях единичного, мелкого і среднесерийного производства.

Принцип роботи і особливості конструкції верстата 5К32

Нарезание зубчатых колес производится по способу обкатки фрезы і обрабатываемой заготовки методами «попутного» і «встречного» зубофрезерування з диагональной і обычной подачами.

При зубофрезеровании з диагональной подачей фреза перемещается вдоль нарезаемого зуба і одновременно вдоль собственной оси, что значительно повышает її стойкость.

Конструкція верстата 5К32 передбачає возможность радиального врізання фрезы в заготовку, что сокращает машинное время обробки.

При обработке прямозубых колес в станке должны осуществляться наступні руху:

При автоматических циклах, кроме того, совершаются радиальная подача і установочные переміщення стола. При обработке косозубых колес необходимо еще дополнительное вращение стола для обробки зубьев, расположенных по винтовой линии.

При обработке червячных колес методом радиальной подачі в станке совершаются:

Верстат 5К32 работает по напівавтоматическому циклу.

Верстат 5К32 выполнен в соответствии з нормами точності по ГОСТ 659—67.


Конструкція зубофрезерного напівавтомату 5К32

Виды нарезаемых колес на зубофрезерном станке 5К32

Виды нарезаемых колес на зубофрезерном станке 5К32. Рис. 32.


На верстатах 5К32 можно нарезать:

При методе радиальной подачі заготовка може подаваться на фрезу или наоборот. По методу обкатки можно также фрезеровать шлицевые валы, многогранники, нарезать зубья на цепных звездочках, храповых колесах і т. д. Для всех видов указанных специальных зацеплений применяют червячные фрезы соответствующих профилей.

Нарезание цилиндрических прямо- і косозубых колес, а также червячных колес методом радиальной подачі — ето основні виды работ, к которым верстат наиболее приспособлен.


Методы роботи на зубофрезерном станке 5К32

Методы роботи на зубофрезерном станке 5К32. Рис. 33.

Нарезание колес може осуществляться как встречным методом, при котором вертикальная подача фрезы происходит сверху вниз (рис. 33, а), так і попутным методом, при котором вертикальная подача фрезы происходит знизу вверх (рис. 33, б). При попутном зубофрезеровании допускается увеличение скорости різання на 20—25% по сравнению со встречным методом при одновременном уменьшении шероховатости поверхности зуба.

На етом станке можно нарезать цилиндрические колеса диаметром до 800 мм (при модуле до 10 мм і вертикальном перемещении фрезы — — 360 мм). Наибольший диаметр червячной фрезы, устанавливаемой во фрезерном суппорте, 180 мм при длине 175 мм. Степень точності обробки соответствует 7-му классу по ГОСТ 1643—72.

В конструкції верстата предусмотрены механізмы, обеспечивающие прогрессивные методы зубофрезерування: радиальное врезание инструмента в заготовку, диагональную подачу, встречное і попутное фрезерование, возможность применения фрез большого диаметра, длины і т. п. Повышенные частота обертання фрезы і подача, значительное увеличение мощности головного приводу в сочетании з високою жесткостью верстата допускают работу на повышенных режимах різання і позволяют применять острозаточенные і твердосплавные червячные фрезы.

Вертикальное расположение оси нарезаемого колеса при нерухомою суппортной стойке і подвижном столе обеспечивает необходимую жесткость і устойчивость в работе. Массивная задня стойка, жестко соединенная со столом, обеспечивает надежную работу верстата без дополнительного крепления к суппортной стойке верхней траверсой. Цикл роботи верстата автоматизирован. Все рабочие і вспомогательные руху: быстрый подвод заготовки к инструменту, зубонарезание, быстрый отвод колеса і инструмента в исходное положение і остановка верстата — осуществляются автоматически. Уборка стружки осуществляется шнековым транспортером, расположенным внутри станины. Для зажиму заготовки верстат можно снабжать гідромеханическим пристрійм, монтируемым в столе.


Основні характеристики зубофрезерного верстата напівавтомату 5к32

Производитель: Егорьевский станкостроительный завод.


Зубофрезерные верстати серии К

Універсальный зубофрезерный верстат 5К32 является базовым верстатом серии К на основе которого выполняют универсальные верстати упрощённой конструкції, верстати підвищеної точності; верстати з многозаходными делительными парами; специализированные і специальные верстати.

Зубофрезерные верстати серии К:

Эти верстати по своим техническим характеристикам і по механізмам, обеспечивающим прогрессивные методы зубофрезерування, отвечают мировым стандартам. Зубофрезерные верстати базовых мод. 5К324, 5К32, 5К328 предназначены для использования в условиях единичного, мелкосерийного і серийного производства.

В верстатах 5К324, 5К32, снабженных шестеренными коробками з електромагнитными муфтами, для изменения частоти обертання фрезы і величины подачі используют ползунковые переключатели на пульті керування, которые осуществляют увімкнення електромагнітних муфт. Это дает возможность осуществить автоматический двухпроходный цикл зубофрезерування з автоматическим переключением швидкостей і подач перед вторым рабочим ходом, что сокращает вспомогательное время.

Для условий серийного производства верстати 5К324 і 5К32 изготовляют з коробками швидкостей і подач, настраиваемых з помощью сменных колес. В станке мод. 5К328 для изменения швидкостей і подач служат скользящие блоки зубчатых колес.

Зубофрезерные верстати універсального типа 5К324А і 5К32А упрощены; в них вместо, непрерывного осьового переміщення фрезы предусмотрено автоматическое периодическое перемещение в кінці каждого цикла нарізання. Верстати предназначены для роботи в условиях серийного і массового производства.

Зубофрезерные верстати підвищеної точності 5К324П і 5К32П предназначаются для нарізання колес високою степени точності. Высокая точность зубонарізання достигается при увеличении в 2 раза передаточного отношения делительной червячной пары стола і более точного изготовления деталей і вузлів верстата, точность которых влияет на точность нарезаемых колес. Эти верстати используют для чистовых операций.


Габарити робочого простору зубофрезерного напівавтомату 5К32

5К32 Верстат зубофрезерный. Габарити робочого простору

Габарити робочого простору верстата 5к32


Посадочные і присоединительные базы напівавтомату 5К32

5К32 Посадочные і присоединительные базы зубофрезерного напівавтомату 5К32

Посадочные і присоединительные базы напівавтомату 5к32


Загальний вигляд і общее пристрій верстата 5К32

Фото зубофрезерного верстата 5к32

Фото зубофрезерного верстата 5к32

Фото зубофрезерного верстата 5к32. Дивитись у збільшеному масштабі



Фото зубофрезерного верстата 5к32

Фото зубофрезерного верстата 5к32


Фото зубофрезерного верстата 5к32

Фото зубофрезерного верстата 5к32


Фото зубофрезерного верстата 5к32

Фото зубофрезерного верстата 5к32. Вид сзади

Фото зубофрезерного верстата 5к32. Дивитись у збільшеному масштабі



Фото зубофрезерного верстата 5к32

Фото зубофрезерного верстата 5к32. Рабочая зона

Фото зубофрезерного верстата 5к32. Дивитись у збільшеному масштабі



Розташування органів керування верстатом напівавтоматом 5К32

5К32 Розташування органів керування верстатом напівавтоматом 5К32

Розташування органів керування верстатом 5к32

Розташування органів керування верстатом 5К32. Дивитись у збільшеному масштабі



Список органів керування верстатом напівавтоматом 5К32

  1. Переключатель метода фрезерування ("Попутного" или "Встречного")
  2. Выключатель освещения
  3. Выключатель охлаждения
  4. Переключатель циклов
  5. Лампочка- вертикальная подача включена
  6. Переключатель обертання фрезы
  7. Лампочка - радиальная подача выключена
  8. Лампочка - верстат "Включен"
  9. Кнопка "Пуск" гідронасоса
  10. Кнопка "Стоп" гідронасоса
  11. Кнопка "Пуск" головного привода
  12. Кнопка "Стоп" головного привода
  13. Кнопка "Пуск" цикла
  14. Кнопка "стоп" цикла
  15. Кнопка ускоренного подвода стола
  16. Кнопка ускоренного відведення стола
  17. Кнопка увімкнення ускоренного ходу суппорта "Вверх"
  18. Кнопка увімкнення ускоренного ходу суппорта "Вниз"
  19. Лампочка- передвижка фрезы включена
  20. Кнопка "Пуск" передвижки фрезы
  21. Кнопка "Стоп" передвижки фрезы
  22. Рукоятка увімкнення і виключення вертикальной подачі
  23. Манометр
  24. Винт зажиму стола
  25. Аварийный упор
  26. Упор виключення ускоренного відведення стола
  27. Квадрат для натягивания ременной передачи головного привода
  28. Винт зажиму диференціала при обработке прямозубых і червячных колес
  29. Аварийный упор
  30. Упор виключення ускоренного подвода стола
  31. Квадрат для ручного переміщення упора
  32. Рукоятка фиксирования положения упора стола
  33. Квадрат для ручного переміщення стола
  34. Кран керування
  35. Линейный выключатель
  36. Рукоятка крепления кронштейна контрподдержка
  37. Упор автоматичного керування работой верстата по циклу 37А - Винт зажиму каретки суппорта
  38. Упор автоматичного керування работой ставка по циклу
  39. Линейка з нониусом для поворота суппорта на угол
  40. Квадрат для ручного поворота суппорта на угол
  41. Квадрат для ручного переміщення суппорта
  42. Квадрат для ручного поворота шнека транспортера стружки
  43. Квадрат подъема і опускания шнека
  44. Винт зажиму стола
  45. Сменные шестерни для нарізання простых чисел зубьев
  46. Аварийный упор
  47. Квадрат шомпола крепленая оправки фрезы
  48. Аварийный упор
  49. Кран охлаждения
  50. Аварийный упор

Примечание. Для избежания аварии при обработке спиральных колес необходимо аварийные упоры 46, 48, ограничивающие вертикальные переміщення каретки фрезерного суппорта, устанавливать по фактически возможному ходу суппорта. Винт зажиму диференціала 28 должен бить освобожден.


Список складових частин зубофрезерного верстата 5К32


Розташування складових частин і органів керування зубофрезерного верстата 5К32

5К32 Розташування складових частин і органів керування верстата напівавтомату 5К32

Розташування складових частин і органів керування верстата 5к32

Рассмотрим основні вузли і органы керування вертикального зубофрезерного напівавтомату 5К32 (рис. 34). На горизонтальных направляючих станины 1 устанавливают салазки 23 стола 22. По етим направляющим салазки со столом перемещаются в радиальном направлении. К станине верстата прикреплена передняя стойка 2. На вертикальних направляючих установлен супорт 10 з фрезерной, головкой 11, которые перемещаются в вертикальной плоскости з помощью ходового гвинта, расположенного вертикально і включаемого рукояткой 3. Ручное перемещение суппорта осуществляют от рукоятки, надеваемой на квадрат 4. Наличие поворотного круга у суппорта дает возможность поворачивать оправку фрезы вместе з фрезерной головкой в вертикальной плоскости на заданный угол і закреплять її в етом положении. Стол находится на кольцевых направляючих і центрируется коническим выступом. К столу прикреплено червячное колесо, приводимое во вращение червяком. От степени точності изготовления етой червячной пары зависит в основном степень точності нарезаемых на станке зубчатых колес. Сочетание высокооловянистой бронзы делительного (червячного) колеса со шлифовальным стальным азотированным червяком дает хорошие результаты по сохранению точності делительной пары.

Для регулювання зазору в делительной паре червяк изготовляют з переменной толщиной витка (двухшаговый). Это означает, что шаг по левому профилю червяка равен 19,132 мм, а шаг по правому профилю равен 18,566 мм.

В радиальном направлении стол перемещают ходовым винтом, гайка которого прикреплена к салазкам верстата. Для ручного переміщення стола на квадрат 15 надевают рукоятку, а на квадрат 16 — рукоятку для ручного переміщення упора увімкнення радиальной подачі. По вертикальным направляющим задньої стойки 13 перемещается кронштейн 12, поддерживающий верхний конец оправки, что предохраняет її от деформации, вызываемой силами різання. Кронштейн перемещается гідравлически включением рукоятки 14. Рукоятками 6 і 7 управляют осевой подачей фрезы, а упоры 8 і 9 служат для виключення переміщення суппорта. Рукоятка а на квадрат 16 — рукоятку для ручного переміщення упора увімкнення радиальной подачі. По вертикальным направляющим задньої стойки 13 перемещается кронштейн 12, поддерживающий верхний конец оправки, что предохраняет її от деформации, вызываемой силами різання. Кронштейн перемещается гідравлически включением рукоятки 14. Рукоятками 6 і 7 управляют осевой подачей фрезы, а упоры 8 і 9 служат для виключення переміщення суппорта.

Рукоятка 17 служит для фиксирования установки упоров. Упоры служат для аварийного швидкого подвода стола 18, виключення швидкого подвода стола 19, останова стола швидкого відведення 20 і аварийного 21. При срабатывании аварийного упора обеспечивается вся електросхема верстата і возможны только ручні переміщення. На пульті керування 5 расположены кнопки увімкнення і виключення гідронасоса, пуск и. останов головного електродвигуна, швидкого подвода — відведення стола, суппорта, а также переключатели метода фрезерування (попутное или встречное), освещения, цикла.

Налаштування верстата для нарізання цилиндрических прямозубых колес. При нарезании цилиндрических прямозубых колес фрезе сообщают вращательное рух в направлении стрелки А (см. рис. 32). Если фреза левозаходная, то обрабатываемое колесо должно вращаться в направлении, указанном стрелкой В; если же фреза правозаходная, то в направлении, противоположном стрелке.






Електроустаткування зубофрезерного верстата - напівавтомату 5К32, 5К324

На станке установлено четыре трехфазных короткозамкнутых електродвигуна:


Опис дії електросхеми верстатів

Перед началом роботи на станке включается линейный выключатель ЛВ, подводится напряжение к пусковой аппаратуре.

Устанавливается в соответствующее положение переключатель керування 1ПУ в зависимости от требуемого направления обертання фрезы.

При работе з охлаждающей жидкостью включается переключатель 2ПУ.

В зависимости от метода фрезерування переключатель 3ПУ устанавливается в положение "Попутный" или "встречный"

В соответствующее положение устанавливается переключатель 4ПУ: "Автоматический цикл", "Наладка", "Вертикальная подача", "Радиальное врезание".

При включении радиальной подачі срабатывает промежуточное реле 7PI1, которое включает сигнальную лампу Л31

При включении вертикальной подачі включается промежуточное реле 10РП, которое выключает сигнальную лампу Л31 і включает сигнальную лампу Л32. Нажимом кнопки "Пуск" гідронасоса 2КУ включаются: контактор 4К, електродвигатель гідронасоса 3Д, сигнальная дампа ЛС.

При создании определенного давления в гідросистеме закрывается контакт выключателя реле давления 11ВК, что дает возможность включить верстат для работ по циклу кнопкой "Пуск" 3КУ.

Различное сочетание включенных електромагнітних муфт 1ЭМ...4ЭМ обусловливает то или иное перемещение, производимое на станке:

Во избежание одновременного переміщення стола і суппорта на станке предусмотрена тормозная муфта 5ЭМ, при включении которой происходит интенсивное торможение стола. Муфта 5ЭМ держит также заторможенной ланцюг радиальной подачі при работе вертикальной подачі.

Увімкнення і відключення електромагнітних муфт 5ЭМ і 2ЭМ происходит одновременно (в дальнейшем опис роботи муфты 5ЭМ опускается).


Автоматический цикл

При автоматическом цикле переключатель 4ПУ ставится в положение "Автоматический цикл". При автоматическом цикле возможны два метода зубофрезерування:


"Попутный" метод зубофрезерування

При "попутном" методе зубофрезерування переключатель 3ПУ ставится в положение "Попутный". Цикл начинается нажатием на кнопку "Пуск" (3КУ). Включаются: промежуточные реле 2РП, 7РП, контактор 5К, електродвигатель ускоренного ходу 4Д, електромагнитная муфта 1ЭМ.

Стол ускоренным ходом подводится к фрезе. При нажатии на конечный выключатель 2ВК выключается контактор 5К і останавливается електродвигатель ускоренного ходу 4Д. Ускоренный подвод стола прекращается. Включаются: сигнальная лампа Л31, контактор 1K (или 2К), електродвигатель робочого ходу 1Д.

При включении контактора 1К (или 2К) включается електромагнитная муфта 4ЭМ. Муфта 1ЭМ также остается во включенном положении. Начинается врезание. При нажатии на конечный выключатель 6ВК включаются: промежуточные реле 3РП і 10РП; выключаются промежуточное реле 7РП і електромагнітні муфты 1ЭМ і 4ЭМ. Гаснет сигнальная лампа Л31. Радиальное врезание прекращается. Включаются: сигнальная лампа Л32, електромагнітні муфты 2ЭМ, 4ЭМ, которые обеспечивают вертикальную подачу.

При нажатии на конечный выключатель 4ВК выключаются: контактор 1К (или 2К), промежуточное реле 2РП, електродвигатель робочого ходу 1Д. Закрытие контакта 4ВК обеспечивает увімкнення промежуточного реле 4РП, вследствие чего выключаются електромагнітні муфты 2ЭМ, 4ЭМ. Вертикальная подача прекращается. Включаются: електромагнитная муфта 1ЭМ, контактор 6К, електродвигатель ускоренного ходу 4Д. Начинается ускоренный отвод стола. Ускоренный отвод стола продолжается до нажатия на конечный выключатель 5ВК. При етом включается промежуточное реле 6РП і выключается електромагнитная муфта 1ЭМ. Ускоренный отвод стола прекращается.

Включается електромагнитная муфта 2ЭМ. Начинается ускоренное перемещение суппорта вниз, которое продолжается до нажатия на конечный выключатель 1ВК. Контакт конечного выключателя 1ВК закрывается, включается промежуточное реле 5РП, выключаются: промежуточное реле 6РП, контактор 6К, електромагнитная муфта 2ЭМ, електродвигатель ускоренного ходу 4Д. Ускоренное перемещение суппорта вниз прекращается, контакт 6PП открывается, реле 5РП выключается, і цикл заканчивается.


"Встречный" метод зубофрезерування

При "встречном" методе зубофрезерування переключатель 3ПУ ставится в положение "Встречный". Цикл начинается нажатием на кнопку "Пуск" цикла 3КУ.

При нажатия на кнопку 3КУ включается npoмeжyточное реле 2РП. Включаются: промежуточное реле 7РП, контактор 5К, електродвигатель ускоренного ходу 4Д і електромагнитная муфта 1ЭМ. Стол ускоренным ходом подводится к фрезе. При нажатии на конечный выключатель 2ВК выключается контактор 5К і останавливается електродвигатель ускоренного ходу 4Д. Ускоренный подвод стола прекращается, включается сигнальная лампа Л31, контакт 2ВК закрывается, включаются контактор 1K (или 2К), електродвигатель робочого ходу 1Д.

При включении контактора 1K (или 2К) включается електромагнитная муфта 4ЭМ. Муфта 1ЭM остается также во включенном состоянии. Начинается врезание. При нажатии на конечный выключатель 6ВК выключается промежуточное реле 7РП і включаются промежуточные реле 3PII і 10PП, выключаются: електромагнітні муфты 1ЭМ і 4ЭМ, сигнальная лампа Л31. Радиальное врезание прекращается.

Включаются: сигнальная лампа Л32, електромагнітні муфты 2ЭМ, 3ЭМ. Начинается вертикальная подача.

При нажатии на конечный выключатель 1ВК выключаются: контактор 1К ( или 2К), промежуточное реле 2РП, електродвигатель робочого ходу 1Д.

Закрытие контакта 1ВК обеспечивает увімкнення промежуточного реле 4РП і вимкнення електромагнітних муфт 2ЭМ, 3ЭМ. Вертикальная подача прекращается. Включаются: електромагнитная муфта 1ЭМ, контактор 6К, електродвигатель ускоренного ходу 4Д. Начинается ускоренный отвод стола. Ускоренный отвод стола продолжается до нажатия на конечный выключатель 5ВK. При етом включается промежуточное реле 6РП і выключаются: електромагнитная муфта 1ЭM, контактор 6К і електродвигатель 4Д. Ускоренный отвод стола прекращается.

Включается контактор 5К, двигатель 4Д реверсируется, включается електромагнитная муфта 2ЭМ. Начинается ускоренное перемещение суппорта вверх, которое продолжается до нажатия на конечный выключатель 4ВК. Контакт конечного выключателя 4BK закрывается, включается промежуточное реле 5РП і выключаются: промежуточное реле 6PII, контактор 5К, електромагнитная муфта 2ЭМ, електродвигатель ускоренного ходу 4Д. Ускоренное перемещение суппорта вверх прекращается, цикл заканчивается.


Радиальное врезание

При радиальном врезании переключатель 4ПУ ставится в положение "Радиальное врезание". Нажатием на кнопку "Пуск" (3КУ) включаются: промежуточные реле 2PII, 7РП, контактор 5К, електродвигатель ускоренного ходу 4Д, електромагнитная муфта 1ЭМ.

Стол ускоренным ходом подводится к фрезе. При нажатии на конечный выключатель 2ВК выключается контактор 5К, останавливается електродвигатель ускоренного ходу 4Д. Ускоренный подвод стола прекращается. Включаются: контактор 1K (или 2К), електродвигатель робочого ходу 1Д, електромагнитная муфта 4ЭМ Начинается врезание. При нажатии на конечный выключатель 6ВК выключается промежуточное реле 7РП і включаются промежуточные реле 3РП і 10РП. При етом выключатся електромагнітні муфты 1ЭМ, 4ЭМ. Радиальное врезание прекращается.

Нажатием на кнопку "Стоп" цикла (10КУ) выключается електродвигатель робочого ходу 1Д.

Для возобертання стола в исходное положение переключатель 4ПУ необходимо поставить в положение "Наладка" і нажатием на кнопку 9КУ включить ускоренный отвод стола, который будет продолжаться до тех пор, пока упор стола не нажмет на конечный выключатель 5ВК. ###Вертикальная подача При вертикальной подаче переключатель 4ПУ становится в положение "Вертикальная подача".

Нажатием на кнопку "Пуск" цикла (3КУ) включаются: промежуточные реле 7PП, 3РП і 10РП, контактор 1K (или 2К), електродвигатель робочого ходу 1Д, електромагнітні муфты 2ЭМ і 4ЭМ (или 3ЭМ) в зависимости от положения переключателя 3ПУ. При установці переключателя 3ПУ на "Попутный" метод зубофрезерування включается електромагнитная муфта 4ЭМ, при установці переключателя 3ПУ на "Встречный" метод зубофрезерування включается електромагнитная муфта 3ЭМ.

По окончании зубофрезерування нажатием на конечный выключатель 4ВК ( при "попутном" методе) і 1ВК (при "встречном" методе) иди на кнопку "стоп" цикла (10КУ) выключаются: промежуточные реле 10РП і 3РП, контактор 1K (или 2К), електродвигатель робочого ходу 1Д, електромагнітні муфты 2ЭМ, 4ЭМ (или 3ЭМ).

Для відведення стола от фрезерной головки необходимо переключатель 4ПУ установить в положение "Наладка" і нажать на кнопку 9КУ.


Наладка зубофрезерного верстата 5К32

При наладке переключатель 4ПУ ставится в положение "Наладка".

Вращение фрезы начинается при нажатии на кнопку "Пуск" головного приводу 5КУ, прекращается при нажатии на кнопку "Стоп" головного приводу 4КУ, Ускоренный подвод стола осуществляется нажатием на кнопку "влево" 8КУ і ограничивается конечным выключателем 2ВК. Ускоренный отвод стола осуществляется нажатием на кнопку "Вправо" (—-) 9КУ і ограничивается конечным выключателем 5ВК.

Ускоренное перемещение суппорта вверх осуществляется нажатием на кнопку "вверх" 7КУ і ограничивается конечным выключателем 4ВК. Ускоренное перемещение суппорта вниз осуществляется нажатием на кнопку "Вниз" 6КУ і ограничивается конечным выключателем 1BK.

Ускоренное перемещение стола і суппорта происходит лишь тогда, когда вышеуказанные кнопки находятся в нажатом состоянии. При прекращении нажатия на соответствующие кнопки електродвигатель ускоренного ходу выключается.


Блокировка і защита

Контроль за необходимым гідравлическим давлением осуществляется выключателем реле давления 11ВК, который отключает електродвигатели верстата при падении или или исчезновении давления в гідросистеме.

Для ограничения ускоренного подвода стола предусмотрен аварийный конечный выключатель 12ВК.

Ускоренный отвод стола в крайнее положение ограничивается аварийным конечным выключателем 8ВК.

В крайнем верхнем і нижнем положениях перемещение суппорта ограничивается аварийным конечным выключателем 9ВК.

Осевое перемещение фрезы ограничивается конечным выключателем 3ВК.

При выключении аварийных конечных выключателей 3ВК, 8ВК, 9ВК выключаются все електродвигатели.

Захист верстата от коротких замыканий осуществляется предохранителями 2П, 3П, 4П, 5П.

Захист електродвигателей от перегрузки осуществляется тепловыми реле 1РТ..4РТ.


Порядок керування електроприводом

Необходимо:

включить линейный выключатель ЛВ;

переключатель изменения направления обертання фрезы 1ПУ установить в соответствующее положение в зависимости от требуемого направления обертання фрезы;

при необходимости роботи з охлаждающей жидкостью включить переключатель системы охлаждения 2ПУ;

в зависимости от выбранного метода фрезерування переключатель ЗПУ установить в соответствующее положение "Встречный" или "Попутный";

переключатель 4ПУ установить в соответствующее положение: "Автоматический цикл", "Наладка", "Вертикальная подача", "Радиальное врезание";

нажать кнопку "Пуск" гідронасоса (2КУ);

нажать кнопку "Пуск" цикла (3КУ).

Цикл заканчивается при нажатии на конечный выключатель 1ВK (4ВК) или на кнопку "стоп" цикла (10КУ).

По окончании обробки нажать на кнопку "Стоп" гідронасоса (1КУ), выключить верстат.

При необходимости произвести наладочные переміщення стола і суппорта требуется выключатель 4ПУ установить в положеяие "Наладка".

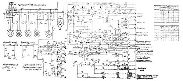
Електрична схема зубофрезерного верстата 5К32

Електрична схема зубофрезерного верстата 5К32

Електрична схема зубофрезерного верстата 5К32. Дивитись у збільшеному масштабі



Електрична схема зубофрезерного верстата 5К32

Електрична схема зубофрезерного верстата 5К32

Електрична схема зубофрезерного верстата 5К32. Дивитись у збільшеному масштабі

Оригинал. Електрична схема зубофрезерного верстата 5К32. Дивитись у збільшеному масштабі



Специфікація зубофрезерного верстата 5К32

Специфікація зубофрезерного верстата 5К32

Специфікація зубофрезерного верстата 5К32. Дивитись у збільшеному масштабі



Специфікація зубофрезерного верстата 5К32

Специфікація зубофрезерного верстата 5К32

Специфікація зубофрезерного верстата 5К32. Дивитись у збільшеному масштабі



Специфікація зубофрезерного верстата 5К32

Специфікація зубофрезерного верстата 5К32

Специфікація зубофрезерного верстата 5К32. Дивитись у збільшеному масштабі



Специфікація зубофрезерного верстата 5К32

Специфікація зубофрезерного верстата 5К32

Специфікація зубофрезерного верстата 5К32. Дивитись у збільшеному масштабі



Схема розположення електроустаткування зубофрезерного верстата 5К32

Схема розположення електроустаткування верстата 5К32

Схема розположення електроустаткування зубофрезерного верстата 5К32. Дивитись у збільшеному масштабі



Пульт керування зубофрезерного верстата 5К32

Пульт керування зубофрезерного верстата 5К32

Пульт керування зубофрезерного верстата 5К32. Дивитись у збільшеному масштабі






Налаштування зубофрезерного верстата - напівавтомату 5К32. Відео





Технічні характеристики зубофрезерного верстата 5К32

Наименование параметра 5К32 5К324
Основні параметри верстата
Наибольший модуль нарезаемого колеса, мм 10 8
Наибольший диаметр нарезаемых цилиндрических прямозубых колес (0°), мм 800 500
Наибольший диаметр нарезаемых цилиндрических косозубых колес (30°), мм 500 400
Наибольший диаметр нарезаемых цилиндрических косозубых колес (45°), мм 350 300
Наибольший диаметр нарезаемых цилиндрических косозубых колес (60°), мм 120...250 120...250
Наибольший диаметр нарезаемых червячных колес, мм 800 500
Наибольшая длина венца нарезаемых цилиндрических прямозубых колес (0°), мм 350 300
Наибольшая длина венца нарезаемых цилиндрических косозубых колес (30°), мм 200 200
Наибольшая длина венца нарезаемых цилиндрических косозубых колес (45°), мм 150 150
Наибольшая длина венца нарезаемых цилиндрических косозубых колес (60°), мм 130 130
Наименьшее число нарезаемых зубьев 12 12
Стол
Диаметр стола, мм 630 500
Расстояние между осями стола і фрезы, мм 80...500 60...350
Расстояние от плоскости стола і оси фрезы, мм 210...570 210...570
Ускоренное перемещение стола, мм/мин 170 170
Ручное перемещение стола за один оборот лимба, мм 0,5 0,5
Суппорт
Наибольшее перемещение суппорта, мм 360 360
Ускоренное перемещение каретки суппорта, мм/мин 550 550
Наибольший диаметр режущего инструмента, мм 200 200
Наименьшая длина режущего инструмента, мм 200 200
Диаметры фрезерных оправок, мм 32; 40 32; 40
Ускоренное перемещение шпинделя вдоль оси, мм/мин 130 130
Расстояние от оси шпинделя до направляючих суппорта, мм 319 319
Наибольший угол наклона зубьев нарезаемого колеса, град ±60 ±60
Поворот суппорта на одно деление шкалы линейки, град
Поворот суппорта на одно деление шкалы нониуса, мин 1` 1`
Конусное отверстие шпинделя Морзе 5 Морзе 5
Наибольшее осевое перемещение фрезы, мм 80 80
Механіка верстата
Пределы оборотів фрезы, об/мин 5...310 5...310
Число ступеней оборотів фрезы 9 9
Пределы продольных подач, мм/об 0,8...5,0 0,8...5,0
Пределы радиальных подач, мм/об 0,3...1,7 0,3...1,7
Пределы тангенциальных подач, мм/об 0,17...3,7 0,17...3,7
Число ступеней подач 7 7
Привід і електрообладнання верстата
Електродвигун головного привода, кВт/ об/мин 7,5/ 1460 7,5/ 1460
Електродвигун ускоренного ходу, кВт/ об/мин 3/ 1430 3/ 1430
Електродвигун приводу гідронасоса, кВт/ об/мин 1,1/ 930 1,1/ 930
Електродвигун насоса охлаждения, кВт/ об/мин 0,15/ 2840 0,15/ 2840
Габаритные розміри і масса верстата
Габаритные розміри верстата (длина х ширина х высота), мм 2550
1510
2000
2500
1440
2000
Масса верстата з електрообладнанням і охолодженням, кг 7200 6400

    Список литературы по зубообработке

  1. Універсальные зубофрезерные верстати підвищеної точності 5К324, 5К32. Руководство,

  2. Ачеркан Н.С. Металлорежущие верстати, Том 1, 1965.
  3. Гальперин Е.И. Наладка зуборезных верстатів, 1960.
  4. Козлов Д.Н. Зуборезные роботи, 1971.
  5. Кучер А.М., Киватицкий М.М., Покровский А.А., Металлорежущие верстати (Альбом), 1972.
  6. Лоскутов В.В., Ничков А.Г. Зубообрабатывающие верстати, 1978.
  7. Малахов Я.А. Зубообрабатывающие і резьбофрезерные верстати і их наладка, 1972.
  8. Мильштейн М.З. Нарезание зубчатых колес, 1972.
  9. Овумян Г.Г., Адам А.И. Справочник зубореза, 1983.
  10. Птицин Г.А., Кокичев В.Н. Зуборезные верстати, 1957.
  11. Шавлюга Н.И. Расчет і примеры наладок зубофрезерных і зубодолбежных верстатів, 1978.
  12. Руководящий материал для конструкторов, проектирующих технологическую оснастку. Основні данные і посадочные места металлорежущих верстатів. НИИМАШ, 1968.








Заказать

Тот, кто правильно указывает на мои ошибки, — мой учитель;
тот, кто правильно отмечает мои верные поступки, — мой друг;
тот, кто мне льстит, — мой враг.