metalinstryment.com
Довідник по металорізальних верстатів та пресовому обладнанні

Корвет-21 Верстат рейсмусовый деревообрабатывающий
Схеми, опис, характеристики

Корвет-21 Верстат рейсмусовый деревообрабатывающий







Відомості про виробника рейсмусового деревообрабатывающего верстата Корвет-21

Поставщиком рейсмусового деревообрабатывающего верстата Корвет-21 является Энкор-Инструмент-Воронеж, ООО, основанное в 1992 году. Адрес сайта: http://www.enkor.ru/, сайт интернет-магазина www.enkor24.ru.

Производитель - компания Shanghai Joye Import & Export Co., Ltd., Китай, г. Шанхай, основанная в июле 2003 года.





Верстати, выпускаемые предприятием Энкор-Инструмент-Воронеж


Корвет-21 Верстат рейсмусовый деревообрабатывающий переносной електрический. Назначение, область применения

Рейсмусовый деревообрабатывающий верстат Корвет-21 предназначен для строгания заготовок из древесины в предварительно заданные розміри. Машина Корвет-21 не рассчитана на работу при непрерывном производстве.

На верстатах Корвет-21 не допускается обработка металлов, асбоцементных материалов, камня і подобных материалов, мягких пластмассовых і резиноподобных материалов.

Рейсмусовый верстат Корвет-21 работает от однофазной сети переменного тока напряжением 220 В частотой 50 Гц.

Верстат Корвет-21 може експлуатироваться в нормальных климатических условиях:





Корвет-21 Загальний вигляд рейсмусового деревообрабатывающего верстата

Фото вигляд рейсмуса Корвет-21


Комплект поставки рейсмусового верстата Корвет-21

Комплект поставки рейсмусового верстата Корвет-21

Список комплекта поставки рейсмусового верстата Корвет-21





Cклад рейсмусового верстата Корвет-21

Cклад рейсмусового верстата Корвет-21


Cклад рейсмусового верстата Корвет-21


Cклад рейсмусового верстата Корвет-21


Cклад рейсмусового верстата Корвет-21

Пристрій рейсмусового верстата Корвет-21

Машина состоит из следующих сборочных единиц і деталей:

Ограждения і защитный кожух (Рис 3, 4). Конструктивно машина собрана по жесткой пространственной схеме на литом основании (11) со стальными несущими колоннами (1) по углам. По колоннам (1) резьбовыми осями (2) при помощи коленчатой рукоятки (6) перемещается рабочая платформа (3). Сверху машина закрыта защитным кожухом (4), являющимся одновременно опорой для додаткових роликов (5) і связывающим елементом для несущих колонн (1). Боковые стороны закрыты металлическими ограждениями (7) з выемками для переноски машины. Сзади рабочая зона машины закрывается от разлетающихся стружек защитным кожухом (12), конструкция которого позволяет использовать систему пылеотсоса.


Корвет-21 Электропривід і понижающий редуктор (рис. 3, 4, 4а)

Строгальный вал (13) з закрепленными на нем строгальными ножами приводится во вращение коллекторным двигателем через ременную передачу, рис. 4а. Конструктивно узел приводу объединен в один блок і включает понижающий редуктор з цепной передачей (14) для переміщення заготовок в рабочую зону.

Ремень передачи, код (артикул) для заказа - 25601


Корвет-21 Ведущие і вспомогательные ролики

Подача обрабатываемой заготовки из древесины к вращающемуся строгальному валу (13) осуществляется автоматически через ведущие подпружиненные обрезиненные ролики (15), Рис 3, 4. Заготовки подаются к ведущим роликам по вспомогательным роликам (9), установленным на удлинителях робочого стола (10). На верхнем ограждении машины для облегчения возврата предварительно обработанной заготовки на исходную позицию для повторного прогона предусмотрены дополнительные металлические ролики (5), Рис 3, 5.


Строгальный вал со строгальными ножами (13) (Рис. 4)

Строгальные ножи машины данного варіанта комплектации – стальные, односторонние. Ножи фиксируются клиновыми планками з помощью 7 винтов (подробную информацию см. в разделе 12.2).


Рабочий стол, удлинители стола і рабочая платформа (Рис. 3, 5)

Рабочий стол (16) литого основания покрыт полированным стальным листом з невысокими боковыми ограничителями. Для обеспечения підвищеної точності обробки заготовок машина снабжена откидывающимися удлинителями робочого стола (10) з вспомогательными роликами (9), облегчающими прорух і строгание заготовок.


Cклад рейсмусового верстата Корвет-21


Сетевой выключатель і тепловой прерыватель (Рис. 6)

Сетевой выключатель (17), помимо функции увімкнення – виключення машины в штатном режиме, обеспечивает защитную функцию, предотвращая несанкционированное увімкнення при отсутствии оператора, поскольку выключатель снабжен съемным ключом. Если вы намереваетесь оставить машину на длительное время і не имеете возможности ограничить к ней доступ посторонних лиц или детей, извлеките блокирующий ключ в положении выключателя «ВЫКЛ». Храните его в надежном месте в вашей мастерской. Для повторного увімкнення машины установите блокирующий ключ і переведите выключатель в положение «ВКЛ».

Для защиты от перегрузок в машине предусмотрен прерыватель живлення (18). При возникновении перегрузки срабатывает тепловое реле, кнопка поднимается над панелью, і електропитание машины прерывается. В етой ситуации подождите несколько минут, після чего нажмите кнопку, опустив її в исходное положение.

ВНИМАНИЕ: Перед включением машины в електрическую сеть выключатель всегда должен находиться в положении «ВЫКЛ».





Основні операции рейсмуса Корвет-21

Предварительное строгание. Предварительное строгание необходимо для получения заготовки желаемой толщины і одновременного создания ровной поверхности, параллельной противоположной стороне заготовки.

Навык предварительного строгания состоит, головним образом, из правильной оценки глубины строгания в различных ситуациях. Вы должны учитывать не только ширину заготовки, но і твердость древесины, її влажность, прямолинейность, направление слоев і их структуру.

Степень влияния етих факторов на качество законченной роботи можно узнать только опытным путем. Во всех случаях рекомендуется при работе з новым видом древесины (или з древесиной, имеющей необычные свойства) сделать пробную обработку з использованием обрезков етого материала.

Всегда начинайте работу з легкого поверхностного прохода. Глубина строгания при післядующих прогонах може быть увеличена до 2,5 мм (см. табл. 2). Помните, что малая глубина строгания создает более гладкую поверхность, чем большая.

Для установки глубины строгания поворачивайте коленчатую рукоятку (6). Значение глубины считывается по шкале (32). Устанавливаемое значение меняется на 2 мм з каждым оборотом ручки (6).

ВНИМАНИЕ: Никогда не устанавливайте глубину строгания более 2,5 мм за один прогон і не пытайтесь строгать заготовки длиной менее 130 мм. Внимательно следите за тем, чтобы обрабатываемая заготовка в процессе строгания перемещалась перпендикулярно роликам (15) подачі заготовки. Одновременная обработка нескольких (особенно коротких) заготовок ЗАПРЕЩЕНА, т. к. ролики (15) подачі заготовки могут не захватить самую тонкую из заготовок, і она будет з силой выброшена назад ножами (23) строгального вала (13). Невыполнение етих требований може привести к заклиниванию заготовки между роликами (15) подачі заготовки і елементами машины и, как следствие, к поломке звездочек і обрыву ланцюгів приводу (17) роликов (15) подачі заготовки, Рис. 4. Всегда защищайте лицо соответствующим защитным щитком или очками.

Не обрабатывайте заготовки толщиной менее 6 мм і более 153 мм.

Чистовое строгание і дополнительные операции. Если предстоит снять большое количество материала, коленчатой рукояткой (6) опустите рабочую платформу (3) (не более чем на 2,5 мм) і выполните проход.

Повторяйте ету операцию до достижения желаемой толщины.

Чистовое строгание, как і предварительная прогонка, наилучшим образом достигается малой глубиной строгания заготовки. Однако, на качество чистовой обробки оказывают влияние еще несколько факторов:

Опора роликовая

Для создания удобства при работе з машиной рекомендуем приобрести опору роликовую, которая облегчит работу з заготовками большой длины как при подаче заготовки на обработку, так і передаче готового вироби після обробки.


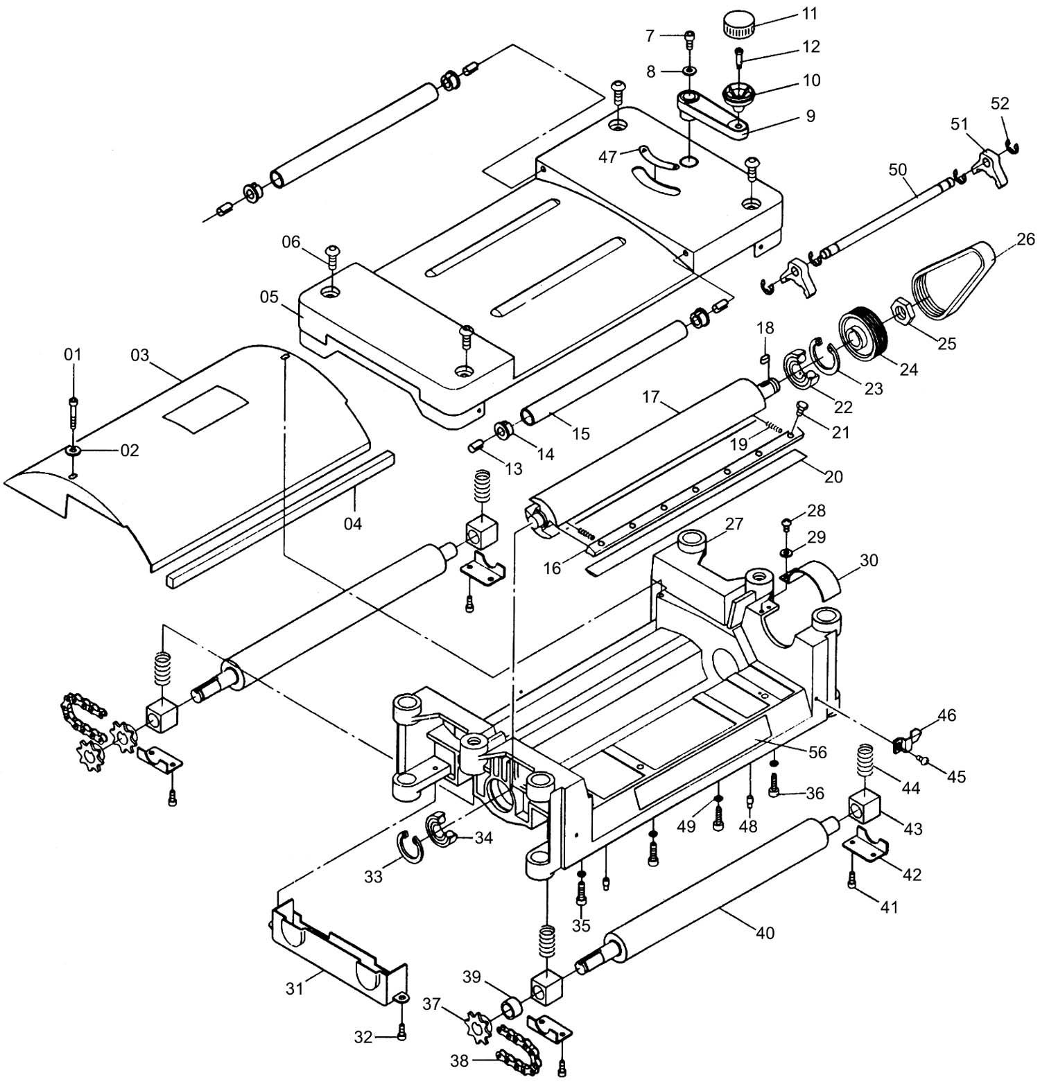
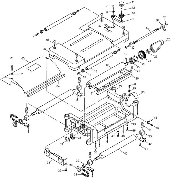
Корвет-21 Верстат рейсмусовый. Схема і детали сборки

Корвет-21 Верстат рейсмусовый. Схема і детали сборки

Корвет-21 Верстат рейсмусовый. Схема і детали сборки. Дивитись у збільшеному масштабі





Корвет-21 Верстат рейсмусовый деревообрабатывающий. Відеоролик

Обзор








Технічні характеристики рейсмусового верстата Корвет-21

Наименование параметра Корвет-21
Основні параметри
Частота обертання ножей (на холостом ходу), об/мин 8000
Количество строгальных ножей на строгальном валу 2
Минимальная длина обрабатываемой заготовки, мм 130
Диапазон толщины обрабатываемых заготовок, мм 6..153
Подача заготовок Механ
Диаметр строгального вала, мм 48
Размер робочого стола, мм 295 х 318
Размер строгального стола, мм 964 х 210
Размер робочого стола з удлинителями, мм 695 х 380
Максимальная ширина строгания, мм 318
Скорость механической подачі заготовки, м/мин 8
Максимальная глубина строгания при ширине строгания менее 150 мм, мм 2,5
Максимальная глубина строгания при ширине строгания от 150 до 240 мм 1,5
Максимальная глубина строгания при ширине строгания от 240 до 300 мм 1,0
Максимальная глубина строгания при ширине строгания от 300 до 318 мм 0,5
Електроустаткування верстата
Род тока питающей сети 220В 50Гц
Количество електродвигателей на станке, шт 1
Електродвигун - номинальная мощность, кВт 1,5
Габарит і масса верстата
Габарит верстата (длина х ширина х высота), мм
Масса верстата, кг 39

    Список литературы:

  1. Амалицкий В.В. Деревообрабатывающие верстати і инструменты, 2002
  2. Афанасьев А.Ф. Резьба по дереву, Техника, Инструменты, Изделия, 2014
  3. Бобиков П.Д. Мебель своими руками, 2004
  4. Борисов И.Б. Обработка дерева, 1999
  5. Джексон А., Дей Д. Библия работ по дереву, 2015
  6. Золотая книга работ по дереву для владельца загородного участка, 2015
  7. Ильяев М.Д. Резьба по дереву, Уроки мастера, 2015
  8. Комаров Г.А. Четырехсторонние продольно-фрезерные верстати для обробки древесины, 1983
  9. Кондратьев Ю.Н., Питухин А.В... Технология изделий из древесины, Конструирование изделий і расчет материалов, 2014
  10. Коротков В. И. Деревообрабатывающие верстати, 2007
  11. Лявданская О.А., Любчич В.А., Бастаева Г.Т. Основы деревообробки, 2011
  12. Любченко В.И. Рейсмусовые верстати для обробки древесины, 1983
  13. Манжос Ф.М. Дереворежущие верстати, 1974
  14. Расев А.И., Косарин А.А. Гідротермическая обработка і консервирование древесины, учебное пособие, 2010
  15. Рыженко В.И. Полная енциклопедия художественных работ по дереву, 2010
  16. Рыкунин С.Н., Кандалина Л.Н. Технология деревообробки, 2005
  17. Симонов М.Н., Торговников Г.И. Окорочные верстати, 1990
  18. Соловьев А.А., Коротков В.И. Наладка деревообрабатывающего оборудования, 1987
  19. Суханов В.Г. Круглопильные верстати для распиловки древесины, 1984
  20. Фокин С.В., Шпортько О.Н. Деревообработка, Технологии і обладнання, 2017
  21. Хилтон Билл Работы по дереву, Полное руководство по изготовлению стильной мебели для дома, 2017