metalinstryment.com
Довідник по металорізальних верстатів та пресовому обладнанні

Корвет-71 Верстат токарний по дереву
Схеми, опис, характеристики

Корвет-71 Верстат токарний по дереву







Відомості про виробника токарного верстата по дереву Корвет-71

Поставщиком токарного верстата по дереву Корвет-71 является Энкор-Инструмент-Воронеж, ООО, основанное в 1992 году. Адрес сайта: http://www.enkor.ru/, сайт интернет-магазина www.enkor24.ru.

Производитель - компания Shanghai Joye Import & Export Co., Ltd., Китай, г. Шанхай, основанная в июле 2003 года.





Верстати, выпускаемые предприятием Энкор-Инструмент-Воронеж


Корвет-71 Верстат токарний по дереву настільний. Назначение, область применения

Токарний верстат для работ по дереву з регулируемой скоростью моделі Корвет-71 предназначена для токарной обробки заготовок из древесины максимальной длиной 455мм і максимальным диаметром 250 мм. Не допускается обработка металлов, асбоцементных материалов, камня і подобных материалов, мягких пластмассовых і резиноподобных материалов. Машина не рассчитана на работу при непрерывном производстве.

Токарний верстат по дереву Корвет-71 предназначен для изготовления малогабаритных деталей из древесины, для выполнения легких токарных работ по дереву і в центрах, на планшайбе или в патроне, а также для выполнения несложных сверлильных работ:


Корвет-71 Загальний вигляд токарного деревообрабатывающего верстата

Фото вигляд токарного верстата Корвет-71


Комплект поставки токарного верстата Корвет-71

Комплект поставки токарного верстата Корвет-71

Список комплекта поставки токарного верстата Корвет-71





Cклад токарного верстата Корвет-71

Cклад токарного верстата Корвет-71

Верстат состоит из следующих сборочных единиц і деталей:

  1. Передня бабка
  2. Шпиндель передньої бабки
  3. Планшайба
  4. Центр шпинделя передньої бабки з зубцами
  5. Резцедержатель
  6. Центр задньої бабки
  7. Пиноль задньої бабки
  8. Ручка фиксации пиноли задньої бабки
  9. Маховик для осьового переміщення пиноли
  10. Задня бабка
  11. Ручка фиксации задньої бабки
  12. Выключатель (ВКЛ-ВЫКЛ) магнитного пускателя
  13. Ручка фиксации резцедержателя
  14. Ручка фиксации опори резцедержателя
  15. Електродвигун
  16. Опора резцедержателя
  17. Станина верстата
  18. Подушка

Принцип роботи токарного верстата Корвет-71

Увімкнення токарного верстата Корвет-71

Для увімкнення токарной машины нажмите зеленую кнопку выключателя магнитного пускателя (12).

Для виключення машины нажмите красную кнопку выключателя магнитного пускателя (12).

Никогда не оставляйте машину без присмотра до її полной остановки.


Регулювання частоти обертання шпинделя передньої бабки

В соответствии з требованиями к заготовке можно легко регулировать скорости шпинделя машины. Перемещая приводной ремень можно задать скорости 760, 1100, 1600, 2200 і 3150 об/мин.

Откройте заднюю крышку (20) передньої бабки (19). Ослабьте болт з круглой головкой (33), сместите плиту електродвигуна (31) і затем измените скорость, переместив приводной ремень (26) в нужную позицию (См.диаграмму швидкостей).

По окончанию регулировки закрепите болт з круглой головкой (33) плиты двигуна (31), установите заднюю крышку (20) передньої бабки (19) і затяните винты з полукруглыми головками (21).


Задня бабка

Переместите заднюю бабку (10) путем ослабления фиксирующей ручки задньої бабки (11) і переместите заднюю бабку в желаемую позицию на станине. Затяните фиксирующую ручку (11).

Пиноль може выходить на 60 мм из кожуха задньої бабки.

Можно переместить пиноль задньої бабки (7) путем ослабления ручки фиксации пиноли задньої бабки (8) і післядующего поворота маховика (9). Затяните ручки (8) і (11) перед началом роботи машины.


Резцедержатель

Для переміщення опори резцедержателя (16) ослабьте фиксирующую ручку опори резцедержателя (14) і переместите опору резцедержателя вправо или влево і назад или вперед. Затяните фиксирующую ручку опори резцедержателя (14) після того, как резцедержатель установлен в нужное положение.

Затяните фиксирующие ручки (13, 14) і убедитесь, что существует достаточный зазор между рабочей деталью і узлом резцедержателя перед включением машины.

ВНИМАНИЕ: УБЕДИТЕСЬ, ЧТО РЕЗЦЕДЕРЖАТЕЛЬ ОТРЕГУЛИРОВАН ТАК, ЧТО ОН НАХОДИТСЯ КАК МОЖНО БЛИЖЕ К ОБРАБАТЫВАЕМОЙ ДЕТАЛИ. ПОВОРАЧИВАЙТЕ ОБРАБАТЫВАЕМУЮ ДЕТАЛЬ РУКОЙ ДЛЯ КОНТРОЛЯ ЗАЗОРА ПЕРЕД ВКЛЮЧЕНИЕМ МАШИНЫ.




Подготовка заготовки

Если вы никогда не занимались обработкой древесины на токарной машине, рекомендуем вам попрактиковаться, используя разные инструменты. Начинайте з небольшой обточки.

Возьмите заготовку из древесины (брусок) размером 50х50х250мм.

Начертите диагональные линии на обоих торцах, чтобы определить центры (Рис.3).

На одном торце сделайте насечку пилкою на глубину приблизительно 1,5 мм на каждой диагональной линии. Это для зубчатого центра.

На другом торце используется центр задньої бабки. Определите точку центра задньої бабки на заготовке в месте пересечения диагональных линий.

Введите центр задньої бабки в заготовку, слегка ударив по торцу центра задньої бабки киянкой или пластиковым молотком (Рис.4).

Вытащите центр задньої бабки і введите зубчатый центр передньої бабки в другой торец заготовки. Убедитесь, что зубцы попали в насечки, сделанные пилкою. Вытащите зубчатый центр.

Убедитесь, что центры і отверстия в шпинделе і пиноли задньої бабки чистые.

Вставьте зубчатый центр в переднюю бабку і центр задньої бабки в заднюю бабку. Слегка постучите по ним пластиковым молотком. Не включайте машину.

Капните каплю масла или воска на заготовку, где она контактирует з центром задньої бабки. Это смазывает заготовку во время обробки.

Установите заготовку между центрами і зафиксируйте заднюю бабку.

Переместите центр задньої бабки в заготовку, поворачивая ручной маховик.

Убедитесь, что центр задньої бабки і зубчатый центр передньої бабки «сели» в заготовку в отверстия, сделанные ранее. Поверните заготовку вручную, поворачивая маховик.

Отрегулируйте резцедержатель приблизительно на 3 мм от углов заготовки і на 3 мм над линией центров (Рис. 5).

Заблокируйте опору резцедержателя і резцедержатель.

Поверните заготовку рукой, чтобы убедиться, что углы не ударяются о резцедержатель.

Скорость обробки данной заготовки должна быть около 1100 об/мин для «грубой обробки».


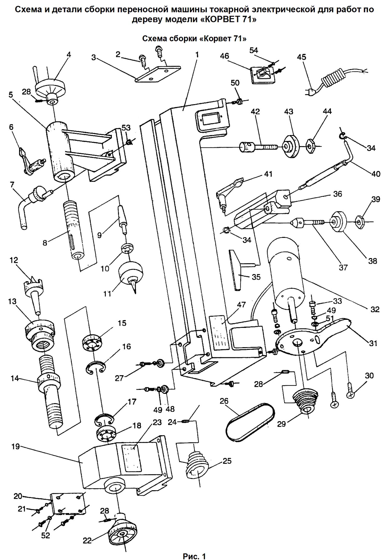
Корвет-71 Верстат токарний. Схема і детали сборки

Корвет-71 Верстат токарний. Схема і детали сборки

Корвет-71 Верстат токарний. Схема і детали сборки. Дивитись у збільшеному масштабі


Детали сборки верстата токарного Корвет-71 для работ по дереву

Корвет-71 Верстат токарний. Детали сборки




Технічні характеристики токарного верстата Корвет-71

Наименование параметра Корвет-71
Основні параметри верстата
Максимальный диаметр обрабатываемой заготовки, мм 250
Наибольшая длина заготовки, устанавливаемой в центрах (РМЦ), мм 420
Число швидкостей обертання шпинделя, об/мин 5
Частота обертання шпинделя, об/мин 760; 1100; 1600; 2200; 3150
Конус шпинделя Морзе МТ2
Конус задньої бабки Морзе МТ2
Електроустаткування верстата
Род тока питающей сети 220В 50Гц
Количество електродвигателей на станке, шт 1
Електродвигун - номинальная мощность, кВт 0,37
Тип електродвигуна асинхронный
Тип передачи ремённая
Габарит і масса верстата
Габарит верстата (длна х ширина х высота), мм
Масса верстата, кг 38

    Список литературы:

  1. Амалицкий В.В. Деревообрабатывающие верстати і инструменты, 2002
  2. Афанасьев А.Ф. Резьба по дереву, Техника, Инструменты, Изделия, 2014
  3. Бобиков П.Д. Мебель своими руками, 2004
  4. Борисов И.Б. Обработка дерева, 1999
  5. Джексон А., Дей Д. Библия работ по дереву, 2015
  6. Золотая книга работ по дереву для владельца загородного участка, 2015
  7. Ильяев М.Д. Резьба по дереву, Уроки мастера, 2015
  8. Комаров Г.А. Четырехсторонние продольно-фрезерные верстати для обробки древесины, 1983
  9. Кондратьев Ю.Н., Питухин А.В... Технология изделий из древесины, Конструирование изделий і расчет материалов, 2014
  10. Коротков В. И. Деревообрабатывающие верстати, 2007
  11. Лявданская О.А., Любчич В.А., Бастаева Г.Т. Основы деревообробки, 2011
  12. Любченко В.И. Рейсмусовые верстати для обробки древесины, 1983
  13. Манжос Ф.М. Дереворежущие верстати, 1974
  14. Расев А.И., Косарин А.А. Гідротермическая обработка і консервирование древесины, учебное пособие, 2010
  15. Рыженко В.И. Полная енциклопедия художественных работ по дереву, 2010
  16. Рыкунин С.Н., Кандалина Л.Н. Технология деревообробки, 2005
  17. Симонов М.Н., Торговников Г.И. Окорочные верстати, 1990
  18. Соловьев А.А., Коротков В.И. Наладка деревообрабатывающего оборудования, 1987
  19. Суханов В.Г. Круглопильные верстати для распиловки древесины, 1984
  20. Фокин С.В., Шпортько О.Н. Деревообработка, Технологии і обладнання, 2017
  21. Хилтон Билл Работы по дереву, Полное руководство по изготовлению стильной мебели для дома, 2017