Постачальником настільного токарно-фрезерного верстата є Корвет-407 Енкор-Інструмент-Воронеж, ТОВ , засноване у 1992 році. Адреса сайту: http://www.enkor.ru/, сайт інтернет-магазину www.enkor24.ru.
Виробник – компанія Shanghai Joye Import & Export Co., Ltd. , Китай, м. Шанхай, заснована у липні 2003 року.
Токарно-фрезерний верстат металу Корвет 407 призначений для обробки заготовок з металу, деревини, всіх видів пластмаси методом точення та фрезерування.
Конструктивно верстат Корвет 407 складається з токарного верстата Корвет-403 та фрезерного верстата Корвет-417 . Відповідно всі технічні характеристики, що стосуються Корвет-403 і Корвет-417, відносяться і до верстата Корвет-407.
Токарно-фрезерний верстат Корвет 407 має два двигуни: для токарної асинхронний операції, для фрезерної операції колекторний.
У режимі токарного верстата можна виконувати всі види токарних робіт:
Фрезерна частинина верстата Корвет 407 складається з прикріпленої до станини вертикальної стійки, на якій закріплена бабка шпиндельна з приводом і шпинделем з патроном для затиску свердла або фрези. На супорті замість токарного різцетримача встановлюються спеціальні лещата для закріплення деталі.
Колекторний двигун має потужність 550 ват і через шестерну коробку передач з'єднується зі шпиндельною головкою. Швидкість обертання головки плавно регулюється у двох діапазонах від 50 до 2500 оборотів.
Шпиндельна бабка вертикально підводиться до заготівлі за допомогою спеціального важеля, а потім вертикальна подача фрези регулюється маховиком точної подачі. Поздовжні та поперечні переміщення заготовки здійснюються звичайними рухами супорту токарного верстата.
У режимі фрезерного верстата можна виконувати:
Традиційне наочне компонування верстата у поєднанні з відпрацьованою кінематичною схемою дозволяє впевнено забезпечити токарну обробку з класом точності «Н» протягом тривалого терміну експлуатації.
У порівнянні з пропонованими на ринку малогабаритними верстатами - він простий в експлуатації, надійний та довговічний.
Верстат Корвет 407 працює від однофазної мережі змінного струму напругою 220 В частотою 50 Гц.
Верстат Корвет 407 може експлуатуватися за таких умов:
Особливості конструкції токарної частинини верстата по металу Корвет 407 :



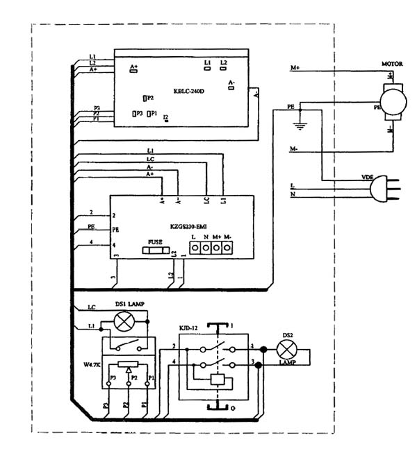
Верстат підключається до розетки мережі 220В, 50Гц за допомогою вилки із заземлюючим контактом. Перед підключенням необхідно перевірити надійність з'єднання верстата із заземлюючим контактом вилки.
Для включення верстата необхідно:
Вимкнути верстат можна чотирма способами:

Верстат підключається до розетки мережі 220В, 50Гц за допомогою вилки із заземлюючим контактом. Перед підключенням необхідно перевірити надійність з'єднання верстата із заземлюючим контактом вилки (VDE).
Для включення верстата необхідно:
Зміна частоти обертання регулюється потенціометром W4.7K.
Частота обертання прямо пропорційна напрузі, що надходить від перетворювача KBLC-240D.
Вимкнути верстат можна чотирма способами:
У будь-якому випадку, для відновлення роботи увімкнути обертання шпинделя можна тільки так, як було описано вище. Тому для тимчасового відключення обертання шпинделя використовуйте ручку регулятора швидкості W4.7K або червону кнопку (О) магнітного пускача (KJD -12).
Використовуйте кришку аварійного вимикача (KJD-12) за призначенням.
Від перевантажень та короткого замикання електроустаткування верстата захищене запобіжником FUSE. У разі його перегорання встановіть аналогічний запобіжник або зверніться до центру обслуговування.
| Найменування параметру | Корвет-407 |
|---|---|
| Основні параметри верстата | |
| Найбільший діаметр заготовки над станиною, мм | 220 |
| Найбільший діаметр заготовки над супортом, мм | |
| Найбільша довжина заготовки у центрах (РМЦ), мм | 750 |
| Рекомендована глибина точення за один прохід, мм | 0,2 |
| Максимальна глибина точення за один прохід, мм | 0,3 |
| Максимальний розмір державки різця, мм | 13 х 13 |
| Максимальна маса заготовки оброблюваної в патроні, мм | 123,5 |
| Максимальна маса заготовки оброблюваної в центрах, мм | 120,5 |
| Шпиндель | |
| Діаметр наскрізного отвору в шпинделі, мм | 20 |
| Конус Морзе шпинделя | Морзе 3 |
| Число ступенів частот прямого обертання шпинделя | 6 |
| Частота прямого обертання шпинделя, об/хв | 100, 250, 350, 500, 900, 1800 |
| Диаметр токарного патрона, мм | 100 |
| Найбільше радіальне биття шпинделя, мм | 0,01 |
| Супорт. Подання | |
| Найбільше поздовжнє переміщення каретки супорта, мм | |
| Переміщення супорта поздовжнє на один поділ лімба, мм | 0,025 |
| Найбільше поперечне переміщення супорта, мм | 110 |
| Переміщення супорта поперечне на один поділ лімба, мм | 0,025 |
| Найбільше переміщення верхніх (різцевих) санок (поворотного супорта), мм | 50 |
| Переміщення різцевих санок на один поділ лімба, мм | 0,025 |
| Кут повороту різцевих санчат, град | ±45° |
| Число ступенів поздовжніх подач супорта | |
| Межі поздовжніх робочих подач супорту, мм/про | 0,11..0,30 |
| Межі робочих поперечних подач супорта, мм/про | ні |
| Кількість нарізаних різьблень метричних | 12 |
| Межі кроків різьб метричних, що нарізаються, мм | 0,5..3,0 |
| Межі кроків різьблення дюймових | 8..56 |
| Межі кроків різьблення модульних | ні |
| Межі кроків різьблення питних | ні |
| Задня бабка | |
| Конус Морзе задньої бабки | №2 |
| Найбільше переміщення пінолі, мм | 40 |
| Фрезерна обробка | |
| Максимальний діаметр свердління, мм | 16 |
| Максимальний діаметр кінцевої фрези, мм | 13 |
| Максимальний діаметр торцевого фрезерування, мм | 25 |
| Конус Морзе фрезерного шпинделя | №3 |
| Частота обертання фрезерного шпинделя, об/хв | 50..1100, 120..2500 |
| Найбільше радіальне биття фрезерного шпинделя, мм | 0,02 |
| Максимальна маса оброблюваної заготовки, мм | 60 |
| Електроустаткування | |
| Номінальна напруга живлення, | 220 в 50 Гц |
| Електродвигун головного приводу токарного верстата, кВт | 0,75 |
| Електродвигун головного приводу фрезерного верстата, кВт | 0,55 колекторний |
| Габарити та маса верстата | |
| Габарити верстата (довжина ширина висота), мм | 1250 х 570 х 820 |
| Маса верстата, кг | 150 |