Виробник круглошліфувального верстата напівавтомата 3А151 - Харківський верстатобудівний завод .
Завод заснований 29 січня 1936 року та спеціалізується на виробництві універсальних та спеціальних круглошліфувальних верстатів.
Круглошліфувальний верстат 3А151 призначений для зовнішнього шліфування циліндричних виробів та пологих конусів.
На верстаті моделі 3А151 , що має гідравлічний механізм врізання, можна виконувати такі види обробки:
На верстатах 3А151 передбачена можливість встановлення приладів активного контролю, що поставляються з ним за особливим замовленням та за окрему плату.
Верстати моделі 3А151 відрізняються від 3А161 найбільшим діаметром оброблюваних виробів - Ø 200 х 700 та Ø 280 х 1000 мм відповідно.
Верстати моделей 3А151 та 3А161 розраховані головним чином на роботу в умовах серійного та масового виробництв , але можуть також використовуватися в одиничному виробництві.
Верстати 3А151 і 3А161 мають гідравлічний механізм врізання з напівавтоматичним циклом роботи і призначені як для врізного так і поздовжнього шліфування, і розраховані головним чином на роботу в умовах серійного та масового виробництв, але можуть використовуватися в одиничному виробництві.
Верстати моделей 3А151 та 3А161 рекомендується застосовувати для врізного та поздовжнього шліфування дрібних, середніх та великих партій однакових деталей діаметром від 10 до 40 мм. Для цього вони повинні бути налаштовані на поздовжнє шліфування при автоматичній поперечній подачі або врізне шліфування до упору з напівавтоматичним циклом роботи. За наявності приладу активного контролю (він поставляється зі верстатами за особливим замовленням та за окрему плату) керування циклом шліфування здійснюється автоматично залежно від дійсного розміру виробу.
На верстатах моделей 3А151 та 3А161 можна виконувати такі види обробки:
На верстатах цих моделей передбачена можливість встановлення приладів активного контролю, що поставляються з ними за особливим замовленням та за окрему плату.
Верстати моделі 3Б151 відрізняються від 3Б161 найбільшим діаметром оброблюваних виробів - Ø 200 х 700 та Ø 280 х 1000 мм відповідно.
Верстати моделей 3Б151 та 3Б161 розраховані на роботу в умовах дрібносерійного та одиничного виробництва.
Верстати моделей 3Б151 та 3Б161 не мають гідравлічного механізму врізання. Вони призначені в основному для виконання поздовжнього шліфування та забезпечені механізмом автоматичного поперечного подавання, що здійснюється при реверсі столу. На них можна виконувати також врізне та поздовжнє шліфування при ручній поперечній подачі.

Габарит робочого простору посадкові та приєднувальні бази верстата 3а151, 3а161

Фото круглошліфувального верстата 3а151
Фото круглошліфувального верстата 3а151. Дивитись у збільшеному масштабі

Фото круглошліфувального верстата 3а151

Розташування складових частинин шліфувального верстата 3а151
* Групи та вузли, позначені зірочкою на малюнку не показані.

Розташування органів керування шліфувальним верстатом 3а151
Розташування органів керування шліфувальним верстатом 3а151. Дивитись у збільшеному масштабі
Питание ланцюгів електроустаткування осуществляется следующими напряжениями:
Електроустаткування верстата предназначено для подключения к трехфазной сети переменного тока з глухозаземленным или изолированным нейтральным проводом.
На станке установлены електродвигатели:

Електрична схема круглошлифовального верстата 3а151
Схема електрична принципова круглошлифовального верстата 3А151. Дивитись у збільшеному масштабі

Список елементів електрической схеми круглошлифовального верстата 3А151
Все електроприводы, кроме приводу вироби, имеют асинхронные електродвигатели трехфазного тока з короткозамкнутым ротором. Электропривід вироби имеет електродвигатель постоянного тока з параллельной обмоткой возбуждения, который получает питание от блока магнитных усилителей і выпрямителей.
Скорость електродвигуна приводу вироби можно бесступенчато регулировать в пределах от 250 до 2500 об/мин.
В верстатах предусмотрено местное освещение от пониженного напряжения 36 В.
Для ланцюгів керування предусмотрено напряжение 127 В.
Ланцюги местного освещения і керування получают питание через понижающий трансформатор.
Верстати выпускаются для живлення от трехфазной сети переменного тока напряжением 380 В, 50 Гц.
По согласованию з заводом-изготовителем верстати могут быть изготовлены і на другие напряжения живлення, местного освещения і ланцюги керування.
Станція керування прикреплена к станине верстата.
Для пуска верстата необходимо включить автоматический выключатель АВ (рис. 1) і воздействовать на кнопку КПГ. При етом произойдет увімкнення електродвигателей насосов: гідравлики Г, змазки підшибників шпинделя шлифовальной бабки С, змазки направляючих станины 1С.
Убедившись в наличии циркуляции масла в двух прозрачных колпачках, расположенных на крышке корпуса шлифовальной бабки, воздействием на кнопку КПШ включаем електродвигатель шлифовального круга Ш.
Увімкнення і вимкнення електродвигуна вироби И може быть осуществлено либо вручную при воздействии соответственно на кнопки КПИ (1КПИ), КСИ (1КСИ), либо автоматически при быстром подводе (включение) і отводе (отключение) шлифовальной бабки.
В первом случае выключатель ВИ должен быть установлен в положение, при котором замкнуты контакты 45—47, во втором случае — в положение, при котором замкнуты контакты 45—55.
Увімкнення і відключення електродвигуна вироби при подводе і отводе шлифовальной бабки происходит в результате того, что микропереключатель КИ соответственно нажимается і освобождается.
Остановка електродвигуна И вироби происходит в режиме динамического торможения.
Увімкнення і відключення електродвигуна Н насоса охлаждения при шлифовании происходит одновременно з електродвигуном вироби И, при правке — одновременно з електродвигуном шлифовального круга Ш.
Это достигается з помощью переключателя ВН, который при шлифовании установлен в положение «шлифование»—замкнуты контакты 41—49, а при правке — в положение «правка» замкнуты контакты 37—41.
Відключення всех електродвигателей производится воздействием на кнопку КС.
Увімкнення і відключення местного освещения производится выключателем ВО.
Монтажная схема представлена на рис. 2, схема розміщення електроустаткування на станке — на рис. 3, символические изображения на пультах керування — на рис. 4, а схема трассы зануления на рис. 5.
Захист електроустаткування верстата от коротких замыканий осуществляется автоматическими выключателями АВ, ПГ, ПН і плавкими вставками предохранителей ПИ, ПУ, ПО, а защита електродвигателей Ш, Г, И от перегрузки — тепловыми реле РТШ, РТГ, РТИ.
Тепловые реле имеют ручной возврат.
Захист електродвигуна И от разноса при обрыве поля обеспечивается реле РОП.

Размещение електроустаткування на станке 3а151

Символические изображения на пультах керування круглошлифовального верстата 3А151

Монтажная електросхема круглошлифовального верстата 3А151
Монтажная електросхема круглошлифовального верстата 3А151. Дивитись у збільшеному масштабі

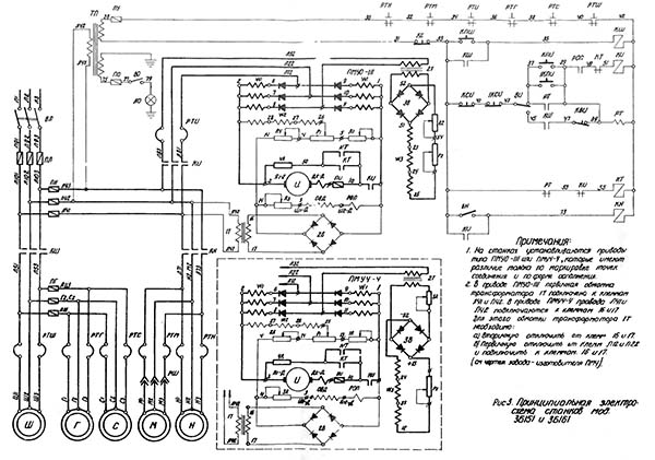
Електрична схема круглошлифовального верстата 3А151, 3А161
Електрична схема круглошлифовального верстата 3а151, 3а161. Дивитись у збільшеному масштабі

Електрична схема круглошлифовального верстата 3Б151, 3Б161
Електрична схема круглошлифовального верстата 3Б151, 3Б161. Дивитись у збільшеному масштабі

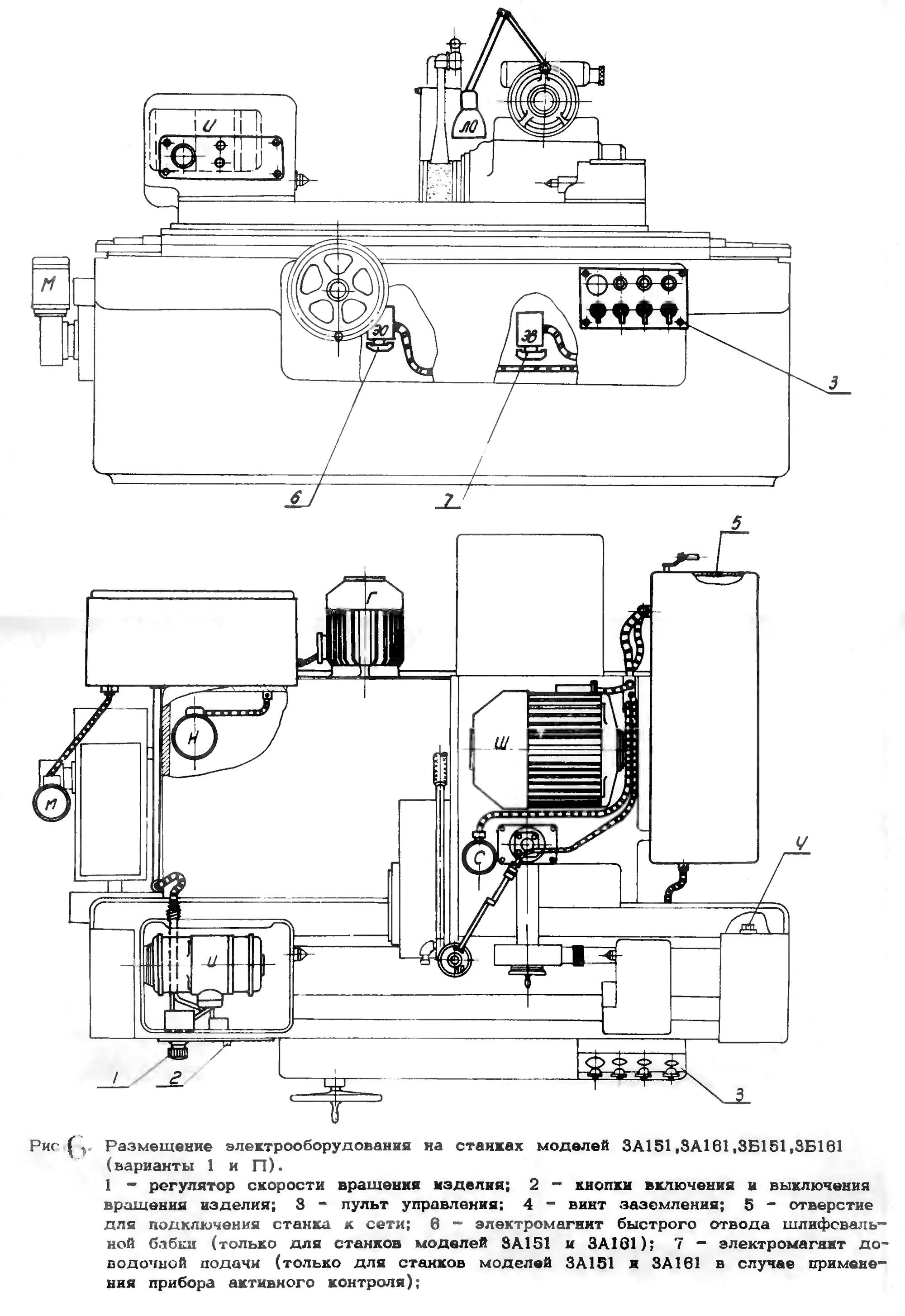
Размещение електроустаткування на круглошлифовальном станке 3А151, 3А161, 3Б151, 3Б161

Настановне креслення для верстатів 3а151
| Наименование параметра | 3Б151 | 3Б161 | 3А151 | 3А161 |
|---|---|---|---|---|
| Основні параметри верстата | ||||
| Класс точності по ГОСТ 8-82 | П | П | П | П |
| Наибольший диаметр обрабатываемого вироби, мм | 200 | 280 | 200 | 280 |
| Наибольшая длина обрабатываемого вироби, мм | 700 | 1000 | 700 | 1000 |
| Наибольший диаметр шлифования в люнете, мм | 60 | 60 | 60 | 60 |
| Наибольший диаметр шлифования без люнета, мм | 180 | 250 | 180 | 250 |
| Наименьший диаметр шлифования, мм | ||||
| Наибольшая длина шлифования, мм | 630 | 900 | 630 | 900 |
| Расстояние от оси шпинделя передньої бабки до зеркала стола (высота центров), мм | 110 | 150 | 110 | 150 |
| Наибольшая масса обрабатываемого вироби, кг | 30 | 40 | 30 | 40 |
| Рабочий стол верстата | ||||
| Наибольшая длина переміщення стола, мм | 650 | 920 | 650 | 920 |
| Ручное ускоренное переміщення стола за один оборот маховика, мм | 22,6 | 22,6 | 22,6 | 22,6 |
| Ручное замедленное переміщення стола за один оборот маховика, мм | 5,3 | 5,3 | 5,3 | 5,3 |
| Наименьший ход стола от гідросистемы при переключении упорами, мм | 8 | 8 | 8 | 8 |
| Скорость переміщення стола от гідросистемы (бесступенчатое регулювання), м/мин | 100..6000 | 100..6000 | 100..6000 | 100..6000 |
| Наибольший угол поворота верхнего стола по часовий стрелке, град | 3° | 3° | 3° | 3° |
| Наибольший угол поворота верхнего стола против часовий стрелки, град | 10° | 8° | 10° | 8° |
| Цена деления шкалы поворота верхнего стола, град | 0°20' | 0°20' | 0°20' | 0°20' |
| Конусность, мм/м | 10 | 10 | 10 | 10 |
| Шлифовальная бабка | ||||
| Диаметр шлифовального круга, мм | 600..450 | 600..450 | 600..450 | 600..450 |
| Наибольшая ширина (высота) шлифовального круга, мм | 63 | 63 | 63 | 63 |
| Частота обертання шпинделя шлифовальной бабки, об/мин | 1112, 1272 | 1112, 1272 | 1112, 1272 | 1112, 1272 |
| Скорость різання шлифовального круга, м/с | ||||
| Наибольшее перемещение шлифовальной бабки по винту, мм | 200 | 200 | 200 | 200 |
| Величина швидкого подвода шлифовальной бабки от гідравлики, мм | 50 | 50 | 50 | 50 |
| Время швидкого подвода шлифовальной бабки, с | 2 | 2 | 2 | 2 |
| Периодическая подача шлифовальной бабки на диметр вироби от храпового механізма (при реверсе справа, слева, при каждом реверсе), мм | 0,005..0,06 | 0,005..0,06 | 0,005..0,06 | 0,005..0,06 |
| Периодическая подача шлифовальной бабки на диметр вироби от механізма врізання (при реверсе справа, слева, при каждом реверсе), мм | - | - | 0,005..0,032 | 0,005..0,032 |
| Непрерывная подача для врезного шлифования скорость, мм/мин | - | - | 0,1..2 | 0,1..2 |
| Непрерывная подача для врезного шлифования, мм на оборот вироби | - | - | 0,0005—0,01 | 0,0005—0,01 |
| Цена деления лимба поперечної подачі на диаметр вироби, мм | 0,005 | 0,005 | 0,005 | 0,005 |
| Величина поперечного переміщення шлифовальной бабки за один оборот маховика, мм | 1 | 1 | 1 | 1 |
| Передня бабка | ||||
| Частота обертання вироби (бесступенчатое регулювання), об/мин | 63..400 | 63..400 | 63..400 | 63..400 |
| Задня бабка | ||||
| Величина відведення пиноли задньої бабки от руки, мм | 35±2 | 35±2 | 35±2 | 35±2 |
| Величина відведення пиноли задньої бабки от гідросистемы, мм | 35±2 | 35±2 | 35±2 | 35±2 |
| Привід і електрообладнання верстата | ||||
| Количество електродвигателей на станке | 7 | 7 | 7 | 7 |
| Електродвигун шпинделя шліфувальної бабки (Ш), кВт | 7,5 | 7,5 | 7,5 | 7,5 |
| Електродвигун приводу виробу (І), кВт | 0,76 | 0,76 | 0,76 | 0,76 |
| Електродвигун насоса гідросистеми (Г), кВт | 1,5 | 1,5 | 1,5 | 1,5 |
| Електродвигун насоса системи змащення підшипників шпинделя (С), кВт | 0,08 | 0,08 | 0,08 | 0,08 |
| Електродвигун насоса системи змащення направляючих столу (1С), кВт | 0,08 | 0,08 | 0,08 | 0,08 |
| Електродвигун насоса системи охолодження (Н), кВт | 0,12 | 0,12 | 0,12 | 0,12 |
| Електродвигун магнітного сепаратора (М), кВт | 0,08 | 0,08 | 0,08 | 0,08 |
| Габаритні розміри та маса верстата | ||||
| Габаритні розміри верстата (довжина x ширина x висота), мм | 3100 х 2100 х 1500 | 4100 х 2100 х 1560 | 3100 х 2100 х 1500 | 4100 х 2100 х 1560 |
| Маса верстата з електрообладнанням та охолодженням, кг | 4200 | 4500 | 4200 | 4500 |
На службових сходах стійте праворуч. Не заважайте тим, хто йде вниз.