Виробник універсального круглошліфувального верстата 3М132в - Харківський верстатобудівний завод .
Напівавтомат круглошліфувальний 3М132В призначений для зовнішнього і внутрішнього циліндричного шліфування (діаметром до 280 мм і довжиною до 1000 мм), конічних і фасонних поверхонь, а також плоских фланцевих поверхонь виробів, в умовах одиничного і серійного виробництва.
Шліфування на верстаті 3М132в може проводитись у нерухомих центрах або патроні.
Верстат круглошліфувальний 3М132в призначений для:
Напівавтомати 3М132В виготовляються у звичайному виконанні та на їх базі з ЧПУ.
На напівавтоматах у звичайному виконанні механізм поперечних подач шліфувальної бабки забезпечує ручні та автоматичні поперечні подачі, дозволяє проводити налаштування на загальну величину припуска, що знімається, і величину припуска, що знімається при чистовому шліфуванні. Механізм забезпечує автоматичне перемикання з чорнової подачі на чистову за допомогою командоапарата, розміщеного в корпусі механізму.
На напівавтоматах із ЧПУ механізм поперечних подач забезпечує:
Шпиндель шліфувальної бабки встановлений у двох підшипниках ковзання спеціальної конструкції. Підшипники мають по три однакові вкладиші, що є окремими сегментами.
Сферичними лунками вкладиші спираються на гвинти зі сферичними головками, у результаті вкладиші самовстановлюються по шийках шпинделя.
Конструкція забезпечує масляний клин між вкладишами та шийкою шпинделя, що запобігає їх нагріванню та зносу.
Примусове проточне мастило шпинделя проводиться з окремого бачка, розташованого за межами верстата, що зменшує температуру нагрівання шліфувальної бабки.
Автоматичний контроль наявності мастила у підшипниках шпинделя Шліфувальної бабки гарантує довговічність їхньої роботи.
Безступінчасте регулювання частоти обертання виробу, швидкості різання та поздовжніх подач дозволяє проводити обробку на оптимальних режимах.
Реле перевантаження приводу шліфувального кола при швидкому підведенні шліфувальної бабки дозволяє автоматично переходити на чорнову подачу, що значно підвищує продуктивність.
Компенсація зносу шліфувального кола здійснюється як вручну, і автоматично.
Правку шліфувального кола можна проводити правильним гідрофікованим приладом з автоматичним включенням в циклі роботи напівавтомата. Частоту правки можна змінювати в залежності від необхідної чистоти виробу, що шліфується, і стійкості шліфувального круга.
Правку шліфувального кола по радіусу можна робити правильним приладом, закріпленим на столі напівавтомата.
Напівавтомати оснащені пристроєм балансування шліфувального кола під час роботи, що складається з механізму балансування кола та електронного індикатора розмаху коливань. Пристрій відрізняється швидкодією, надійністю роботи, простотою керування, зручністю обслуговування, що сприяє підвищенню продуктивності та чистоти шліфування.
Напівавтомати оснащені індикаторним пристроєм, який забезпечує можливість вимірювання малих поздовжніх переміщень столу. Пристрій дозволяє здійснювати розмірне підшліфування торців деталей торцем шліфувального кола.
Індикаторний пристрій для контролю повороту верхнього столу в поєднанні з номограмою для визначення величини корекції положення верхнього столу різко скорочує час отримання конусності деталей, що шліфуються.
На напівавтоматах передбачена можливість встановлення приладів активного контролю з навісною та настільною скобами.
Прилади активного контролю дозволяють:
Клас точності напівавтомата по ГОСТ 11654-65.

Креслення робочого простору шліфувального верстата 3М132в

Приєднувальні та посадкові бази шліфувального верстата 3М132в

Фото шліфувального верстата 3М132в
Фото круглошліфувального верстата 3М132в. Дивитись у збільшеному масштабі

Фото шліфувального верстата 3М132в
Фото круглошліфувального верстата 3М132в. Дивитись у збільшеному масштабі

Фото шліфувального верстата 3М132в

Фото шліфувального верстата 3М132в

Фото шліфувального верстата 3М132в
Фото круглошліфувального верстата 3М132в. Дивитись у збільшеному масштабі
Верстат виготовляється з електроустаткуванням для роботи від мережі трифазного змінного струму на будь-яку напругу та частоту мережі відповідно до таблиць I та 2 додатка I.
Електроустаткування верстата призначене для роботи в умовах помірного, холодного, тропічного клімату, в сухих опалювальних та вентильованих приміщеннях.
За погодженням із замовником верстат може бути виготовлений із вузлами за особливим замовленням відповідно до табл.3 додатка I.
Підключення верстата до мережі змінного струму слід проводити дроти перерізом 10 мм² (по міді) з ізоляцією чорного кольору.
Підключення до мережі заземлення здійснювати дротом 10 мм² (по міді) з ізоляцією зелено-жовтого кольору.
Для введення проводів у даху шафи керування передбачено отвір, показаний на рис.2.
Живлення ланцюгів керування здійснюється:
Живлення ланцюгів сигнальних ламп здійснюється напругою 24 В постійного струму.
Місцеве освітлення верстата живиться напругою 24 від понижуючого трансформатора.
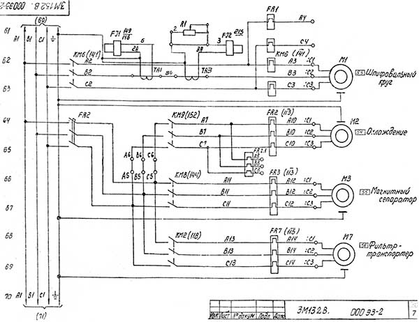
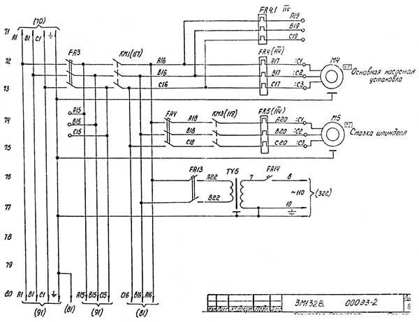
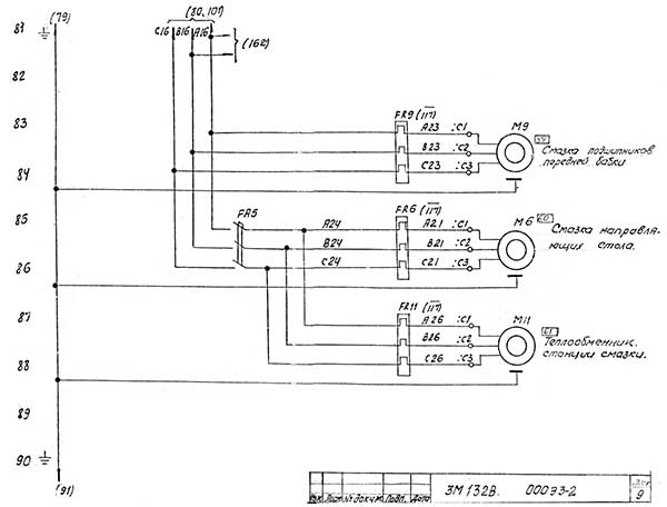
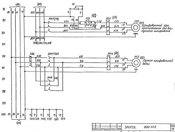
функціональне призначення, найменування та технічна характеристика елементів електроустаткування вказані на схемі електричної принципової (додаток I) та переліку елементів (додаток 2).
Розташування електроустаткування показано на рис. 1 та 2.
Шафа керування розташована окремо від верстата. Розташування електрообладнання в шафі показано в технічній документації, що додається до нього.
Нa дверцу шкафа выведена рукоятка приводу вводного выключателя для подключения верстата к сети переменным током
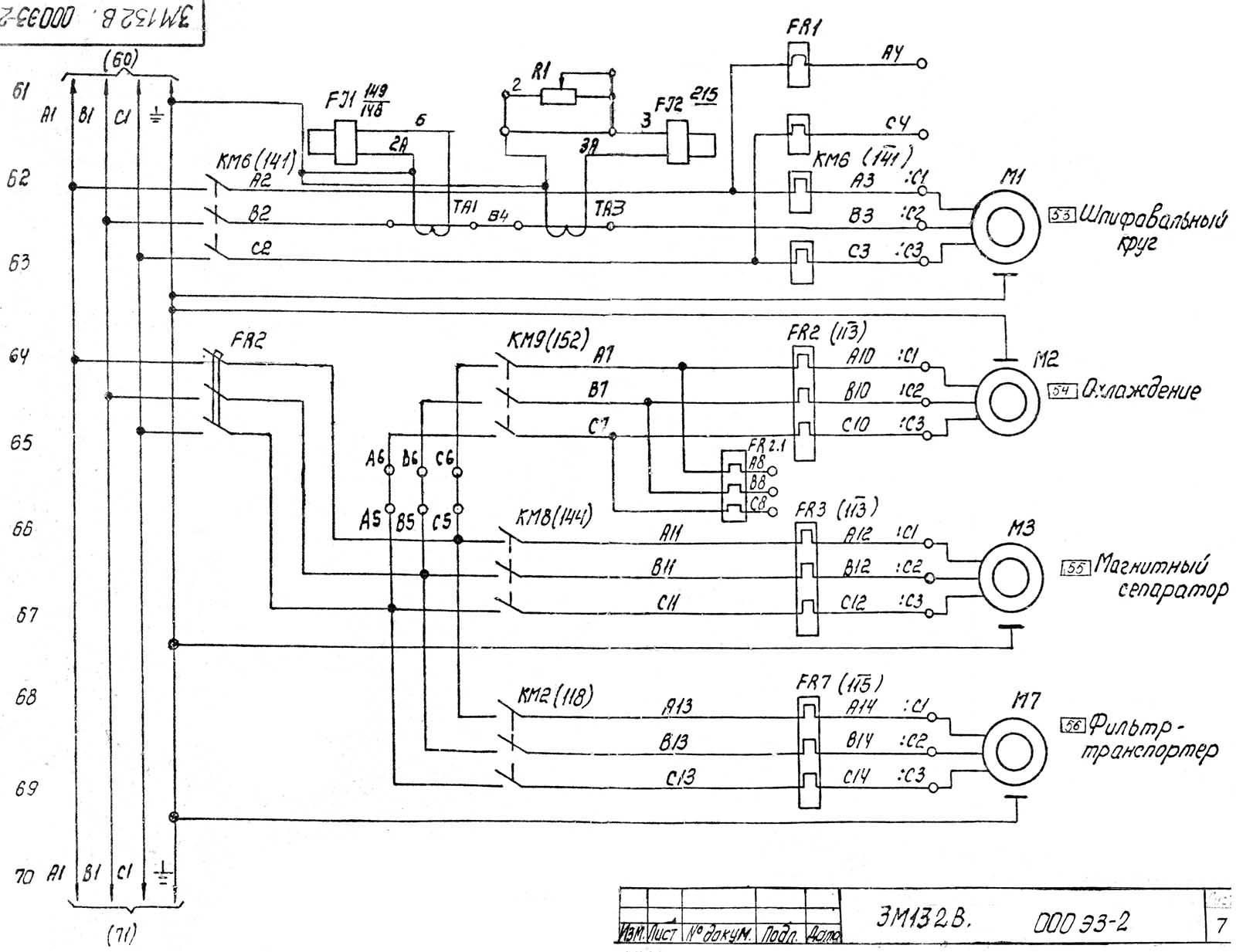
Привід механізмов верстата осуществляется 13 двигунами:
Кнопки SB7 і SB8 управляют приводом основного шлифовального круга при ненажатом SQ12 (рукоятка блокировочного пристроя в положение "Внутреннее шлифование")
Перед началом робота на станке следует внимательно ознакомиться з настоящим руководством, руководством по експлуатации механической частини верстата і експлуатационной документацией, прилагаемой к пристроями комплектующим виробим, входящим в состав верстата.
Перед подключением верстата к сети живлення следует проверить состояние електроустаткування і готовность его к работе:
После выполнения вышеуказанных требований:
На холостом ходу проверьте:
После проверки роботи електроустаткування верстата на холостом ходу приступите к работе под нагрузкой
Перед пуском верстата ток установка реле FJ1 предварительно установите не более 1,5 Iн (Iн - номинальный ток) двигуна М1 і уточните уставку після измерения нагрузки двигуна.
Во время первоначального пуска двигуна М1 при отсутствии заготовки в центрах і при подведенной шлифовальной бабке проверьте работоспособность предохранительного пристроя от перегрузки. Для етого кратковременно нажмите кнопку пуска шлифовального круга і убедитесь в том, что шлифовальная бабка отводится в момент срабатывания реле.
При врезном шлифовании на скорости черновой подачі, указанной в свидетельстве о выходном контроле електроустаткування, произведите измерение тока нагрузки двигуна M1.
Установите ток уставки реле FJ1 на 10..20% больше измеренного тока нагрузки.
При врезании шлифовального круга на скорости, превышающей черновую подачу для измерения нагрузки на 15...25%, шлифовальная бабка должна отводиться.
Перед пуском верстата ток установки реле FJ3 предварительно установите не более 1,5 Iн двигуна M12 і уточните уставку після измерения нагрузки двигуна.
Во время первоначального пуска двигуна M12 при отсутствии заготовки в патроне і произведенных подачах шлифовальной бабки проверьте работоспособность предохранительного пристроя от перегрузки. Для етого кратковременно нажмите кнопку пуска шлифовального круга я убедитесь в том, что происходит перезарядка механізма подач в момент срабатывания реле FJ3 * В дальнейшем - "Приспособление "
При врезном шлифовании на скорости черновой подачі, указанной в свидетельства о выходном контроле електроустаткування, произведите измерение тока нагрузки двигуна М12.
Установите ток уставки реле FJ3 на 10..20% больше измеренного тока нагрузки.
При врезании шлифовального круга на скорости, превышающей черновую подачу для измерения нагрузки на 15...20% должна происходить перезарядка механізма врізання.
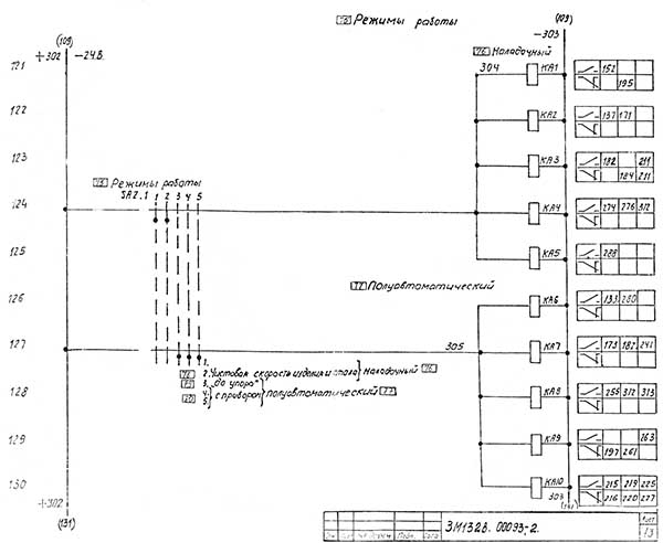
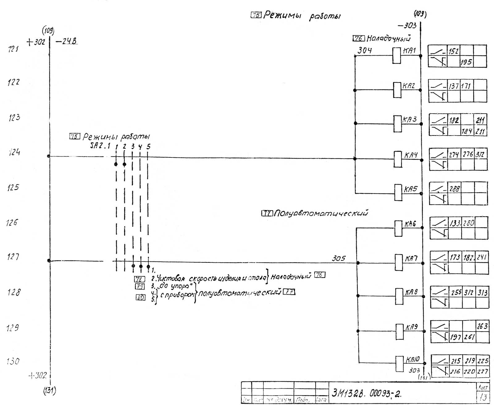
Електроустаткування обеспечивает работу верстата в следующих режимах:
Режими 3.1.3 і 3.1.4 соответствуют исполнениям верстата приведенным в табл.3 приложения I.
На главном пульті керування верстата установите переключатели в положения:
Перед началом роботи убедитесь, что механізмы верстата находятся в исходных положениях:
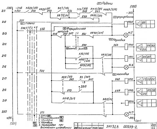
Нажмите кнопку SB4 (гідравлика пуск), от которой через KM1 включаются електродвигатели М4...М6, М7 (при нажатом SQ3), M8...М11.
Независимо от режимов роботи схема електрического керування работает только при включенной гідросистеме верстата.
После того, как проявится давление в системе змазки шпинделя шлифовальной бабки (нажимается SQ6 і HL2 отключается), нажмите кнопку SB8 (шлифовальный круг пуск), удерживая её до окончания пускового режима електродвигуна M1.
При етом включаются електродвигатели M1, М3. Нажмите на педаль от которой через микровыключатель SQ7 включается електромагнит YA1 і происходит отвод пиноли задньої бабки.
Установите обрабатываемую заготовку на линию центров і освободите педаль. YA1 отключается і пиноль подводится - происходит зажим вироби в центрах.
В отведенном положении шлифовальной бабки (нажат SQ10) і включенном шлифовальном круге включаются електромагнит YA4 і лампа HL4
Рукояткой гідравлічного керування (наклоном вперед) произведите быстрый подвод шлифовальной бабки.
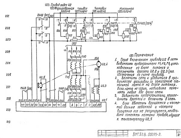
В начале подвода шлифовальной бабки освобождается SQ10 от которого через KМ11 подключается к сети переменного тока блок регулювання U1.1 комплектного електроприводу обертання вироби, включается електродвигатель вироби U1.3, который вращается з частотой, установленной регулятором U1.4.
Одновременно включается насос охлаждения М2.
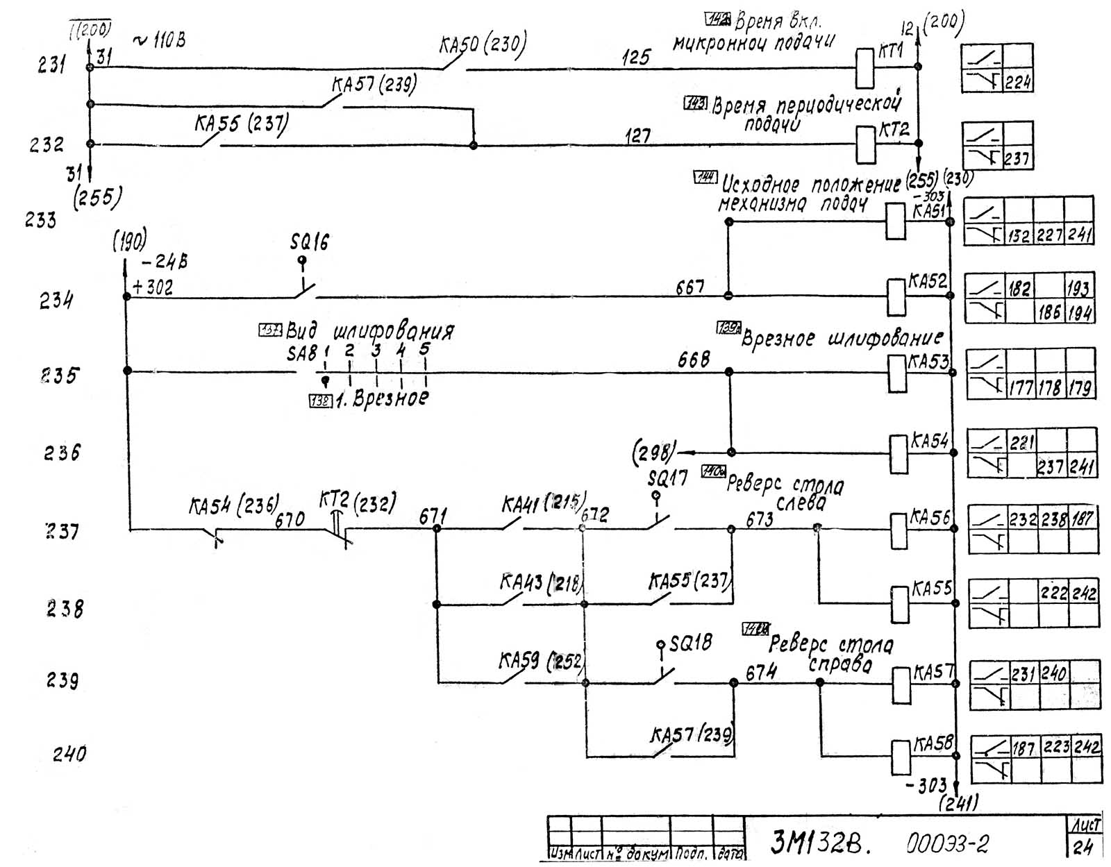
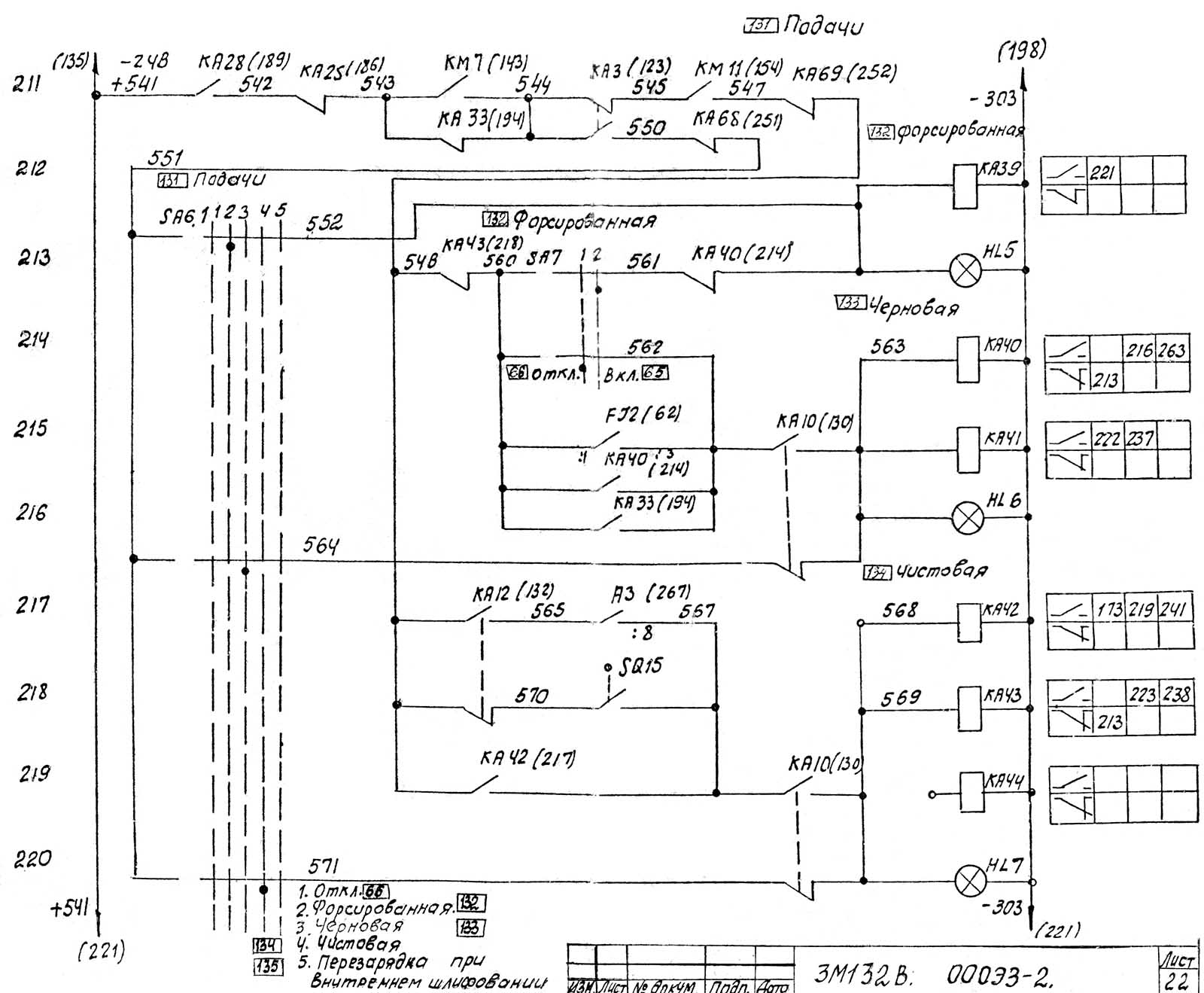
В подведенном положении шлифовальной бабки нажимается SQ11 і включает привід подач U2. При етом електродвигатель приводу подач U2.4 включается і обеспечивает перемещение шлифовальной бабки со скоростью форсированной подачі, определяемой R11, на пульті зажигается сигнальная лампа HL5.
В момент касания вироби шлифовальным кругом по команде реле FJ2 изменяется частота обертання U2.4 на пульті загорается сигнальная лампа HL6, а бабка перемещается со скоростью черновой подачі, определяемой регулятором R18 до тех пор пока не нажмется микровыключатель SQ15- черновой припуск снят. При ето включается сигнальная лампа НL7 - чистовая подача шлифовальной бабки, регулятор R19. (двигатель U2.4) і чистовая частота обертання вироби (U1.3), заданная регулятором R5. Чистовая подача заканчивается в момент срабатывания микровыключателя SQ19 - чистовой припуск снят. U2 отключается, подачі прекращается і включается реле часу выхаживания КТ3 і сигнальная лампа HL8. После окончания выхаживания отключается YA4 і HL8. Шлифовальная бабка отводится.
В начале відведення освобождается SQ11 включается привід подач U2 і бабка перемещается по винту в сторону перезарядки со скоростью форсированной подачі до тех пор пока не нажмется SQ16.
Одновременно з перезарядкой происходит отвод шлифовальной бабки по цилиндру.
В кінці відведення нажимается микровыключатель SQ10 і отключает подачу СОЖ - М2 - привід вироби - UI, при етом происходит динамическое торможение двигуна вироби U1.3.
После полной остановки вироби нажмите педаль.
Включается YA1, происходит отвод пиноли задньої бабки. Снимите готовое изделие і установите новую заготовку на линию центров. Верстат подготовлен к следующему циклу.
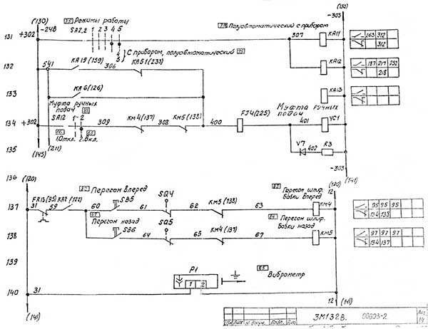
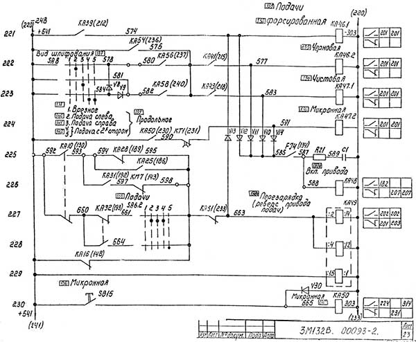
На главном пульті керування верстата установите переключатели в положения:
Работа схеми происходит, как і в цикле врезного шлифования "До упора" з той лишь разницей, что при продольном шлифовании работает механізм переміщення стола, а подачі, за исключением форсированной, производятся периодически.
Переключателем SA8, установленным в положение продольного шлифования, включается електромагнит МА5, разрешающий перемещение стола, которое включается рукояткой гідравлічного керування. Стол при подводе шлифовальной бабки, форсированной і черновой подачах перемещается со скоростью, соответствующей черновому шлифованию.
По команде SQ15 "начало чистовой подачі" включается YA2, происходит переход переміщення стола на скорость, соответствующую чистовому шлифованию.
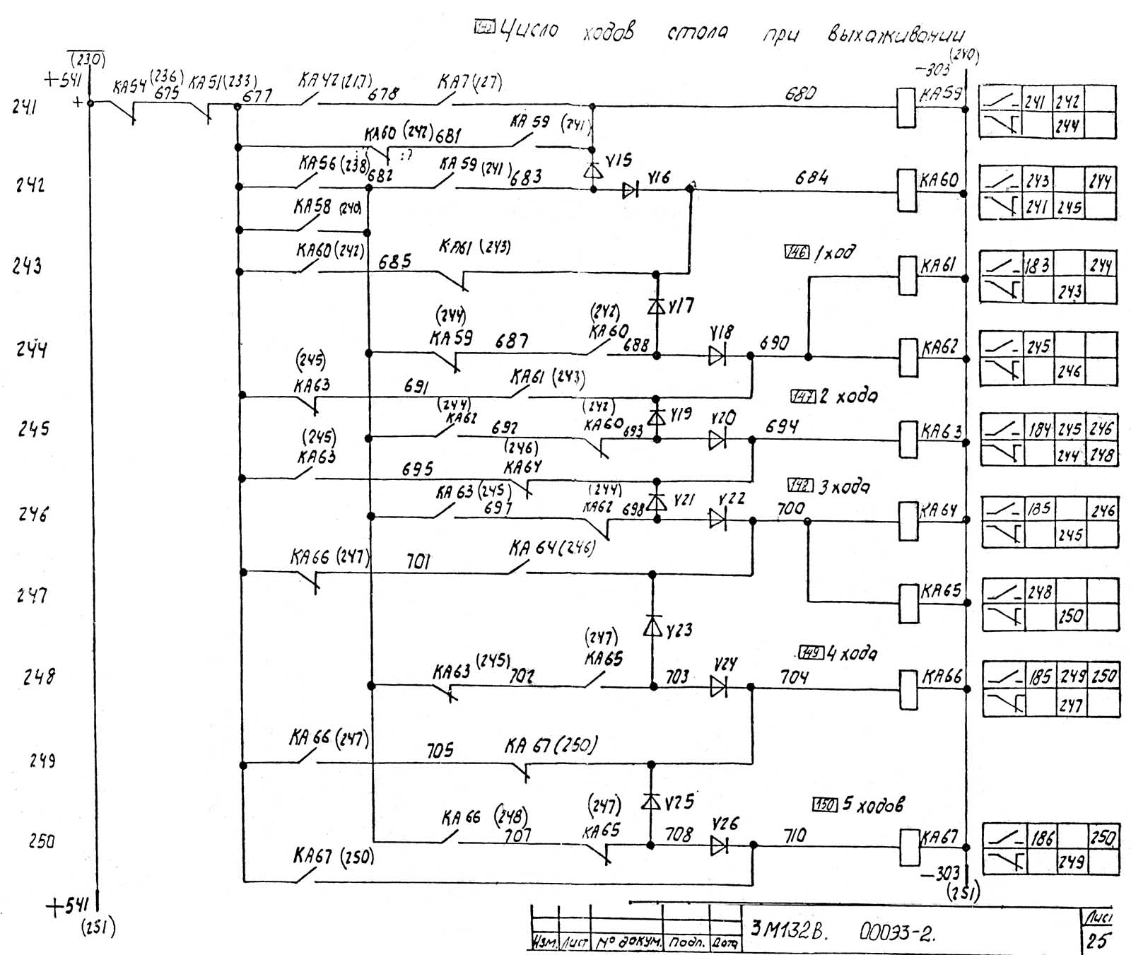
Черновая і чистовая подачі производятся периодически в момент реверса стола при включении SQ17 і SQ18 на время, определяемое установкой реле КТ2 ж в зависимости от положения переключателя места подачі SA8.
При получения размера вироби нажимается SQ19 подачі прекращаются, идет выхаживание - включена лампа HL8. Число ходов выхаживания определяется переключателем SA5.
В момент очередного реверса стола выдается команда на отвод шлифовальной бабка (отключается YA4) і перезарядку механізма подач, U2 включается і перемещает шлифовальную бабку назад со скоростью формированной подачі до нажатия SQ16. На етом цикл продольного шлифования "до упора" заканчивается.
Для перехода на шлифование в режиме „Приспособление" при выключенном вращении основного шлифовального круга на главном пульті керування верстата установите переключатели в положения;
Рукояткой гідрокерування произведите быстрый подвод шлифовальной бабки.
Установите рукоятку блокировочного пристроя в положение внутреннего шлифования. При етом нажмите SQ12, быстрый отвод шлифовальной бабки механически заблокируется.
Нажатием SВ13 включается YА8, происходит расстопоривание "Приспособления". В начале вывода стопора освобождается, SQ13, а в кінці нажимается SQ14. Включается YA9 "Приспособление" опускается в рабочее положение. Отпустите B13, YA8, YA9 отключается. Зажмите "Приспособление" в рабочем положении механически.
На главном пульті керування верстата установите переключатели в положения:
Нажмите кнопку SB8, удерживая її до окончания пускового режима електродвигунами М12. Одновременно включается магнитный сепаратор М3.
Установите обрабатываемую заготовку і займите её механически. Нажмите кнопку SB12 - произойдет запуск напівавтоматичного цикла. При етом через KM11 подключается к сети переменного тока блок регулювання U1.1 комплектного електроприводу обертання вироби, включается електродвигатель вироби U1.3, который вращается з частотой установленной регулятором U1.4.
Одновременно включаете насос охлаждения М2 і привід подач U2, происходит черновая подача со скоростью, определяемой регулятором R18, при етом включается HL6, до тех пор пока не нажмется SQ15.
При нажатии SQ15 включается чистовая подача, лампа HL7 і идет со скоростью, определяемой регулятором R19 до тех пор, пока не нажмется SQ19 - подача прекращается, U2 і HL7 отключаются, происходит выхаживания по часу, определяемому КТ3. После окончания выдержки часу і отключения кнопкой SВ7 шлифовального круга, приспособления включается привід U2 і происходит перезарядка, - бабка перемещается назад со скоростью форсированной подачі, определяемой R11 до тех пор, пока не нажмется SQ16. На етом цикл врезного шлифования отверстия закончен;
На главном пульті керування верстата установите переключатели в положения:
Работа схеми происходит, как в цикле врезного шлифования отверстия "до упора" з той лишь разницей, что при продольном шлифовании работает механізм переміщення стола, а подачі производятся периодически.
Переключателем SA8, установленным в положение продольного шлифования, включается електромагнит YA5, разрешающий перемещение стола, которое включается рукояткой гідравлічного керування. Стол при черновой подаче перемещается со скоростью, соответствующей черновому шлифованию.
По команде SQ15 "начало чистовой подачі" включается YA2, происходит переход переміщення стола на скорость, соответствующую чистовому шлифованию.
Черновая і чистовая подача производятся периодически (см.п.3.3.).
Электромагнит YA2 отключается при нажатии SQ16. В остальном робота схеми происходит, как описано в п.3.3.
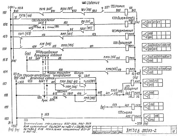
Шлифование в етих режимах аналогично режимам в разделах 3.2. і 3.3. соответственно, о тем отличием, что переход з черновой на чистовую подачу і окончание чистовой подачі выполняются вместо сигналов путевых выключателей SQ15 і SQ19 от предварительной і окончательной команд "ПАК" - Р2.
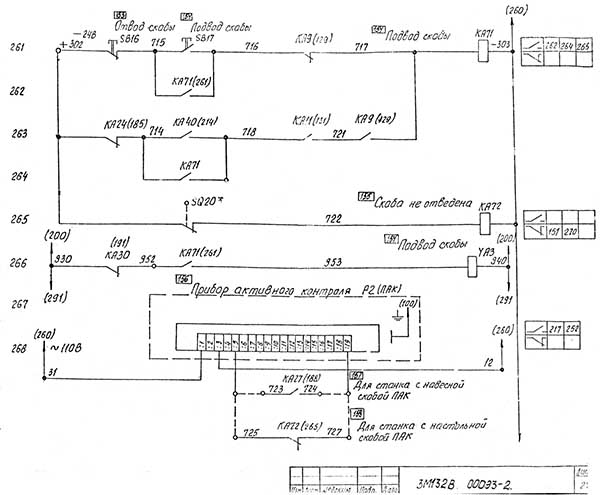
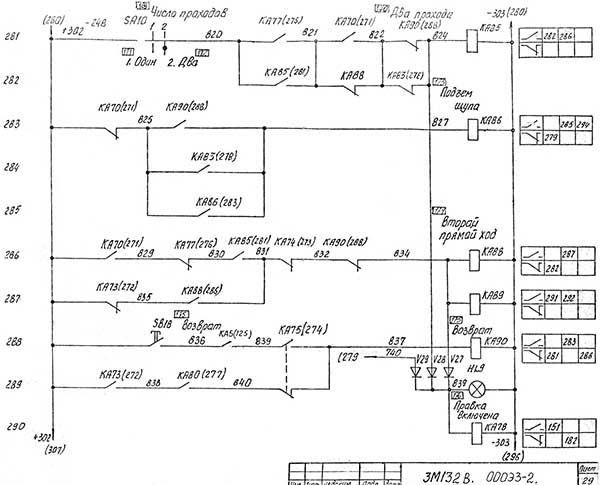
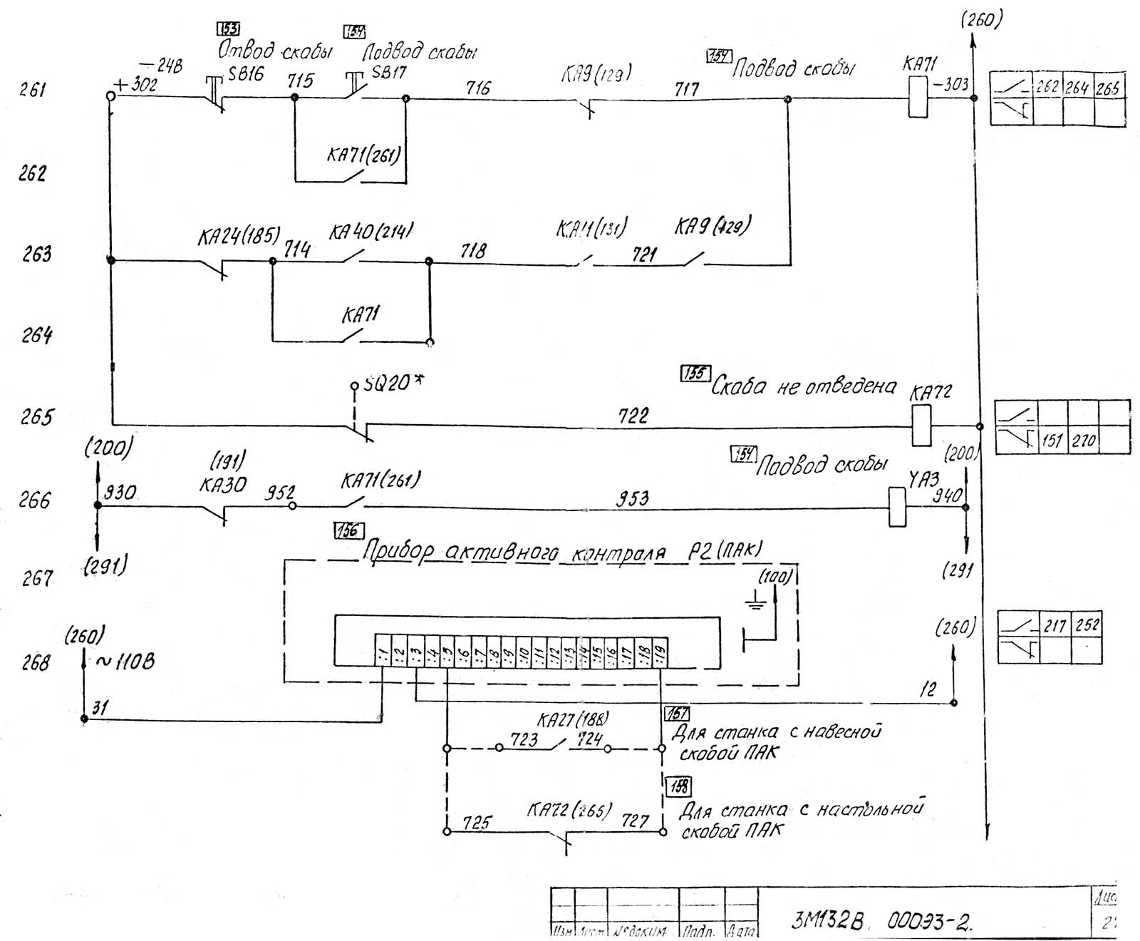
В случае наличия на станке настольной скобы "ПАК" в напівавтоматическом режиме добавляется подвод скобы, который происходит з началом черновой подачі.
Отводится скоба о отводом шлифовальной бабки.
На пульті правки имеется переключатель
Правка включается:
При положении SA9 в положении "Толчковое" кнопкой SB19 выполняется толчковое перемещение правильного прибора.
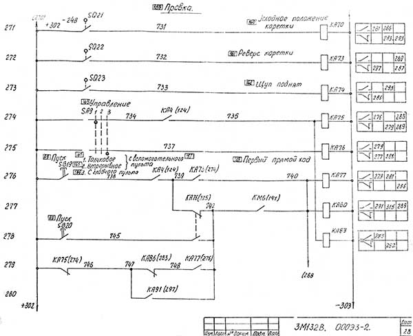
Однопроходная правка происходит следующим образом: включается лампа HL9 і електромагнит YA11 - каретка правильного прибора перемещается из исходного положения - происходит правка круга.
В положении реверса каретки нажимается SQ22 - гаснет лампа НL9 і включается YA6 - подъём щупа і подача алмаза. В верхнем положении щупа нажимается SQ23, при етом включается YA12 - каретка возвращается в исходное положение, нажимается SQ21 і отключаются YA12 і YA6 - каретка останавливается, щуп опускается. Цикл однопроходной правки на етом оканчивается.
Двухпроходная правка происходит следующим образом:
1-й проход і возврат каретки не отличаются от однопроходной правки, а второй проход отличается от первого тем, что при прямом ходе включается дополнительно YA7 - замедление переміщення каретки.
Возврат каретки:
В наладочном режиме при работе от пульта правки можно кнопкой SB18 прервать цикл правки і осуществить возврат каретки в исходное положение.
В наладочном режиме переміщення всех механізмов, налаштування швидкостей етих перемещений осуществляется органами керування, расположенными на главном пульті в соответствии з их функциональным назначением см. табл. 7, 8, 10 приложения 1.
В наладочном режиме роботи - SA2 в положении "наладочный" -возможно, автоматическое увімкнення вироби при етом переключатель SA4 должен быть установлен в положение "Автоматическое".
Изделие включается в начале подвода шлифовальной бабки і отключается при отводе бабки, когда нажимается SQ10.
При отведенной шлифовальной бабке включается проворот вироби кнопками SB11, SB21.
Увімкнення електродвигуна фильтра - транспортера М7 происходит независимо от режима роботи, если нажат SQ1.
Відключення і увімкнення муфты ручных подач YC1 для компенсации износа шлифовального круга производится посредством переключателя SA12.
Захист електроустаткування обеспечивается:
Для обеспечения безопасности і предупреждения поломок механізмов верстата предусмотрены електрические блокировки:

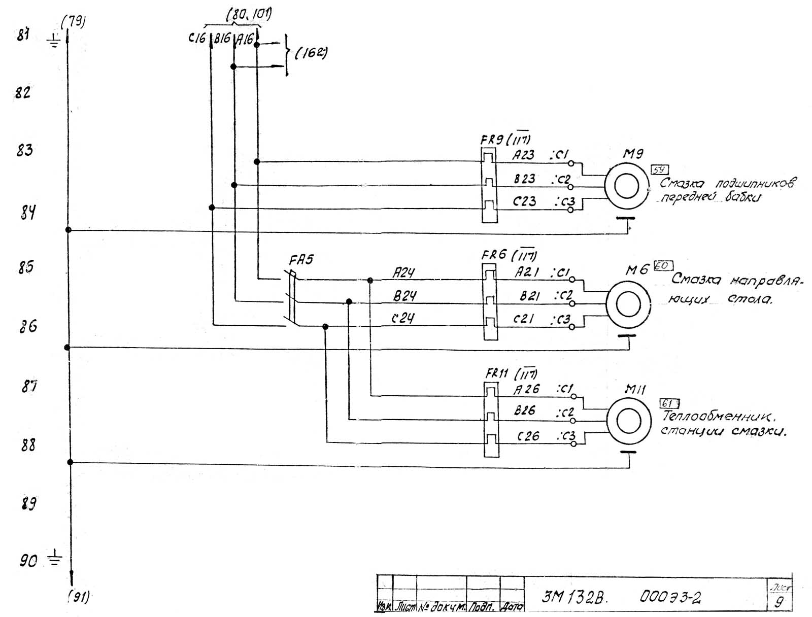
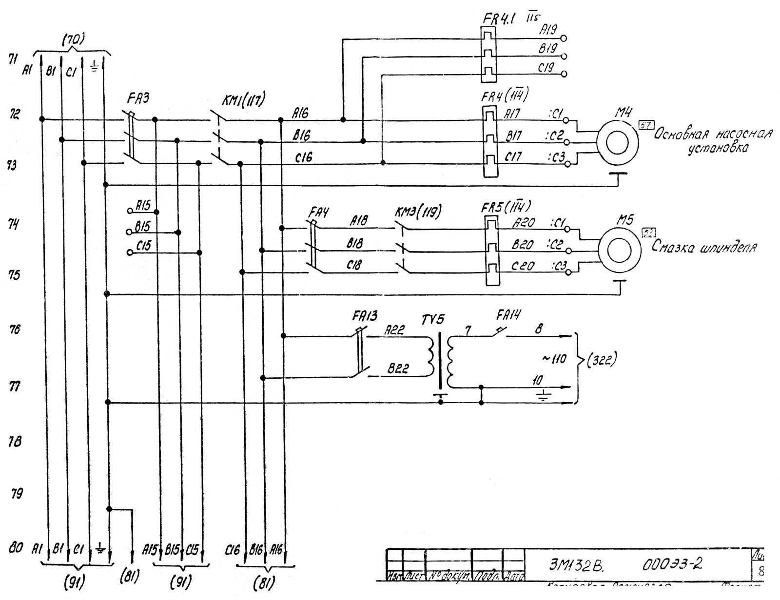
Схема розміщення електроустаткування на круглошлифовальном станке 3М132в

Схема розміщення електроустаткування на круглошлифовальном станке 3М132в

Схема розміщення електроустаткування на круглошлифовальном станке 3М132в

Схема розміщення електроустаткування на круглошлифовальном станке 3М132в

Схема розміщення електроустаткування на круглошлифовальном станке 3М132в

Схема розміщення електроустаткування на круглошлифовальном станке 3М132в

Схема розміщення електроустаткування на круглошлифовальном станке 3М132в

Схема розміщення електроустаткування на круглошлифовальном станке 3М132в

Схема розміщення електроустаткування на круглошлифовальном станке 3М132в

Схема розміщення електроустаткування на круглошлифовальном станке 3М132в

Схема розміщення електроустаткування на круглошлифовальном станке 3М132в

Схема розміщення електроустаткування на круглошлифовальном станке 3М132в

Схема розміщення електроустаткування на круглошлифовальном станке 3М132в

Схема розміщення електроустаткування на круглошлифовальном станке 3М132в

Схема розміщення електроустаткування на круглошлифовальном станке 3М132в

Схема розміщення електроустаткування на круглошлифовальном станке 3М132в

Схема розміщення електроустаткування на круглошлифовальном станке 3М132в

Схема розміщення електроустаткування на круглошлифовальном станке 3М132в

Схема розміщення електроустаткування на круглошлифовальном станке 3М132в

Схема розміщення електроустаткування на круглошлифовальном станке 3М132в

Схема розміщення електроустаткування на круглошлифовальном станке 3М132в

Схема розміщення електроустаткування на круглошлифовальном станке 3М132в

Схема розміщення електроустаткування на круглошлифовальном станке 3М132в

Схема розміщення електроустаткування на круглошлифовальном станке 3М132в

Схема розміщення електроустаткування на круглошлифовальном станке 3М132в

Схема розміщення електроустаткування на круглошлифовальном станке 3М132в

Схема розміщення електроустаткування на круглошлифовальном станке 3М132в

Схема розміщення електроустаткування на круглошлифовальном станке 3М132в

Схема розміщення електроустаткування на круглошлифовальном станке 3М132в

Схема розміщення електроустаткування на круглошлифовальном станке 3М132в
| Наименование параметра | 3У131 | 3М131 | 3М132В |
|---|---|---|---|
| Основні параметри | |||
| Класс точності по ГОСТ 8-82 | П/В | П | В |
| Наибольший диаметр обрабатываемого вироби, мм | 280 | 280 | 280 |
| Наибольшая длина обрабатываемого вироби, мм | 710 | 700 | 1000 |
| Наибольший диаметр шлифования без люнета, мм | 280 | 280 | 280 |
| Наибольший диаметр шлифования в люнете, мм | 60 | 60 | 60 |
| Наименьший диаметр шлифования при изношенном круге, мм | - | - | - |
| Наибольшая длина шлифования, мм | 710 | 700 | |
| Расстояние от оси шпинделя передньої бабки до зеркала стола (высота центров), мм | 185 | 185 | 185 |
| Наибольшая масса обрабатываемого вироби, кг | 55 | 55 | 55 |
| Конус шпинделя передньої бабки і пиноли задньої бабки по ГОСТ 2847-67 | |||
| Кінець шлифовального шпинделя по ГОСТ 2323-67 (конусность 1:5, номинальный диаметр), мм | |||
| Станина і столы верстата | |||
| Наибольшее продольное перемещение стола, мм | 710 | 710 | 995 |
| Наименьший ход стола между упорами, мм | 4 | 4 | |
| Ручное замедленное/ ускоренное переміщення стола за один оборот маховика, мм | 3,1/ 20,5 | 2 | |
| Скорость переміщення стола от гідросистемы, м/мин | 0,05..5 | 0,05..5 | 0,05..5 |
| Наибольший угол поворота верхнего стола по часовий стрелке, град | 3 | 3 | 8 |
| Наибольший угол поворота верхнего стола против часовий стрелки, град | 10 | 8 | 8 |
| Цена деления шкалы поворота верхнего стола, град | 0°20′ | 0°20′ | 0°20′ |
| Шлифовальная бабка | |||
| Диаметр шлифовального круга - наибольший/ наименьший, мм | 600/ 450 | 600/ 450 | 600/ 450 |
| Диаметр шлифовального круга - посадочный, мм | 305 | 305 | 305 |
| Наибольшая высота устанавливаемого круга, мм | 50 | 63 | 80 |
| Частота обертання шпинделя шлифовальной бабки (круг = Ø600мм), об/мин | 1111 | 1590 | |
| Наибольший угол поворота шлифовальной бабки, град | ±30° | ±30° | ±30° |
| Механізм поперечных подач шлифовальной бабки | |||
| Наибольшее перемещение шлифовальной бабки по винту, мм | 290 | 290 | 290 |
| Величина швидкого подвода шлифовальной бабки, мм | 50 | 50 | |
| Время швидкого подвода шлифовальной бабки, с | 2 | 2 | |
| Толчковая подача - периодическая подача з реверсированием стола, мм | 0,0025..0,025 | 0,0025..0,025 | 0,001..0,05 |
| Величина тонкой подачі, мм | 0,05 | 0,05 | |
| Величина тонкой толчковой подачі, мм | 0,001 | 0,001 | 0,001 |
| Величина врезной подачі на диаметр вироби, мм | 0,9 | 0,9 | |
| Непрерывная подача для врезного шлифования (бесступенчатое регулювання), мм/мин | 0,1..1 | 0,1..1 | |
| Цена деления лимба поперечної подачі, мм | 0,005 | 0,005 | 0,005 |
| Величина поперечного переміщення шлифовальной бабки за один оборот маховика, мм | 0,5 | 0,5 | 0,5 |
| Скорость швидкого установочного переміщення шлифовальной бабки, мм/мин | 240 | 200 | |
| Приспособление для внутреннего шлифования | |||
| Наибольший диаметр заготовки, устанавливаемой в патроне, мм | 200 | 200 | 200 |
| Наибольшая длина шлифуемого отверстия, мм | 125 | 125 | 125 |
| Диаметр шлифуемого отверстия, мм | 30..100 | 30..100 | 15..125 |
| Диаметр внутиришлифовальной головки, мм | 25..32 | 25..32 | |
| Число оборотів внутришлифовального шпинделя | 1690 | 1690 | |
| Передня бабка | |||
| Частота обертання вироби (бесступенчатое регулювання), об/мин | 40..400 | 40..400 | 40..800 |
| Конус центра по ГОСТ 13211-67 | Морзе 4 | Морзе 4 | Морзе 4 |
| Наибольший угол поворота передньої бабки к шлифовальному кругу, град | 90 | 90 | 90 |
| Наибольший угол поворота передньої бабки от шлифовального круга, град | 30 | 30 | 30 |
| Задня бабка | |||
| Величина відведення пиноли задньої бабки от руки, мм | 35 | 35 | 35 |
| Конус центра задньої бабки по ГОСТ 13211-67 | Морзе 4 | Морзе 4 | Морзе 4 |
| Привід і електрообладнання верстата | |||
| Количество електродвигателей на станке | 9 | 9 | 13 |
| Електродвигун шпинделя шлифовальной бабки, кВт | 5,5 | 7,5 | |
| Електродвигун переміщення шлифовальной бабки, кВт | 0,18 | 0,18 | |
| Електродвигун внутришлифовального шпинделя, кВт | 1,1 | 1,1 | |
| Електродвигун приводу вироби, кВт | 0,75 | 0,85 | |
| Електродвигун насоса гідросистемы, кВт | 1,5 | 1,5 | |
| Електродвигун насоса системы змазки шпинделя, кВт | 0,27 | 0,27 | 0,27 |
| Електродвигун насоса системы змазки направляючих стола, кВт | 0,08 | 0,08 | |
| Електродвигун насоса системы охлаждения, кВт | 0,15 | 0,15 | |
| Електродвигун магнитного сепаратора, кВт | 0,12 | 0,12 | |
| Електродвигун вентилятора гідроагрегата, кВт | 0,12 | 0,12 | |
| Електродвигун фильтра-транспортера, кВт | 0,12 | 0,12 | |
| Габаритные розміри і масса верстата | |||
| Габаритные розміри верстата (длина х ширина х высота), мм | 5620 х 2585 х 1982 | 5620 х 2585 х 2170 | |
| Масса верстата з електрообладнанням і охолодженням, кг | 6200 | 6835 |