Виробник круглошліфувального верстата напівавтомата 3А164 - Харківський верстатобудівний завод .
Завод заснований 29 січня 1936 року та спеціалізується на виробництві універсальних та спеціальних круглошліфувальних верстатів.
Круглошліфувальний верстат 3А164 серійно випускався Харківським верстатобудівним заводом у 70-ті роки минулого століття.
Круглошліфувальні напівавтомати 3А164 , 3А164А, 3А164Б з горизонтальним шпинделем призначені для зовнішнього шліфування циліндричних та пологих конічних поверхонь в умовах одиничного, серійного та великосерійного виробництва.
Шліфування на напівавтоматах 3А164 провадиться в нерухомих центрах.
Верхня частинина столу виконана поворотною, що забезпечує шліфування конічних поверхонь.
Гідравлічний привід поздовжнього переміщення столу дозволяє плавно регулювати швидкості переміщення та змінювати величини затримок у крайніх положеннях столу. Є механізм ручного переміщення столу.
Шпиндель шліфувальної бабки змонтований в самовстановлюваних гідродинамічних підшипниках, які забезпечують стійке положення шпинделя при великих навантаженнях.
Шліфувальна бабка переміщається на роликових направляючих. У механізмі подач шліфувального кола застосовано гвинтову пару кочення, що забезпечує високу точність подачі.
Напівавтомати 3А164 комплектуються механізмом балансування шліфувального кола на ходу та приладом для вимірювання величини вібрації.
На напівавтоматах 3А164 автоматизовані врізний та поздовжній методи шліфування зі зміною в процесі шліфування поперечної та поздовжньої подач та оборотів обертання виробу. Шліфування може вестись у напівавтоматичному та ручному циклі.
Забезпечується висока точність та чистота обробки.
Резервуари для олії та охолоджуючої рідини винесені за межі станини для усунення теплових деформацій. Забезпечується очищення олії та охолоджуючої рідини.
Надійне блокування виключає включення приводів обертання шпинделя шліфувального кола та переміщення столу за відсутності мастила, а також відведення пінолі задньої бабки при підведеній шліфувальній бабці.
Напівавтомати зручні в управлінні та обслуговуванні. Пуск переміщення столу, включення обертання виробу, охолодження та швидке підведення шліфувального кола до виробу виготовляються однією рукояткою.
Висока жорсткість напівавтоматів, достатні розміри шліфувального кола та потужний привід забезпечують високу продуктивність.
Клас точності верстатів П згідно з ГОСТ 11654-65.
Шорсткість оброблюваної поверхні за ГОСТ 2789-59-VI0.

Мал. 38. Способи круглого шліфування:
а - з поздовжньою подачею, б - глибинне, в - врізне, г - послідовними врізаннями, д - комбіноване
На зовнішніх круглошліфувальних верстатах деталь встановлюється в центрах і обертається шпинделем передньої бабки. Для здійснення круглого зовнішнього шліфування необхідні рухи: обертання кола або головний рух різання, обертання деталі кругова подача деталі, зворотно-поступальний рух деталі (або кола) вздовж своєї осі поздовжня подача, подача на глибину шліфування.
Зовнішнє кругле шліфування здійснюється декількома способами:
В окремих випадках колу повідомляється додатковий осьовий коливальний рух з невеликою амплітудою - осцилюючий рух.


Фото круглошліфувального верстата 3А164
Фото круглошліфувального верстата 3А164. Дивитись у збільшеному масштабі


Фото круглошліфувального верстата 3А164
Живлення ланцюгів електроустаткування здійснюється наступними напругами:
Живлення верстата здійснюється від мережі трифазного змінного струму напругою 380, частотою 50 Гц.
На верстаті встановлені електродвигуни:

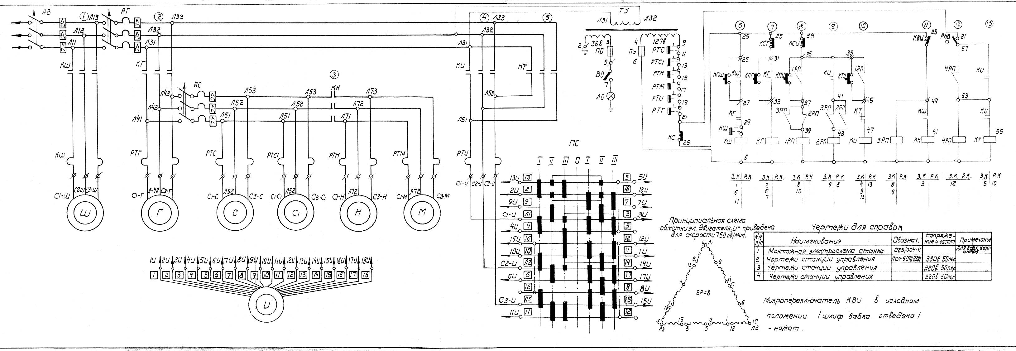
Електрична схема круглошліфувального верстата 3А164
Схема електрична круглошліфувального верстата 3А164. Дивитись у збільшеному масштабі
Усі приводи, крім приводу обертання виробу (І), здійснені одношвидкісними асинхронними електродвигунами з короткозамкненим ротором
Привід обертання виробу (І) здійснено тришвидкісним асинхронним електродвигуном з короткозамкненим ротором
Зміна швидкості обертання електродвигуна виробу (І) проводиться барабанним перемикачем.
Електроустаткування верстата розраховане на вхідну напругу 380В змінного струму 50Гц.
У ланцюзі керування верстата використовується 127В змінного струму.
Напруга освітлення 36В.

Перелік елементів круглошліфувального верстата 3А164
Перелік елементів круглошліфувального верстата 3А164. Дивитись у збільшеному масштабі

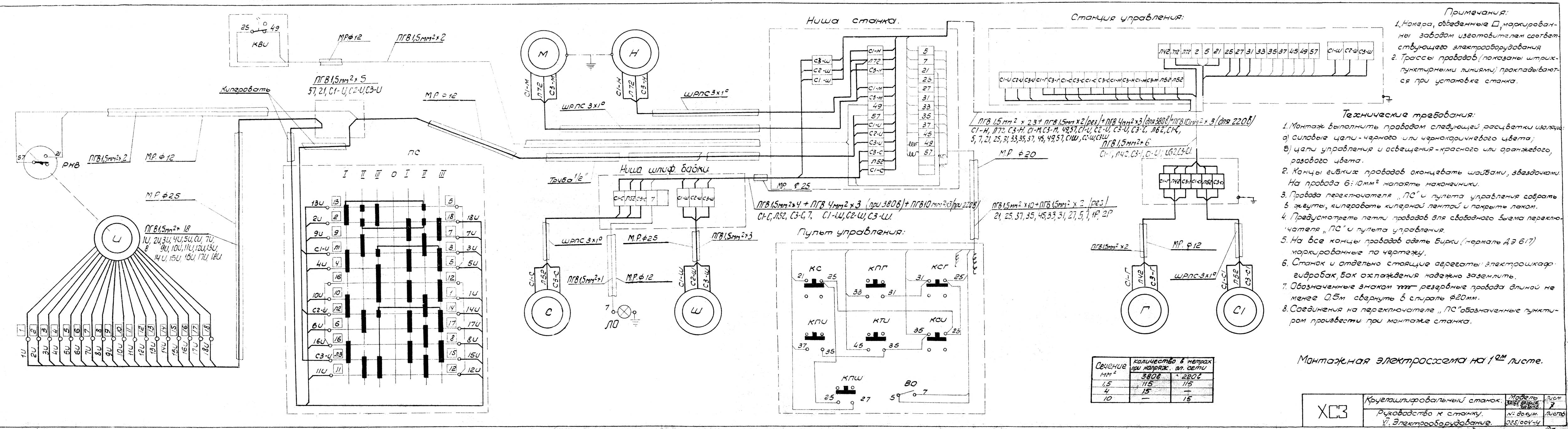
Монтажна схема круглошліфувального верстата 3А164
Схема монтажна круглошліфувального верстата 3А164. Дивитись у збільшеному масштабі
| Найменування параметру | 3A164 | 3M173 | 3M174 | 3A175 |
|---|---|---|---|---|
| Основні параметри | ||||
| Класс точності по ГОСТ 8-82 | П | П | П | П |
| Наибольший диаметр обрабатываемого вироби, мм | 400 | 400 | 400 | 400 |
| Наибольшая длина обрабатываемого вироби, мм | 2000 | 1400 | 2000 | 2800 |
| Наибольший диаметр шлифования в люнете/ без люнета, мм | 120/ 360 | 120/ 400 | 120/ 400 | 120/ 400 |
| Наименьший диаметр шлифования при изношенном круге, мм | 130 | 130 | 130 | |
| Расстояние от оси шпинделя передньої бабки до зеркала стола (высота центров), мм | 210 | 210 | 210 | 210 |
| Наибольшая масса обрабатываемого вироби, кг | 1000 | 1000 | 1000 | 1000 |
| Конус шпинделя передньої бабки і пиноли задньої бабки по ГОСТ 2847-67 | Морзе 6 | Морзе 4 | Морзе 4 | Морзе 5 |
| Кінець шлифовального шпинделя по ГОСТ 2323-67 (конусность 1:5, номинальный диаметр), мм | 100 | |||
| Диаметр передньої опорной шейки шлифовального шпинделя, мм | 110f7 | 110f7 | 110f7 | |
| Рабочий стол верстата | ||||
| Наибольшая длина переміщення стола, мм | 1800 | 1400 | 2000 | 2800 |
| Ручное переміщення стола за один оборот маховика, мм | 3,7; 14,5 | 2 | 2 | 2 |
| Скорость переміщення стола от гідросистемы, м/мин | 0,1..4,0 | 0,05..5,0 | 0,05..5,0 | 0,05..5,0 |
| Наибольший угол поворота верхнего стола по часовий стрелке, град | 2 | 2 | 2 | 2 |
| Наибольший угол поворота верхнего стола против часовий стрелки, град | 4 | 5 | 5 | 4 |
| Цена деления шкалы поворота верхнего стола, град | 0,15 | 0,2 | 0,2 | 0,2 |
| Наименьший ход стола от гідросистемы (при сведенных упорах), мм 8 | 8 | |||
| Шлифовальная бабка | ||||
| Диаметр шлифовального круга - наибольший/ наименьший/ посадочный, мм | Пп 750х80х305 | 750/ 500/ 305 | 750/ 500/ 305 | 750/ 500/ 305 |
| Диаметр шлифуемого вироби при диаметре круга 500мм, мм | 130..400 | 130..400 | 130..400 | |
| Диаметр шлифуемого вироби при диаметре круга 600мм, мм | 30..400 | 30..400 | 30..400 | |
| Диаметр шлифуемого вироби при диаметре круга 700мм, мм | 20..400 | 20..400 | 20..400 | |
| Диаметр шлифуемого вироби при диаметре круга 750мм, мм | 0..400 | 0..400 | 0..400 | |
| Наибольшая высота устанавливаемого круга, мм | 80, 100 | 80, 100 | 80, 100 | |
| Частота обертання шпинделя шлифовальной бабки, об/мин | 890 | 1270 | 1270 | 1270 |
| Скорость різання шлифовального круга, м/с | 35 | 35, 50 | 35, 50 | 35, 50 |
| Механізм поперечных подач | ||||
| Наибольшее перемещение шлифовальной бабки по винту, мм | 235 | 365 | 365 | 365 |
| Величина швидкого подвода шлифовальной бабки, мм | 100 | 100 | 100 | 100 |
| Время швидкого подвода шлифовальной бабки, с | 3 | 3 | 3 | 3 |
| Периодическая подача шлифовальной бабки при реверсе стола (бесступенчатое регулювання), мм | 0,0025..0,03 | 0,0025..0,05 | 0,0025..0,05 | 0,0025..0,05 |
| Пределы швидкостей врезных подач, мм/мин | 0,1..4 | 0,1..4 | 0,1..4 | |
| Толчковая подача, мм | 0,001 | 0,001 | 0,001 | |
| Цена деления лимба поперечного переміщення шлифовальной бабки, мм | 0,005 | 0,005 | 0,005 | 0,005 |
| Величина поперечного переміщення шлифовальной бабки за один оборот маховика, мм | ±2,5 | 0,5 | 0,5 | 0,5 |
| Передня бабка | ||||
| Частота обертання вироби (бесступенчатое регулювання), об/мин | 30, 40, 60, 90, 120, 160 | 20..180 | 20..180 | 20..180 |
| Конус центра по ГОСТ 13214-67 | Морзе 6 | Морзе 6 | Морзе 6 | Морзе 6 |
| Задня бабка | ||||
| Величина відведення пиноли задньої бабки, мм | 65 | 70 | 70 | 70 |
| Конус центра по ГОСТ 13214-67 | Морзе 6 | Морзе 6 | Морзе 6 | Морзе 6 |
| Привід і електрообладнання верстата | ||||
| Количество електродвигателей на станке | 7 | 8 | 8 | 8 |
| Електродвигун шпинделя шлифовальной бабки, кВт | 17 | 17 | 17 | |
| Електродвигун приводу вироби, кВт | 1,5 | 1,5 | 1,5 | |
| Електродвигун насоса гідросистемы, кВт | 2,2 | 2,2 | 2,2 | |
| Електродвигун насоса системы змазки підшибників шпинделя, кВт | 0,27 | 0,27 | 0,27 | |
| Електродвигун насоса системы змазки направляючих стола, кВт | 0,08 | 0,08 | 0,08 | |
| Електродвигун насоса системы охлаждения, кВт | 0,15 | 0,15 | 0,15 | |
| Електродвигун приводу пиноли задньої бабки, кВт | 0,18 | 0,18 | 0,18 | |
| Електродвигун магнитного сепаратора, кВт | 0,12 | 0,12 | 0,12 | |
| Общая мощность електродвигателей, кВт | 21,5 | 21,5 | 21,5 | |
| Габаритные розміри і масса верстата | ||||
| Габаритные розміри верстата (длина х ширина х высота), мм | 6000 х 2550 х 1585 | 5510 х 2620 х 1860 | 6620 х 2690 х 1850 | 8220 х 2620 х 1850 |
| Маса верстата з електрообладнанням та охолодженням, кг | 10000 | 11800 | 13000 | 14700 |