Виробник круглошліфувального верстата напівавтомата 3130 - Харківський верстатобудівний завод .
Завод заснований 29 січня 1936 року та спеціалізується на виробництві універсальних та спеціальних круглошліфувальних верстатів.
На основі верстата 3130 спроектовані верстати моделей 3А130 та 3131 .
Верстати 3130 призначені для зовнішнього шліфування циліндричних виробів та пологих конусів.
На верстатах 3130 мають гідравлічний механізм врізання, можна виконувати наступні види обробки:
Верстати 3130 розраховані головним чином на роботу в умовах серійного та масового виробництв, але можуть використовуватися в одиничному виробництві.

Креслення робочого простору шліфувального верстата 3130
Габарит робочого простору круглошліфувального верстата 3130. Дивитись у збільшеному масштабі

Приєднувальні та посадкові бази шліфувального верстата 3130
Приєднувальні та посадкові бази круглошліфувального верстата 3130. Дивитись у збільшеному масштабі

Фото круглошліфувального верстата 3130
Фото круглошліфувального верстата 3130. Дивитись у збільшеному масштабі

Розташування органів керування шліфувальним верстатом 3130
Розташування органів керування шліфувальним верстатом 3130. Дивитись у збільшеному масштабі

Гідравлічна схема круглошліфувального верстата 3130
Кінематична та гідравлічна схеми верстата 3130. Дивитись у збільшеному масштабі
Схема розташування підшипників верстата 3130. Дивитись у збільшеному масштабі

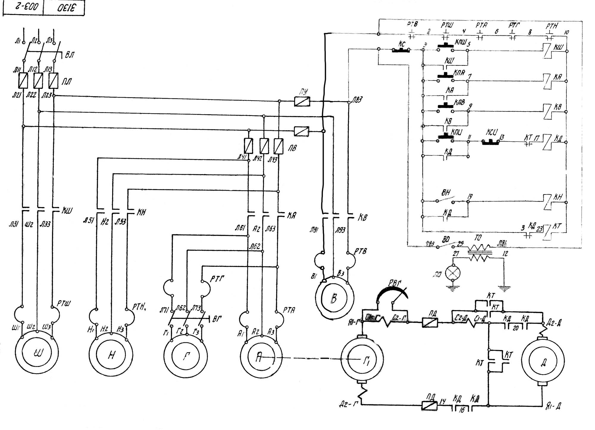
Електрична схема круглошліфувального верстата 3130
Схема електрична принципова верстата 3130. Дивитись у збільшеному масштабі

Електрична схема круглошліфувального верстата 3130
Схема електрична принципова верстата 3130. Дивитись у збільшеному масштабі
| Найменування параметру | 3130 | 3A130 | 3131 |
|---|---|---|---|
| Основні параметри верстата | |||
| Клас точності згідно з ГОСТ 8-82 | |||
| Найбільший діаметр виробу, що обробляється, мм | 280 | 280 | 280 |
| Найбільша довжина виробу, що встановлюється - міжцентрова відстань (РМЦ), мм | 700 | 700 | 1400 |
| Найбільший діаметр виробу, що обробляється при внутрішньому шліфуванні, мм. | 100 | 100 | 100 |
| Діаметр виробу, що шліфується в закритому люнеті, мм | 20..100 | 20..100 | |
| Діаметр виробу, що шліфується у відкритому люнеті, мм | 10..60 | 8..60 | 8..60 |
| Найбільший діаметр шліфування без люнету, мм | 10..280 | ||
| Найбільша довжина зовнішнього/внутрішнього шліфування, мм | 630/100 | 630/100 | |
| Відстань від осі шпинделя передньої бабки до дзеркала столу (висота центрів), мм | 165 | 154 | 154 |
| Робочий стіл верстата | |||
| Найбільша поздовжнє переміщення столу, мм | 775 | 675 | 1290 |
| Ручне прискорене переміщення столу за один оберт маховика, мм | 24 | 24 | |
| Ручне сповільнене переміщення столу за один оберт маховика, мм | 5 | 5 | |
| Найменший хід стола від гідросистеми при перемиканні упорами, мм | 15 | 15 | |
| Швидкість переміщення столу від гідросистеми (безступінчасте регулювання), мм/хв. | 100..6000 | ||
| Найбільший кут повороту верхнього столу за годинниковою стрілкою проти годинникової стрілки, град | -6° +6° | -3° +11° | -2° +7° |
| Ціна поділу шкали повороту верхнього столу, хв | 1° | 20' | 15' |
| Конусність (ціна поділу) | 1:100 | 1:100 | 1:200 |
| Шліфувальна бабка | |||
| Діаметр шліфувального круга, мм | 260..350 | 260..350 | 260..350 |
| Найбільша ширина (висота) шліфувального круга, мм | 32 | 40 | 40 |
| Частота обертання шпинделя шліфувальної бабки, об/хв (кількість швидкостей) | 1800 рік | 1880, 2110 (2) | 1880, 2110 (2) |
| Швидкість різання шліфувального кола, м/с | 34 | ||
| Наибольшее поперечное перемещение шлифовальной бабки по винту, мм | 275 | 236 | 236 |
| Ручная подача шлифовальной бабки на диметр вироби за один оборот маховичка, мм | 1 | 0,5/ 2 | 0,5/ 2 |
| Цена деления лимба ручной подачі шлифовальной бабки на диаметр вироби за один оборот маховичка, мм | 0,01 | 0,005/ 0,02 | 0,005/ 0,02 |
| Величина швидкого подвода шлифовальной бабки от гідравлики, мм | 50 | 50 | |
| Время швидкого подвода шлифовальной бабки, с | |||
| Периодическая подача шлифовальной бабки от механізма врізання при каждом реверсе стола, мм | 0,005..0,08 | 0,005..0,08 | |
| Ручная мелкая толчковая подача шлифовальной бабки на глубину шлифования, мм | 0,01 | 0,0025..0,01 | 0,0025..0,01 |
| Цена деления лимба переміщення бабки головного/ точной установки, мм | 0,005/ 0,005 | ||
| Поворот шлифовальной бабки, град | ±90° | ±90° | ±90° |
| Цена деления шкалы поворота шлифовальной бабки, град | 1° | 1° | 1° |
| Приспособление для внутренней шлифовки | |||
| Диаметр шлифовального круга, мм | 10..25 | 20..30 | 20..30 |
| Наибольшая ширина (высота) шлифовального круга, мм | 13 | 16 | 16 |
| Частота обертання шпинделя шлифовальной бабки, об/мин | 10000 | 10000 | 10000 |
| Передня бабка | |||
| Частота обертання вироби (бесступенчатое регулювання), об/мин | 80..700 | 50..400 | 50..400 |
| Розміри центра передньої бабки | Конус Морзе 4 | Конус Морзе 4 | Конус Морзе 4 |
| Поворот передньої бабки по часовий стрелке/ против часовий стрелки, град | 30°/90° | 30°/90° | |
| Задня бабка | |||
| Розміри центра задньої бабки | Конус Морзе 4 | Конус Морзе 4 | Конус Морзе 4 |
| Величина відведення пиноли задньої бабки от руки, мм | 30 | 35 | 35 |
| Величина відведення пиноли задньої бабки от гідросистемы, мм | 35 | 35 | |
| Привід і електрообладнання верстата | |||
| Количество електродвигателей на станке | 6 | 6 | 6 |
| Електродвигун шпинделя шлифовальной бабки, кВт (об/мин) | 2,8 (1420) | 4 (1450) | 4 (1450) |
| Електродвигун шпинделя внутришлифовального, кВт (об/мин) | 1,0 (2860) | 1,1 (2830) | 1,1 (2830) |
| Електродвигун приводу вироби, кВт (об/мин) | 0,25 (350..3000) | 0,76 (250..2500) | 0,76 (250..2500) |
| Електродвигун насоса гідросистемы, кВт (об/мин) | 1,7 (1420) | 1,5 (950) | 1,5 (950) |
| Електродвигун насоса системы змазки підшибників шпинделя, кВт (об/мин) | |||
| Електродвигун насоса системы змазки направляючих стола, кВт (об/мин) | |||
| Електродвигун насоса системы охлаждения, кВт (об/мин) | 0,125 (2800) | 0,125 (2800) | 0,125 (2800) |
| Електродвигун магнитного сепаратора, кВт (об/мин) | |||
| Габаритные розміри і масса верстата | |||
| Габаритные розміри верстата (длина х ширина х высота), мм | 3100 х 1720 х 1490 | 3060 х 2000 х 1650 | 4990 х 2000 х 1650 |
| Масса верстата з електрообладнанням і охолодженням, кг | 3600 | 3780 | 4600 |
На службових сходах стійте праворуч. Не заважайте тим, хто йде вниз.