Виробник універсального заточувального верстата 3Е642Е - Вітебський завод заточувальних верстатів Візас , заснований у 1897 році.
З 1940 року підприємство спеціалізується на випуску заточувального обладнання та на сьогоднішній день є єдиним у СНД виробником верстатів для виготовлення та заточування будь-якого різального інструменту. Продукція заводу експлуатується більш як у шістдесяти країнах світу.
Універсальний заточувальний верстат 3Е642Е призначений для заточування та доведення основних видів різального інструменту: різців, фрез, зенкерів тощо з інструментальної сталі, твердого сплаву, металокераміки абразивними, алмазними та ельборовими колами.
Верстат 3Е642 (3Е642Е) замінив у виробництві застарілу модель 3Д642Е (3Д642Е) і був знятий з виробництва 1994 року. В даний час виробництво "легендарних" моделей заточувальних верстатів 3Е642 та 3Е642Е відновлено.
Заточувальні верстати 3Е642Е мають литу чавунну станину, це підвищує точність обробки і зменшує коливання, викликані при обробці деталі. Додатково на верстати можна поставити синусну плиту для закріплення заготовок, пристрій для заточування по радіусу різців і кінцевого багатолезового інструменту, пристрій для зовнішнього круглого шліфування, для внутрішнього шліфування, для заточування право- і ліворізальних зенкерів і т.д.
Верстат універсально-заточної 3Е642 є модифікацією верстата 3Е642. На відміну від базового верстата, поздовжні переміщення стола біля верстата 3Е642Е здійснюються за рахунок гідравлічного приводу, це дає плавність ходу столу та збільшення продуктивності за зміну. Поздовжні переміщення стола біля верстата 3Е642 здійснюються вручну.
Верстат 3Е642Е виконує заточування та доведення металорізального інструменту, виготовленого не тільки з твердого сплаву або інструментальної сталі, але і мінералокераміки. Металокерамічні сполуки відрізняються великим вмістом вольфраму та високою термостійкістю. Тому заточування металокерамічного інструменту проводиться алмазними та ельборовими колами.
Верстат заточувальний 3Е642Е виконує такі шліфувальні роботи:
Заточення багатолезового інструменту на верстаті може виконуватися двома методами:
Здійснюється знімання частинини припуску послідовно з кожного зуба. Після обороту виробу знову подається кола і повторюється цикл.
Таким способом можна заточувати багатолезовий інструмент як вручну, так і в автоматичному циклі.
Знімається припуск з одного зуба інструменту, і положення ріжучої частинини шліфувального кола фіксується жорстким упором. Потім коло відводять, роблять поділ та повторюють операцію на кожному зубі.
Верстат 3Е642Е має можливість встановлення на ньому найширшого ряду пристроїв, зокрема, для закріплення заготовок, що дозволяє обробляти практично будь-який різальний інструмент.
Механізований підйом та опускання шліфувальної головки сприяє поліпшенню умов праці та зниженню допоміжного часу.
На верстатах проводиться заточування інструменту з трьох робочих місць.
Шпиндель шліфувального кола може повертатися у горизонтальній площині на 360°, вертикальній на 20° вгору та на 40° вниз щодо горизонтальної осі, що спрощує налаштування на заданий кут заточування та розширює технологічні можливості верстатів.
Верстат 3Е642Е виготовляється у наступних виконаннях
За варіантом виконання направляючих верстати виготовляються:
За заявкою замовника верстати можуть бути оснащені пристроями для заточування різного інструменту, у тому числі пристрійми для зовнішнього круглого шліфування і системою відсмоктування пилу.
Із застосуванням підкладних плит та додаткових пристроїв можлива обробка деталей діаметром до 330 мм та довжиною до 1040 мм.
За окрему плату верстат може бути оснащений більш ніж 38 додатковими пристроями, у тому числі системою подачі рідини, що охолоджує.
Кліматичне виконання та категорія розміщення верстатів, окремо розташованого обладнання та приладдя відповідає ГОСТ 15150-69 для поставки в райони:
з помірним кліматом – УХЛ4;
Клас точності верстата – П.
Верстат 3М642 (3М642Е) є попереднім аналогом верстатів 3Д642 (3Д642Е).
Верстат 3Д642 (3Д642Е) є попереднім аналогом верстатів 3Е642Е (3Е642Е).
Верстат 3Е642 (3Е642Е) є попереднім аналогом верстатів ВЗ-318 (ВЗ-318Е) та ВЗ-818 (ВЗ-818Е).
Верстати моделей 3Е642 і 3Е642Е знято з виробництва 1994р.
В даний час виробництво "легендарних" моделей заточувальних верстатів 3Е642Е та 3Е642 відновлено .
Верстати моделей ВЗ-318 та ВЗ-318Е знято з виробництва у 2008р.
Верстати моделей ВЗ-818 та ВЗ-818Е випускаються заводом на даний час.

Посадочні місця універсально-заточувального верстата 3е642е

Фото заточувального верстата 3е642е

Фото заточувального верстата 3е642е

Розташування складових частинин заточувального верстата 3е642е
| № ПП | Наименование | 3Е642Е | 3Е642 |
|---|---|---|---|
| 1 | Станина верстата | 3Б642Е.10.000 | ЗБ642.10.000 |
| 2 | Гідроцилиндр подачі стола | 3Е642Е.73.000 | - |
| 3 | Основание робочого стола | 3E642E.11.000 | 3Е642.11.000 |
| 4 | Головка шлифовальная | 3Е642E.31.000 | 3Е642Е.31.000 |
| 5 | Механізм реверса стола | 3Е642Е.43.000 | - |
| 6 | Механізм ручного переміщення стола | 3Е642Е.41.000 | 3E642E.41.000 |
| 7 | Гідрокоммуникация | 3Е642Е.70.000 | - |
| 8 | Пульт керування основной | 3Е642Е.85.000 | - |
| 9 | Панель керування | 3Е642Е.15.000 | 3Е642.15.000 |
| 10 | Пульт керування левый | 3Е642Е.83.000 | 3Е642.83.000 |
| 11 | Охлаждение | 3Е642Е.60.000 | 3Е642Е.60.000 |
| 12 | Корпус пульта | 3Е6423.12.000 | |
| 13 | Каретка з колонной | 3Е642Е.20.000 | 3Е642Е.20.000 |
| 14 | Електроустаткування. Розташування на станке | 3Е642Е.80.000 | 3Е642.80.000 |
| 15 | Механізм подъема стола | 3E642E.21.000 | 3E642E.21.000 |
| 16 | Бабка шлифовальная | 3Е642Е.30А.000 | 3E642E.30A.000 |
| 17 | Комплект кожухов | 3Е642Е.92.000 | 3Е642Е.92.000 |
| 18 | Комплект оправок | 3E642E.91.000 | 3E642E.91.000 |
| 19 | Стол рабочий | 3Е642Е.40.000 | 3Е642.40.000 |
| 20 | Механізм тонкой подачі | 3М642Е.26.000 | 3М642Е.26.000 |
| 21 | Механізм поперечної подачі | 3Е642Е.23.000 | 3Е642Е.23.000 |
| 22 | Електроустаткування. Розташування на панелі | 3Е642Е.81.000 | 3E642.81.000 |
| Головка шлифовальная удлиненная | 3Е642Е.32.000 | 3Е642E.32.000 | |
| Блок реверса салазок | 3Е642Е.86.000 | - | |
| Комплект инструмента і приладдя | 3Е642Е.90.000 | 3Е642Е.90.000 | |
| Пульт керування правый | 3Е642E.84.000 | 3Е642.84.000 | |
| Ограждение | 3Е642Е.93.000 | 3Е642E.93.000 | |
| Пылеотвод | 3М642Е.94.000 | 3М642Е.94.000 | |
| Комплект пристосувань | 3Е642Е.95.000 | 3Е642Е.95.000 | |
| Редуктор подъема стола | 3М642Е.25.000 | 3М642Е.25.000 | |
| Електроустаткування. Розташування на панелі | 3Е642Е.82.000 | - | |
| Пульт керування основной | - | 3Е642.82.000 |

Розташування органів керування заточным верстатом 3е642е

Пульт керування універсального заточного верстата 3е642е
I - основной пульт керування верстата 3Е642Е;
III - боковой левый пульт керування верстата 3Е642Е;
V - правый пульт керування верстата 3Е642Е і 3Е642

Кінематична схема заточного верстата 3е642е
1. Схема кінематична заточного верстата 3Е642е. Дивитись у збільшеному масштабі
2. Схема розположення підшибників заточного верстата 3Е642е. Дивитись у збільшеному масштабі
Верстат выполнен з продольным переміщенням стола (от гідроцилиндра і вручную) по нерухомомуу основанию, поперечным (ручным) і вертикальным (механизированным і ручным) переміщеннями бабки шлифовальной. Механізми верстата смонтированы внутри і на верхней плоскости станины і каретки з колонной.
Рядом со верстатом установлены гідростанція, агрегат охлаждения, привід частотный.
Станина (рис.8) представляет собой чугунную отливку коробчатой формы. Верхня передняя часть станины имеет обработанные платики для крепления на них основания стола. На верхней частини станины з трех сторон отлито корито для стока охлаждающей жидкости, сливающейся по наклонному дну корыта через отверстие в задньої частини станины в бак охлаждения, который устанавливается у задньої стенки станины.
Внутри станины расположены две електрониши, закрывающиеся дверцами.
Корпус I (рис.9) основания стола представляет собой чугунную отливку прямоугольного сечения.
По обеим сторонам ниши на задньої стенке установлены два подвижных в осевом направлении зубчатых колеса 7 з маховичками 6, служащими для осуществления продольного переміщення стола по направляющим основания.
Для предохранения стола от вертикальних перемещений при действии боковых рабочих нагрузок в середине корпуса основания под направляющими установлен прижим 14, состоящий из підшипника 13, установленного на горизонтальной оси, имеющей возможность смещения вверх-вниз.
На передньої стенке корпуса основания стола через корпус панелі керування устанавливаются в специальные отверстия механізмы поперечної подачі і продольного переміщення стола.
На верхней горизонтальной поверхности корыта 4 для сбора охлаждающей жидкости і установки пристосувань выполнен Т-образный паз. Корито 4 крепится к задньої частини корпуса I основания стола. Внутри корпуса основания стола гідрофицированного верстата размещается гідроцилиндр 2 продольного переміщення стола, а в корпусе корыта 4 размещены гідроциліндри II автоматичного отключения маховичков 6 ручного переміщення стола.
Корпус пульта (рис.10) состоит из корпуса 1, который крепится к боковой стороне каретки з колонной. На наклонной плоскости корпуса крепятся боковые пульты 2.
Панель состоит из корпуса 1 (рис.11), на передньої станке которого в специальных отверстиях установлены механізм поперечної подачі 4, механізм переміщення стола 2 і жесткий упор 5. В центральной нише - основной пульт керування 3. В верхней частини стенки установлен механізм гонкой подачі 7.
Каретка з колонной (рис.12) предназначена для поперечного і вертикального переміщення шлифовального круга. Корпус I каретки устанавливается на направляющие 12 станины і перемещается по ним при помощи гвинта 2, крепящегося вместе з механізмом поперечної подачі на передньої стенке корпуса панелі керування. Гайка 4 гвинта поперечного переміщення 2 установлена нерухомо в корпусе I каретки.
При помощи шлицевого соединения і конической пары 8 винт 2 поперечного переміщення соединен з валом 9, проходящим в задньої частини каретки в поперечном направлении і несущим дублирующие маховики 6 і II поперечної подачі. Таким размещением органів керування обеспечивается возможность осуществления поперечної подачі з любого робочого места. Колонна устанавливается в отверстие каретки перпендикулярно направляющим і фиксируется от поворота при помощи специальных шпонок 10.
Механізм подъема (рис.13) представляет собой ходовой винт I з закрепленным на нем зубчатым колесом 2 внутреннего зацепления. Благодаря кінематичної связи колеса 2 о зубчатыми колесами шлифовальной бабки і редуктора подъема обеспечивается перемещение колонны в вертикальном направление.
Редуктор подъема (рис.14) предназначен для осуществления подъема і опускания колонны со шлифовальной бабкой.
Редуктор подъема - ето червячный редуктор, приводимый во вращение електродвигуном, установленным соосно червяку I. Червячная шестерня 2 связана з гайкой 3 гвинта 4 переміщення колонны так, что при своем вращении гайка 3 перемещает винт 4 в осевом направлении, поднимая или опуская колонну.
Механізм поперечної подачі (рис.15) предназначен для осуществления грубой поперечної подачі шлифовального круга.
Механізм состоит из стакана 5, в котором смонтирован винт 7 з закрепленным на нем косозубым колесом 6.
Механізм снабжен жестким упором 4, установленным в лимбе 3. Фиксация лимба 3 з жестким упором 4 осуществляется при помощи гвинта 2. Поперечная подача осуществляется вращением маховика I при отключенном механізме тонкой подачі. К винту 7 крепится шлицевый вал 8, служащий для передачи обертання винту 7 от дублирующих маховичков поперечної подачі.
Механізм (рис.16) осуществляет тонкую поперечную подачу шлифовального круга і состоит из червяка I, смонтированного в ексцентричной втулке 2. Поворотом етой втулки механізм включается или отключается. При етом червяк I вводится или выводится из зацепления з косозубым колесом 3. При включенном механізме вращение гвинта поперечної подачі осуществляется маховичком 4, сидящем на вертикальном валу.
Шлифовальная бабка (рис.17) состоит из корпуса 13 шлифовальной головки і корпуса I вала подъема колонны. Корпус 13 шлифовальной головки имеет отверстие для установки шлифовальной головки і две шлифовальные взаимно-перпендикулярные плоскости з Т-образными пазами. На ети плоскости устанавливаются при необходимости различные приспособления.
В корпусе I расположен вал 3 на підшипниках качения і коническая зубчатая пара 5,6, через которую маховичком 8, установленным на горизонтальном поворотном кронштейне 7, осуществляется перемещение колонны вручную.
Корпус I вала механізма подъема установлен на плите 10 з возможностью разворота на 360°. В свою очередь, плита 10 нонет разворачиваться на колонне также на 360°. Ось вала механізма подъема і ось колонны смещены на 55 мм, что позволяет увеличить габарити робочого простору в горизонтальной плоскости на 110 мм.
Корпус 13 шлифовальной головки установлен з возможностью переустановки на 180°. Ось отверстия под шлифовальную головку і ось поворота корпуса смещены на 25 мм і ето позволяет увеличить габарити робочого простору в вертикальной плоскости на 50 мм.
Приводной електродвигатель поворачивается вместе з корпусом шлифовальной головки.
Головка шлифовальная (рис.18) состоит из шпинделя I, установленного в гильзе 2 на высокоточных підшипниках качения. В передньої частини шпинделя имеется коническое отверстие для установки оправок со шлифовальными кругами. В задньої частини шпинделя выполнен наружный конус і установлен шкив 3 приводу шлифовальной головки. Для затягивания оправок внутри установлен шомпол 4.
Стол (рис.19) состоит из двух основних частин: собственно стола 2 і рабочей частини I.
Он устанавливается на основании 5 на роликовых направляючих 6 і перемещается в продольном направлении вручную или от гідроцилиндра.
Рабочая часть стола - поворотная. Отсчет углов поворота осуществляется по двум шкалам: з точностью до 1° (шкала в центре) і до 10' (шкала слева). Поворотный стол закрепляется на нижнем столе з помощью прижима I, расположенного в середине поворотной частини, і двух прижимов 3, расположенных по краям нижнего стола 2.
Механізм переміщення стола (рис. 20) служит для ручного переміщення стола спереди верстата. Он состоит из вала 2, на одном кінці которого закреплен маховик 1, на втором - зубчатое колесо 3, которое через промежуточное зубчатое колесо зацепляется з рейкой стола.
Механізм реверса (рис.21) состоит из двух подвижных в продольном направлении упоров I і 2, устанавливаемых в Т-образном пазе стола, і блока переключателей 3, расположенном на основании стола.
При ручной работе жесткий упор, находящийся в основании стола, выдвигается вверх і контактирует на столе з упорами I і 2, закрепленными на величину необходимого ходу стола.
При работе от гідроцилиндра жесткий упор в основании стола утапливается і реверс происходит за счет бесконтактного срабатывания конечных выключателей.
Комплект оправок (рис.23) предназначен для крепления шлифовальных кругов диаметром от 200 до 50 мм различных профилей з диаметрами посадочных отверстий 32, 20, 16 і 13 мм. На станке можно вести обработку абразивными, алмазными і ельборовыми кругами. Они устанавливаются на оправке і закрепляются фланцем 3 з помощью центрального гвинта I. Оправка со шлифовальным кругом устанавливается в коническое отверстие шпинделя шлифовальной головки 4 і закрепляется в нем шомполом. Оправки для кругов диаметром более 100 мм снабжены балансировочными сухарями 2.
Балансировка кругов должна производиться на ножах. Для установки оправки со шлифовальным кругом на ножи служит балансировочная оправка.
Агрегат охлаждения (рис.22) устанавливается сзади верстата.
Арматура выполнена в виде шланга 2, которая з помощью кронштейна I може быть закреплена на основании стола или в другом удобном для роботи месте.
Со верстатом поставляется комплект кожухов С рис. 24) для кругов диаметром 150, 125 і 100 мм (форма ПП, ЧК, ЧЦ, Т). Кожух I закрепляется на выступающей частини шлифовальной головки з помощью хомута 3, имеющего радиальный паз з установленным.в нем стержнем 2.
Універсальная бабка (рис.27) предназначена для затачивания хвостового і насадного инструмента по задньої і передньої поверхностям, расположенным на диаметре или торце, і используется в качестве передньої (приводной) бабки при круглом і внутренней шлифовании, заточке долбяков і т.д.
Установленный в шпинделе универсальной бабки инструмент може быть повернут в трех взаимно перпендикулярных плоскостях на требуемые углы, отсчитываемые соответственно по шкалам 8 і 9 на поворотном корпусе 11 і плите 10.
Заточка инструмента може производиться з делением по делительному диску или по упорке. Делительный диск 3 з 24-мя пазами установлен на шкиве 2. Фиксатор 6 расположен на поворотном корпусе 4 і при делении по упорке выводится из паза.
Фиксация шпинделя от проворота осуществляется при помощи кнопки 5. Круговая подача вироби осуществляется з помощью кнопки 7. Крепление инструмента в шпинделе - шомполом I.
Передня бабка (рис.28) состоит из корпуса I і пиноли 2, которая закрепляется рукояткой 3.
Задня бабка (рис.29) состоит из корпуса I, втулки 2 з конусом Морзе 2 для сменного центра 3 і рукоятки 5 для оттягивания центра 3 при смене вироби. Фиксация втулки 2 производится рукояткой А. Выталкивание центра 3 из втулки 2 производится толкателем 6 з кнопкой.
Універсальная упорка (рис.30) предназначена для правильной установки зуба затачиваемого инструмента з прямыми і винтовыми зубьями по отношению к шлифовальному кругу (с делением по существующий зубьям), а также для обеспечения постоянного положения инструмента в процессе заточки.
При заточке прямых зубьев по задньої грани угол устанавливается опусканием выверенной по центру упорки 2 путем обертання головки I з нанесенными по окружности 20 делениями. Один оборот головки соответствует вертикальному перемещению упорки 2 на I мы, а поворот на одно деление лимба - перемещению на 0,05 мм.
Задний угол связан з величиной опускания упорки от центра приближенной зависимостью Н=0,085 D a, где D - диаметр, на котором установлена упорка, а - задний угол.
Упорка устанавливается на столе при заточке прямозубого инструмента і на основании стола иди на шлифовальной головке при заточке спиральных зубьев. Специальная державка 3 обеспечивает закрепление упорки 2 в различных положениях.
Выполнение различных работ з упорной обеспечивается наличием трех сменных стальных пластин, различных по размерам і конфигурации.
При заточке инструмента, когда не требуется точная налаштування на задний угол (переточка "по искре"), може применяться жесткая упорка 4, более простая і удобная.
Приспособление (рис.31) предназначено для линейной правки шлифовального круга алмазным карандашом или алмазозаменителем. Приспособление устанавливается на столе верстата. Правку можно производить как продольным ходом стола, так і поперечным ходом шлифовальной бабки. Кронштейн 2 - поворотный і може быть закреплен винтом 1 в любом положении.
Приспособление (рис.32) служит для выверки упорки или оси шпинделя шлифовальной головки по высоте центров бабок. Шаблон може устанавливаться на стол или на верхнюю плоскость шлифовальной головки.
Для совмещения торца шлифовального круга з осью центров центровых бабок (при заточке инструмента по передньої грани) служит центроискатель, который устанавливается в отверстие пиноли задньої или передньої бабки. Торец шлифовального круга доводится до упора в срезанную часть.
Приспособление (рис.33) служит для сообщения обертання изделию при круглом шлифовании. С его помощью можно осуществить круглое шлифование цилиндров і конических поверхностей в центрах или з креплением изделий в коническом отверстии шпинделя приводной бабки.
Приспособление монтируется на универсальной бабке 2; на корпусе 3 универсальной бабки устанавливается кронштейн 4 со шкивом 7 і натяжным пристрійм 8. На кронштейне бабки устанавливается плита 1 з приводным електродвигуном 6. Ременная передача закрыта кожухом 5. Для ограждения поводкового пристроя служит кожух 9.

Гідрокоммуникации заточного верстата 3е642е
Гідрокоммуникации заточного верстата 3Е642е. Дивитись у збільшеному масштабі
Гідрокоммуникация (рис.2) предназначена для соединения гідроцилиндра 12 Верстата з гідропанелью 11 і гідростанцией 1 резиновыми рукавами і медными трубами согласно схеме гідравлической принципиальной (см. рис.1).
Гідростанція 1 располагается з правой стороны верстата. На передньої стенке бака гідростанції 1 установлены маслоуказатели 2 для контроля уровня масла в баке, в нижней частини бага расположено сливное отверстие, закрытое сливной пробкой 3.
На крышке бака гідростанції установлены:
На боковой стенке станины расположены:

Гідропанель заточного верстата 3е642е
Гідропанель заточного верстата 3Е642е. Дивитись у збільшеному масштабі
Гідропанель предназначена для выполнения возвратно-поступательного переміщення стола і регулировки его скорости.
Гідропанель состоит из чугунного корпуса 1, внутри которого расположены:
С торцов гідрораспределительный золотник закрыт пробками 4 і 5. В корпусе 1 расположены дроссели 6 і 7, поворотом которых регулируют плавность реверса стола.

Гідравлічна схема заточного верстата 3е642е
Гідрокоммуникации заточного верстата 3Е642е. Дивитись у збільшеному масштабі

Список гідроапаратури заточного верстата 3е642е
Список гідроапаратури заточного верстата 3Е642е. Дивитись у збільшеному масштабі
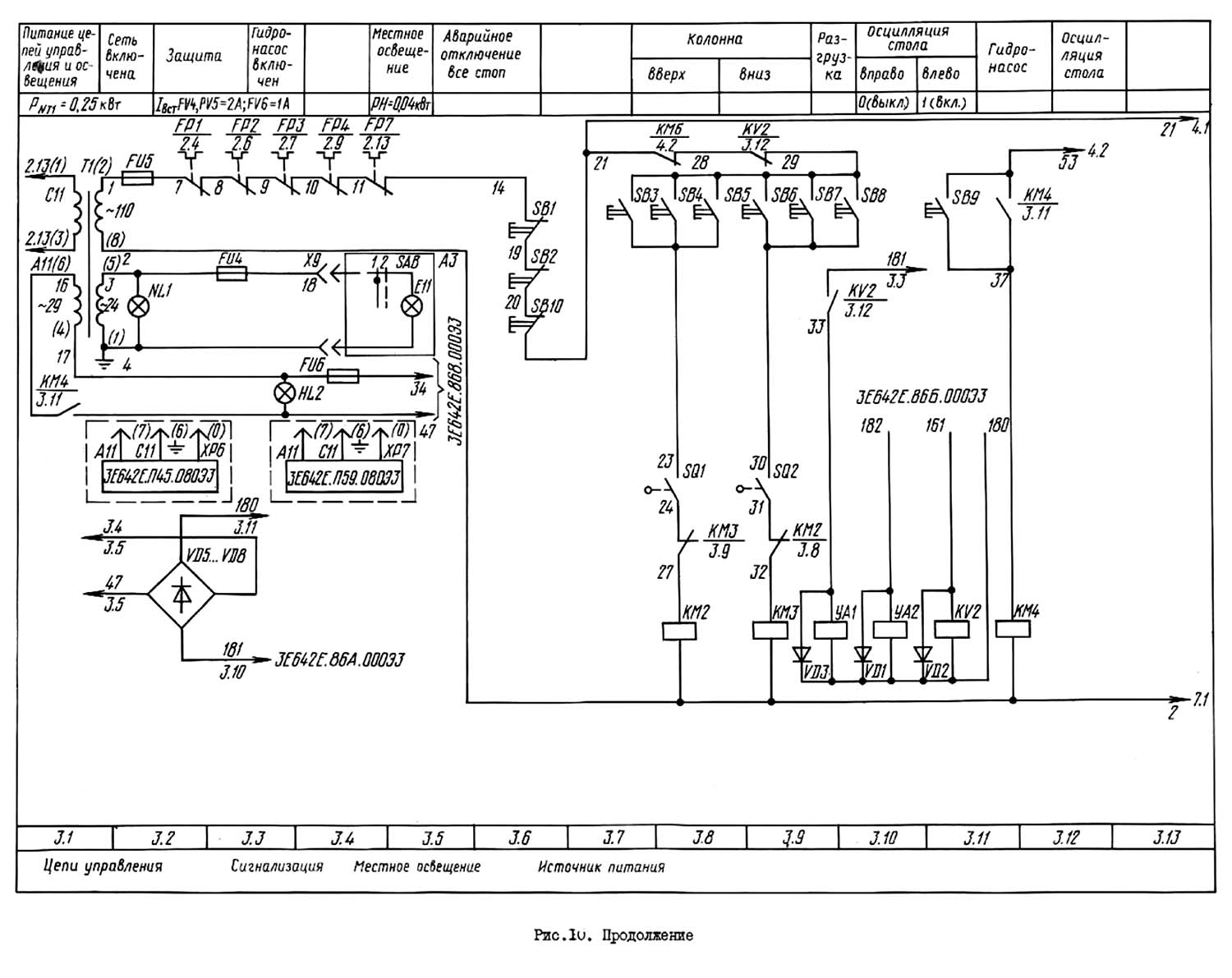
Нажатием кнопки "Пуск гідропривода" включается електродвигатель приводу пластинчатого насоса НП1 (см.рис.1). Масло по магистрали 2-РЗ-3 уходит на слив. Происходит разгрузка гідросистемы.
Нажатием кнопки "Пуск стола влево" включается yA1 гідрораспределителя РЗ.
Разгрузка системы прекращается. Масло поступает по магистрали 2 к цилиндрам Ц2 і Ц3, которые выводят из зацепления зубчасті колеса механізма ручного переміщення стола. Одновременно масло по магистрали 2-Р2-7 поступает в правую торцевую полость распределителя P1, перемещая его золотник влево. Слив из девой полости распределителя PI происходит через дроссель з обратным клапаном Др2, расположенный в корпусе распределителя PL
После переміщення золотника влево масло по магистрали 2-P1-5 поступает в правую торцевую полость гідроцилиндра Ц1. Стол перемещается влево. Слив из левой полости гідроцилиндра Ц1 происходит по магистрали Ц-Р1-ДР1-3 в бак.
Скорость переміщення стола регулируется налаштуванням дросселя Др1.
В крайнем положении стола нажимается конечный выключатель, который дает команду на увімкнення електромагнита yА2 гідрораспределителя Р2.
Происходит реверс стола вправо. Давление по магистрали 2-P1-4 поступает под левый торец гідроцилиндра Ц1. Слив - по магистрали 5-Р1-ДР1-3 в бак.
При нажатии на кнопку "Стоп стола" отключаются електромагниты YА1, YА2.
Золотник распределителя PI занимает среднее положение, соединяя полости гідроцилиндра Ц1 со сливом. Одновременно золотники гідрораспределителей Р2, Р3 занимают исходное положение. Происходит разгрузка гідросистемы.
Поршни гідроцилиндров Ц2 і Ц3 блокировки ручного переміщення стола пружинами перемещаются влево, вводя шестерни в зацепление з рейкой.
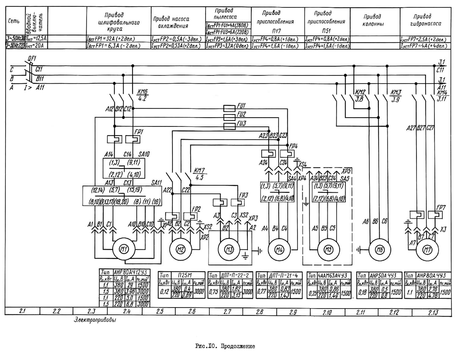
Подвод живлення к верстату осуществляется медным проводом сечением 2,5 мм².
Ввод питающих проводов производится через фланцевый угольник з резьбой G1/2".
На станке применены следущие величины напряжений переменного і постоянного тока:
Перед пуском верстата необходимо произвести внешний осмотр електроустаткування.
ВНИМАНИЕ! ВВОДНОЙ ВЫКЛЮЧАТЕЛЬ ПРИ ВНЕШНЕМ ОСМОТРЕ ДОЛЖЕН БЫТЬ УСТАНОВЛЕН В ПОЛОЖЕНИЕ "ВЫКЛЮЧЕНО".
При внешнем осмотре електроустаткування необходимо проверить:
После осмотра отключить расчленением разъемов, а при их отсутствии - отсоединением на клеммных наборах в електронише проводов живлення всех електродвигателей.
Вводной выключатель QFI установить в положение "Включено". При етом на пульті керування должна зажечься сигнальная лампа HLI "Электросеть подключена".
Проверить при помощи органів ручного керування четкость срабатывания магнитных пускачів.
При достижении четкой роботи всех електроаппаратов, расположенных на панелях керування, подсоединить ранее отключенные провода живлення електродвигуна приводу колонны М6 к клеммам блока наборных зажимов. Произвести фазировку сети правильным подключением питающих проводов к вводному клеммному набору, что определяется соответствием направления переміщення колонны назначению вызвавшего его кнопочного выключателя на пульті керування.
Далее подключить остальные електродвигатели.
Проверить работу електроустаткування во всех режимах без вироби (на холостом ходу).
Проверить работоспособность аппаратов аварийного отключения (выключатели "Загальний стоп").
Проверить действие всех блокировочных устройств по разделу 5.
Проверить местное освещение.
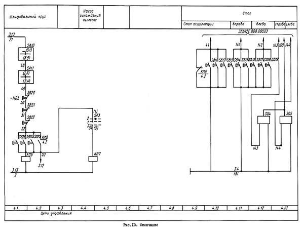
Пуск шлифовального круга, насоса охлаждения (пылесоса), пристосувань осуществляется выключателями SB23… SB25, останов - выключателями SB20… SB22. Направление обертання шлифовального круга определяется переключателем SA10. Частота обертання вала електродвигуна шлифовального круга в станке без преобразователя частоти выбирается переключателем SA11. Положение "1" - 1500 об/мин, положение "2" - 3000 об/мин. В станке з преобразователем частоти переключатель SA11 служит для выбора режима роботи з преобразователем частоти (положение "I") или без преобразователя частоти (положение "2") з регулюванням частоти обертання регулятором преобразователя A1.
Насос охлаждения (пылесос) также можно отключить автономно переключателем SA3. Выбор направления обертання і автономный останов пристосувань П17, П51 можно осуществить переключателями SA4 і SA6, соответственно. Приспособление П58 подключается через разъем XI (вместо приводу шлифовального круга) в станке о преобразователем частоти і управляется органами керування приводу шлифовального круга, описанными выше.
Подъем і опускание колонны осуществляется выключателями SB3… SB5 і SB6… SB8, соответственно.
Пуск гідронасоса осуществляется выключателем SB9, останов - SBI, SB2, SB10 ("Все стоп").
Пуск осцилляции стола осуществляется выключателями SB14… SB16 (вправо) і SB17… SB19 (влево), останов - SB11… SB13.
Зона осцилляции ограничивается выключателями SQ4, SQ5.
Плата керування реверсом стола содержит выпрямитель постоянного тока (VDI), триггер реверса (DD2), усилитель мощности управляющего сигнала (DD4), инвертор (DD1), блокировочный триггер (DD3).
При пуске стола вправо логический ноль через резистивный делитель (R7, R8) поступает на вход (13) триггера реверса (DD2). С выхода (6) триггера (DD2) логический ноль поступает через усилитель мощности (DD4) управляемого сигнала на тиристор WS1 і запирает его. Стол движется вправо.
При движении вправо срабатывает конечный выключатель SQ4 і логическая единица поступает через резистивный делитель (R1 і R2) на инвертор DD1. С выхода (3) DD1 инвертированный сигнал ("О") переключает триггер DD2, і на тиристор WS1 через DD4 подается логическая единица. Тиристор отпирается. Стол движется влево.
При срабатывании левого конечного выключателя (SQ5) логическая единица подается через резистивный делитель (R3, R4) на вход (1,2) инвертора (DD1). Инвертируемый сигнал снимается з выхода (3) і поступает на вход (2) DD2. С выхода (6) DD2 через усилитель DD4 на тиристор подается логический ноль. Тиристор WS1 запирается. Стол движется вправо.
Осцилляция будет повторяться до тех пор, пока не нажата кнопка "Стоп осцилляции".
Блокировка осцилляции стола осуществляется триггером DD3 В следующих случаях:
Электросхемой верстата предусмотрены наступні блокировки:
Электросхемой верстата предусмотрена следующая сигналізація:
Захист от токов короткого замыкания осуществляется електромагнитным расланцюгителем автоматичного выключателя QF1.
Захист от перегрузок выполнена тепловыми реле FP1… FP4, FP7, FP10, FP11 і предохранителями FU1… FU6. Нулевую защиту осуществляют магнитные пускатели КМ4, КМ5, КМ6.
Верстат і отдельно стоящие агрегаты (гідростанція, агрегат охлаждения, пылесос) оснащены заземляющими зажимами, которые проводниками сечением 2,5 мк² подсоединяются к цеховомуконтуру заземления.
Безопасность роботи електроустаткування верстата обеспечивается выполнением указаний настоящего руководства.
Персонал, занятый обслуговуванням електроустаткування верстата, а также его наладкой і ремонтом, обязан:

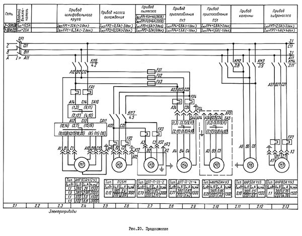
Електрична схема заточного верстата 3е642е
Схема електрична принципова заточного верстата 3Е642Е. Дивитись у збільшеному масштабі

Електрична схема заточного верстата 3е642е
Схема електрична принципова заточного верстата 3Е642Е. Дивитись у збільшеному масштабі

Електрична схема заточного верстата 3е642е
Схема електрична принципова заточного верстата 3Е642Е. Дивитись у збільшеному масштабі

Електрична схема заточного верстата 3е642е
Схема електрична принципова заточного верстата 3Е642Е. Дивитись у збільшеному масштабі

Список елементів електрической схеми заточного верстата 3е642е
Список елементів електрической схеми заточного верстата 3Е642Е. Дивитись у збільшеному масштабі

Список елементів електрической схеми заточного верстата 3е642е
Список елементів електрической схеми заточного верстата 3Е642Е. Дивитись у збільшеному масштабі

Схема розміщення електроустаткування на станке 3е642е
Схема розміщення електроустаткування на станке 3Е642Е. Дивитись у збільшеному масштабі

Схема розміщення електроустаткування на станке 3е642е
Схема розміщення електроустаткування на станке 3Е642Е. Дивитись у збільшеному масштабі

Схема розміщення електроустаткування на станке 3е642е
Схема розміщення електроустаткування на станке 3Е642Е. Дивитись у збільшеному масштабі
| Наименование параметра | 3Е642 | 3Е642Е |
|---|---|---|
| Основні параметри | ||
| Класс точності по ГОСТ 8-82 | П | П |
| Наибольшие розміри обрабатываемых изделий в центрах (длина х диаметр), мм | 630 х 250 | 630 х 250 |
| Высота центров над рабочим столом, мм | 125 | 125 |
| Рабочий стол верстата | ||
| Розміри рабочей поверхности стола по ГОСТ 6569-75 (длина х ширина), мм | 900 х 140 | 900 х 140 |
| Наибольшее продольное перемещение стола, мм | 450 | 450 |
| Угол поворота стола в горизонтальной плоскости, град | 0… 45 | 0… 45 |
| Скорость продольного переміщення стола (регулируется бесступенчато), м/мин | - | 0,2 … 12 |
| Бабка шлифовальная | ||
| Наибольшее вертикальное перемещение бабки, мм | 235 | 235 |
| Цена деления лимба подачі вертикального переміщення стола, мм | 0,005 | 0,005 |
| Наибольшее поперечное перемещение бабки, мм | 230 | 230 |
| Цена деления лимба подачі поперечного переміщення стола, мм | 0,001 | 0,001 |
| Угол поворота бабки в горизонтальной плоскости, град | 360 | 360 |
| Шлифовальная головка | ||
| Число оборотів заточного круга при бесступенчатом регулировании, об/мин | - | 2200… 6400 |
| Число оборотів заточного круга при ступенчатом регулировании, об/мин | 2200,3200, 4400,6400 | 2200,3200, 4400,6400 |
| Кінець шлифовального шпинделя по ГОСТ 2324-77 виконання 2 | Морзе 4 | Морзе 4 |
| Наибольший диаметр устанавливаемого шлифовального круга по ГОСТ 2424-83 типа ПП | 200 | 200 |
| Наибольший диаметр устанавливаемого шлифовального круга по ГОСТ 2424-83 других типов | 150 | 150 |
| Електроустаткування і привід верстата | ||
| Количество електродвигателей на станке | 4 | 4 |
| Електродвигун приводу шпинделя, кВт (об/мин) | 2,2 (3000) | 2,2 (3000) |
| Електродвигун вертикального переміщення шлифовальной бабки, кВт (об/мин) | 0,18(1500) | 0,18(1500) |
| Електродвигун вертикального переміщення шлифовальной головки, кВт (об/мин) | 0,18 (1500) | 0,18 (1500) |
| Електродвигун приводу вироби, кВт (об/мин) | 0,25 (1500) | 0,25(1500) |
| Електродвигун гідропривода, кВт (об/мин) | - | 1,1 (1000) |
| Производительность насоса гідропривода, л/мин | - | 10 |
| Електродвигун насоса охлаждения, кВт (об/мин) | 0,12 (2800) | 0,12 (2800) |
| Производительность насоса охлаждения, л/мин | 22 | 22 |
| Общая установленная мощность всех електродвигателей при ступенчатом/ бесступенчатом регулировании, кВт | 1,93 /- | 3,03 /3,73 |
| род тока питающей сети | 50Гц, 380/220 В | 50Гц, 380/220 В |
| Габарити і масса верстата | ||
| Габарит верстата, мм | 1745 х 1940 х 1550 | 1830 х 1940 х 1550 |
| Масса верстата, кг | 1160 | 1200 |
3Д642Е Паспорт універсального заточувального верстата, (djvu) 1,2 Мб
Той, хто не дивиться вперед, виявляється позаду.
Г. Уеллс