Виробник універсального заточувального верстата 3М642 - Вітебський завод заточувальних верстатів Візас , заснований у 1897 році.
З 1940 року підприємство спеціалізується на випуску заточувального обладнання та на сьогоднішній день є єдиним у СНД виробником верстатів для виготовлення та заточування будь-якого різального інструменту. Продукція заводу експлуатується більш як у шістдесяти країнах світу.
Універсальні заточувальні верстати 3М642 призначені для заточування та доведення основних видів різального інструменту: різців, фрез, зенкерів тощо з інструментальної сталі, твердого сплаву, металокераміки абразивними, алмазними та ельборовими колами.
Заточувальний верстат 3М642 має литу чавунну станину, це підвищує точність обробки і зменшує коливання, викликані при обробці деталі. Додатково на верстати можна поставити синусну плиту для закріплення заготовок, пристрій для заточування по радіусу різців і кінцевого багатолезового інструменту, пристрій для зовнішнього круглого шліфування, для внутрішнього шліфування, для заточування право- і ліворізальних зенкерів і т.д.
Верстат універсально-заточної 3М642 є модифікацією верстата 3Д642. На відміну від попередника, поздовжні переміщення стола біля верстата 3М642 здійснюються за рахунок гідравлічного приводу поздовжнього переміщення столу, це дає плавність ходу столу та збільшення продуктивності за зміну.
Механізований підйом та опускання шліфувальної головки сприяє поліпшенню умов праці та зниженню допоміжного часу.
На верстатах 3М642 проводиться заточування інструмента із трьох робочих місць.
Шпиндель шліфувального кола може повертатися у горизонтальній площині на 360°, вертикальній на 20° вгору та на 40° вниз щодо горизонтальної осі, що спрощує налаштування на заданий кут заточування та розширює технологічні можливості верстатів.
За заявкою замовника верстати можуть бути оснащені пристроями для заточування різного інструменту, у тому числі пристрійми для зовнішнього круглого шліфування і системою відсмоктування пилу.
Із застосуванням підкладних плит та додаткових пристроїв можлива обробка деталей діаметром до 330 мм та довжиною до 1040 мм.
За окрему плату верстат 3М642 може бути оснащений більш ніж 38 додатковими пристроями, у тому числі системою подачі рідини, що охолоджує.
Кліматичне виконання та категорія розміщення верстатів, окремо розташованого обладнання та приладдя відповідає ГОСТ 15150-69 для поставки в райони з помірним кліматом - УХЛ4
Клас точності верстата – П.
Заточувальні верстати служать для заточування інструменту та застосовуються в інструментальних цехах заводів та у заточних відділеннях механічних цехів. За способом заточування вони поділяються на дві групи:
Перша група має більшого поширення, тим більше, що останнім часом величезне значення набуло заточення інструменту алмазними колами. Застосування алмазних кіл значно підвищує продуктивність та якість заточування. До безабразивного заточування відносяться електроіскровий та анодно-механічний способи.
За призначенням заточувальні верстати поділяються на універсальні (для заточування різних видів інструменту) та спеціальні (для заточування інструменту певного виду).
Універсально-заточувальні верстати використовуються для заточування багатолезового інструменту з інструментальної сталі та твердих сплавів. Заточувальні верстати дозволяють працювати з циліндричними та конічними інструментами, зенкерами та розгортками. Також заточувальні верстати використовують для обробки фрез, долб'яків і мітчиків, різців, черв'ячних фрез, зуборізних головок і протяжок, з гвинтовими і прямими зубами та ін.
На верстатах цього типу можна виконувати також кругле (зовнішнє і внутрішнє) і плоске шліфування.
Верстат 3М642 (3М642Е) є попереднім аналогом верстатів 3Д642 (3Д642Е).
Верстат 3Д642 (3Д642Е) є попереднім аналогом верстатів 3Е642Е (3Е642Е).
Верстат 3Е642 (3Е642Е) є попереднім аналогом верстатів ВЗ-318 (ВЗ-318Е) та ВЗ-818 (ВЗ-818Е).
Верстати моделей 3Е642 і 3Е642Е знято з виробництва 1994р.
В даний час виробництво "легендарних" моделей заточувальних верстатів 3Е642Е та 3Е642 відновлено .
Верстати моделей ВЗ-318 та ВЗ-318Е знято з виробництва у 2008р.
Верстати моделей ВЗ-818 та ВЗ-818Е випускаються заводом на даний час.

Основні розміри та посадкові місця заточувального верстата 3М642

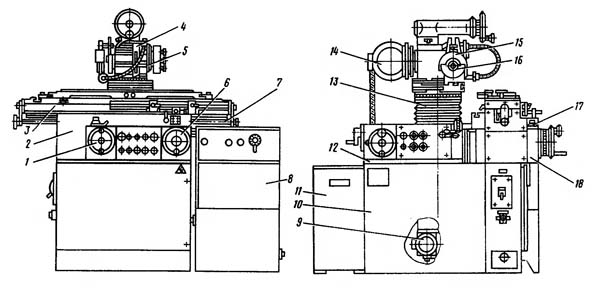
Фото універсального заточувального верстата 3М642
Фото універсального заточувального верстата 3М642. Завантажити у збільшеному масштабі

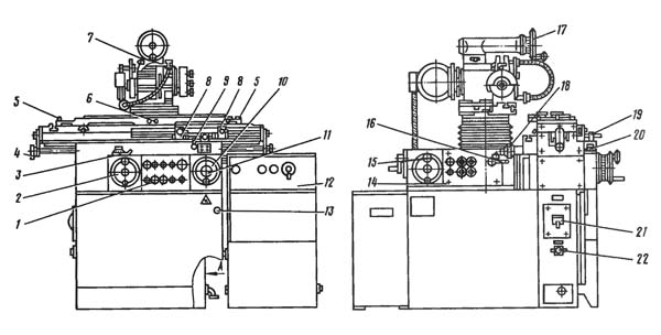
Фото універсального заточувального верстата 3М642
Фото універсального заточувального верстата 3М642. Завантажити у збільшеному масштабі

Фото універсального заточувального верстата 3М642

Розташування складових частинин заточувального верстата 3М642

Розташування органів керування заточувальним верстатом 3М642

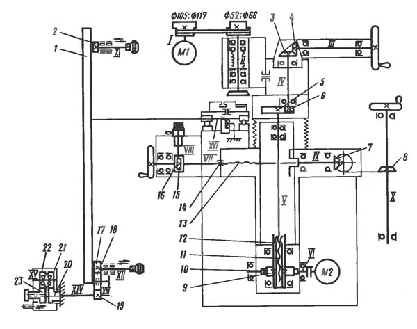
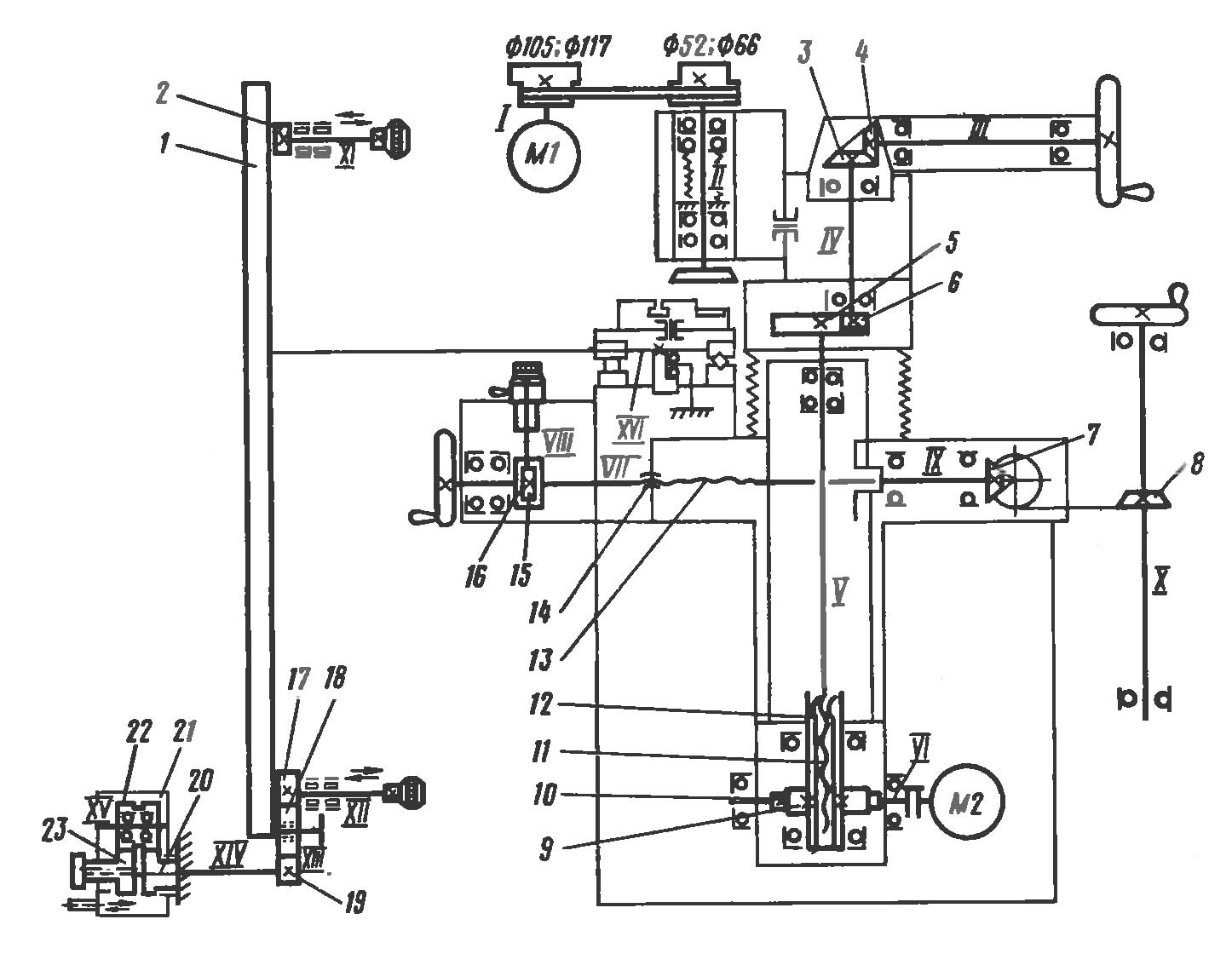
Кінематична схема заточного верстата 3М642
Схема кінематична заточного верстата 3М642. Скачать в увеличенном масштабе

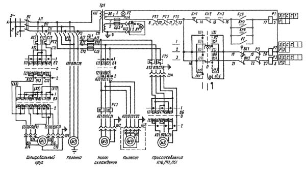
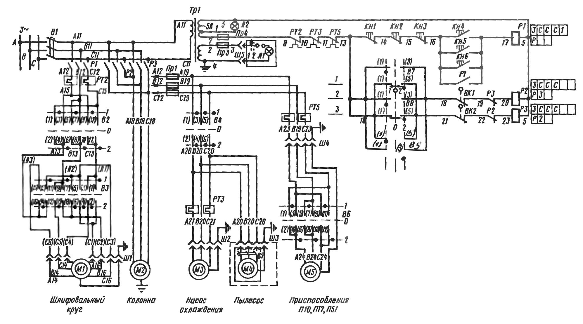
Електрична схема заточного верстата 3М642
Схема електрична заточного верстата 3М642. Скачать в увеличенном масштабе

Електрична схема заточного верстата 3М642Е
Схема електрична заточного верстата 3М642Е. Скачать в увеличенном масштабе
| Наименование параметра | 3М642 | 3Е642Е |
|---|---|---|
| Основні параметри | ||
| Класс точності по ГОСТ 8-82 | П | П |
| Наибольшие розміри обрабатываемых изделий в центрах (длина х диаметр), мм | 500 х 250 | 630 х 250 |
| Высота центров над рабочим столом, мм | 125 | 125 |
| Рабочий стол верстата | ||
| Розміри рабочей поверхности стола по ГОСТ 6569-75 (длина х ширина), мм | 800 х 140 | 900 х 140 |
| Наибольшее продольное перемещение стола, мм | 400 | 450 |
| Угол поворота стола в горизонтальной плоскости, град | ±45 | ±45 |
| Скорость продольного переміщення стола, м/мин | 0,2 ... 8 | 0,2 ... 12 |
| Бабка шлифовальная | ||
| Наибольшее вертикальное перемещение бабки, мм | 250 | 235 |
| Цена деления лимба подачі вертикального переміщення, мм | 0,005 | 0,005 |
| Наибольшее поперечное перемещение бабки, мм | 230 | 230 |
| Цена деления лимба тонкой подачі поперечного переміщення, мм | 0,001 | 0,001 |
| Угол поворота бабки в горизонтальной плоскости, град | 360 | 360 |
| Угол поворота бабки в вертикальной плоскости, град | ±20 | |
| Шлифовальная головка | ||
| Число оборотів заточного круга при бесступенчатом регулировании, об/мин | 2200...6400 | 2200...6400 |
| Число оборотів заточного круга при ступенчатом регулировании, об/мин | 2240,3150, 4500,6300 | 2200,3200, 4400,6400 |
| Кінець шлифовального шпинделя по ГОСТ 2324-77 виконання 2 | Морзе 4 | Морзе 4 |
| Наибольший диаметр устанавливаемого шлифовального круга по ГОСТ 2424-83 типа ПП | 200 | 200 |
| Наибольший диаметр устанавливаемого шлифовального круга по ГОСТ 2424-83 других типов | 150 | 150 |
| Електроустаткування і привід верстата | ||
| Количество електродвигателей на станке | 6 | 6 |
| Електродвигун приводу шпинделя, кВт | 1,1 | 2,2 |
| Електродвигун вертикального переміщення шлифовальной бабки (привід колонны), кВт | 0,18 | 0,18 |
| Електродвигун приводу вироби, кВт/ об/мин | 0,25/ 1500 | 0,25/ 1500 |
| Електродвигун гідропривода, кВт/ об/мин | 1,1/ 1000 | 1,1/ 1000 |
| Електродвигун насоса охлаждения, кВт | 0,12 | 0,12 |
| Производительность насоса охлаждения, л/мин | 22 | 22 |
| род тока питающей сети | 50Гц, 380/220 В | 50Гц, 380/220 В |
| Габарити і масса верстата | ||
| Габарит верстата, мм | 1715 х 1810 х 1635 | 1745 х 1940 х 1550 |
| Масса верстата, кг | 1650 | 1160 |
3М642, 3М642Е Паспорт універсального заточувального верстата, (djvu) 1,6 Мб
Той, хто не дивиться вперед, виявляється позаду.
Г. Уеллс