Розробником та виробником токарно-гвинторізного верстата 16ГС32Ф3 є Гомельський завод верстатних вузлів ДЗСУ , заснований у 1961 році.
У 1970 році завод приступив до виготовлення вузлів до токарно-гвинторізних верстатів: коробки подач та фартухи.
З 1976-1991 роки завод входив до складу Московського виробничого об'єднання "Червоний Пролетар".
У 1992 році завод почав випускати токарний верстат моделі ГС526 та його виконання. Верстат ГС526 є прямим аналогом верстата 16к20 .
У 2008 році завод виготовив дослідний зразок токарного верстата з ЧПУ моделі 16ГС32Ф3 , з оперативною системою керування 16ГС25СУ , а також новий токарний верстат з ЧПУ моделі ГС1725Ф3 , вертикально-свердлильний верстат моделі 2Т125 та 2Т150.
Токарний верстат 16ГС32Ф3 призначений для виконання токарних патронних і центрових робіт в замкнутому напівавтоматичному циклі обробки деталей типу тіл обертання зі східчастиним і криволінійним профілем (включаючи нарізування кріпильних різьблень) в різних галузях промисловості в індивідуальному, дрібносерійному та серійному виробництві.
Для переміщення супорта у поперечному напрямку застосовані роликові опори кочення (танкетки).
Залежно від модифікацій, що випускаються, до базового позначення верстата додаються наступні буквено-цифрові індекси:
Наприклад:
Верстат випускається з міжцентровими відстанями (РМЦ) 1000мм, 1500мм – виконання 01 та 2000мм – виконання 02.

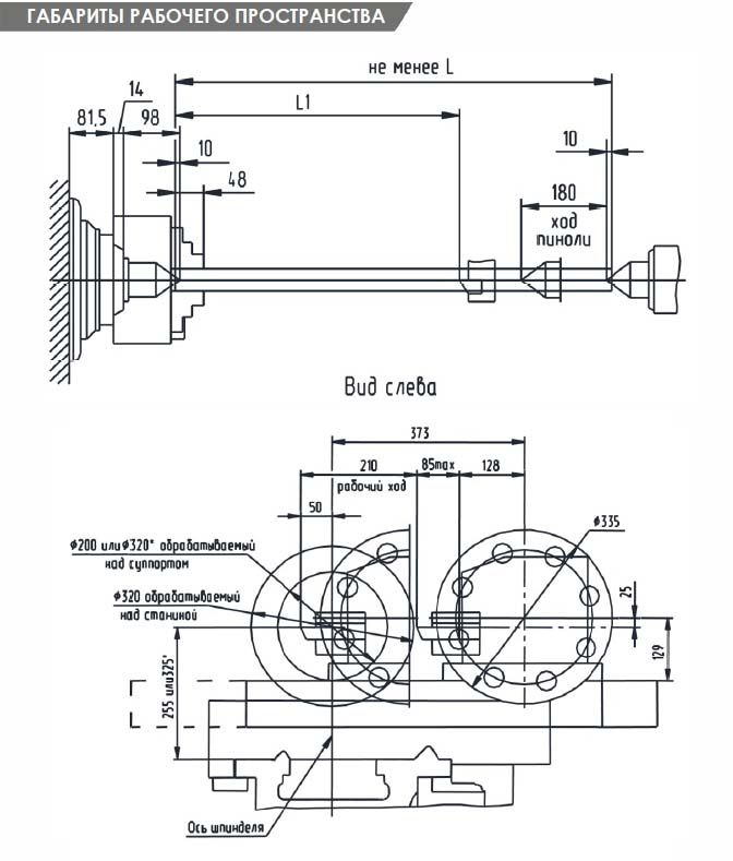
Габаритні розміри робочого простору верстата 16ГС32Ф3

Фото токарно-гвинторізного верстата 16ГС32Ф3
Фото токарно-гвинторізного верстата 16ГС32Ф3. Дивитись у збільшеному масштабі

Фото токарно-гвинторізного верстата 16ГС32Ф3
Фото токарно-гвинторізного верстата 16ГС32Ф3. Дивитись у збільшеному масштабі
| Найменування параметру | 16GS25F3 | 16GS32F3 | |
|---|---|---|---|
| Основні параметри верстата | |||
| Клас точності згідно з ГОСТ 8-82 | П | П | |
| Найбільший діаметр заготовки, що встановлюється над станиною, мм. | 320 | 320 | |
| Висота осі центрів над плоскими напрямними станини, мм | 255 | 325 | |
| Найбільший діаметр заготовки оброблюваної над супортом, мм | 200 | 320 | |
| Найбільша довжина заготівлі, що встановлюється в центрах (РМЦ = 1000, 1500, 2000), мм | 970, 1500, 2000 | 970, 1500, 2000 | |
| Найбільша довжина обробки, що встановлюється в центрах (РМЦ = 1000, 1500, 2000), мм | 750, 1300, 1750 | 750, 1300, 1820 | |
| Найбільший діаметр свердла при свердлінні сталевих деталей по сталі / чавуну, мм | 25/28 | 25/28 | |
| Шпиндель | |||
| Діаметр отвору в шпинделі, мм | 55 | 55 | |
| Найбільший діаметр прутка, що проходить через отвір у шпинделі, мм | 50 | 50 | |
| Частота обертання шпинделя у прямому напрямку, об/хв | 20..2500 | 20..2500 | |
| Кількість прямих швидкостей шпинделя | Б/с | Б/с | |
| Кінець шпинделя за ГОСТ 12593-72 | 6К ГОСТ 12593 | 6К ГОСТ 12593 | |
| Конічний отвір шпинделя за ГОСТ 13214 | Морзе 6 | Морзе 6 | |
| Діаметр фланця шпинделя, мм | 170 | 170 | |
| Найбільший крутний момент на шпинделі, Нм | 800 | 800 | |
| Межі кроків метричних різьблень, мм | 0,25..40 | 0,25..40 | |
| Супорт | |||
| Найбільша довжина поздовжнього переміщення (вісь Z), мм | 750, 1305, 1750 | 750, 1305, 1820 | |
| Найбільша довжина поперечного переміщення (вісь Х), мм | 210 | 210 | |
| Дискретність завдання переміщення координатами (Х, Z), мм | 0,001 | 0,001 | |
| Точність лінійного позиціонування поздовжнього переміщення (вісь Z), мм | 0,010 | 0,010 | |
| Точність лінійного позиціонування поперечного переміщення (вісь Х), мм | 0,005 | 0,005 | |
| Задня бабка | |||
| Центр пінолі з конусом | Азбука Морзе 5 За ГОСТ 13214 | Азбука Морзе 5 За ГОСТ 13214 | |
| Найбільше переміщення пінолі, мм | 180 | 180 | |
| Розмір поперечного зміщення корпусу, мм | ±15 | ±15 | |
| Електроустаткування | |||
| Електродвигун головного приводу, кВт | 11 | 11 | |
| Електродвигун приводу поздовжнього переміщення, кВт | 2,5 | 2,5 | |
| Електродвигун приводу поперечних переміщень, кВт | 2,5 | 2,5 | |
| Електродвигун насоса СОЖ, кВт | 0,25 | ||
| Сумарна потужність електродвигунів на верстаті, кВт | 16,45 | 16,45 | |
| Сумарна потужність споживана верстатом, кВт | 17 | 17 | |
| Габарити та маса верстата | |||
| Габарити верстата (довжина ширина висота) РМЦ = 1000 мм | 3060 х 1775 х 1675 | 3060 х 1775 х 1675 | |
| Маса верстата, кг | 3200, 3600, 4300 | 3200, 3600, 4300 |
Замовити
Будь-яку проблему можна зробити нерозв'язною, якщо провести достатню кількість нарад щодо її обговорення.
Закон Мітчелла