Розробником та виробником токарного верстата 16ГС32СУ є Гомельський завод верстатних вузлів ДЗСУ , заснований у 1961 році.
У 1970 році завод приступив до виготовлення вузлів до токарно-гвинторізних верстатів: коробки подач та фартухи.
З 1976-1991 роки завод входив до складу Московського виробничого об'єднання "Червоний Пролетар".
У 1992 році завод почав випускати токарний верстат моделі ГС526 та його виконання. Верстат ГС526 є прямим аналогом верстата 16к20 .
У 2008 році завод виготовив дослідний зразок токарного верстата з ЧПУ моделі 16ГС32СУ , з оперативною системою керування 16ГС25СУ , а також новий токарний верстат з ЧПУ моделі ГС1725Ф3 , вертикально-свердлильний верстат моделі 2Т125 та 2Т150.
Токарний верстат 16ГС32СУ з оперативною системою керування призначений для виконання токарних патронних і центрових робіт у замкнутому напівавтоматичному циклі обробки деталей типу тіл обертання зі ступінчастиним і криволінійним профілем (включаючи нарізування кріпильних різьблень) в різних галузях промисловості в індивідуальному, дрібносерійному та серійному деталей.
Верстат призначений для токарної обробки в напівавтоматичному циклі в патроні або центрах деталей з прямолінійним, ступінчастиним та криволінійним профілем в умовах дрібносерійного та серійного виробництв.
Токарний верстат з числовим програмним керуванням моделі 16ГС25СУ або моделі 16ГС32СУ з збільшеним діаметром обробки заготовки над станиною та супортом.
Верстат 16ГС32СУ має оперативну систему керування розроблену з метою зниження вимог до кваліфікації обслуговуючого персоналу верстата за умови забезпечення функціональності на рівні верстата з ЧПУ.
Легко сприймається керування меню з великого сенсорного екрана. Усі необхідні режими обробки деталі зручно згруповані у простому та зрозумілому діалоговому меню оператора.
Діапазон регулювання частот обертання шпинделя та подач дозволяє проводити обробку виробів як із звичайних чорних та кольорових металів, так і легованих сталей.
Верстат 16ГС32СУ може застосовуватися в різних галузях промисловості на всіляких операціях для обробки різних матеріалів з дрібними партіями, що повторюються деталей.
Залежно від модифікацій, що випускаються, до базового позначення верстата додаються наступні буквено-цифрові індекси:
Верстат випускається з міжцентровою відстанню (РМЦ) 1000мм, 1500 мм – виконання 01 та 2000 мм – виконання 02

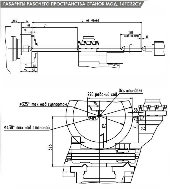
Габаритні розміри робочого простору верстата 16ГС32СУ

Фото токарно-гвинторізного верстата 16ГС32СУ
Фото токарно-гвинторізного верстата 16ГС32СУ. Дивитись у збільшеному масштабі

Фото токарно-гвинторізного верстата 16ГС32СУ
| Найменування параметру | 16GS25SU | 16GS32SU | |
|---|---|---|---|
| Основні параметри верстата | |||
| Клас точності згідно з ГОСТ 8-82 | П | П | |
| Найбільший діаметр заготовки, що встановлюється над станиною, мм. | 500 | 630 | |
| Найбільший діаметр заготовки оброблюваної над станиною, мм | 430 | 430 | |
| Висота осі центрів над плоскими напрямними станини, мм | 255 | 325 | |
| Найбільший діаметр заготовки оброблюваної над супортом, мм | 200 | 325 | |
| Найбільша довжина заготівлі, що встановлюється в центрах (РМЦ), мм | 1000, 1500, 2000 | 1000, 1500, 2000 | |
| Найбільша довжина обробки, мм | 900, 1450, 1900 | 810, 1300, 1900 | |
| Найбільший діаметр свердла при свердлінні сталевих деталей по сталі / чавуну, мм | 25/28 | 25/28 | |
| Шпиндель | |||
| Діаметр отвору в шпинделі, мм | |||
| Найбільший діаметр прутка, що проходить через отвір у шпинделі, мм | 55 | 55 | |
| Частота обертання шпинделя у прямому напрямку, об/хв | 20..2500 | 20..2500 | |
| Кількість прямих швидкостей шпинделя | Б/с | Б/с | |
| Кінець шпинделя за ГОСТ 12593-72 | 6К ГОСТ 12593 | ||
| Конічний отвір шпинделя за ГОСТ 13214 | Морзе 6 | ||
| Діаметр фланця шпинделя, мм | 170 | ||
| Найбільший крутний момент на шпинделі, Нм | 800 | 800 | |
| Межі кроків метричних різьблень, мм | 0,25..40 | 0,25..40 | |
| Електроустаткування | |||
| Електродвигун головного приводу, кВт | 11 | 11 | |
| Крутний момент приводу поздовжнього переміщення, Нм | 16,8 | 16,8 | |
| Крутний момент приводу поперечних переміщень, Нм | 16,8 | 16,8 | |
| Електродвигун насоса СОЖ, кВт | 0,18 | 0,18 | |
| Сумарна потужність електродвигунів на верстаті, кВт | 16,45 | 17,75 | |
| Сумарна потужність споживана верстатом, кВт | 17 | ||
| Габарити та маса верстата | |||
| Габарити верстата (довжина ширина висота) РМЦ = 1000 мм | 3095 х 1900 х 1675 | 3095 х 1900 х 1675 | |
| Маса верстата, кг | 3200 | 3630 |
Замовити
Будь-яку проблему можна зробити нерозв'язною, якщо провести достатню кількість нарад щодо її обговорення.
Закон Мітчелла